INFO: Dieses Forum nutzt Cookies...
Cookies sind für den Betrieb des Forums unverzichtbar. Mit der Nutzung des Forums erklärst Du dich damit einverstanden, dass wir Cookies verwenden.

Es wird in jedem Fall ein Cookie gesetzt um diesen Hinweis nicht mehr zu erhalten. Desweiteren setzen wir Google Adsense und Google Analytics ein.


Antwort schreiben 

Unterschiedliche Abtastwerte NI DAQPAD-6015



Wenn dein Problem oder deine Frage geklärt worden ist, markiere den Beitrag als "Lösung",
indem du auf den "Lösung" Button rechts unter dem entsprechenden Beitrag klickst. Vielen Dank!

25.10.2006, 09:38 (Dieser Beitrag wurde zuletzt bearbeitet: 15.12.2006 07:28 von Dennis.Moser.)
Beitrag #1

derTetris Offline
LVF-Stammgast
***


Beiträge: 267
Registriert seit: Oct 2006

8.5
2005
de

6456
Deutschland
Unterschiedliche Abtastwerte NI DAQPAD-6015
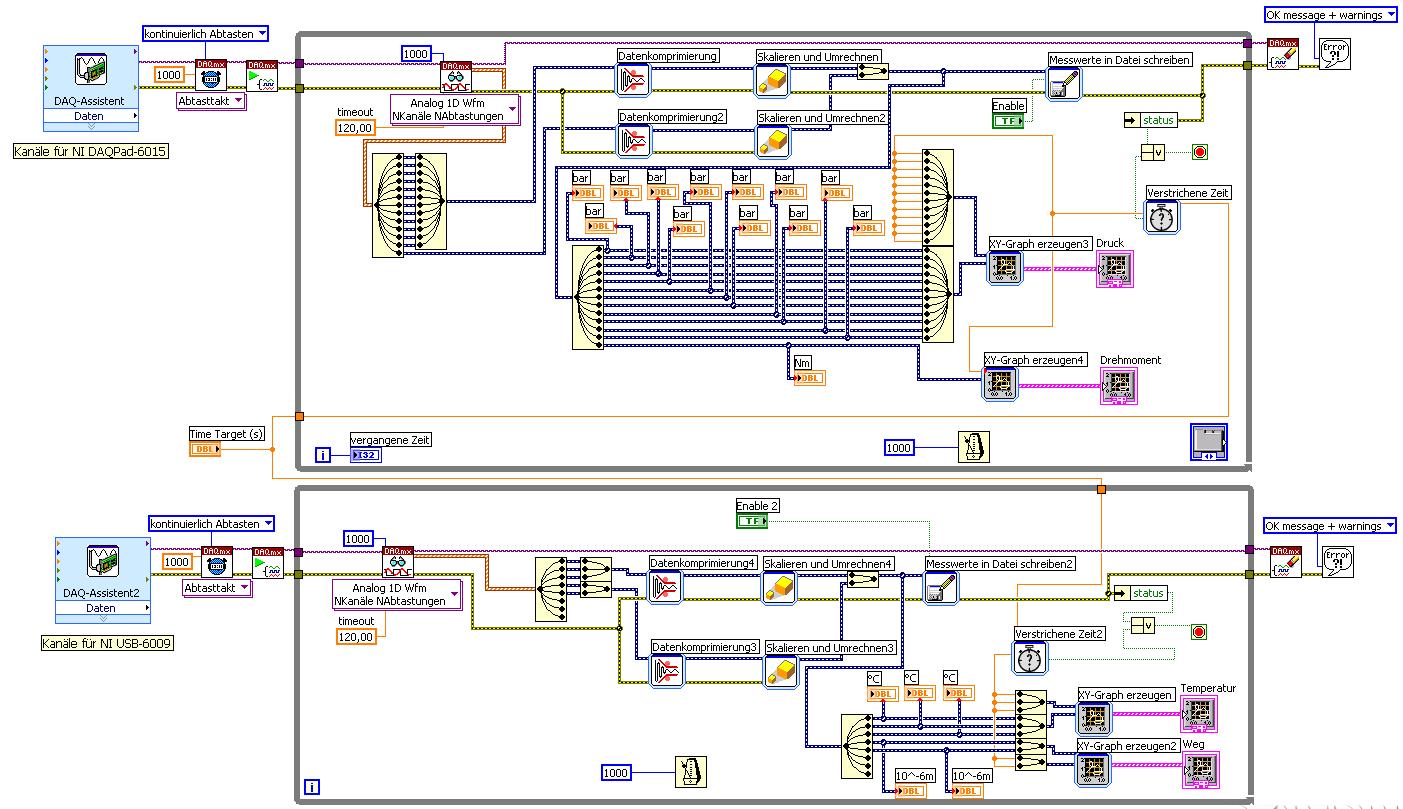
Ich messe über NI DAQPAD-6015 Drücke über Druckaufnehmer (0-10V), jetzt möchte ich im Diagramm die Drücke kontinuierlich darstellen, aber z.B. nur jede Sekunde ein Werte in eine Datei schreiben. Wie geht das?

   


EDIT: SORRY... Falsches BILD !? Dennis
Alle Beiträge dieses Benutzers finden
Diese Nachricht in einer Antwort zitieren to top
Anzeige
25.10.2006, 11:09 (Dieser Beitrag wurde zuletzt bearbeitet: 25.10.2006 11:10 von Lucki.)
Beitrag #2

Lucki Offline
Tech.Exp.2.Klasse
LVF-Team

Beiträge: 7.699
Registriert seit: Mar 2006

LV 2016-18 prof.
1995
DE

01108
Deutschland
Unterschiedliche Abtastwerte NI DAQPAD-6015
Es ist sinnvoll, diese Sekunde zur Mittelwertbildung zu nutzen. Also z.B mit 1kSamples/s zu erfassen, von je 1000 Werten den Mittelwert zu bilden und diesen in das Diagramm zu schreiben. Das ist ganz einfach:

   

Das VI DAQmx Lesen wartet solange, bis sich 1000 Werte im Buffer angesammelt haben. Die werden dann auf einmal gelesen und sofort zum Mittelwert verwurstet, so daß Du nur noch einen Wert pro Sekunde hast.
Alle Beiträge dieses Benutzers finden
Diese Nachricht in einer Antwort zitieren to top
25.10.2006, 11:35
Beitrag #3

derTetris Offline
LVF-Stammgast
***


Beiträge: 267
Registriert seit: Oct 2006

8.5
2005
de

6456
Deutschland
Unterschiedliche Abtastwerte NI DAQPAD-6015
ich lese zu zeit 12 druckgeber aus...d.h. nachdem ich den mittelwert gebildet habe, plottet der graph nur ein signal. aber kann ich denn unabhängig davon wieviel werte pro sekunde geplottet werden, z.b. eine andere anzahl von werten in ein file schreiben?
Alle Beiträge dieses Benutzers finden
Diese Nachricht in einer Antwort zitieren to top
25.10.2006, 12:51 (Dieser Beitrag wurde zuletzt bearbeitet: 25.10.2006 12:52 von Lucki.)
Beitrag #4

Lucki Offline
Tech.Exp.2.Klasse
LVF-Team

Beiträge: 7.699
Registriert seit: Mar 2006

LV 2016-18 prof.
1995
DE

01108
Deutschland
Unterschiedliche Abtastwerte NI DAQPAD-6015
' schrieb:ich lese zu zeit 12 druckgeber aus...d.h. nachdem ich den mittelwert gebildet habe, plottet der graph nur ein signal. aber kann ich denn unabhängig davon wieviel werte pro sekunde geplottet werden, z.b. eine andere anzahl von werten in ein file schreiben?
Wenn man an einen Signalverlaufsgraph ein Array mit 10 Elementen gibt, dann wird das interpretiert als 10 Elemente, die zu einer Kurve gehören, und nicht als je 1 Element von insgesamt 10 Kurven. Den Arry umwandeln in Cluster löst das Problem: Dann hast Du 10 Kurven, bei denen je 1 Element hinzugefügt wird.
   
Alle Beiträge dieses Benutzers finden
Diese Nachricht in einer Antwort zitieren to top
25.10.2006, 13:34 (Dieser Beitrag wurde zuletzt bearbeitet: 15.12.2006 07:32 von Dennis.Moser.)
Beitrag #5

derTetris Offline
LVF-Stammgast
***


Beiträge: 267
Registriert seit: Oct 2006

8.5
2005
de

6456
Deutschland
Unterschiedliche Abtastwerte NI DAQPAD-6015
Danke...das geht super.
Aber wie kann ich das machen, das ich zum beispiel nur 1 wert pro signal pro sekunde in meine datei speichere? Aber der signalverlauf soll dabei nicht beeinflusst werden. Ich will quasi ne extra abtastrate einstellen können.

   
Alle Beiträge dieses Benutzers finden
Diese Nachricht in einer Antwort zitieren to top
25.10.2006, 13:59
Beitrag #6

derTetris Offline
LVF-Stammgast
***


Beiträge: 267
Registriert seit: Oct 2006

8.5
2005
de

6456
Deutschland
Unterschiedliche Abtastwerte NI DAQPAD-6015
...und wie kann ich meine signale skalieren und umrechnen...das geht jetzt nicht mehr!
Alle Beiträge dieses Benutzers finden
Diese Nachricht in einer Antwort zitieren to top
Anzeige
25.10.2006, 16:11
Beitrag #7

Lucki Offline
Tech.Exp.2.Klasse
LVF-Team

Beiträge: 7.699
Registriert seit: Mar 2006

LV 2016-18 prof.
1995
DE

01108
Deutschland
Unterschiedliche Abtastwerte NI DAQPAD-6015
' schrieb:...und wie kann ich meine signale skalieren und umrechnen...das geht jetzt nicht mehr!
Kenn mich mt dem Express-VI zum Schreiben der Daten nicht aus. Auf jeden Fall geht bei dieser Mittelwertbildung das Waveform- oder Signal-Format verloren, und das ist vielleicht nicht gut für das Express-Vi, welche mit "dynamischen Signalen" arbeitet. Man müßte entweder vom Express-Vi loskommen oder dafür sorgen, daß das Signalformat nach der Mittelwertbildung wieder herbeigezaubert wird. Aber vielleicht ist es ganz falsch was ich hier sage. E ist aber der blanke Wahnsinn, diese ganzen Datenwust von 1000Samples pro sec abzuseichern, wo doch die Mittelwerte genügen würden.
Wenn Du nach der Miitelwertbildung wieder in ein Express-VI reinkommen willst, mußt Du die Kanäle aufsplitten und dann mergen, also so:    
Alle Beiträge dieses Benutzers finden
Diese Nachricht in einer Antwort zitieren to top
26.10.2006, 07:56
Beitrag #8

derTetris Offline
LVF-Stammgast
***


Beiträge: 267
Registriert seit: Oct 2006

8.5
2005
de

6456
Deutschland
Unterschiedliche Abtastwerte NI DAQPAD-6015
was mir eben aufgefallen ist...ich lese 12 signale ein, aber nachdem der mittelwert gebildet wurde, kommen nur noch neun signale an...wie kann das sein?

Ich konnte übrigens jetzt diese signale mittels eigenschaftsknoten skalieren, leider wird das bei der digitalen anzeige des graphen nicht berücksichtigt.

Und das problem mit dem schreiben der messwerte hab ich immer noch, ich möchte doch keine 1000 werte pro sekunde und signal abspeichern, sondern vielleicht nur ein Messwert.
Alle Beiträge dieses Benutzers finden
Diese Nachricht in einer Antwort zitieren to top
26.10.2006, 08:25
Beitrag #9

Lucki Offline
Tech.Exp.2.Klasse
LVF-Team

Beiträge: 7.699
Registriert seit: Mar 2006

LV 2016-18 prof.
1995
DE

01108
Deutschland
Unterschiedliche Abtastwerte NI DAQPAD-6015
Hab jetzt keine Zeit für ausführliche Anwort.
Nur noch 9 Kanäle: Array zu Cluster --> rechte Maustaste --> Clustergröße (9=Standard)
Alle Beiträge dieses Benutzers finden
Diese Nachricht in einer Antwort zitieren to top
26.10.2006, 11:22
Beitrag #10

derTetris Offline
LVF-Stammgast
***


Beiträge: 267
Registriert seit: Oct 2006

8.5
2005
de

6456
Deutschland
Unterschiedliche Abtastwerte NI DAQPAD-6015
Kommando zurück...mein skalierungsproblem konnte ich lösen.
Jetzt bleibt noch das problem mit dem speichern der tausenden von werten.
Alle Beiträge dieses Benutzers finden
Diese Nachricht in einer Antwort zitieren to top
Antwort schreiben 


Möglicherweise verwandte Themen...
Themen Verfasser Antworten Views Letzter Beitrag
  Unterschiedliche Abtastraten bei NI USB 6001 bachatero18 8 9.527 31.03.2020 06:33
Letzter Beitrag: bachatero18
  Unterschiedliche Ergebisse im MAX und DAQ Philipp841 5 6.986 29.05.2018 13:28
Letzter Beitrag: Philipp841
  Unterschiedliche timing-anforderungen vereinigen serge_franke 16 14.457 26.03.2018 12:49
Letzter Beitrag: serge_franke
  Speisespannung Druckbox / unterschiedliche Werte in MAX und Labview Code Alischinski 14 15.664 23.04.2015 21:39
Letzter Beitrag: Alischinski
  Probleme Datenerfassung Abtastwerte nicht erfasst Samel 2 4.976 09.08.2013 10:05
Letzter Beitrag: Samel
  DAQPad-6015 - Analogenausgang ausschalten Safa 2 4.723 12.02.2013 10:16
Letzter Beitrag: Safa

Gehe zu: