INFO: Dieses Forum nutzt Cookies...
Cookies sind für den Betrieb des Forums unverzichtbar. Mit der Nutzung des Forums erklärst Du dich damit einverstanden, dass wir Cookies verwenden.

Es wird in jedem Fall ein Cookie gesetzt um diesen Hinweis nicht mehr zu erhalten. Desweiteren setzen wir Google Adsense und Google Analytics ein.


Antwort schreiben 

Unterschiedliche Abtastwerte NI DAQPAD-6015



Wenn dein Problem oder deine Frage geklärt worden ist, markiere den Beitrag als "Lösung",
indem du auf den "Lösung" Button rechts unter dem entsprechenden Beitrag klickst. Vielen Dank!

26.10.2006, 14:33 (Dieser Beitrag wurde zuletzt bearbeitet: 15.12.2006 07:34 von Dennis.Moser.)
Beitrag #11

derTetris Offline
LVF-Stammgast
***


Beiträge: 267
Registriert seit: Oct 2006

8.5
2005
de

6456
Deutschland
Unterschiedliche Abtastwerte NI DAQPAD-6015
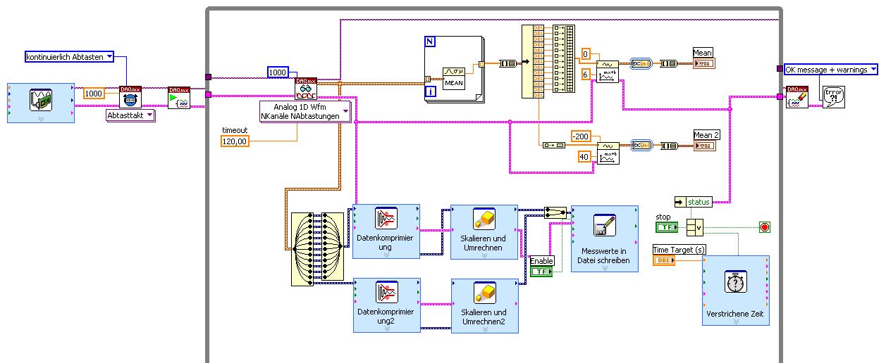
also...ich hab jetzt inzwischen auch ne möglichkeit gefunden, wie ich nicht tausend messwerte, sondern nur 10 pro sekunde speichern kann. Dabei muss ich aber im express-vi datenkomprimierung den wert 1000 einstellen.
Jetzt mal wieder eine Frage: Wie kann ich z.b. diesen wert per bedienelement einstellen?

Oder gibts irgendwie ne schönere Methode?


   
Alle Beiträge dieses Benutzers finden
Diese Nachricht in einer Antwort zitieren to top
Anzeige
01.11.2006, 07:34 (Dieser Beitrag wurde zuletzt bearbeitet: 15.12.2006 07:34 von Dennis.Moser.)
Beitrag #12

derTetris Offline
LVF-Stammgast
***


Beiträge: 267
Registriert seit: Oct 2006

8.5
2005
de

6456
Deutschland
Unterschiedliche Abtastwerte NI DAQPAD-6015
kann mir denn keiner helfen?...ist es denn möglich irgendwas vor dem vi-express 'messwerte in datei schreiben' einzufügen, das evtl. nur jeden zweiten (oder halt ein vielfaches) messwert in die datei schreibt?

   
meine nächste frage:
kann ich in diesem Programm zusätzlich werte über den usb-6009 einlesen und verarbeiten? Bis jetzt les ich ja ausschließlich über NI DAQPad-6015 aus.
Alle Beiträge dieses Benutzers finden
Diese Nachricht in einer Antwort zitieren to top
01.11.2006, 09:52
Beitrag #13

IchSelbst Offline
LVF-Guru
*****


Beiträge: 3.708
Registriert seit: Feb 2005

11, 14, 15, 17, 18
-
DE

97437
Deutschland
Unterschiedliche Abtastwerte NI DAQPAD-6015
' schrieb:kann mir denn keiner helfen?
Eine Hilfestellung hat mehrere Grenzen. Erstens: Es ist keiner da, der das Problem prinzipiell lösen kann - dann ist das Problem zu schwierig. Zweitens: Es gibt zwar kompetente User, die prinzipiell helfen könnten, die aber mit deinem Problem noch nie befasst waren. Drittens: Die Darstellung der Lösung eines Problems ist eher kompiziert - da lässt man in einem Forum lieber die Finger von. Viertens: Es gibt nur sehr wenige User, die sich nur um dein Problem zu lösen hinsetzen um eine Lösung zusuchen.

Für deine Frage nach dem Bedienelement würde ich vorschlagen: Ich glaube, man kann Express-VIs in normale SubVIs umwandeln. Dann kannst du in dem SubVI den entsprechenden Parameter als Eingang bestimmen und ihn aus dem Hauptprogramm mit einem Bedienelement belegen.

Zitat:ist es denn möglich irgendwas vor dem vi-express 'messwerte in datei schreiben' einzufügen, das evtl. nur jeden zweiten (oder halt ein vielfaches) messwert in die datei schreibt?
Durch einen entsprechenden Algorithmus lässt sich alles (respektive vieles) programmieren. Ohne deine Anwendung jetzt genauer zu kennen, würde ich folgendes vorschlagen: Ruf das Speichern nur alle (z.B.) 22 mal auf. Dazu nimmst du einen Schieberegister für die Whileschleife. Das startet bei Null und zählt bis 22 hoch. Ist 22 erreicht, wird gespeichert und der Zählerwert wieder auf Null gesetzt.

Zitat:kann ich in diesem Programm zusätzlich werte über den usb-6009 einlesen und verarbeiten? Bis jetzt les ich ja ausschließlich über NI DAQPad-6015 aus.
Da würde ich ohne nachzudenken sagen: Ja. Ich empfehle eine parallele Whileschleife.

Jeder, der zur wahren Erkenntnis hindurchdringen will, muss den Berg Schwierigkeit alleine erklimmen (Helen Keller).
Alle Beiträge dieses Benutzers finden
Diese Nachricht in einer Antwort zitieren to top
01.11.2006, 14:56
Beitrag #14

derTetris Offline
LVF-Stammgast
***


Beiträge: 267
Registriert seit: Oct 2006

8.5
2005
de

6456
Deutschland
Unterschiedliche Abtastwerte NI DAQPAD-6015
hast du da evtl ein beispiel für mich für das schieberegister? Bei sammelt der scheinbar die ganzen werte und gibt sie dann mit einmal aus...der soll ja aber z.b. die 21 'Wertepaare' je signal verwerfen und dann nur das 22 'Wertepaar' je signal schreiben.
Alle Beiträge dieses Benutzers finden
Diese Nachricht in einer Antwort zitieren to top
01.11.2006, 15:44
Beitrag #15

IchSelbst Offline
LVF-Guru
*****


Beiträge: 3.708
Registriert seit: Feb 2005

11, 14, 15, 17, 18
-
DE

97437
Deutschland
Unterschiedliche Abtastwerte NI DAQPAD-6015
Ich glaube, dir ist eher mit folgender Datenreduzierung geholfen. Möglicherweise gibt es da was fertiges - Programmieren ist aber schöner als Suchen.


Angehängte Datei(en)
Sonstige .vi  ArrayReduzieren.vi (Größe: 57,07 KB / Downloads: 268)

Jeder, der zur wahren Erkenntnis hindurchdringen will, muss den Berg Schwierigkeit alleine erklimmen (Helen Keller).
Alle Beiträge dieses Benutzers finden
Diese Nachricht in einer Antwort zitieren to top
02.11.2006, 08:18
Beitrag #16

derTetris Offline
LVF-Stammgast
***


Beiträge: 267
Registriert seit: Oct 2006

8.5
2005
de

6456
Deutschland
Unterschiedliche Abtastwerte NI DAQPAD-6015
...das funktioniert aber leider nicht so einfach mit dynamischen daten, bzw. cluster mit n-arrays...Sad
Alle Beiträge dieses Benutzers finden
Diese Nachricht in einer Antwort zitieren to top
Anzeige
02.11.2006, 10:54
Beitrag #17

IchSelbst Offline
LVF-Guru
*****


Beiträge: 3.708
Registriert seit: Feb 2005

11, 14, 15, 17, 18
-
DE

97437
Deutschland
Unterschiedliche Abtastwerte NI DAQPAD-6015
' schrieb:...das funktioniert aber leider nicht so einfach mit dynamischen daten, bzw. cluster mit n-arrays...Sad
In LV gibt es nur dynamische Array. Außerdem funktioniert das mit allen Typen von Array-Daten.

Solltest du aber meinen, dass das nicht mit solchen Array funktioniert, die während der Reduzierung auch noch erweitert werden sollen, dann hast du Recht. Das Reduzieren-Verfahren geht nur, wenn die dynamische Erstellung des Arrays beendet ist.

Das andere Extrem siehe Anhang. Das aber geht nur dann, wenn nur ein einziges Array-Element dazu kommen soll.

Wenn du eine Mischung aus beiden hast, musst du beide Verfahren halt entsprechend verknüpfen (z.B. Schleife im Teilarray, und jedes Teilarrayelement gemäß Anhang addieren) - oder doch was fertiges suchen.


Angehängte Datei(en)
Sonstige .vi  ArrayReduziertErweitern.vi (Größe: 35,19 KB / Downloads: 238)

Sonstige .vi  Benutze_ArrRedErw.vi (Größe: 38,34 KB / Downloads: 263)

Jeder, der zur wahren Erkenntnis hindurchdringen will, muss den Berg Schwierigkeit alleine erklimmen (Helen Keller).
Alle Beiträge dieses Benutzers finden
Diese Nachricht in einer Antwort zitieren to top
Antwort schreiben 


Möglicherweise verwandte Themen...
Themen Verfasser Antworten Views Letzter Beitrag
  Unterschiedliche Abtastraten bei NI USB 6001 bachatero18 8 9.706 31.03.2020 06:33
Letzter Beitrag: bachatero18
  Unterschiedliche Ergebisse im MAX und DAQ Philipp841 5 7.097 29.05.2018 13:28
Letzter Beitrag: Philipp841
  Unterschiedliche timing-anforderungen vereinigen serge_franke 16 14.754 26.03.2018 12:49
Letzter Beitrag: serge_franke
  Speisespannung Druckbox / unterschiedliche Werte in MAX und Labview Code Alischinski 14 15.902 23.04.2015 21:39
Letzter Beitrag: Alischinski
  Probleme Datenerfassung Abtastwerte nicht erfasst Samel 2 5.067 09.08.2013 10:05
Letzter Beitrag: Samel
  DAQPad-6015 - Analogenausgang ausschalten Safa 2 4.791 12.02.2013 10:16
Letzter Beitrag: Safa

Gehe zu: