INFO: Dieses Forum nutzt Cookies...
Cookies sind für den Betrieb des Forums unverzichtbar. Mit der Nutzung des Forums erklärst Du dich damit einverstanden, dass wir Cookies verwenden.

Es wird in jedem Fall ein Cookie gesetzt um diesen Hinweis nicht mehr zu erhalten. Desweiteren setzen wir Google Adsense und Google Analytics ein.


Antwort schreiben 

Dieses Thema hat akzeptierte Lösungen:

Vergleich und Neusortierung zweier Arrays



Wenn dein Problem oder deine Frage geklärt worden ist, markiere den Beitrag als "Lösung",
indem du auf den "Lösung" Button rechts unter dem entsprechenden Beitrag klickst. Vielen Dank!

29.11.2016, 13:50 (Dieser Beitrag wurde zuletzt bearbeitet: 30.11.2016 10:39 von jg.)
Beitrag #1

domdom Offline
LVF-Grünschnabel
*


Beiträge: 10
Registriert seit: Oct 2016

16.0
2015
DE_EN


Deutschland
Vergleich und Neusortierung zweier Arrays
Hallo,

lange bin ich mit dem lesen von vorhandenen Beiträgen in diesem Forum wunderbar zurecht gekommen. Nun stehe ich allerdings vor einem Problem, welches ich partout nicht gelöst bekomme.

Es geht um folgendes:
In einem Array werden in Spalte A, Entfernungsangaben (double) in Metern gespeichert und in Spalte B, ein ganzzahliger Wert dazu.
Bsp:
Spalte A Spalte B
Entfernung Wert
1,1 1
1,5 2
2,1 3
3,6 4
6,4 1
7,9 3
11 7
12,3 1

Nun möchte ich im nächsten Schritt, Spalte A durch ein beliebiges Intervall (hier bspw. 2m) ersetzen und jeweils nur den größten Wert aus Spalte B dazu anzeigen lassen.
Also:
Spalte C Spalte D
Intervall Max Wert im Intervall aus Spalte B
2 3
4 4
6 1
8 3
10 0
12 7
14 0

Hierzu vergleiche ich die Werte aus Spalte A mit den Werten des Intervalls (Spalte C) mit "In Range and Coerence". Wie ich im nächsten Schritt allerdings noch den größten Wert aus Spalte B zugeordnet bekomme ist mir schleierhaft.

Mein Problem hierbei liegt bei mehrfach vorkommenden Werten in einem Bereich.
Ich habe mal den Versuch das Problem anzugehen angehängt.


Angehängte Datei(en) Thumbnail(s)
   
Alle Beiträge dieses Benutzers finden
Diese Nachricht in einer Antwort zitieren to top
Anzeige
29.11.2016, 14:40 (Dieser Beitrag wurde zuletzt bearbeitet: 29.11.2016 14:42 von GerdW.)
Beitrag #2

GerdW Offline
______________
LVF-Team

Beiträge: 17.528
Registriert seit: May 2009

LV2019 (LV2021)
1995
DE_EN

10×××
Deutschland
RE: Vergleich und neusortierung zweier Arrays
Hallo domdom,

Zitat:Ich habe mal den Versuch das Problem anzugehen angehängt.
Hier ist schon das erste Problem: du hast nur ein Bild angehangen - das lässt sich aber in LabVIEW so schlecht editieren!
Wie wäre es mal mit einem VI!?

Zitat:Mein Problem hierbei liegt bei mehrfach vorkommenden Werten in einem Bereich.
Mein Problem liegt in der unsauberen Definition deines Problems…
Wie ist dein Intervall definiert? Dass das Intervall "2m breit" sein soll, habe ich gelesen - aber was soll der Mittenwert des Intervalls sein?

Zitat:Hierzu vergleiche ich die Werte aus Spalte A mit den Werten des Intervalls (Spalte C) mit "In Range and Coerence". Wie ich im nächsten Schritt allerdings noch den größten Wert aus Spalte B zugeordnet bekomme ist mir schleierhaft.
Sobald du mal ein Schieberegister benutzt, wird die Sache sehr einfach…

Code:
FOR each value in column A
  determine interval
  get current value of column C for interval
  get max(value of column B, value of column C)
  store max-value in column C for current interval
NEXT

Alle Beiträge dieses Benutzers finden
Diese Nachricht in einer Antwort zitieren to top
29.11.2016, 14:50
Beitrag #3

domdom Offline
LVF-Grünschnabel
*


Beiträge: 10
Registriert seit: Oct 2016

16.0
2015
DE_EN


Deutschland
RE: Vergleich und neusortierung zweier Arrays
Hallo GerdW,

das VI habe ich mal angehängt.

Der Mittelwert ist im Grunde egal. Alle Werte aus Spalte A die kleiner sind als der obere Grenzwert des Intervalls, gehören in das Intervall.
Also 1; 1,5; 1,9 gehören zu 2 und 2,01 bis 2,99 gehören zu 3


Angehängte Datei(en)
16.0 .vi  Problem_Intervall.vi (Größe: 12,82 KB / Downloads: 235)
Alle Beiträge dieses Benutzers finden
Diese Nachricht in einer Antwort zitieren to top
29.11.2016, 14:53 (Dieser Beitrag wurde zuletzt bearbeitet: 29.11.2016 14:55 von GerdW.)
Beitrag #4

GerdW Offline
______________
LVF-Team

Beiträge: 17.528
Registriert seit: May 2009

LV2019 (LV2021)
1995
DE_EN

10×××
Deutschland
RE: Vergleich und neusortierung zweier Arrays
Hallo domdom,

zwei Dinge:
1. Kannst du dein VI bitte für LV2014 konvertieren und hier anhängen?
2. Profil_ergaenzen, wenn du jetzt mit LV2016 arbeitest!

Zitat:Der Mittelwert ist im Grunde egal. Alle Werte aus Spalte A die kleiner sind als der obere Grenzwert des Intervalls, gehören in das Intervall.
Also 1; 1,5; 1,9 gehören zu 2 und 2,01 bis 2,99 gehören zu 3
Eben das meinte ich mit "schlecht definiert"!
Oben gehörte der Wert 2.1/3 noch zum ersten Intervall, jetzt gehört er plötzlich zum 2. Intervall…

Nochmal: Bitte deine Aufgabe genau definieren!
(Seitenhieb: Wie willst du jemals genau arbeitende Algorithmen implementieren, wenn du nicht mal in der Lage bist, deine Aufgabenstellung genau zu beschreiben?)

Alle Beiträge dieses Benutzers finden
Diese Nachricht in einer Antwort zitieren to top
29.11.2016, 14:56
Beitrag #5

domdom Offline
LVF-Grünschnabel
*


Beiträge: 10
Registriert seit: Oct 2016

16.0
2015
DE_EN


Deutschland
RE: Vergleich und neusortierung zweier Arrays
Sry, wird gemacht :-)


Angehängte Datei(en)
14.0 .vi  Problem_Intervall.vi (Größe: 8,76 KB / Downloads: 261)
Alle Beiträge dieses Benutzers finden
Diese Nachricht in einer Antwort zitieren to top
29.11.2016, 15:11
Beitrag #6

GerdW Offline
______________
LVF-Team

Beiträge: 17.528
Registriert seit: May 2009

LV2019 (LV2021)
1995
DE_EN

10×××
Deutschland
RE: Vergleich und neusortierung zweier Arrays

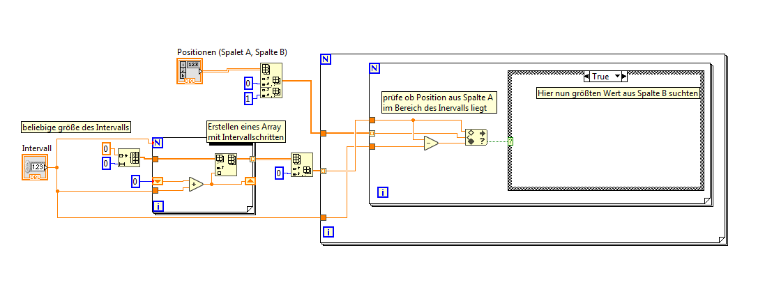
Akzeptierte Lösung

Hallo domdom,

warum steht in deinem Profil, dass du LV2015 verwendest, wenn du hier LV2016-VIs hochlädst?

Als Lösungsanreiz auch mal ein Bild:
   

Alle Beiträge dieses Benutzers finden
Diese Nachricht in einer Antwort zitieren to top
Anzeige
30.11.2016, 09:13
Beitrag #7

domdom Offline
LVF-Grünschnabel
*


Beiträge: 10
Registriert seit: Oct 2016

16.0
2015
DE_EN


Deutschland
RE: Vergleich und neusortierung zweier Arrays
Hallo,

vielen Dank für den Lösungsansatz. Auf die Idee das mit Threshold 1D Array zu machen wäre ich sicherlich nie gekommen.
Und die Variante, dass Intervall mit einer Rampenfunktion zu lösen ist so sicherlich auch wesentlich eleganter.


VG
Alle Beiträge dieses Benutzers finden
Diese Nachricht in einer Antwort zitieren to top
30
Antwort schreiben 


Möglicherweise verwandte Themen...
Themen Verfasser Antworten Views Letzter Beitrag
  Zeiterfassung zweier Lichtschranken Dsans 12 8.724 26.10.2022 12:10
Letzter Beitrag: Dsans
  Vergleich zweier Zahlen LabViewPete 13 14.990 27.10.2020 12:52
Letzter Beitrag: THL
  Mehrfach Vergleich auf Gleichheit MicroScoop 7 7.463 13.08.2019 14:21
Letzter Beitrag: MicroScoop
  Ansteuerung zweier Heizer mittels PID-Regler Christoph1993 2 3.958 25.11.2018 19:53
Letzter Beitrag: Christoph1993
  Kopplung zweier Ereignisse TTT 4 5.319 25.07.2018 15:49
Letzter Beitrag: TTT
  String Vergleich erklären 911tom 3 5.574 12.07.2017 17:51
Letzter Beitrag: jg

Gehe zu: