|
17.09.2015, 14:54
|
GerdW
______________
Beiträge: 17.534
Registriert seit: May 2009
LV2019 (LV2021)
1995
DE_EN
10×××
Deutschland
|
RE: Weitere Daten per Button speichern
Hallo Margi,
Zitat:soll ich was ändern?
- Die Sequenzstruktur brauchst du nicht - THINK DATAFLOW!
- NIEMALS die Labels von Controls löschen oder im BD verbergen!
|
|
|
|
|
18.09.2015, 08:00
|
GerdW
______________
Beiträge: 17.534
Registriert seit: May 2009
LV2019 (LV2021)
1995
DE_EN
10×××
Deutschland
|
RE: Weitere Daten per Button speichern
Hallo Margi,
wenn du die alten Daten behalten willst und neue hinzufügen, ohne dabei wiederum einen gemeinsamen Plot mit den alten Daten zu bilden, ist die Lösung doch ganz einfach: du musst für jede Messung einen neuen Plot anlegen!
Deine Controls sind immer noch ohne Label im BD. Und aufgeräumt hast du auch noch nicht…
|
|
|
|
|
18.09.2015, 08:46
|
GerdW
______________
Beiträge: 17.534
Registriert seit: May 2009
LV2019 (LV2021)
1995
DE_EN
10×××
Deutschland
|
RE: Weitere Daten per Button speichern
Hallo Margi,
die LabVIEW-Hilfe zum Graph zeigt dir, wie du die Daten für mehrere Plots aufbereiten musst.
Einfach dort schauen und dann dein VI entsprechend anpassen…
Zitat:Könntest du mir zeigen?
Soll ich in deinem Bild herummalen?
|
|
|
|
|
18.09.2015, 08:57
|
jg
CLA & CLED
Beiträge: 15.864
Registriert seit: Jun 2005
20xx / 8.x
1999
EN
Franken...
Deutschland
|
RE: Weitere Daten per Button speichern
Zum "Abmalen"
Gruß, Jens
Wer die erhabene Weisheit der Mathematik tadelt, nährt sich von Verwirrung. (Leonardo da Vinci)
!! BITTE !! stellt mir keine Fragen über PM, dafür ist das Forum da - andere haben vielleicht auch Interesse an der Antwort!
Einführende Links zu LabVIEW, s. GerdWs Signatur.
|
|
|
|
|
18.09.2015, 09:25
|
GerdW
______________
Beiträge: 17.534
Registriert seit: May 2009
LV2019 (LV2021)
1995
DE_EN
10×××
Deutschland
|
RE: Weitere Daten per Button speichern
Hallo Margi,
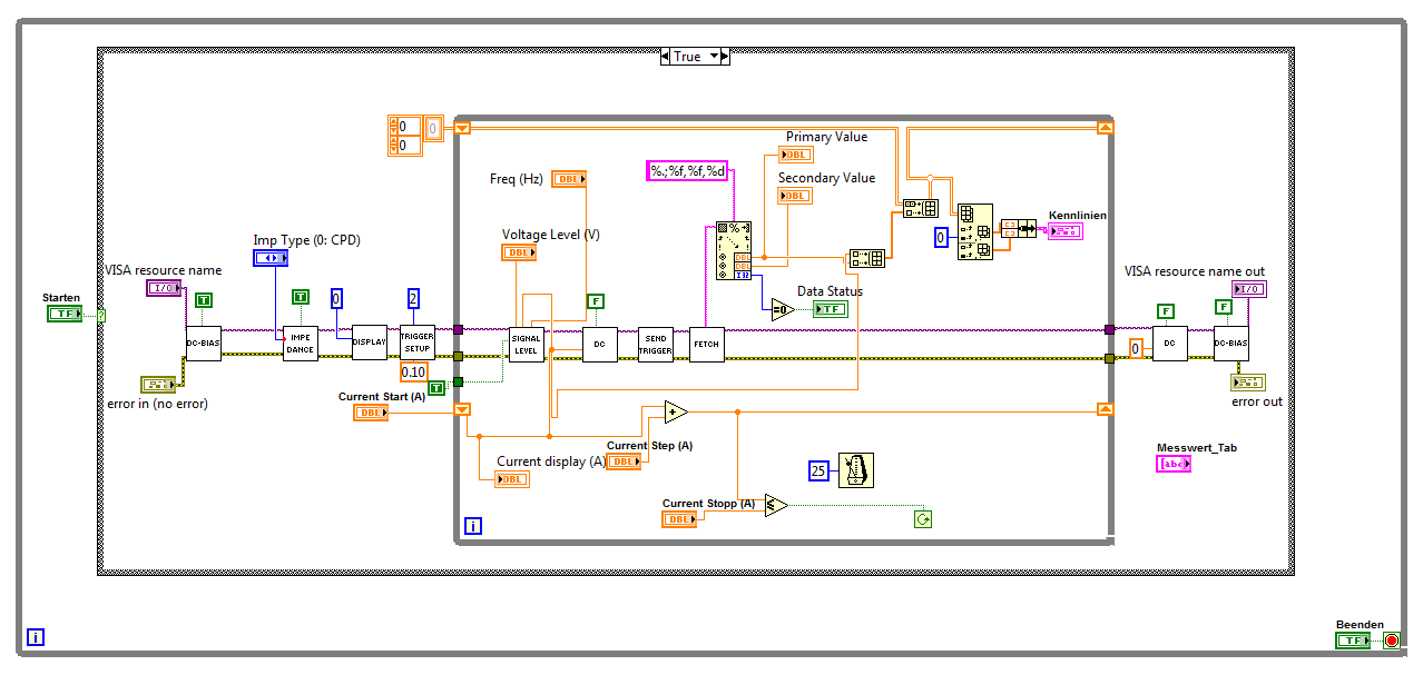
Zitat:jetzt habe ich nur noch Problem mit der Tabelle, ich möchte dass die Daten weiter in die nächtsten Spalten reingeschrieben werden. Aber sie sind untereinander geschrieben??
LabVIEW ist eine Programmiersprache und dein VI macht das, was DU programmiert hast!
Und in deinem Bild ist leider nicht zu sehen, wie du die Tabelle erstellst…
Eine Tabelle ist ein 2D-Array von Strings, und wenn du neue Spalten hinzufügen willst, musst du das Array eben entsprechend erweitern!
|
|
|
|
|
18.09.2015, 09:39
|
jg
CLA & CLED
Beiträge: 15.864
Registriert seit: Jun 2005
20xx / 8.x
1999
EN
Franken...
Deutschland
|
RE: Weitere Daten per Button speichern
Autsch, schon wieder ein nicht initialisiertes Schieberegister. Außerdem erzeugst du aus jedem Teilabschnitt einer Messung (d.h. pro Durchlauf der inneren While-Schleife) jetzt einen neuen Plot. Willst du das wirklich?
Schau dir noch mal meine Screenshot an!
Gruß, Jens
Wer die erhabene Weisheit der Mathematik tadelt, nährt sich von Verwirrung. (Leonardo da Vinci)
!! BITTE !! stellt mir keine Fragen über PM, dafür ist das Forum da - andere haben vielleicht auch Interesse an der Antwort!
Einführende Links zu LabVIEW, s. GerdWs Signatur.
|
|
|
|
|
18.09.2015, 10:05
|
Margi
LVF-Gelegenheitsschreiber
 
Beiträge: 54
Registriert seit: Aug 2015
NI LabVIEW 2014 SP1
2015
DE
|
RE: Weitere Daten per Button speichern
Hallo Jens,
ja, ich möchte innerhalbe der While-Schleife einen neuen Plot erstellen (da ich bei jedem Start-klick eine neue Messung durchgeführt wird, und dabei die Messdaten in Plot dargestellt werden)
Vielen Dank, ihr habt mir viel geholfen.
Margi
|
|
|
|
| |