|
15.10.2009, 18:46
Beitrag #1
|
fresh-water
LVF-Neueinsteiger
Beiträge: 8
Registriert seit: Oct 2009
8.2.1
1995
en
540284
Romania
|
XY Multi-Graph mit einer Hüllkurve automatisch testen
Hallo zusammen
Ich habe einen XY-Mulit-Graph mit einer unbestimmten Anzahl von XY-Kurven. Diese Kurven möchte ich mit Hilfe von einer Hüllkurve (bestehend aus zwei XY-Kurven: Upper-Limit / Lower-Limit) auf ihre Richtigkeit überprüfen.
Mir schwebt so was ähnliches vor wie bei "Example_Limit Testing Measurement.vi" mit den zwei grossen Unterschiede, dass mehrere Kurven getestet werden müssen und diese Kurven sich nicht wie in diesem Beispiel in einem Verlaufsgraph-Format befinden, sondern in einer XY-Kurve. Das Resultat muss in einem XY-Graph erfolgen mit allen Messkurven plus Hüllkurve (Verlaufsgraph und Plot will ich nicht verwenden).
Hat jemand eine einfache Idee, oder ist schon jemand mal an dieses Problem herangelaufen?
Ich bin dankbar für jede Anregung. Ich benutze LabVIEW 8.2.1. Bitte Beispiele nur in dieser Version. Danke.
Version: LV 8.2.1
Example_Limit_Testing_Measurement.vi (Größe: 41,88 KB / Downloads: 494)
|
|
|
|
|
22.10.2009, 08:14
Beitrag #2
|
fresh-water
LVF-Neueinsteiger
Beiträge: 8
Registriert seit: Oct 2009
8.2.1
1995
en
540284
Romania
|
XY Multi-Graph mit einer Hüllkurve automatisch testen
Hallo zusammen
Zur besseren Verständlichkeit habe ich jetzt noch eine kleine Skizze der Problematik gemacht. Ich wurde darauf hingewiesen, das Bilder mehr sagen als 1000 Worte
Danke für einfach Vorschläge, wie ich diese Prüfung in LabVIEW Programmieren kann (LV 8.2.1).
Hier noch den Link zur gleichen Aufgabenstellung in einem anderen Forum:
http://forums.ni.com/ni/board/message?boar...=200193#M448316
|
|
|
|
|
22.10.2009, 09:23
Beitrag #3
|
SeBa
LVF-Guru
    
Beiträge: 2.025
Registriert seit: Oct 2008
09SP1 & 10 FDS
2008
DE
65xxx
Deutschland
|
XY Multi-Graph mit einer Hüllkurve automatisch testen
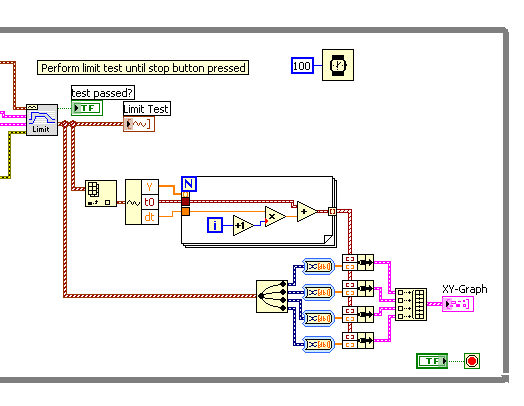
So schwer ist das auch nicht...
hab mal bischen gebastel. Geht bestimmt auch anders.
EDIT:
Ach so ja... mehrere Kurven...
dann machst du die Limitberechnung halt für jede Kurve und gibst die dann auf den XY-Graphen. Schaffst du bestimmt.
Gruß SeBa
PS:
Beim speichern für vorherige Version wird LV 8.2.1 leider nicht angeboten. Nur 8.0, 8.2, 8.5, 8.6...
... daher nur ein Bild.
Dieser Beitrag soll weder nützlich, informativ noch lesbar sein.
Er erhebt lediglich den Anspruch dort wo er ungenau ist, wenigstens eindeutig ungenau zu sein.
In Fällen größerer Abweichungen ist es immer der Leser, der sich geirrt hat.
Rette einen Baum!
Diesen Beitrag nur ausdrucken, wenn unbedingt nötig!
|
|
|
|
22.10.2009, 09:40
(Dieser Beitrag wurde zuletzt bearbeitet: 22.10.2009 09:42 von Achim.)
Beitrag #4
|
|
|
|
|
|
22.10.2009, 09:51
Beitrag #5
|
SeBa
LVF-Guru
    
Beiträge: 2.025
Registriert seit: Oct 2008
09SP1 & 10 FDS
2008
DE
65xxx
Deutschland
|
XY Multi-Graph mit einer Hüllkurve automatisch testen
' schrieb:Hm...ich glaube so weit war der Kollege schon.
Nee, glaub ich nicht. Der Kollege hat nur ein Beispiel VI von NI gesehen und gesagt, sowas in der Art will er haben. Eigenleistung in Form eines selbstgeschriebenen VI's fehlt bisher.
' schrieb:Das funktioniert doch nur bei äquidistanten Werten, oder? ...
Jep. Denke ich auch. Für das Beispiel hab ich ja einfach ein Array mit den Zeitwerten erstellt (t[i] = t0 + dt * i). Sollte das in nicht-äquidistanter Form vorliegen, ist das ja wohl auch kein Problem. Dann kann man das X-Werte Array ja einfach benutzen.
' schrieb:PS: Wenn du auf 8.2 runterspeicherst ist das auch für 8.2.1....das x.x.1 ist ja nur ein Bugfix
Ist klar. Weiß ich auch. Aber es wurde ausdrücklich nach Beispielen in der Version 8.2.1 verlangt. Das kann ich mit runterspeichern nicht bieten. Da muss jemand ran, der LV 8.2.1 installiert hat. (^_^nimm das nicht soo ernst)
Gruß SeBa
Dieser Beitrag soll weder nützlich, informativ noch lesbar sein.
Er erhebt lediglich den Anspruch dort wo er ungenau ist, wenigstens eindeutig ungenau zu sein.
In Fällen größerer Abweichungen ist es immer der Leser, der sich geirrt hat.
Rette einen Baum!
Diesen Beitrag nur ausdrucken, wenn unbedingt nötig!
|
|
|
|
|
22.10.2009, 09:55
Beitrag #6
|
fresh-water
LVF-Neueinsteiger
Beiträge: 8
Registriert seit: Oct 2009
8.2.1
1995
en
540284
Romania
|
XY Multi-Graph mit einer Hüllkurve automatisch testen
Super, dass sich jemand meldet. Danke.
Ja, das von mir angehängte VI zeigt genau deine Funktion. Nur dort wird eben ein Verlaufsgraph verwendet. Ich habe aber mehrer XY-Kurven zu testen, die alle eine andere X-Achse haben, so wie die Beispiel-Skizze das mit einer Kurve zeigt.
Gruss
fresh-water
|
|
|
|
|
22.10.2009, 10:22
Beitrag #7
|
|
|
|
|
|
22.10.2009, 12:55
Beitrag #8
|
|
|
|
|
|
22.10.2009, 14:26
|
fresh-water
LVF-Neueinsteiger
Beiträge: 8
Registriert seit: Oct 2009
8.2.1
1995
en
540284
Romania
|
XY Multi-Graph mit einer Hüllkurve automatisch testen
Pro X-Y Graph gibt es eine Hüllkurve (die zum Beispiel aus zwei XY-Kurven besteht und in der Skizze rot eingezeichnet ist) -> Ja die Limits sind für alle Kurven gleich.
Anzahl Messkurven sind bei Programmstart unbekannt (liegt zwischen 30 bis 100 Kurven)
Und wie du der Skizze entnehmen kannst sind die X-Werte nicht-äquidistant und darum kann ich das limit testing-VI nicht gebrauchen.
Danke für neue Vorschläge.
fresh-water
|
|
|
|
| |