INFO: Dieses Forum nutzt Cookies...
Cookies sind für den Betrieb des Forums unverzichtbar. Mit der Nutzung des Forums erklärst Du dich damit einverstanden, dass wir Cookies verwenden.

Es wird in jedem Fall ein Cookie gesetzt um diesen Hinweis nicht mehr zu erhalten. Desweiteren setzen wir Google Adsense und Google Analytics ein.


Antwort schreiben 

Zeitdifferenz-Test.vi



Wenn dein Problem oder deine Frage geklärt worden ist, markiere den Beitrag als "Lösung",
indem du auf den "Lösung" Button rechts unter dem entsprechenden Beitrag klickst. Vielen Dank!

12.05.2010, 08:55 (Dieser Beitrag wurde zuletzt bearbeitet: 12.05.2010 09:02 von GerdW.)
Beitrag #21

GerdW Offline
______________
LVF-Team

Beiträge: 17.534
Registriert seit: May 2009

LV2019 (LV2021)
1995
DE_EN

10×××
Deutschland
Zeitdifferenz-Test.vi
Hallo selma,

bei den ganzen anderen numerischen Anzeigen?
Wie oft wurde hier jetzt schon erwähnt: "ein Timestamp ist auch nur eine Zahl"...

Alternativ: Rechtsklick auf den Ausgang der "Get time..."-Funktion, Create->Indicator/Control

Alle Beiträge dieses Benutzers finden
Diese Nachricht in einer Antwort zitieren to top
Anzeige
12.05.2010, 12:27
Beitrag #22

BsaiboT Offline
LVF-Stammgast
***


Beiträge: 449
Registriert seit: Nov 2009

2010
2007
kA

22459
Deutschland
Zeitdifferenz-Test.vi
Hallo Selma,

da du wirklich auf dem Schlauch zu stehen scheinst und dein Hirn von der Aufgabe völlig blockiert scheint (ja soetwas kommt auch bei den Besten hin und wieder vor), habe ich dir die Lösung mal etwas vorgekaut... Lehrer

   

Lv09_img2

Sonstige .vi  Zeitdifferenz.vi (Größe: 14,98 KB / Downloads: 251)


Ich hoffe du nimmst die Lösung jetzt nicht einfach dankbar hin, sondern guckst sie dir noch einmal genau an, um zu verstehen, was denn genau passiert. Es ist wirklich nicht kompliziert, wenn sich dein Hirnknoten einmal gelöst hat. Evtl. beschäftigst du dich ersteinmal mit irgendetwas anderem....

Ich habe im Übrigen auch geglaubt nach dem Studium nie wieder programmieren zu müssen. Es war eine Fehleinschätzung. Aber ich bin froh, dass es sich bei mir auf LabVIEW konzentriert und ich nur selten Ausflüge in C/C++ machen muss.

Grüße,
//Tobias

Tobias Brüggemann
Dipl.-Ing.(FH) Nachrichtentechnik/Elektronik
Alle Beiträge dieses Benutzers finden
Diese Nachricht in einer Antwort zitieren to top
12.05.2010, 15:16 (Dieser Beitrag wurde zuletzt bearbeitet: 12.05.2010 15:19 von selma.)
Beitrag #23

selma Offline
LVF-Gelegenheitsschreiber
**


Beiträge: 210
Registriert seit: Aug 2009

2009
2009
de

21xxx
Deutschland
Zeitdifferenz-Test.vi
Danke.
Ich hatte es jetzt so gelöst.
   
Als nach dem Mittag sich ein Lichtblick ergab.Wink

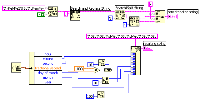
Es soll ich das Datum und die Zeit auseinander nehmen so das ich die Zahlenreinfolge von 10333-95461-12510 im orginal steht 10:33:39,546 12.05.10.
Wie mach ich das????
Alle Beiträge dieses Benutzers finden
Diese Nachricht in einer Antwort zitieren to top
12.05.2010, 15:29
Beitrag #24

BsaiboT Offline
LVF-Stammgast
***


Beiträge: 449
Registriert seit: Nov 2009

2010
2007
kA

22459
Deutschland
Zeitdifferenz-Test.vi
Ich verstehe deine Frage leider nicht... Wacko

Ausserdem möchte ich gerne, dass du noch einmal über den Sinn des "Initialisiere Array" in deinem VI nachdenkst und weshalb du erst durch 86400 teilst und dann das Ergebnis gegen 1 prüfst anstatt gleich gegen 86400 zu prüfen wie vorher gezeigt.

Ein Lichtblick ist es aber in der Tat, da dein Knoten offensichtlich geplatzt ist und du nun langsam wieder auf den richtigen Weg kommst!
Alle Beiträge dieses Benutzers finden
Diese Nachricht in einer Antwort zitieren to top
12.05.2010, 15:36 (Dieser Beitrag wurde zuletzt bearbeitet: 12.05.2010 15:37 von selma.)
Beitrag #25

selma Offline
LVF-Gelegenheitsschreiber
**


Beiträge: 210
Registriert seit: Aug 2009

2009
2009
de

21xxx
Deutschland
Zeitdifferenz-Test.vi
' schrieb:Ich verstehe deine Frage leider nicht... Wacko

Ausserdem möchte ich gerne, dass du noch einmal über den Sinn des "Initialisiere Array" in deinem VI nachdenkst und weshalb du erst durch 86400 teilst und dann das Ergebnis gegen 1 prüfst anstatt gleich gegen 86400 zu prüfen wie vorher gezeigt.

Ein Lichtblick ist es aber in der Tat, da dein Knoten offensichtlich geplatzt ist und du nun langsam wieder auf den richtigen Weg kommst!
Ich Teile durch 86400 um auf einen Tag zu komme um, wenn ein Tag abgelaufen ( also großer als 1 soll die LED leuchtet.
Das war so mein gedanke.
Jetzt soll ich aber das Datum und die Zeit wieder auseinander nehmen und in die Reinfolge bringen wie Oben beschrieben.

Zahlenreinfolge von 10333-95461-12510 im orginal steht 10:33:39,546 12.05.10.
Alle Beiträge dieses Benutzers finden
Diese Nachricht in einer Antwort zitieren to top
12.05.2010, 15:46 (Dieser Beitrag wurde zuletzt bearbeitet: 12.05.2010 16:00 von jg.)
Beitrag #26

jg Offline
CLA & CLED
LVF-Team

Beiträge: 15.864
Registriert seit: Jun 2005

20xx / 8.x
1999
EN

Franken...
Deutschland
Zeitdifferenz-Test.vi
' schrieb:Ich Teile durch 86400 um auf einen Tag zu komme um, wenn ein Tag abgelaufen ( also großer als 1 soll die LED leuchtet.
Das war so mein gedanke.
Und wieso muss hierzu zwischendrin ein Array der Größe 1 erstellt werden?
' schrieb:Jetzt soll ich aber das Datum und die Zeit wieder auseinander nehmen und in die Reinfolge bringen wie Oben beschrieben.

Zahlenreinfolge von 10333-95461-12510 im orginal steht 10:33:39,546 12.05.10.
Könnte es sein, dass dein String eher 10333-95461-20510 lauten soll?

Wer die erhabene Weisheit der Mathematik tadelt, nährt sich von Verwirrung. (Leonardo da Vinci)

!! BITTE !! stellt mir keine Fragen über PM, dafür ist das Forum da - andere haben vielleicht auch Interesse an der Antwort!

Einführende Links zu LabVIEW, s. GerdWs Signatur.
Alle Beiträge dieses Benutzers finden
Diese Nachricht in einer Antwort zitieren to top
12.05.2010, 15:58
Beitrag #27

selma Offline
LVF-Gelegenheitsschreiber
**


Beiträge: 210
Registriert seit: Aug 2009

2009
2009
de

21xxx
Deutschland
Zeitdifferenz-Test.vi
' schrieb:Könnte es sein, dass dein String eher 10333-95461-20510 lauten soll?

Ja
Alle Beiträge dieses Benutzers finden
Diese Nachricht in einer Antwort zitieren to top
12.05.2010, 16:12 (Dieser Beitrag wurde zuletzt bearbeitet: 12.05.2010 16:26 von selma.)
Beitrag #28

selma Offline
LVF-Gelegenheitsschreiber
**


Beiträge: 210
Registriert seit: Aug 2009

2009
2009
de

21xxx
Deutschland
Zeitdifferenz-Test.vi
' schrieb:Und wieso muss hierzu zwischendrin ein Array der Größe 1 erstellt werden?
Weil ich es nicht ander oder besser wuste wie ich es hinbekomme.

Stimmt habe ich mal geändert und Dimitrie hab ich jetzt auch mal geschnaltRolleyes

       
Alle Beiträge dieses Benutzers finden
Diese Nachricht in einer Antwort zitieren to top
12.05.2010, 16:24 (Dieser Beitrag wurde zuletzt bearbeitet: 12.05.2010 16:25 von jg.)
Beitrag #29

jg Offline
CLA & CLED
LVF-Team

Beiträge: 15.864
Registriert seit: Jun 2005

20xx / 8.x
1999
EN

Franken...
Deutschland
Zeitdifferenz-Test.vi
Schau mal, was dir dimitri84 als in Beitrag #2 geantwortet hat:
http://www.LabVIEWforum.de/index.php?s=&am...ost&p=97513
Aber ich sehe, es geht ja doch!Wink

Zu deiner anderen Frage, hier 2 Vorschläge:
   

Gruß, Jens

Wer die erhabene Weisheit der Mathematik tadelt, nährt sich von Verwirrung. (Leonardo da Vinci)

!! BITTE !! stellt mir keine Fragen über PM, dafür ist das Forum da - andere haben vielleicht auch Interesse an der Antwort!

Einführende Links zu LabVIEW, s. GerdWs Signatur.
Alle Beiträge dieses Benutzers finden
Diese Nachricht in einer Antwort zitieren to top
12.05.2010, 16:28
Beitrag #30

BsaiboT Offline
LVF-Stammgast
***


Beiträge: 449
Registriert seit: Nov 2009

2010
2007
kA

22459
Deutschland
Zeitdifferenz-Test.vi
Ich verstehe nicht wo in deinem VI die Zahlenfolge "10333-95461-12510" vorkommt.... Jetzt stehe ich auf dem Schlauch.Smile
Aber wenn du einen String bekommst, der zum Einen so unlogisch durch Bindestriche geteilt ist und zum Anderen nur ein Datum enthält, dann würde ich die Quelle des Strings anpassen um den Zeitwert in Sekunden zu bekommen.
Diesen kann man dann wunderbar wie Lucki gezeigt hat (und wie ich es in meinem VI auch angewandt habe) anzeigen lassen oder auch mit "Number to Time Stamp" in Kombination mit "Format Date/Time String" in einen String umformen lassen um diesen String dann beispielsweise in ein Protokoll zu schreiben.

Ein ungutes Gefühl sagt mir ich sollte noch folgenden Appell an dich richten:
BITTE BITTE BITTE(!!!11elfelf) gehe niemals den Umweg erst einen Timestamp in einen Datumsstring umzuformen um diesen dann in einzelne Datumsteile zu zerlegen, wieder umzuwandeln, zu rechnen, umzuwandeln, anzuzeigen usw... usf....
Rechne lieber mit den Sekunden und alles wird einfacher. Versprochen!

Zurück zu deinem VI:
Aber wir sind uns ja schoneinmal einig, dass zuerst die aktuelle Zeit von der Startzeit subtrahiert wird um die verstrichene Zeit in Sekunden zu bekommen.
Weshalb packst du dieses Ergebnis (a) in ein Array (b)?
Weshalb teilst du dann die Elemente des Arrays (b) durch 86400, vergleichst dann das Ergebnisarray © mit 1 und fasst das boolsche Ergebnisarray (d) wiederum zusammen zu einem Ergebnis (e)?

Du könntest doch auch direkt Ergebnis (a) mit 86400 vergleichen und bekommst damit dein boolsches Ergebnis (e). Sprich du hast mind. 3 Schritte weniger gemacht. (-> siehe mein VI)

Edit: Ich sehe, du hast es dir nocheinmal genau angeschaut und verstanden!Idee Bravo! Rofl2

Grüße,
Tobias
Alle Beiträge dieses Benutzers finden
Diese Nachricht in einer Antwort zitieren to top
Antwort schreiben 


Möglicherweise verwandte Themen...
Themen Verfasser Antworten Views Letzter Beitrag
  Test von CompactDAQ-Modulen DM_94 6 5.581 28.02.2018 14:14
Letzter Beitrag: jg
  Zeitdifferenz bestimmen LabViewPete 13 12.472 25.11.2015 15:18
Letzter Beitrag: GerdW
  Vi Analyzer kein Test GT123 2 4.542 11.02.2015 06:14
Letzter Beitrag: GT123
  Abgelaufene Zeit bestimmen - Zeitdifferenz Arno_Nym 7 10.723 14.04.2014 10:58
Letzter Beitrag: Arno_Nym
  VI-Analyzer Test: Disable Automated Error Handling BNT 2 6.643 04.03.2014 16:18
Letzter Beitrag: BNT
  T-Test gottfried 2 6.379 23.01.2011 17:31
Letzter Beitrag: Y-P

Gehe zu: