INFO: Dieses Forum nutzt Cookies...
Cookies sind für den Betrieb des Forums unverzichtbar. Mit der Nutzung des Forums erklärst Du dich damit einverstanden, dass wir Cookies verwenden.

Es wird in jedem Fall ein Cookie gesetzt um diesen Hinweis nicht mehr zu erhalten. Desweiteren setzen wir Google Adsense und Google Analytics ein.


Antwort schreiben 

analoge Spannung über Countersignal darstellen



Wenn dein Problem oder deine Frage geklärt worden ist, markiere den Beitrag als "Lösung",
indem du auf den "Lösung" Button rechts unter dem entsprechenden Beitrag klickst. Vielen Dank!

01.08.2011, 22:37
Beitrag #1

dimitri84 Offline
Astronaut
*****


Beiträge: 1.496
Registriert seit: Aug 2009

2020 Developer Suite
2009
DE_EN

53562
Deutschland
analoge Spannung über Countersignal darstellen
Hallo Jungs,

es geht um einen Prüfstand - sagen wir mal 10 Prüfschritte. Es gibt ein analoges Signal (1kHz, AI) von einem Hallsensor und ein TTL Signal von einem Wegsensor (1000 Pulse pro mm, Counter).

Jetzt muss ich puzzeln ...

Wie soll ich jetzt das eine Signal abhängig vom anderen darstellen und auswerten – für jeden Schritt (100-1000 ms pro Prüfschritt). Zusätzlicher Kniff: Den AI Task muss ich zwischen den Schritten neu initialisieren (weil sich die phys. Kanäle ändern) und der Counter Task muss unbedingt durchlaufen, denn der darf nix verpassen.

Weder habe ich die gleiche Anzahl an Samples pro Prüfschritt, noch sind die Messwerte vom Wegsensor zeitlich äquidistant. Das einzige wodran ich mich etwas klammern kann, ist der Abhohlzeitpunkt für die Datenpakete vom Counter.

Würd' gern ein paar Meinungen hören.


Gruß Dimitri

„Sag nicht alles, was du weißt, aber wisse immer, was du sagst.“ (Matthias Claudius)
Webseite des Benutzers besuchen Alle Beiträge dieses Benutzers finden
Diese Nachricht in einer Antwort zitieren to top
Anzeige
02.08.2011, 06:26
Beitrag #2

macmarvin Offline
CLA
***


Beiträge: 445
Registriert seit: Sep 2006

2014
2004
EN

81373
Deutschland
RE: analoge Spannung über Countersignal darstellen
Klingt auf den ersten Blick nach einer typischen Anwendung für extern getaktete AI. Damit hast du dann jeweils genau einen Wert pro Positionspuls.
Vielleicht auch ein gemeinsam genutzter Sampletakt für die beide Messarten (ggf. per 2. Counter erzeugt).
Alle Beiträge dieses Benutzers finden
Diese Nachricht in einer Antwort zitieren to top
02.08.2011, 06:48
Beitrag #3

Achim Offline
*****
*****


Beiträge: 4.226
Registriert seit: Nov 2005

20xx
2000
EN

978xx
Deutschland
RE: analoge Spannung über Countersignal darstellen
Hi,

so wie von macmarvin vorgeschlagen hab ich das auch schon mal realisiert, d.h. ich habe über einen zusätzlichen Counter einen Takt erzeugt!

Was machst du aber mit den zusätzlichen Counts die du evtl. während der Neu-Initialisierung des AI erfasst? Die hast du dann zwar nicht verpasst, aber du hast auch keine Bezugsgröße (weil keine AI-Werte)...

Und welchen "Wert" des 1kHz-Analog-Signals (Ueff, Uss, Tastverhältnis o.ä.) willst du überhaupt erfassen bzw. darstellen? Ähnliche Frage beim Wegsignal: Ich weiß jetzt nicht, wie der Sensor den Weg in Pulse wandelt...aber was passiert, wenn sich der Weg nicht mehr ändert? Gibts dann noch Pulse? Wenn nicht, muss man evtl. den Timeout des Counters beachten?!

A.

"Is there some mightier sage, of whom we have yet to learn?"

"Opportunity is missed by most people because it is dressed in overalls and looks like work." (Thomas Edison)
Alle Beiträge dieses Benutzers finden
Diese Nachricht in einer Antwort zitieren to top
02.08.2011, 09:14 (Dieser Beitrag wurde zuletzt bearbeitet: 02.08.2011 21:55 von dimitri84.)
Beitrag #4

dimitri84 Offline
Astronaut
*****


Beiträge: 1.496
Registriert seit: Aug 2009

2020 Developer Suite
2009
DE_EN

53562
Deutschland
RE: analoge Spannung über Countersignal darstellen
(02.08.2011 06:26 )macmarvin schrieb:  Vielleicht auch ein gemeinsam genutzter Sampletakt für die beide Messarten (ggf. per 2. Counter erzeugt).
Geht das? Könnte ich beides mit 1kHz (zeitlich äquidistant) bekommen. Auf das Neuinitialisieren des AI Tasks könnte ich zähneknirschend verzichten und einfach immer alle relevanten Kanäle erfassen.

Ich glaub ich hab grad eh nen Denkfehler/Wissenslücke. Wenn man son Wegaufnehmer Task ausliest, dann doch immer nur 1 Sample, oder? Ich hab mir das irgendwie so gedacht, dass man pro High ein Sample bekommt und die dann mit der N Samples Instanz von DAQ Read liest - ist aber quatsch, oder? Hab den Sensor nich da zu probieren. (Hab noch keine Erfahrung mit Countern ... ist mein erster Prüfstand ... Blush)

Eure Lösung ist sicher die korrekte, aber zum Glück ist die ganze Geschichte nicht sooo zeitkritisch. Ich denke ich werde einfach pro AI-Block einen Counterwert lesen (über Occurence synchronisiert) - das ist synchron genug und auch die zeitliche Auflösung vom Wegaufnehmer ist noch im orangen Bereich ...


Gruß

„Sag nicht alles, was du weißt, aber wisse immer, was du sagst.“ (Matthias Claudius)
Webseite des Benutzers besuchen Alle Beiträge dieses Benutzers finden
Diese Nachricht in einer Antwort zitieren to top
02.08.2011, 09:45
Beitrag #5

macmarvin Offline
CLA
***


Beiträge: 445
Registriert seit: Sep 2006

2014
2004
EN

81373
Deutschland
RE: analoge Spannung über Countersignal darstellen

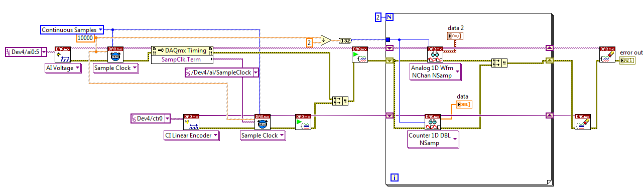
Akzeptierte Lösung

Um einen Counter kontinulierlich lesen zu können, muss man üblicherweise einen externen Takt (ext. TTL, internen Takt oder generierter Takt) angeben.
Hab mal ein Bsp zusammen geschmissen. Hier wird der AI Sampletakt auch als Sampletakt für die Counterwerte benutzt.

   

2010 .vi  hw_counter_ai.vi (Größe: 28,96 KB / Downloads: 373)
Alle Beiträge dieses Benutzers finden
Diese Nachricht in einer Antwort zitieren to top
02.08.2011, 10:05
Beitrag #6

dimitri84 Offline
Astronaut
*****


Beiträge: 1.496
Registriert seit: Aug 2009

2020 Developer Suite
2009
DE_EN

53562
Deutschland
RE: analoge Spannung über Countersignal darstellen
Perfekt! Jetzt hab ich's kapiert.

„Sag nicht alles, was du weißt, aber wisse immer, was du sagst.“ (Matthias Claudius)
Webseite des Benutzers besuchen Alle Beiträge dieses Benutzers finden
Diese Nachricht in einer Antwort zitieren to top
Anzeige
02.08.2011, 14:10
Beitrag #7

dimitri84 Offline
Astronaut
*****


Beiträge: 1.496
Registriert seit: Aug 2009

2020 Developer Suite
2009
DE_EN

53562
Deutschland
RE: analoge Spannung über Countersignal darstellen
Klappt fantastisch, Problem gelöst.

Jetzt wollte ich weiter machen und den anderen Counter Task ebenso takten. Das ist aber ein Durchflusssensor -> ich konfiguriere also den Task als "CI-Frequenz" mit "Hohe Frequenz mit 2 Zählern" und schon geht's nimmer ... oder doch?

PS @Mods: Könnt ihrs jetzt doch ins DAQ Forum verfrachten bitte.

„Sag nicht alles, was du weißt, aber wisse immer, was du sagst.“ (Matthias Claudius)
Webseite des Benutzers besuchen Alle Beiträge dieses Benutzers finden
Diese Nachricht in einer Antwort zitieren to top
03.08.2011, 09:00
Beitrag #8

macmarvin Offline
CLA
***


Beiträge: 445
Registriert seit: Sep 2006

2014
2004
EN

81373
Deutschland
RE: analoge Spannung über Countersignal darstellen
(02.08.2011 14:10 )dimitri84 schrieb:  ...ich konfiguriere also den Task als "CI-Frequenz" mit "Hohe Frequenz mit 2 Zählern" und schon geht's nimmer ... oder doch?
Wie viele Counter hat denn dein DAQ Gerät? Gerade bei den verbreiteten E/M-Series Karten sind nur 2 drinnen.
Was sagt denn die Fehlermeldung?
Alle Beiträge dieses Benutzers finden
Diese Nachricht in einer Antwort zitieren to top
03.08.2011, 09:47
Beitrag #9

dimitri84 Offline
Astronaut
*****


Beiträge: 1.496
Registriert seit: Aug 2009

2020 Developer Suite
2009
DE_EN

53562
Deutschland
RE: analoge Spannung über Countersignal darstellen
(03.08.2011 09:00 )macmarvin schrieb:  Wie viele Counter hat denn dein DAQ Gerät? Gerade bei den verbreiteten E/M-Series Karten sind nur 2 drinnen.
Was sagt denn die Fehlermeldung?
Hab 4 Counter. PCIe 6323.

Fehler:
"Sample-Takt-Timing wird nicht für Messungen mit zwei Zählern unterstützt. Verwenden Sie eine Messung mit nur einem Zähler oder eine andere Art des Timings"

Hab eben mit dem NI support telefoniert. Das ginge wohl schon mit Trickserei - ist aber aufwendiger - und ich will mich da jetzt nicht noch mehr aufhalten. Da reichts mir, diesmal echt, wenn ich das Signal mit 100Hz Softwaregetimed bekommen ...

„Sag nicht alles, was du weißt, aber wisse immer, was du sagst.“ (Matthias Claudius)
Webseite des Benutzers besuchen Alle Beiträge dieses Benutzers finden
Diese Nachricht in einer Antwort zitieren to top
03.08.2011, 09:53
Beitrag #10

Achim Offline
*****
*****


Beiträge: 4.226
Registriert seit: Nov 2005

20xx
2000
EN

978xx
Deutschland
RE: analoge Spannung über Countersignal darstellen
(03.08.2011 09:47 )dimitri84 schrieb:  Da reichts mir, diesmal echt, wenn ich das Signal mit 100Hz Softwaregetimed bekommen ...

Na dann aber doch lieber nur einen Counter verwenden aber dafür mit HW-Triggerung, oder?

"Is there some mightier sage, of whom we have yet to learn?"

"Opportunity is missed by most people because it is dressed in overalls and looks like work." (Thomas Edison)
Alle Beiträge dieses Benutzers finden
Diese Nachricht in einer Antwort zitieren to top
30
Antwort schreiben 


Möglicherweise verwandte Themen...
Themen Verfasser Antworten Views Letzter Beitrag
  Stromstärke und Spannung mit NI USB-6259 messen und darstellen Christian B. 7 8.768 24.10.2013 15:34
Letzter Beitrag: GerdW
  absoluter Anfänger: analoge Spannung über USB-6215 ausgeben sohnpotsdams 1 7.534 08.08.2011 15:22
Letzter Beitrag: jg
  Spannung erzeugen kamaro 5 8.954 26.05.2011 10:19
Letzter Beitrag: Mingo
  PCI Spannung lesen Fumik 7 8.930 31.08.2010 10:44
Letzter Beitrag: Fumik
  Problem analoge Eingänge über DAQmx einlesen Alex vs. LabView 6 8.320 21.06.2010 09:34
Letzter Beitrag: jg
  Spannung/Stromessung doubleyou 6 6.926 22.02.2010 17:00
Letzter Beitrag: doubleyou

Gehe zu: