
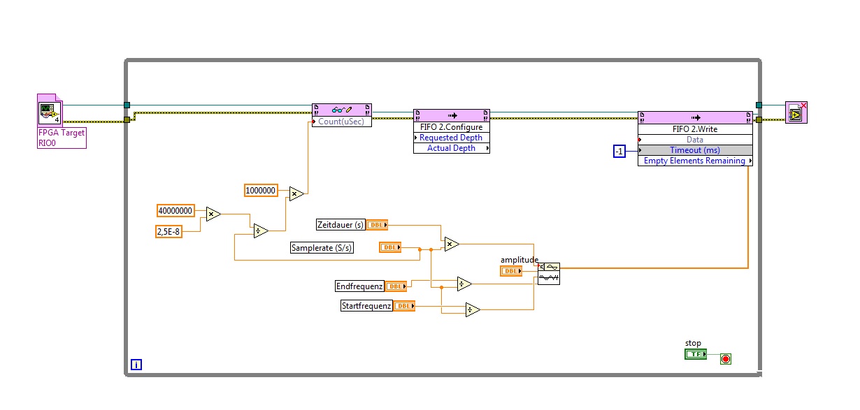
Das für eine spezielle Anwendung massgeschneiderte Vi von cb könnte die Vermutung aufkommen lassen, das die Erzeugung des Sweep-Codes eine komplizierte, das Hirn zermarternde Angelegenheit ist. Dem ist aber nicht so. Hier mal die Einfach-Variante. Man erhöht für jede neue Sample die Phasendifferenz linear - mehr ist da nicht zu machen.
Aber auch dieses VI wird zur Sweep-Erzeugung nicht gebraucht - dafür gibt es die Funktion "Chirp-Pattern" in der Palette "Signalerzeugung". Habe die Funktion in das VI mal zusätzlich mit eingebaut.
Frequenz-Sweep.vi (Größe: 18,32 KB / Downloads: 502)