INFO: Dieses Forum nutzt Cookies...
Cookies sind für den Betrieb des Forums unverzichtbar. Mit der Nutzung des Forums erklärst Du dich damit einverstanden, dass wir Cookies verwenden.

Es wird in jedem Fall ein Cookie gesetzt um diesen Hinweis nicht mehr zu erhalten. Desweiteren setzen wir Google Adsense und Google Analytics ein.


Antwort schreiben 

cRIO 9074 - FPGA, RT, Host Kommunikation



Wenn dein Problem oder deine Frage geklärt worden ist, markiere den Beitrag als "Lösung",
indem du auf den "Lösung" Button rechts unter dem entsprechenden Beitrag klickst. Vielen Dank!

11.03.2013, 16:35
Beitrag #1

Troy.mc.Lure Offline
LVF-Neueinsteiger


Beiträge: 4
Registriert seit: Feb 2011

2011
2005
DE


Deutschland
cRIO 9074 - FPGA, RT, Host Kommunikation
Hallo,

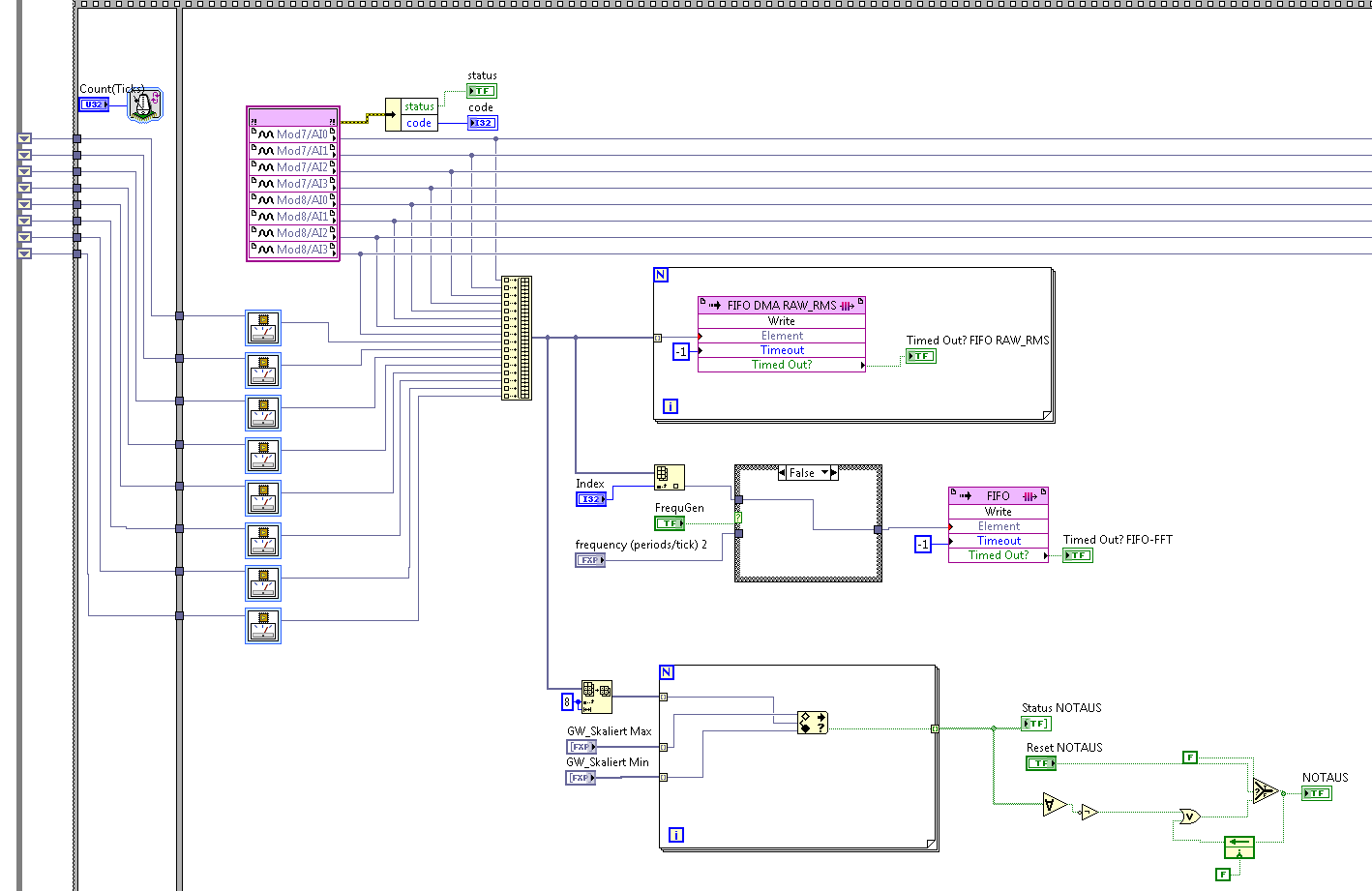
ich versuche derzeit 8 analoge Kanäle mit einem cRIO und zwei 9215 Modulen einzulesen, zu bearbeiten und auf einem Windows Host anzuzeigen und zu loggen.
Dabei ergeben sich mehrere Probleme, vielleicht kann mir hier einer helfen da ich gerade nicht weiterkomme.

Auf dem FPGA wird von allen Kanälen der RMS Wert und von 1-2 Kanälen noch eine FFT berechnet.
Diese Daten möchte ich jetzt zu meinem RT-VI übergeben.
Ich verwende dafür einen DMA-FIFO der in einer for-Schleife die 8 Kanäle nacheinander in den FIFO schreibt.
Auf dem Bild sind es noch 16, aber die 8 RAW-Werte würden reichen.
Bei 100kS/s und einer RT-VI Schleifendurchlaufzeit von etwa 50ms ergibt sich eine FIFO-Größe von min 40.000 Werten.
Ist das realistisch? Gibt es eine andere Möglichkeit?

Und wie kann ich diese Werte zu meinem Windows-Host übertragen? Im Moment verwende ich eine Netzwerkvariable mit FIFO.
Aber erstens scheint mein RT-VI durch das schreiben der Variable erheblich ausgebremst zu werden und zweitens scheinen mir Werte verloren zu gehen.
Sind hier TCP/IP oder Netzwerkstreams zu bevorzugen? Was ist schnell genug für mindestens 8*100kS/s?


Angehängte Datei(en) Thumbnail(s)
       
Alle Beiträge dieses Benutzers finden
Diese Nachricht in einer Antwort zitieren to top
Anzeige
11.03.2013, 18:14
Beitrag #2

Troy.mc.Lure Offline
LVF-Neueinsteiger


Beiträge: 4
Registriert seit: Feb 2011

2011
2005
DE


Deutschland
RE: cRIO 9074 - FPGA, RT, Host Kommunikation
Das erste Problem konnte ich mittlerweile lösen. Ich habe nicht gewusst das man die FIFO-Grösse in dem RT-VI gesondert einstellen kann.
Diese habe ich jetzt auf dem FPGA auf 2047 und innerhalb des RT-VIs auf 85.000 gestellt. Jetzt funktioniert es wie es soll.

Mein zweites Problem konnte ich noch nicht lösen. Sobald ich versuche die Netzwerkvariable innerhalb des RT-VIs zu schreiben (Boolesch 2 auf dem Bild), geht
die CPU-Auslastung auf 100% und die Durchlaufzeit ist nicht mehr gewollte 50ms, sondern eher 250.

Nochmal meine Frage: Gibt es einen effektiven/verlustfreien Weg die Daten vom RT-VI zum Windows Host zu übertragen?
Pro Schleifendurchlauf werden max. etwa 80.000 Werte aus dem FIFO gelesen.
Das RT-VI soll unabhängig vom Windows Host laufen können.
Von der Funktion wäre eine Netzwerkvariable schon optimal. Aber das scheint bisher nur bis etwa 10kS/s zu funktionieren.
Alle Beiträge dieses Benutzers finden
Diese Nachricht in einer Antwort zitieren to top
11.03.2013, 18:24
Beitrag #3

GerdW Offline
______________
LVF-Team

Beiträge: 17.536
Registriert seit: May 2009

LV2019 (LV2021)
1995
DE_EN

10×××
Deutschland
RE: cRIO 9074 - FPGA, RT, Host Kommunikation
Hallo Troy,

dir ist schon klar, dass du da 80k*8byte = 640kB alle 50ms übers Netzwerk schieben willst? Und das der kleine cRIO nur einen 266MHz Prozessor hat? (Oder waren es 400MHz, bin zu faul zum nachgucken...)

- Probier doch mal, nur die Daten eines Sensors zu übertragen. Wenn das funktioniert, nimmst du 2 Sensoren usw.
- Neben Netzwerkvariablen könntest du auch Netzwerkstreams ausprobieren...

Alle Beiträge dieses Benutzers finden
Diese Nachricht in einer Antwort zitieren to top
11.03.2013, 19:05
Beitrag #4

jg Offline
CLA & CLED
LVF-Team

Beiträge: 15.864
Registriert seit: Jun 2005

20xx / 8.x
1999
EN

Franken...
Deutschland
RE: cRIO 9074 - FPGA, RT, Host Kommunikation
Offtopic2
(11.03.2013 18:24 )GerdW schrieb:  Und das der kleine cRIO nur einen 266MHz Prozessor hat? (Oder waren es 400MHz, bin zu faul zum nachgucken...)
Zur Klarstellung, 9074 hat einen 400 MHz Prozessor. Ein 9073 hat nur 266 MHz.

Gruß, Jens

Wer die erhabene Weisheit der Mathematik tadelt, nährt sich von Verwirrung. (Leonardo da Vinci)

!! BITTE !! stellt mir keine Fragen über PM, dafür ist das Forum da - andere haben vielleicht auch Interesse an der Antwort!

Einführende Links zu LabVIEW, s. GerdWs Signatur.
Alle Beiträge dieses Benutzers finden
Diese Nachricht in einer Antwort zitieren to top
Antwort schreiben 


Möglicherweise verwandte Themen...
Themen Verfasser Antworten Views Letzter Beitrag
  Umwandlung von Ticks in Sec und Übertragung an Host derandyk 11 13.985 11.01.2019 14:12
Letzter Beitrag: GerdW
  RS485 Kommunikation auf FPGA Basis - cRio Nullstrom 8 12.829 02.12.2016 08:44
Letzter Beitrag: Nullstrom
  Sind Referenzen auf FPGA-Variablen in FPGA vi möglich? Felix777 2 9.093 26.10.2015 20:41
Letzter Beitrag: Felix777
  Datenübergabe parallele Schleifen FPGA cRIO Brainbug 0 6.794 16.09.2015 09:49
Letzter Beitrag: Brainbug
  Kommunikation über DMA zwischen FPGA und RT: FIFO nur für 3 ms füllen Rostra 9 12.406 18.06.2015 06:17
Letzter Beitrag: Rostra
  FPGA-Referenz öffnen: FPGA-VI nicht kompiliert LauraP. 9 15.197 17.03.2015 16:58
Letzter Beitrag: LauraP.

Gehe zu: