INFO: Dieses Forum nutzt Cookies...
Cookies sind für den Betrieb des Forums unverzichtbar. Mit der Nutzung des Forums erklärst Du dich damit einverstanden, dass wir Cookies verwenden.

Es wird in jedem Fall ein Cookie gesetzt um diesen Hinweis nicht mehr zu erhalten. Desweiteren setzen wir Google Adsense und Google Analytics ein.


Antwort schreiben 

cRIO und DAQmx Synchronisation oder Trigger?



Wenn dein Problem oder deine Frage geklärt worden ist, markiere den Beitrag als "Lösung",
indem du auf den "Lösung" Button rechts unter dem entsprechenden Beitrag klickst. Vielen Dank!

20.08.2015, 21:38
Beitrag #1

gibsonuser Offline
LVF-Grünschnabel
*


Beiträge: 15
Registriert seit: Apr 2015

2014
2015
DE



cRIO und DAQmx Synchronisation oder Trigger?
mein Messaufbau besteht aus einer NI PCI 6251 Karte inklusiver einer zugehörigen BNC 2120 Schnittstelle und einem cRIO 9076 mit 2 x NI 9222 Analogmodulen.
Mit dem DAQmx Gerät erzeuge ich ein Ultraschall Sinus Impuls, den ich in ein Ultraschallsender einspeise.
An dem cRIO befinden sich an den 8 Analogen Eingängen 8 Ultraschallsensoren, die den erzeugten Sinus messen.

Da ich die Zeitdifferenz vom gesendeten und empfangenen Signal messe und mir kleinere Schwankungen aufgefallen sind, habe ich mir die Frage gestellt (40 µS, obwohl ich am Versuchsaufbau nichts verändert habe), ob ich die beiden Geräte synchronisieren muss ? Ich will sicher gehen, dass zunächst das DAQmx Gerät startet und dann der cRIO (oder beide gleichzeitig), dabei MUSS der Zeitabstand zwischen Start DAQmx und Start cRIO bei jedem Durchlauf immer gleich bleiben!. Meine erste Idee war einen Trigger vom DAQmx zu senden und diesen dann mit dem cRIO aufzunehmen aber ich habe leider kein Digitalmodul für den cRIO. Der BNC besitzt PFI 6 einen Analog Output für den Trigger. Gibt es eine andere Möglichkeit nach dem Ausführen des Impuls, den cRIO in einer definierten (sehr kurzen) Zeit zu starten (am besten ohne Zusatzgeräte zu kaufen)?

Wäre über jede erdenkliche Hilfe froh!
Falls gewünscht kann ich auch mein Programm einbinden.
DANKE!Construction
Alle Beiträge dieses Benutzers finden
Diese Nachricht in einer Antwort zitieren to top
Anzeige
20.08.2015, 22:06
Beitrag #2

GerdW Offline
______________
LVF-Team

Beiträge: 17.533
Registriert seit: May 2009

LV2019 (LV2021)
1995
DE_EN

10×××
Deutschland
RE: cRIO und DAQmx Synchronisation oder Trigger?
Hallo Gibson,

die genaueste Möglichkeit, die beiden Geräte zu synchronisieren, besteht in einer Leitung zwischen den beiden: die PCI-Karte gibt einen Triggerimpuls aus, das cRIO (bzw. dessen FPGA) reagiert darauf.
Da du bisher keinen digitalen Eingang zur Verfügung hast, musst du dir einen kaufen: es gibt da einige Digitalmodule…
Einige können recht hohe Sampleraten!

Zitat:Gibt es eine andere Möglichkeit nach dem Ausführen des Impuls, den cRIO in einer definierten (sehr kurzen) Zeit zu starten (am besten ohne Zusatzgeräte zu kaufen)?
- du opferst einen der Analogeingänge und nutzt diesen dann zum Einlesen des Triggersignals: die Zeitverzögerung hängt hier von der möglichen Samplerate für das Modul ab!
- du nutzt eine Netzwerkverbindung zwischen PC und cRIO: die Zeitverzögerung hängt hier von Latenzen und von Aktivitäten deines (Windows-)OS ab und dürfte deutlich größer sein als nur 40µs

Zusammengefasst: Hardwaretriggerung ist das schnellste/genaueste - und du musst dafür etwas bezahlen. Softwaretriggerung ist "billig" - und hat seine Schwächen…

Alle Beiträge dieses Benutzers finden
Diese Nachricht in einer Antwort zitieren to top
20.08.2015, 22:26
Beitrag #3

gibsonuser Offline
LVF-Grünschnabel
*


Beiträge: 15
Registriert seit: Apr 2015

2014
2015
DE



RE: cRIO und DAQmx Synchronisation oder Trigger?
Erstmal vielen Danke Gerd für deine schnelle Antwort,
ok dann werde ich einen Analogeingang wohl opfern müssen...
Das heißt also ich werde in meinem Programm ein Trigger im DAQmx implementieren müssen, bei dem der Kanal PFI 6 angesprochen wird.
Ich gehe mal davon aus dass der Eingangstrigger im Target (FPGA) implementiert werden muss?
Gibt es Beispiele oder Paper bei dem ich Morgen früh ansetzen kann?
Gruß
Alle Beiträge dieses Benutzers finden
Diese Nachricht in einer Antwort zitieren to top
21.08.2015, 05:33
Beitrag #4

GerdW Offline
______________
LVF-Team

Beiträge: 17.533
Registriert seit: May 2009

LV2019 (LV2021)
1995
DE_EN

10×××
Deutschland
RE: cRIO und DAQmx Synchronisation oder Trigger?
Hallo Gibson,

ich würde die Triggerauswertung im FPGA programmieren...

Du kannst dafür einen extra Triggerpuls in DAQmx generieren oder einfach das AO-Signal im cRIO ebenfalls einlesen und auswerten!

Wenn man schon derart genau Zeiten messen will, sollte man alles in einem Gerät erledigen, also entweder nur im PC oder nur im cRIO. Dein Ansatz, ohne weitere/bessere Hardware gleich genau zu werden, ersetzt die Hardwarekosten nur durch erhöhte Arbeitszeitkosten. Meine Meinung dazu...

Alle Beiträge dieses Benutzers finden
Diese Nachricht in einer Antwort zitieren to top
21.08.2015, 16:53 (Dieser Beitrag wurde zuletzt bearbeitet: 21.08.2015 16:54 von gibsonuser.)
Beitrag #5

gibsonuser Offline
LVF-Grünschnabel
*


Beiträge: 15
Registriert seit: Apr 2015

2014
2015
DE



RE: cRIO und DAQmx Synchronisation oder Trigger?
Hallo,
ich habe mir ein paar weitere Gedanken gemacht und habe nun auch eine weitere Idee:
ich würde gerne Wissen, ob diese Idee auch klappen kann.
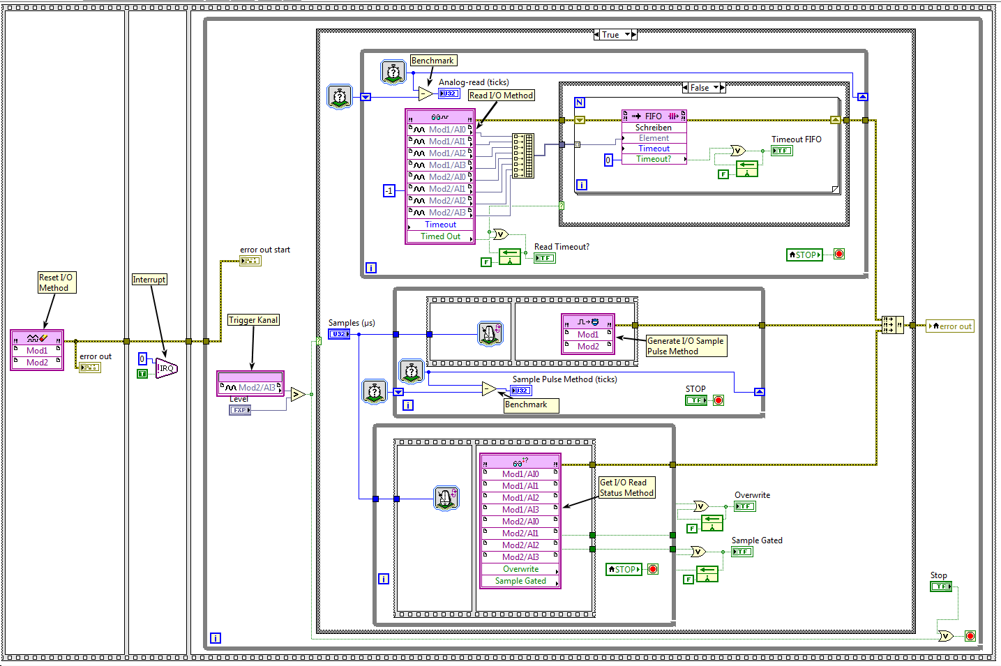
Zunächst einmal habe ich ein Analogkanal geopfert. Den Sinus-Burst/Impuls, den ich erzeuge, wollte ich dabei als Trigger benutzen.
Geht der Sinus über ein vorher definiertes bestimmtes Level, dann fängt die Messung an.
Im Internet habe ich ein Paper gefunden wie Trigger im FPGA zu programmieren sind:
http://www.ni.com/white-paper/2993/de/ dieses bezieht sich auf die R-Serie deswegen bin ich mir unsicher, ob das ganze auch bei meiner verwendeten Hardware funktionieren kann.
Im Anhang habe ich nun ein Bild von meinem FPGA Code beigefügt.
Kann ich das so machen?


Angehängte Datei(en) Thumbnail(s)
   
Alle Beiträge dieses Benutzers finden
Diese Nachricht in einer Antwort zitieren to top
23.08.2015, 16:51
Beitrag #6

gibsonuser Offline
LVF-Grünschnabel
*


Beiträge: 15
Registriert seit: Apr 2015

2014
2015
DE



RE: cRIO und DAQmx Synchronisation oder Trigger?
keiner?
Alle Beiträge dieses Benutzers finden
Diese Nachricht in einer Antwort zitieren to top
Anzeige
23.08.2015, 17:25
Beitrag #7

GerdW Offline
______________
LVF-Team

Beiträge: 17.533
Registriert seit: May 2009

LV2019 (LV2021)
1995
DE_EN

10×××
Deutschland
RE: cRIO und DAQmx Synchronisation oder Trigger?
Hallo Gibson,

der Trigger besteht im Bild nur darin, einen eingelesenen Analogwert mit einem Level zu vergleichen. Was daran sollte bei dir nicht funktionieren?

Zitat:keiner?
Du fragst Freitag Abend und wunderst dich, dass andere ihr Wochenende genießen? Wink

Alle Beiträge dieses Benutzers finden
Diese Nachricht in einer Antwort zitieren to top
24.08.2015, 10:15 (Dieser Beitrag wurde zuletzt bearbeitet: 24.08.2015 11:06 von gibsonuser.)
Beitrag #8

gibsonuser Offline
LVF-Grünschnabel
*


Beiträge: 15
Registriert seit: Apr 2015

2014
2015
DE



RE: cRIO und DAQmx Synchronisation oder Trigger?
Hallo,
sorry für das drängen... Das Wochenende muss natürlich genossen werden Big Grin
Beim kompilieren des FPGA kriege ich immer wieder gegen Ende den Fehler "A timing error occurred."
Mit einem anderen Laptop klappt das draufspielen aber da kann ich die PCI Karte nicht reinmachen und somit das Programm nicht testen.
Google spuckt leider auch nicht brauchbares aus.

Ein leeres VI kann ich dagegen kompilieren und draufspielen.


Angehängte Datei(en) Thumbnail(s)
       
Alle Beiträge dieses Benutzers finden
Diese Nachricht in einer Antwort zitieren to top
27.08.2015, 06:42 (Dieser Beitrag wurde zuletzt bearbeitet: 27.08.2015 06:46 von cb.)
Beitrag #9

cb Offline
LVF-SeniorMod


Beiträge: 1.734
Registriert seit: Feb 2006

2018SP1
2001
EN

40xxx
Deutschland
RE: cRIO und DAQmx Synchronisation oder Trigger?
ich würde das cRIO weglassen und AO und AI nur über die M-Serien Messkarte realisieren. Mit dem DAQmx-Treiber hat man sehr umfangreiche Möglichkeiten eine Erfassung in Abhängigkeit von einem anderen Task (z.B. AO) direkt auf der Messkarte ("in Hardware") zu triggern, genauer wird man es mMn nicht hin bekommen ...

Auf der Karte könntes du z.B. den AI-Task mit dem "AO-Start-Trigger" verknüpfen, so dass die Erfassung unmittelbar mit der Analog-Ausgabe startet. Den "Pre-Trigger"-Zeitraum definiert man dann dadurch dass man von der analogen Erfassung eine bestimmte Anzahl Samples "wegschmeißt". Wenn der AI-Task z.B. mit 1 MHz läuft und du einen Vorlauf von 50 µs brauchst, schmeisst du die ersten 50 Samples weg usw ...

Mit dem Versuch eine Lösung Verteilt zwischen einer Messkarte und einem cRIO zu entwickeln legst du dir mMn nur selbst Steine in den Weg ...

viele Grüße
cb

https://www.rotabench.com - Prüftechnik für Elektromotoren
Webseite des Benutzers besuchen Alle Beiträge dieses Benutzers finden
Diese Nachricht in einer Antwort zitieren to top
30
Antwort schreiben 


Möglicherweise verwandte Themen...
Themen Verfasser Antworten Views Letzter Beitrag
  Synchronisation PXIe und cDAQ Bärbel 4 5.150 13.01.2021 12:26
Letzter Beitrag: Bärbel
  Pre-Trigger auf aktuellen Trigger-Kanal einsetzen yowa 0 5.353 22.02.2016 15:58
Letzter Beitrag: yowa
  Hardwarefehler bei Synchronisation mit cDAQ MM 7 7.895 06.08.2015 20:40
Letzter Beitrag: MM
  Synchronisation von Messungen auf 2 Rechnern dave1 13 14.970 20.04.2015 10:41
Letzter Beitrag: GerdW
  Problem mit DAQmx - Start-Trigger André_Bornemann 3 7.572 28.04.2014 13:48
Letzter Beitrag: GerdW
Question Synchronisation und Trigger in einem FemtoLaser 14 12.917 31.01.2014 09:52
Letzter Beitrag: Y-P

Gehe zu: