Hi,
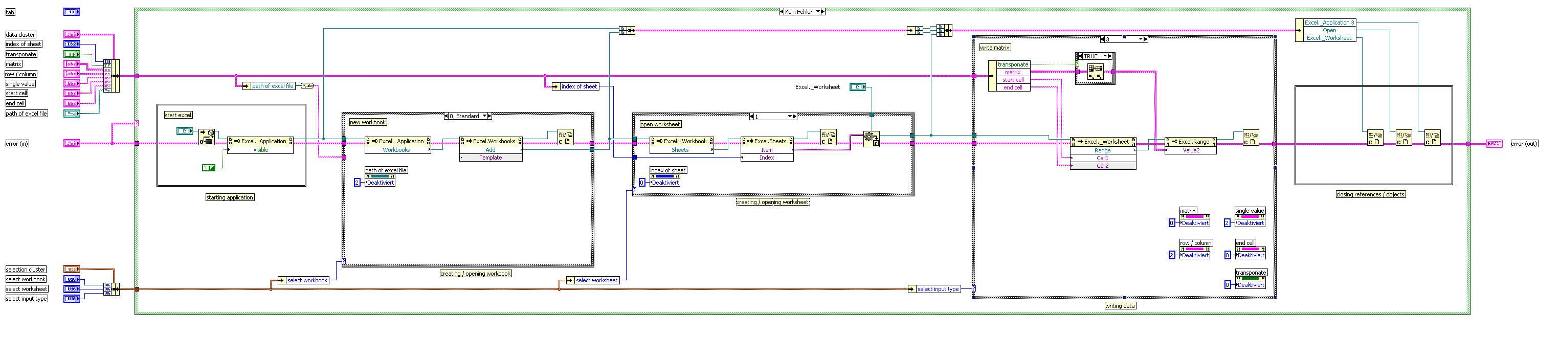
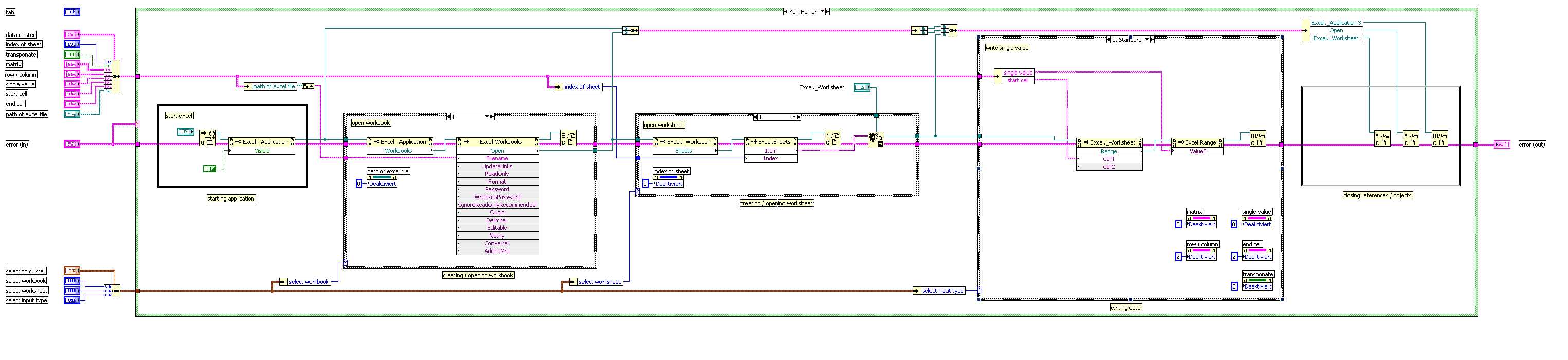
ich versuche gerade meine Messdaten in eine Excel Tabelle abzuspeichern, welche jedoch genau auf diese vorgefertigt ist oder nachbearbeitet wird.
Ich möchte also Zeilen- und Spaltengrößen vorgeben bzw. auch Schriftart und Größe.
Zusätzlich vielleicht noch einen aus den Messwerten erstellen.
Meine Idee bisher war, eine Beispiel-Excel-Tabelle zu erstellen und dann meine Daten genau an die richtigen Stellen zu schreiben. Danach die die Beispiel-Datei umbenennen und andersowo abspeichern, damit ich beim nächsten mal wieder auf die Beispiel-Datei zugreifen kann.
Dies hat bei mir jedoch bsiher nicht geklappt!
Ich könnte mir auch vorstellen erst die Daten abzuspeichern und dann die Excel-Tabelle zu überarbeiten, jedoch habe ich da gar keinen Ansatz, wie man excel erzählt wie es auszusehen hat. (Habe mir mal die Threads mit ActiveX-elementen durchgelesen, jedoch nicht viel verstanden

)
Ich wäre sehr sehr dankbar, wenn mir jemand bei diesem Problem helfen könnte!?
Gruß
Jaehter