INFO: Dieses Forum nutzt Cookies...
Cookies sind für den Betrieb des Forums unverzichtbar. Mit der Nutzung des Forums erklärst Du dich damit einverstanden, dass wir Cookies verwenden.

Es wird in jedem Fall ein Cookie gesetzt um diesen Hinweis nicht mehr zu erhalten. Desweiteren setzen wir Google Adsense und Google Analytics ein.


Antwort schreiben 

mit Labview Servomotorsteuerung bedienen - nicht nachvollziehbare Abstürze



Wenn dein Problem oder deine Frage geklärt worden ist, markiere den Beitrag als "Lösung",
indem du auf den "Lösung" Button rechts unter dem entsprechenden Beitrag klickst. Vielen Dank!

31.08.2010, 13:15
Beitrag #1

RockyIV Offline
LVF-Neueinsteiger


Beiträge: 7
Registriert seit: Jul 2010

2009
-
de


Deutschland
mit Labview Servomotorsteuerung bedienen - nicht nachvollziehbare Abstürze
Hallo liebe Labviewer,


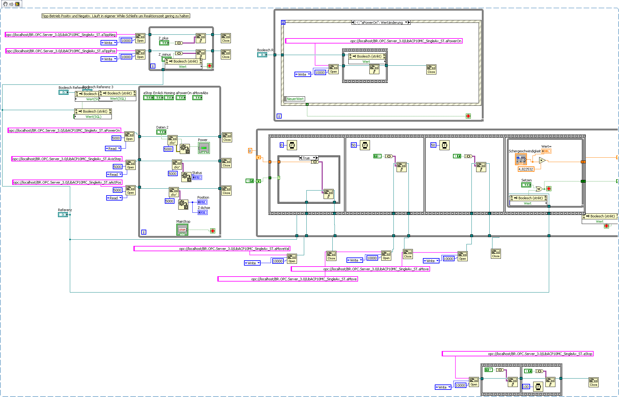
Im Rahmen meiner Bachelorarbeit an der Uni bin ich gerade dabei eine Motorsteuerung für einen Servomotor zu programmieren. Der Servomotor bewegt eine Traverse über eine Spinde in Z-Richtung (oben und unten).

Die eigentliche Motorsteuerung übernimmt hierbei die Software des Herstellers des Motors. Die Bedienung soll dann aber über Labview erfolgen. Der Motor soll später eine Geschwindigkeit anfahren, dann wird eine Messung gemacht und anschließend soll die nächste Geschwindigkeit angefahren werden. Desweiteren soll ein manueller Betrieb in beide Richtungen möglich sein.

In der Motorsteuerung funktioniert alles soweit, nur Labview stürzt relativ häufig ab und ich weiß nicht woran es liegt. Die Abstürze sind bislang nicht reproduzierbar und treten scheinbar „spontan“ auf. Die übergegebenen Parameter von Labview zu der Motorsteuerung sind:


aPowerOn – schaltet den Motor ein (true) bzw. wieder aus (false)
aHoming – referenziert den Motor (einmal auf true und dann wieder auf false) (als Taster)
aStop – stoppt den Motor wenn auf true
aMove – startet eine Bewegung mit der Geschwindigkeit (aMoveVal), wenn auf true
aMoveAbs – startet eine Bewegung zur Ausgangstellung (in aHoming referenzierte Position), wenn auf true
aTippNeg – startet eine Bewegung nach unten, wenn auf true (manueller Tipp-Betrieb)
aTippPos - startet eine Bewegung nach oben, wenn auf true (manueller Tipp-Betrieb)


Ich weiß, dass es sicherlich nicht einfach wird, mir bei meinem Problem zu helfen, da ihr es ja nur theoretisch testen könnt. Ich hoffe aber trotzdem, dass ihr mir den ein oder anderen Hinweis geben könnt, wie ich mein Problem in den Griff bekommen kann. Die Verwendete Version von LV ist die 9.0.

Vielen Dank für eure Unterstützung!

Sascha


Angehängte Datei(en) Thumbnail(s)
   

Sonstige .vi  OPC_Manuell.vi (Größe: 59,69 KB / Downloads: 254)
Alle Beiträge dieses Benutzers finden
Diese Nachricht in einer Antwort zitieren to top
Anzeige
31.08.2010, 15:09 (Dieser Beitrag wurde zuletzt bearbeitet: 31.08.2010 15:11 von Y-P.)
Beitrag #2

Y-P Offline
☻ᴥᴥᴥ☻ᴥᴥᴥ☻
LVF-Team

Beiträge: 12.612
Registriert seit: Feb 2006

Developer Suite Core -> LabVIEW 2015 Prof.
2006
EN

71083
Deutschland
mit Labview Servomotorsteuerung bedienen - nicht nachvollziehbare Abstürze
In Deiner Schleife links unten liest Du etwas schnell aus. Da wird die CPU komplett überlastet. Mach' doch da mal eine Zeitverzögerung (z.B. 10 ms) rein.
Ansonsten die Frage: Stürzt LabVIEW mit einer Fehlermeldung ab? Oder "hängt es nur" (was an oben genannter überlasteten CPU liegen dürfte)?

Gruß Markus

EDIT: Links oben ist es dasselbe (Zeitverzögerung rein). Musst Du da überhaupt die ganze Zeit schreiben?

--------------------------------------------------------------------------
Bitte stellt mir keine Fragen über PM, dafür ist das Forum da - andere haben vielleicht auch Interesse an der Antwort !!
--------------------------------------------------------------------------
Alle Beiträge dieses Benutzers finden
Diese Nachricht in einer Antwort zitieren to top
31.08.2010, 15:58
Beitrag #3

RockyIV Offline
LVF-Neueinsteiger


Beiträge: 7
Registriert seit: Jul 2010

2009
-
de


Deutschland
mit Labview Servomotorsteuerung bedienen - nicht nachvollziehbare Abstürze
Vielen Dank für die schnelle Antwort. Labview bleibt einfach hängen (ohne Fehlermeldung), die CPU Auslastung im Taskmanager ist relativ konstant auf 50 % bei nem Pentium Celeron und schnippt auch nicht kurz vorm Absturz hoch. Beim Status steht auch noch "Wird ausgeführt".

Den Tipp mit den Verzögerungen habe ich beherzigt, es hat sich aber scheinbar nichts verändert. Ich werde jetzt mal genau nachverfolgen nach welcher Kombination von Eingaben der Absturz zustande kommt.
Alle Beiträge dieses Benutzers finden
Diese Nachricht in einer Antwort zitieren to top
01.09.2010, 12:41
Beitrag #4

IchSelbst Offline
LVF-Guru
*****


Beiträge: 3.708
Registriert seit: Feb 2005

11, 14, 15, 17, 18
-
DE

97437
Deutschland
mit Labview Servomotorsteuerung bedienen - nicht nachvollziehbare Abstürze
' schrieb:Ich weiß, dass es sicherlich nicht einfach wird, mir bei meinem Problem zu helfen, da ihr es ja nur theoretisch testen könnt.
Ein Ratschlag hier zu geben ist relativ einfach.

Dein Verfahren mit dem OPC-Management halte ich für sehr schlecht. Ich hab mir eine Klasse (also ein erweitertes FGV) geschrieben, die das OPC-Management macht: Variablen öffnen, kommunizieren, Schließen etc. Was ich für ganz ungünstig halte, ist, dass die OPC-Lese/Schreib-Elemente unsequenziert parallel gemacht werden.

Man kann auch in B&R Variablen zusammenfassen und als eine Variable (also ein Cluster) übergeben. Das reduziert natürlich die Anzahl der Variablen-Referenzen erheblich - nämlich auf z.B. eine für Schreiben und eine für Lesen.

Jeder, der zur wahren Erkenntnis hindurchdringen will, muss den Berg Schwierigkeit alleine erklimmen (Helen Keller).
Alle Beiträge dieses Benutzers finden
Diese Nachricht in einer Antwort zitieren to top
29.09.2010, 18:49 (Dieser Beitrag wurde zuletzt bearbeitet: 29.09.2010 18:57 von IchSelbst.)
Beitrag #5

IchSelbst Offline
LVF-Guru
*****


Beiträge: 3.708
Registriert seit: Feb 2005

11, 14, 15, 17, 18
-
DE

97437
Deutschland
mit Labview Servomotorsteuerung bedienen - nicht nachvollziehbare Abstürze
' schrieb:Ich hab mir eine Klasse (also ein erweitertes FGV) geschrieben, die das OPC-Management macht:
Hier mal die aus der Applikation herausgelöste OPC-Klasse. Start-VI ist OPC-Basisklasse. VersionLv82_img1


Angehängte Datei(en)
Sonstige .zip  OPC.zip (Größe: 580,34 KB / Downloads: 229)

Jeder, der zur wahren Erkenntnis hindurchdringen will, muss den Berg Schwierigkeit alleine erklimmen (Helen Keller).
Alle Beiträge dieses Benutzers finden
Diese Nachricht in einer Antwort zitieren to top
30
Antwort schreiben 


Möglicherweise verwandte Themen...
Themen Verfasser Antworten Views Letzter Beitrag
  Bedienen einen Bronkhorst Massendurchflussregler mit LabView Atlaspremier 4 7.001 19.07.2016 07:12
Letzter Beitrag: Atlaspremier
  Isel IT 116 - VI's bedienen dr_inge 9 12.207 14.10.2010 16:56
Letzter Beitrag: Kreischel
  2USB Ports bedienen Taz 1 4.692 20.11.2008 22:00
Letzter Beitrag: rolfk
  externes Programm mit LV bedienen Birke 7 8.533 18.10.2006 07:35
Letzter Beitrag: Michael5
  Bedienelement über Serielles Kommando bedienen micha 2 4.072 15.03.2006 10:11
Letzter Beitrag: micha

Gehe zu: