INFO: Dieses Forum nutzt Cookies...
Cookies sind für den Betrieb des Forums unverzichtbar. Mit der Nutzung des Forums erklärst Du dich damit einverstanden, dass wir Cookies verwenden.

Es wird in jedem Fall ein Cookie gesetzt um diesen Hinweis nicht mehr zu erhalten. Desweiteren setzen wir Google Adsense und Google Analytics ein.


Antwort schreiben 

Senden und Empfangen über TCP/IP localhost



Wenn dein Problem oder deine Frage geklärt worden ist, markiere den Beitrag als "Lösung",
indem du auf den "Lösung" Button rechts unter dem entsprechenden Beitrag klickst. Vielen Dank!

27.07.2007, 14:27 (Dieser Beitrag wurde zuletzt bearbeitet: 27.07.2007 14:27 von MEV.)
Beitrag #11

MEV Offline
LVF-Neueinsteiger


Beiträge: 9
Registriert seit: Apr 2007

8.2.1
2007
kA


Deutschland
Senden und Empfangen über TCP/IP localhost
Hallo,

den Sende- und Empfangsteil habe ich mal gepostet.
Vielleicht kann mir ja jemand sagen, warum ich Daten nur 1x empfange.
Zum Verständnis: Im Hintergrunf läuft ein Programm, mit welchen ich ständig kommuniziere.
Meine zu sendenden Daten ändern sich, jedoch nicht die Empfangenen.
Durch Ethereal weiß ich, dass sich die Daten ändern. Wo ist mein Fehler.

Danke

Gruß MEV


Angehängte Datei(en)
Sonstige .vi  Senden_Empfangen.vi (Größe: 22,57 KB / Downloads: 486)
Alle Beiträge dieses Benutzers finden
Diese Nachricht in einer Antwort zitieren to top
Anzeige
30.07.2007, 10:50
Beitrag #12

MEV Offline
LVF-Neueinsteiger


Beiträge: 9
Registriert seit: Apr 2007

8.2.1
2007
kA


Deutschland
Senden und Empfangen über TCP/IP localhost
Hallo,

ich habe folgendes Problem und würde mich über Hilfe freuen.
Ich habe ein Programm, welchen über den "localhost" (TCP/IP) Daten an LabVIEW sendet und von LabVIEW empfängt.
Das Senden klappt soweit, jedoch empfange ich nur 1x Daten. Es ist so, als würde diese Routine nur 1x
beachtet.
Im Anhang ist ein kleines Programm zur Verdeutlichung. Wenn es möglich ist, würde ich es ohne listener lösen.

Gruß Daniel


Angehängte Datei(en)
Sonstige .vi  Senden_Empfangen.vi (Größe: 22,57 KB / Downloads: 323)
Alle Beiträge dieses Benutzers finden
Diese Nachricht in einer Antwort zitieren to top
30.07.2007, 10:53
Beitrag #13

eg Offline
LVF-SeniorMod


Beiträge: 3.868
Registriert seit: Nov 2005

2016
2003
kA

66111
Deutschland
Senden und Empfangen über TCP/IP localhost
Kannst du ein Screenshot anhängen? Ich kann dein VI nicht aufmachen.

eg

Webseite des Benutzers besuchen Alle Beiträge dieses Benutzers finden
Diese Nachricht in einer Antwort zitieren to top
30.07.2007, 11:04 (Dieser Beitrag wurde zuletzt bearbeitet: 30.07.2007 11:10 von jg.)
Beitrag #14

Achim Offline
*****
*****


Beiträge: 4.226
Registriert seit: Nov 2005

20xx
2000
EN

978xx
Deutschland
Senden und Empfangen über TCP/IP localhost
Sag mal was soll denn der Sch###?

http://www.LabVIEWforum.de/index.php?s=&am...ost&p=31232

Warum machst du schon den dritten Thread dazu auf? Der zweite wurde ja offensichtlich schon wieder gelöscht, weil's Quatsch ist! Wenn du im Original-Thread keine Antwort kriegst, dann halt nicht...

"Is there some mightier sage, of whom we have yet to learn?"

"Opportunity is missed by most people because it is dressed in overalls and looks like work." (Thomas Edison)
Alle Beiträge dieses Benutzers finden
Diese Nachricht in einer Antwort zitieren to top
30.07.2007, 11:09
Beitrag #15

jg Offline
CLA & CLED
LVF-Team

Beiträge: 15.864
Registriert seit: Jun 2005

20xx / 8.x
1999
EN

Franken...
Deutschland
Senden und Empfangen über TCP/IP localhost
So, Themen zusammengeführt. Ansonsten gilt, was Achim gerade gesagt hat! Beim nächsten Mal gibt es eine Verwarnung!

Bitte Foren-Regeln beachten!

MfG, Jens

Wer die erhabene Weisheit der Mathematik tadelt, nährt sich von Verwirrung. (Leonardo da Vinci)

!! BITTE !! stellt mir keine Fragen über PM, dafür ist das Forum da - andere haben vielleicht auch Interesse an der Antwort!

Einführende Links zu LabVIEW, s. GerdWs Signatur.
Alle Beiträge dieses Benutzers finden
Diese Nachricht in einer Antwort zitieren to top
30.07.2007, 11:36
Beitrag #16

MEV Offline
LVF-Neueinsteiger


Beiträge: 9
Registriert seit: Apr 2007

8.2.1
2007
kA


Deutschland
Senden und Empfangen über TCP/IP localhost
' schrieb:So, Themen zusammengeführt. Ansonsten gilt, was Achim gerade gesagt hat! Beim nächsten Mal gibt es eine Verwarnung!

Bitte Foren-Regeln beachten!

MfG, Jens

Tut mir leid wegen dem 3ten Thread war ein versehen. Kommt nicht wieder vor.

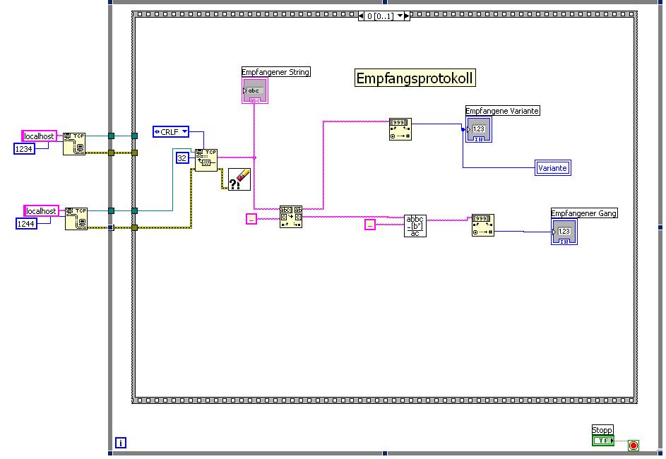
Habe Screenshots eingefügt. Vielleicht könnt ihr mir damit helfen.

Danke


Angehängte Datei(en) Thumbnail(s)
       
Alle Beiträge dieses Benutzers finden
Diese Nachricht in einer Antwort zitieren to top
Anzeige
30.07.2007, 11:55
Beitrag #17

eg Offline
LVF-SeniorMod


Beiträge: 3.868
Registriert seit: Nov 2005

2016
2003
kA

66111
Deutschland
Senden und Empfangen über TCP/IP localhost
Ich denke du musst das Senden und Empfangen in zwei parallelen Loops machen. Und wie hier schon einige gesagt haben musst du "richtig" empfangen. Wir wissen ja nicht wie das Protokoll aussieht, deshalb kann keiner eine genaue Lösung vorschlagen.
Zum welchen Mal schon:
Es gibt drei Methoden die Daten über TCP/IP zu empfangen CR/LF, Imediatly und Buffered. Lese genau in der LV-Hilfe was das bedeutet und schaue dir die Beispiele an.

Wo das Problem bei deinem VI liegt kannst du erkennen in dem du die gelbe Lampe einschaltest.

eg

Webseite des Benutzers besuchen Alle Beiträge dieses Benutzers finden
Diese Nachricht in einer Antwort zitieren to top
30.07.2007, 11:55
Beitrag #18

dc6xs Offline
registered alien
****


Beiträge: 762
Registriert seit: Aug 2006

6.1,7.00
2006
kA

79106
Sonstige
Senden und Empfangen über TCP/IP localhost
' schrieb:Tut mir leid wegen dem 3ten Thread war ein versehen. Kommt nicht wieder vor.

Habe Screenshots eingefügt. Vielleicht könnt ihr mir damit helfen.

Danke

Was hat es denn mit der unterschiedlichen Verwendung der zwei Ports aufsich?
Einfacher macht es das Debuggen Deines Programms sicher nicht.

Gruß,
Rob

PS: Hast Du mal während des Testens mit Wireshark(Ethereal) oder einem vergleichbaren Paket-Sniffer die Kommunikation beobachtet?

Bitte Beachten:
Die obenstehenden Texteile können unter Umständen Sarkasmus und Ironie enthalten, für nicht erkannten Sarkasmus oder nicht erkannte Ironie wird keine Haftung übernommen.

N.B.:
"Multiple exclamation marks, " he went on, shaking his head, "are a sure sign of a deseased mind." - Terry Pratchett
Webseite des Benutzers besuchen Alle Beiträge dieses Benutzers finden
Diese Nachricht in einer Antwort zitieren to top
30.07.2007, 11:56
Beitrag #19

eg Offline
LVF-SeniorMod


Beiträge: 3.868
Registriert seit: Nov 2005

2016
2003
kA

66111
Deutschland
Senden und Empfangen über TCP/IP localhost
' schrieb:Was hat es denn mit der unterschiedlichen Verwendung der zwei Ports aufsich?


Also das kann schon sein, so was habe ich schon mehrmals gesehen.

Webseite des Benutzers besuchen Alle Beiträge dieses Benutzers finden
Diese Nachricht in einer Antwort zitieren to top
14.02.2012, 11:09
Beitrag #20

dimitri84 Offline
Astronaut
*****


Beiträge: 1.496
Registriert seit: Aug 2009

2020 Developer Suite
2009
DE_EN

53562
Deutschland
RE: Senden und Empfangen über TCP/IP localhost
(30.07.2007 11:55 )eg schrieb:  Es gibt drei Methoden die Daten über TCP/IP zu empfangen CR/LF, Imediatly und Buffered. Lese genau in der LV-Hilfe was das bedeutet und schaue dir die Beispiele an.

Wo kann man den Mode einstellen?

Ich kommuniziere mit ner Kamera über TCP. Mal geht's - dann wieder plötzlich nicht. Fehler 63. Kapier ich nicht.

Gruß dimitri

„Sag nicht alles, was du weißt, aber wisse immer, was du sagst.“ (Matthias Claudius)
Webseite des Benutzers besuchen Alle Beiträge dieses Benutzers finden
Diese Nachricht in einer Antwort zitieren to top
Antwort schreiben 


Möglicherweise verwandte Themen...
Themen Verfasser Antworten Views Letzter Beitrag
  Trigger Signal über SCPI senden Greensche 17 11.695 27.07.2016 10:18
Letzter Beitrag: GerdW
  User Events in multiplen VIs empfangen Kasi 2 4.125 03.06.2014 13:48
Letzter Beitrag: Kasi
  Daten empfangen und anzeigen -X-plosiv 7 7.636 02.03.2012 11:51
Letzter Beitrag: -X-plosiv
  String formatieren und über GPiB senden Index 2 5.354 15.06.2011 15:19
Letzter Beitrag: Index
  file.txt senden/empfangen funk 12 10.670 31.07.2009 08:24
Letzter Beitrag: Y-P

Gehe zu: