INFO: Dieses Forum nutzt Cookies...
Cookies sind für den Betrieb des Forums unverzichtbar. Mit der Nutzung des Forums erklärst Du dich damit einverstanden, dass wir Cookies verwenden.

Es wird in jedem Fall ein Cookie gesetzt um diesen Hinweis nicht mehr zu erhalten. Desweiteren setzen wir Google Adsense und Google Analytics ein.


Antwort schreiben 

Allgemeine Vorgehensweise: Kommunikation mit Messgerät



Wenn dein Problem oder deine Frage geklärt worden ist, markiere den Beitrag als "Lösung",
indem du auf den "Lösung" Button rechts unter dem entsprechenden Beitrag klickst. Vielen Dank!

10.04.2014, 12:55
Beitrag #51

Serial Offline
LVF-Gelegenheitsschreiber
**


Beiträge: 75
Registriert seit: Mar 2014

8.2
2013
DE



RE: Allgemeine Vorgehensweise: Kommunikation mit Messgerät
Das funktioniert einfach nicht. Die berechneten Werte stimmen dann überhaupt nicht. Zum Beispiel müssen die ersten Messwerte im Ausgangsarray um die 10 sein. Zudem ist mir aufgefallen, dass es einen Konflikt gibt, wenn man die Elemente des Arrays mit dem Faktor multipliziert, da dieser vom Typ DBL ist.


Oder ist meine Annahme schon falsch, dass jeder Messwert 16 Bit umfasst? (mit dem Befehl :WAVeform:BITS? ausgelesen)

Ich glaube das Problem liegt irgendwie an dem U8. Soll ich doch lieber auf U16 gehen? Dann gibt es aber trotzdem mit dem DBL Probleme.
Alle Beiträge dieses Benutzers finden
Diese Nachricht in einer Antwort zitieren to top
Anzeige
10.04.2014, 13:08
Beitrag #52

GerdW Offline
______________
LVF-Team

Beiträge: 17.540
Registriert seit: May 2009

LV2019 (LV2021)
1995
DE_EN

10×××
Deutschland
RE: Allgemeine Vorgehensweise: Kommunikation mit Messgerät
Hallo Serial,

Zitat:Zudem ist mir aufgefallen, dass es einen Konflikt gibt, wenn man die Elemente des Arrays mit dem Faktor multipliziert, da dieser vom Typ DBL ist.
Wie sieht ein solcher "Konflikt" bei dir aus? Mein LabVIEW kennt "Konflikte" nur im Projekt, aber nicht im VI…

Zitat:Oder ist meine Annahme schon falsch, dass jeder Messwert 16 Bit umfasst? (mit dem Befehl :WAVeform:BITS? ausgelesen)
Ich glaube das Problem liegt irgendwie an dem U8. Soll ich doch lieber auf U16 gehen? Dann gibt es aber trotzdem mit dem DBL Probleme.
Wie soll man da helfen? Man kennt deine DBL-Probleme nicht und hat nicht deine Hardware auf dem Tisch stehen…

Alle Beiträge dieses Benutzers finden
Diese Nachricht in einer Antwort zitieren to top
11.04.2014, 11:55 (Dieser Beitrag wurde zuletzt bearbeitet: 11.04.2014 11:56 von Serial.)
Beitrag #53

Serial Offline
LVF-Gelegenheitsschreiber
**


Beiträge: 75
Registriert seit: Mar 2014

8.2
2013
DE



RE: Allgemeine Vorgehensweise: Kommunikation mit Messgerät
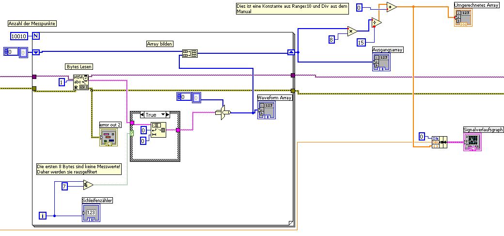
Habe es fast geschafft. Es kommen schon Messwerte an, welche auch in der richtigen größenordnung liegen.
Es wird immer ein Byte gelesen und in ein I8 gewandelt. Danach wird das Array gebildet.

Trotzdem sieht der Signalverlaufsgraph nicht richtig aus. Irgendwie sind die Messwerte alle ziemlich stark gerundet (Umgerechnetes Array zum Beispiel müsste von den Messwerten her ein bisschen schwanken und nicht konstant bleiben). Zudem sollen sie in der rechten Hälfte des Graphen immer bei 0 sein und nicht springen.

Sobald ich diesen Fehler behoben habe,melde ich mich wieder.

(vielleicht hat ja jemand von euch eine Idee)

MfG
Serial


Angehängte Datei(en) Thumbnail(s)
       
Alle Beiträge dieses Benutzers finden
Diese Nachricht in einer Antwort zitieren to top
11.04.2014, 12:11 (Dieser Beitrag wurde zuletzt bearbeitet: 11.04.2014 12:21 von GerdW.)
Beitrag #54

GerdW Offline
______________
LVF-Team

Beiträge: 17.540
Registriert seit: May 2009

LV2019 (LV2021)
1995
DE_EN

10×××
Deutschland
RE: Allgemeine Vorgehensweise: Kommunikation mit Messgerät
Hallo Serial,

Zitat:Irgendwie sind die Messwerte alle ziemlich stark gerundet (Umgerechnetes Array zum Beispiel müsste von den Messwerten her ein bisschen schwanken und nicht konstant bleiben).
Wenn man den Messbereich deines Oszi auf gerade mal 8bit beschränkt, dann bleiben nicht viele Nachkommastellen übrig. In welchem Bereich liegen denn die erwarteten "Schwankungen"?
Du skalierst deine I8-Werte mit 8/15 und wunderst dich, warum die skalierten Werte um 0.5333 schwanken? Hmm Mathe ist nicht dein Lieblingsfach, oder? Wink

Zitat:Es wird immer ein Byte gelesen und in ein I8 gewandelt. Danach wird das Array gebildet.
- Du hattest gesagt, du willst aus Geschwindigkeitsgründen von ASCII auf BYTE/WORD umstellen. Und liest nun 10010 Bytes jeweils einzeln vom Port: was soll das? Warum nicht lesen in größeren Blöcken? Warum nicht die ersten 8 Byte am Stück lesen und verwerfen?
- Wenn du einen leeren String haben willst, dann solltest du nicht einen String der Länge Null ausschneiden, sondern die "leerer String"-Konstante nehmen. Oder den Outputtunnel der Case-Struktur auf "Default if unwired" stellen und nicht verdrahten…
- Wenn du die ersten Bytes nicht in dein Datenarray aufnehmen willst, dann macht man da keinen leeren String daraus, sondern setzt die Case-Struktur um Typecast und BuildArray herum…
- Du betreibst kein ErrorHandling in der Schleife. Wenn es mittendrin ein Problem gibt, wird die Schleife evtl. sehr lange brauchen, bis sie durchgelaufen ist…
So in etwa:
   

Alle Beiträge dieses Benutzers finden
Diese Nachricht in einer Antwort zitieren to top
11.04.2014, 12:25 (Dieser Beitrag wurde zuletzt bearbeitet: 11.04.2014 12:52 von Serial.)
Beitrag #55

Serial Offline
LVF-Gelegenheitsschreiber
**


Beiträge: 75
Registriert seit: Mar 2014

8.2
2013
DE



RE: Allgemeine Vorgehensweise: Kommunikation mit Messgerät
(11.04.2014 12:11 )GerdW schrieb:  Wenn man den Messbereich deines Oszi auf gerade mal 8bit beschränkt, dann bleiben nicht viele Nachkommastellen übrig. In welchem Bereich liegen den die erwarteten "Schwankungen"?

Ist im 10^(-3) Bereich. Ich möchte im Array genau die Messwerte stehen haben, welche auch per ASCII ankommen würden.


Zitat:- Du hattest gesagt, du willst aus Geschwindigkeitsgründen von ASCII auf BYTE/WORD umstellen. Und nun liest 10010 Bytes jeweils einzeln vom Port: was soll das? Warum nicht lesen in größeren Blöcken? Warum nicht die ersten 8 Byte am Stück lesen und verwerfen?

Das mache ich nur im "Teststatium", um den Überblick zu behalten. Genauso wie das mit dem Fehler auswerten.

Zitat:- Wenn du einen leeren String haben willst, dann solltest du nicht einen String der Länge Null ausschneiden, sondern die "leerer String"-Konstante nehmen. Oder den Outputtunnel der Case-Struktur auf "Default if unwired" stellen und nicht verdrahten…
- Wenn du die ersten Bytes nicht in dein Datenarray aufnehmen willst, dann macht man da keinen leeren String daraus, sondern setzt die Case-Struktur um Typecast und BuildArray herum…
Ist einfach schnell gemacht, um die ersten Bytes abzuschneiden. Sind nämlich keine Messwerte bzw. sehen garnicht danach aus.



Ich kann das ganze auch mit 16 Bit machen. Dann sieht der Graph aber trotzdem so aus. Also es kommen nicht die Werte raus, die das Messgerät gespeichert hat. In Annäherung stimmt der Verlauf aber eben nicht im Detail. Und dieses "rumgezappel" des Messwerte bei y=0 ist auch nicht richtig.

Danke für den schnellen Support. Bin dann mal wieder am Probieren....




PS: Siehe Bild: Vor dem Abschalten sind die realen Messwerte nicht so genau, dass genau eine Horizontale entsteht. Nach dem Abschalten bewegen sich die Messwerte in einem viel zu großen "Bereich" um y=0. Irgendwas "versaut" mir die Werte. Das zweite Bild zeigt den Bereich vor dem Abschalten, wie es aussehen soll (nur für die Vollständigkeit =) )

MfG


Angehängte Datei(en) Thumbnail(s)
       
Alle Beiträge dieses Benutzers finden
Diese Nachricht in einer Antwort zitieren to top
14.04.2014, 08:47
Beitrag #56

Serial Offline
LVF-Gelegenheitsschreiber
**


Beiträge: 75
Registriert seit: Mar 2014

8.2
2013
DE



RE: Allgemeine Vorgehensweise: Kommunikation mit Messgerät
Guten Tag,

ich habe es über das Wochenende hinbekommen, dass die Messwerte WORD weise übertragen werden. Nur werden Messwerte, welche in der nähe von Null sein sollen irgendwie falsch übertragen.

Kann das damit zusammenhängen, dass zwischen jedem Byte jeweils ein "0" Bit sitzt ? (Stopbit)
Wie kann ich ein einzelnes Bit aussortieren ?

Die Dateübertragung im WORD Format erfolgt so:

Byte1-Stopbit-Byte2-Stopbit



MfG
Serial
Alle Beiträge dieses Benutzers finden
Diese Nachricht in einer Antwort zitieren to top
Anzeige
14.04.2014, 08:54
Beitrag #57

GerdW Offline
______________
LVF-Team

Beiträge: 17.540
Registriert seit: May 2009

LV2019 (LV2021)
1995
DE_EN

10×××
Deutschland
RE: Allgemeine Vorgehensweise: Kommunikation mit Messgerät
Hallo Serial,

dieses "Stoppbit" ist mir etwas suspekt. Kannst du mal einen Ausschnitt dieses Datenstroms posten und dazu vermerken, welche Werte (inkl. Angaben zu Skalierung etc.) dieser enthalten sollte?

Alle Beiträge dieses Benutzers finden
Diese Nachricht in einer Antwort zitieren to top
14.04.2014, 09:08 (Dieser Beitrag wurde zuletzt bearbeitet: 14.04.2014 09:10 von Serial.)
Beitrag #58

Serial Offline
LVF-Gelegenheitsschreiber
**


Beiträge: 75
Registriert seit: Mar 2014

8.2
2013
DE



RE: Allgemeine Vorgehensweise: Kommunikation mit Messgerät
Dies Steht im Manual auf Seite 5-155. Siehe Post Nummer 29.
Alle Beiträge dieses Benutzers finden
Diese Nachricht in einer Antwort zitieren to top
14.04.2014, 09:30
Beitrag #59

GerdW Offline
______________
LVF-Team

Beiträge: 17.540
Registriert seit: May 2009

LV2019 (LV2021)
1995
DE_EN

10×××
Deutschland
RE: Allgemeine Vorgehensweise: Kommunikation mit Messgerät
Hallo Serial,

ich weiß, dass die Beschreibung dort zu finden ist. Ich hatte dich um praktisches Anschauungsmaterial gebeten…

Also nochmal:
Bitte einmal Rohdaten, wie du sie vom Gerät gelesen hast, und die zugehörigen erwarteten Werte posten!

Alle Beiträge dieses Benutzers finden
Diese Nachricht in einer Antwort zitieren to top
14.04.2014, 09:51 (Dieser Beitrag wurde zuletzt bearbeitet: 14.04.2014 10:15 von Serial.)
Beitrag #60

Serial Offline
LVF-Gelegenheitsschreiber
**


Beiträge: 75
Registriert seit: Mar 2014

8.2
2013
DE



RE: Allgemeine Vorgehensweise: Kommunikation mit Messgerät
Hallo,
Ich hoffe, dass folgendes Bild das zeigt was du wissen möchtest.

Wie schon gesagt. Gelesen werden immer ein WORD, was einen Messwert darstellt. Ich habe hier den Ausschnitt des Arrays gepostet, der die falschen Werte enthällt. Diese habe ich rot gekennzeichnet.

Zum Beispiel der reale Messwert: -0,5 müsste auch um die null sein. Alle Abweichungen sind immer +- 0,5. Im zweiten Bild ist zu sehen, dass in einem Arrayplatz garnicht alle 16 Bit sind. Obwohl pro Durchlauf immer 2 Byte gelesen werden müssten.
MfG
Serial


Angehängte Datei(en) Thumbnail(s)
       
Alle Beiträge dieses Benutzers finden
Diese Nachricht in einer Antwort zitieren to top
30
Antwort schreiben 


Möglicherweise verwandte Themen...
Themen Verfasser Antworten Views Letzter Beitrag
  Messgerät antwortet (mir) nicht Nominas 5 4.686 14.01.2024 18:47
Letzter Beitrag: GerdW
  Messgerät über Visa auslesen AAlp 10 12.324 07.05.2019 08:59
Letzter Beitrag: AAlp
  RS232 Messgerät Probleme ElJon 9 11.336 18.12.2015 11:30
Letzter Beitrag: ElJon
  R232 Schnittstelle (PC zu Messgerät) knq 17 17.591 10.06.2015 15:22
Letzter Beitrag: Trinitatis
  Daten aus altem EMV Messgerät auslesen LabViewUser2014 2 6.179 28.02.2014 17:04
Letzter Beitrag: LabViewUser2014
  Schnittstelle (seriell) zwischen LabView und Messgerät peter_3571 11 22.104 21.07.2011 14:47
Letzter Beitrag: taichi

Gehe zu: