Timing Problem ... ich gehe im Kreis |
Wenn dein Problem oder deine Frage geklärt worden ist, markiere den Beitrag als "Lösung",
indem du auf den "Lösung" Button rechts unter dem entsprechenden Beitrag klickst. Vielen Dank!
|
|
|
| Möglicherweise verwandte Themen... | |||||
| Themen | Verfasser | Antworten | Views | Letzter Beitrag | |
| Timing von DAQ mit Dynamischer Event-Struktur | lempy | 5 | 6.473 |
27.07.2021 09:18 Letzter Beitrag: jg |
|
| Timing Fehler von USB 6001 | bachatero18 | 2 | 3.910 |
25.08.2020 19:39 Letzter Beitrag: bachatero18 |
|
| Unterschiedliche timing-anforderungen vereinigen | serge_franke | 16 | 14.472 |
26.03.2018 12:49 Letzter Beitrag: serge_franke |
|
| Digital out timing des DAQmx USB-6003 | ALuehmann | 5 | 7.414 |
02.12.2016 15:50 Letzter Beitrag: GerdW |
|
| PWM Timing Problem bei Wechsel von DAQmx 9.6.1 auf 9.8 | dali4u | 2 | 5.771 |
17.07.2014 13:43 Letzter Beitrag: dali4u |
|
| Sample Anzahl lesen / Timing | samuel | 13 | 16.813 |
20.02.2014 10:18 Letzter Beitrag: samuel |
|




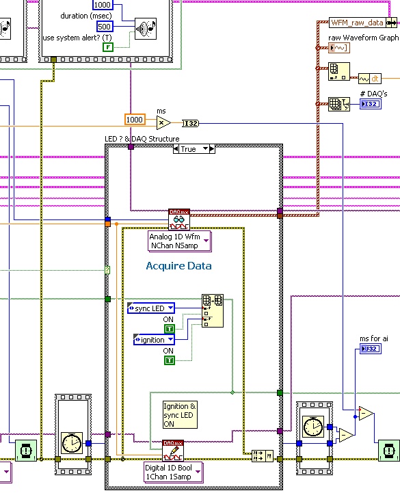
nach 7ms (Indicator "ms for ai") heraus.Wie kann das sein?



