Hallo,
ich hab da mal wieder ein kleines Problem.
Leider bin ich noch LabVIEW-Anfänger und kenne mich daher noch nicht so gut aus.

Ich soll eine Schrittmotorsteuerung erstellen, bei der vier Motoren angesteuert werden.
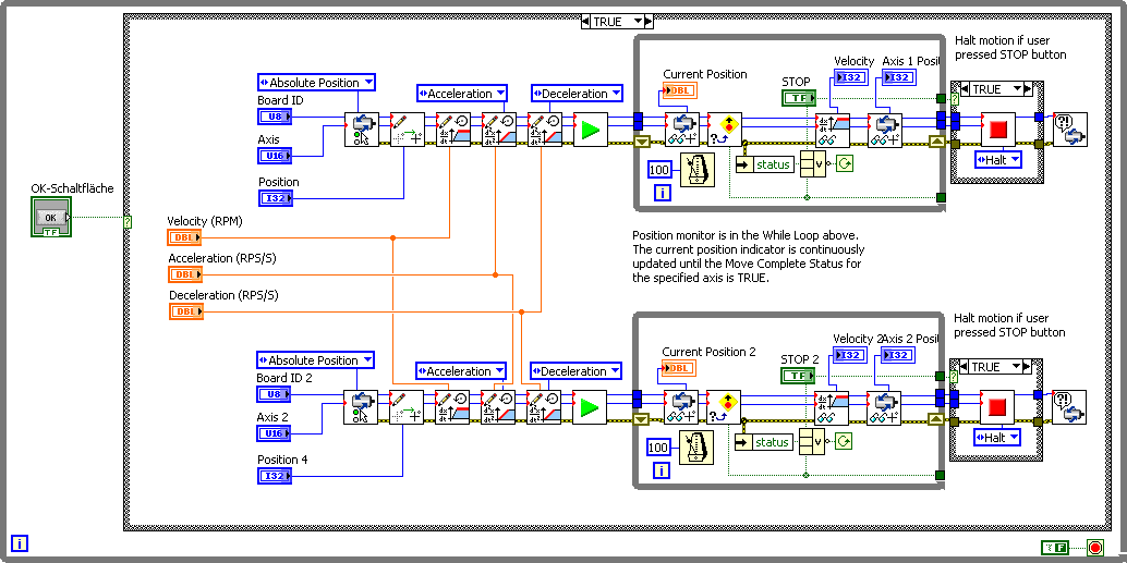
Zu Testzwecken hab ich mir mit Hilfe des Exampe-Finders eine Steuerung mit zwei Achsen zusammengestellt
die auch am Bildschirm wunderbar funktioniert.
Meine Motion Karte ist die NI PCI-7334 an die ein UMI-7764 angeschlossen ist.
Für die Ansteuerung der Motoren benötige ich folgende Signale: Clock, Richtung und Enable.
Die ersten beiden Signale finde ich auch, aber das Enable fehlt mir irgendwie.
Ich hab schon alle Anschlüsse mit dem Oszi geprüft, aber leider ohne Erfolg.
Nun zu meiner Frage, gibt es im Motion eine Funktion Motor an/aus oder so ähnlich (ich hab leider nichts gefunden),
oder muss man da über irgendeinen Digitalen Ausgang der Karte ein Einschaltsignal selbst generieren.
Falls man das sebst erstellen muss, könnte mir da bitte jemand von euch einen Tipp geben wie ich das am besten anstelle.
Hier mal die beisherige Motorsteuerung:
two_Axis_Move.vi (Größe: 74,81 KB / Downloads: 770)
Ich hoffe Ihr könnt mir helfen und würde mich über jede Antwort freuen,
Marco