INFO: Dieses Forum nutzt Cookies...
Cookies sind für den Betrieb des Forums unverzichtbar. Mit der Nutzung des Forums erklärst Du dich damit einverstanden, dass wir Cookies verwenden.

Es wird in jedem Fall ein Cookie gesetzt um diesen Hinweis nicht mehr zu erhalten. Desweiteren setzen wir Google Adsense und Google Analytics ein.


Antwort schreiben 

subVI in subpanel



Wenn dein Problem oder deine Frage geklärt worden ist, markiere den Beitrag als "Lösung",
indem du auf den "Lösung" Button rechts unter dem entsprechenden Beitrag klickst. Vielen Dank!

29.01.2009, 11:17 (Dieser Beitrag wurde zuletzt bearbeitet: 29.01.2009 11:19 von Tobi17.)
Beitrag #1

Tobi17 Offline
LVF-Grünschnabel
*


Beiträge: 16
Registriert seit: Jan 2009

8.5
2008
de

70374
Deutschland
subVI in subpanel
hallo

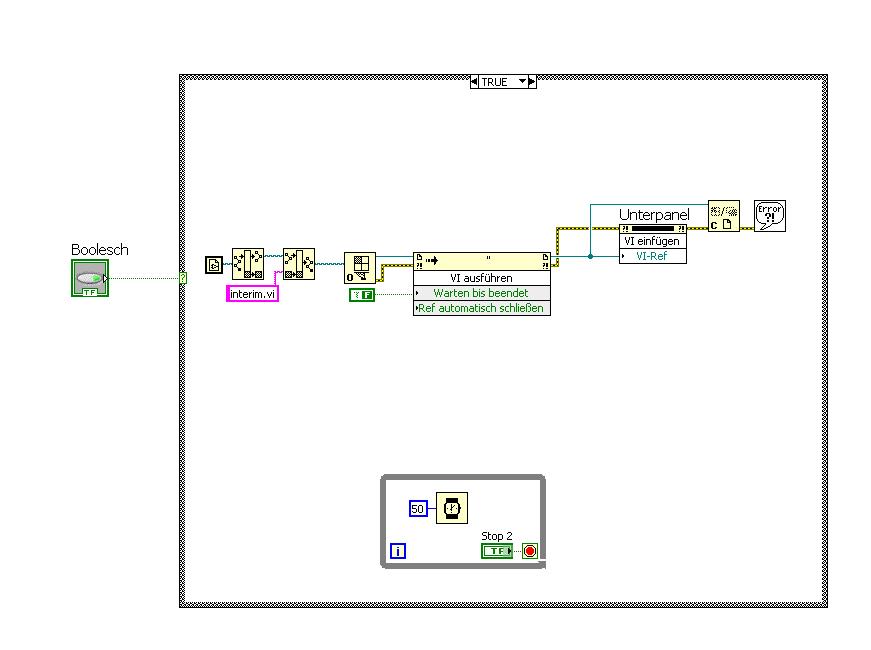
ich möchte ein subVI in ein subpanel laden.. allerdings bekomme ich dann den fehler 1000.
Fehler

ich habe es wie in der hilfe von LabVIEW programmiert (s.Bild), aber anscheinend kann ich es so mit den subVI nicht lösen. aber welche methoden muss ich ändern??


Angehängte Datei(en) Thumbnail(s)
   
Alle Beiträge dieses Benutzers finden
Diese Nachricht in einer Antwort zitieren to top
Anzeige
29.01.2009, 11:19 (Dieser Beitrag wurde zuletzt bearbeitet: 29.01.2009 11:20 von TSC.)
Beitrag #2

TSC Offline
LVF-Team
LVF-Team

Beiträge: 1.882
Registriert seit: Sep 2008

LV 2018 SP1
2008
EN

52379
Deutschland
subVI in subpanel
' schrieb:hallo

ich möchte ein subVI in ein subpanel laden.. allerdings bekomme ich dann den fehler 1000.
Fehler

ich habe es wie in der hilfe von LabVIEW programmiert (s.Bild), aber anscheinend kann ich es so mit den subVI nicht lösen. aber welche methoden muss ich ändern??


ich sehe leider kein bild

LG
Torsten

EDIT: Jetzt seh ich ein Bild!

"Über Fragen, die ich nicht beantworten kann, zerbreche ich mir nicht den Kopf!" (Konrad Zuse)
Alle Beiträge dieses Benutzers finden
Diese Nachricht in einer Antwort zitieren to top
29.01.2009, 11:46
Beitrag #3

Tobi17 Offline
LVF-Grünschnabel
*


Beiträge: 16
Registriert seit: Jan 2009

8.5
2008
de

70374
Deutschland
subVI in subpanel
irgendwelche vorschlägeWink
Alle Beiträge dieses Benutzers finden
Diese Nachricht in einer Antwort zitieren to top
29.01.2009, 11:49
Beitrag #4

TSC Offline
LVF-Team
LVF-Team

Beiträge: 1.882
Registriert seit: Sep 2008

LV 2018 SP1
2008
EN

52379
Deutschland
subVI in subpanel
' schrieb:irgendwelche vorschlägeWink

Man kann nicht alles in 30 minuten schaffen!!!

"Über Fragen, die ich nicht beantworten kann, zerbreche ich mir nicht den Kopf!" (Konrad Zuse)
Alle Beiträge dieses Benutzers finden
Diese Nachricht in einer Antwort zitieren to top
29.01.2009, 11:59
Beitrag #5

IchSelbst Offline
LVF-Guru
*****


Beiträge: 3.708
Registriert seit: Feb 2005

11, 14, 15, 17, 18
-
DE

97437
Deutschland
subVI in subpanel
' schrieb:irgendwelche vorschlägeWink
Ja.

Erst in Subpanel einfügen, dann starten. Außerdem die Referenz erst löschen, wenn das SubVI beendet ist. So mach ich das immer.

Jeder, der zur wahren Erkenntnis hindurchdringen will, muss den Berg Schwierigkeit alleine erklimmen (Helen Keller).
Alle Beiträge dieses Benutzers finden
Diese Nachricht in einer Antwort zitieren to top
29.01.2009, 12:17
Beitrag #6

Tobi17 Offline
LVF-Grünschnabel
*


Beiträge: 16
Registriert seit: Jan 2009

8.5
2008
de

70374
Deutschland
subVI in subpanel
' schrieb:Ja.

Erst in Subpanel einfügen, dann starten. Außerdem die Referenz erst löschen, wenn das SubVI beendet ist. So mach ich das immer.


also ich hab eine gestapelte sequenz: dort wird eigentlich zuerst das subVI geladen und bei dem nächsten werte in diese übergeben.. kommt dennoch dieser fehler
Alle Beiträge dieses Benutzers finden
Diese Nachricht in einer Antwort zitieren to top
Anzeige
29.01.2009, 12:23
Beitrag #7

IchSelbst Offline
LVF-Guru
*****


Beiträge: 3.708
Registriert seit: Feb 2005

11, 14, 15, 17, 18
-
DE

97437
Deutschland
subVI in subpanel
' schrieb:also ich hab eine gestapelte sequenz: dort wird eigentlich zuerst das subVI geladen und bei dem nächsten werte in diese übergeben.. kommt dennoch dieser fehler
Blink

Erst Referenz öffnen, dann Referenz an Subpanel übergeben, dann Werte (per Methodenknoten) an SubVI übergeben, dann (per Methodenknoten) SubVI starten, dann Warten bis SubVI beendet, dann Referenz schließen.

Jeder, der zur wahren Erkenntnis hindurchdringen will, muss den Berg Schwierigkeit alleine erklimmen (Helen Keller).
Alle Beiträge dieses Benutzers finden
Diese Nachricht in einer Antwort zitieren to top
29.01.2009, 13:18
Beitrag #8

Tobi17 Offline
LVF-Grünschnabel
*


Beiträge: 16
Registriert seit: Jan 2009

8.5
2008
de

70374
Deutschland
subVI in subpanel
' schrieb:Blink

Erst Referenz öffnen, dann Referenz an Subpanel übergeben, dann Werte (per Methodenknoten) an SubVI übergeben, dann (per Methodenknoten) SubVI starten, dann Warten bis SubVI beendet, dann Referenz schließen.

ok klappt danke
Alle Beiträge dieses Benutzers finden
Diese Nachricht in einer Antwort zitieren to top
Antwort schreiben 


Möglicherweise verwandte Themen...
Themen Verfasser Antworten Views Letzter Beitrag
  Subpanel Kommunikation ares2013 3 4.584 04.12.2019 12:23
Letzter Beitrag: Lien_Alere
  Kommunikation zwischen SubVis im Subpanel und GUI Rene123 12 13.072 30.10.2017 23:28
Letzter Beitrag: IchSelbst
  Bestimmen, ob das VI ein eigenes Frontpanel hat oder im Subpanel angezeigt wird wladimir s 8 7.737 11.11.2016 10:31
Letzter Beitrag: wladimir s
  Subpanel und Splitter Pane GT123 15 12.000 09.09.2016 14:23
Letzter Beitrag: GT123
  Sub-VIs in Subpanel laden Scuba 16 14.478 28.08.2014 13:39
Letzter Beitrag: jg
  VI in Subpanel begrenzen Hasenfuss 1 5.085 24.09.2013 08:13
Letzter Beitrag: GerdW

Gehe zu: