Dieses Thema hat akzeptierte Lösungen:
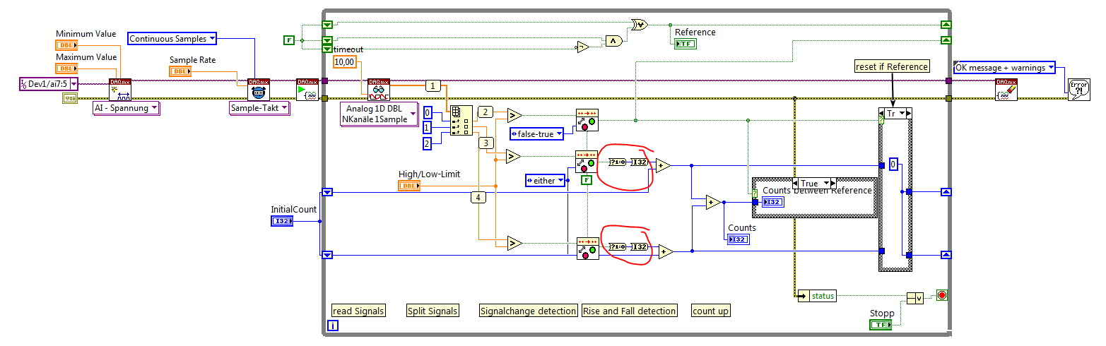
SubVI-Daten auslesen |
Wenn dein Problem oder deine Frage geklärt worden ist, markiere den Beitrag als "Lösung",
indem du auf den "Lösung" Button rechts unter dem entsprechenden Beitrag klickst. Vielen Dank!
| 30
|
|
|
| Möglicherweise verwandte Themen... | |||||
| Themen | Verfasser | Antworten | Views | Letzter Beitrag | |
| Werte in SubVi entsprechen nicht Werten außerhalb des SubVi | Philipp841 | 5 | 6.149 |
13.06.2018 15:12 Letzter Beitrag: GerdW |
|
| Auf Website Daten auslesen | myllertym | 14 | 29.530 |
27.03.2012 15:56 Letzter Beitrag: lukin |
|
| Daten aus externe Anlage auslesen | Ninja2602 | 0 | 4.571 |
13.03.2012 10:15 Letzter Beitrag: Ninja2602 |
|
| TCP-Communikator: Daten aus Serverprogramm auslesen und in CSV Speichern | McAllister | 2 | 8.007 |
27.04.2011 15:54 Letzter Beitrag: McAllister |
|
| Modbus Daten auslesen | Road_Runner | 5 | 12.987 |
21.12.2010 16:20 Letzter Beitrag: NWOmason |
|
| Automatisch aktuelleste Daten vom FTP(-Push) auslesen | Graf_Nasenbär | 11 | 20.584 |
27.11.2010 09:26 Letzter Beitrag: Y-P |
|




Besten dank!

