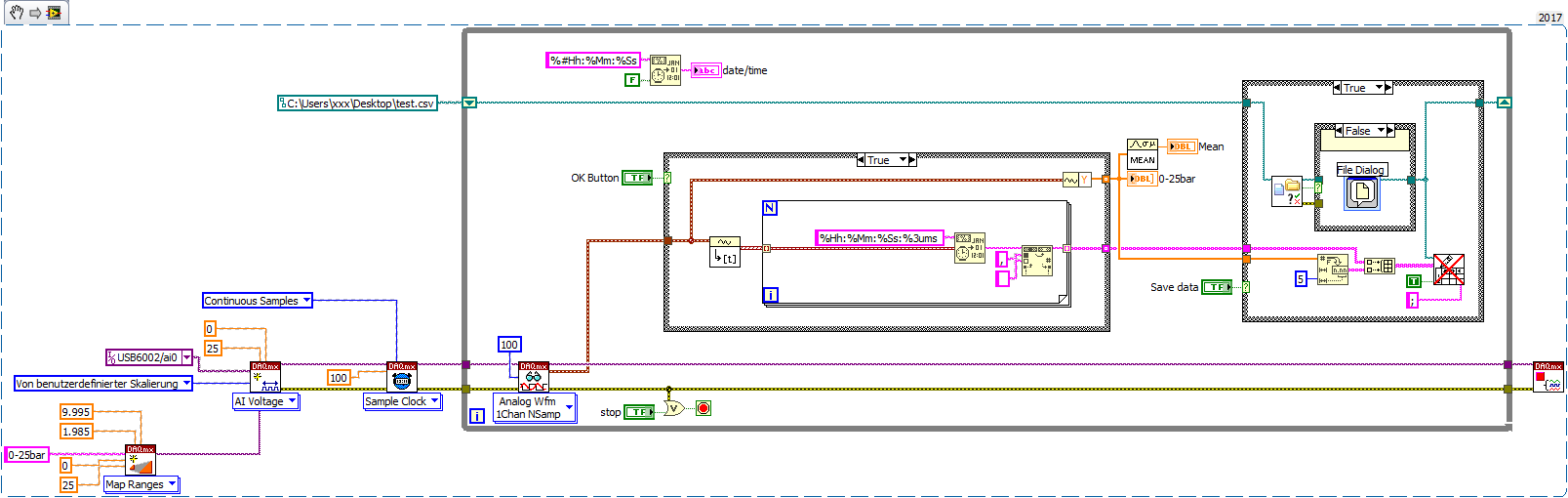
Dieses Thema hat akzeptierte Lösungen:
Daten speichern |
Wenn dein Problem oder deine Frage geklärt worden ist, markiere den Beitrag als "Lösung",
indem du auf den "Lösung" Button rechts unter dem entsprechenden Beitrag klickst. Vielen Dank!
| 30
|
|
|
| Nachrichten in diesem Thema |
|
Daten speichern - hulk - 20.08.2019, 15:30
RE: Daten speichern - GerdW - 20.08.2019, 20:07
RE: Daten speichern - hulk - 20.08.2019, 20:12
RE: Daten speichern - GerdW - 20.08.2019, 20:34
RE: Daten speichern - hulk - 21.08.2019, 06:57
RE: Daten speichern - GerdW - 21.08.2019 06:59
RE: Daten speichern - hulk - 21.08.2019, 07:44
RE: Daten speichern - NoWay - 21.08.2019, 07:57
RE: Daten speichern - GerdW - 21.08.2019, 07:58
RE: Daten speichern - hulk - 21.08.2019, 10:32
RE: Daten speichern - GerdW - 21.08.2019, 10:53
RE: Daten speichern - hulk - 23.08.2019, 06:51
RE: Daten speichern - GerdW - 23.08.2019, 07:11
|
| Möglicherweise verwandte Themen... | |||||
| Themen | Verfasser | Antworten | Views | Letzter Beitrag | |
| Daten in eine Tabelle speichern | Gottimp | 4 | 4.641 |
28.07.2021 16:47 Letzter Beitrag: jg |
|
| Daten als Video speichern | sumsi | 5 | 5.630 |
19.02.2016 07:58 Letzter Beitrag: sumsi |
|
| Weitere Daten per Button speichern | Margi | 42 | 25.489 |
23.09.2015 09:18 Letzter Beitrag: GerdW |
|
| Daten aus einer Leitung in Array speichern | Sascha Meyer | 10 | 15.860 |
20.11.2012 12:43 Letzter Beitrag: GerdW |
|
| Daten auf Knopfdruck in 2D-Array speichern | Jokohoo | 2 | 5.938 |
13.11.2010 00:33 Letzter Beitrag: jg |
|
| Daten flexibel in txt Datei speichern | mrstrom | 2 | 4.501 |
06.11.2010 11:07 Letzter Beitrag: Matze |
|





