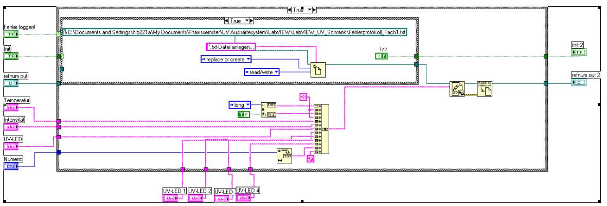
Fehler Protokoll |
Wenn dein Problem oder deine Frage geklärt worden ist, markiere den Beitrag als "Lösung",
indem du auf den "Lösung" Button rechts unter dem entsprechenden Beitrag klickst. Vielen Dank!
| 30
|
|
|
| Möglicherweise verwandte Themen... | |||||
| Themen | Verfasser | Antworten | Views | Letzter Beitrag | |
| Fehler -209836, jetzt auch Fehler -1950679023 | IchSelbst | 3 | 2.960 |
19.12.2024 09:35 Letzter Beitrag: IchSelbst |
|
| Protokoll -> mehrere Daten in ein Protokoll im 5 Minuten Takt | Ripchip | 4 | 5.863 |
23.01.2018 18:50 Letzter Beitrag: GerdW |
|
| Protokoll erstellen | Tom2204 | 1 | 6.564 |
12.03.2014 22:58 Letzter Beitrag: Trinitatis |
|
| Protokoll drucken - Grafik/Header/Text auf eine Seite?! | Lifter | 7 | 8.344 |
10.12.2013 09:18 Letzter Beitrag: jg |
|
| Word Protokoll (Tabellen) Fehler in Zuweisung | akoKE | 7 | 9.475 |
08.03.2013 11:38 Letzter Beitrag: akoKE |
|
| Messdaten in Protokoll speichern | UnbekanntesPferd | 18 | 22.588 |
29.03.2012 14:53 Letzter Beitrag: M Nussbaumer |
|






