Dieses Thema hat akzeptierte Lösungen:
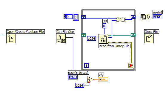
Dateiinhalt syncronisieren mittels read/write binary file |
Wenn dein Problem oder deine Frage geklärt worden ist, markiere den Beitrag als "Lösung",
indem du auf den "Lösung" Button rechts unter dem entsprechenden Beitrag klickst. Vielen Dank!
|
|
|
| Möglicherweise verwandte Themen... | |||||
| Themen | Verfasser | Antworten | Views | Letzter Beitrag | |
| Probleme mit "Write to Measurement File" | bastipa93 | 11 | 13.052 |
04.06.2020 05:29 Letzter Beitrag: bastipa93 |
|
| Uhrzeit/Datum über "Write to Measurement File" | Sandro5 | 10 | 13.510 |
22.05.2014 11:21 Letzter Beitrag: Sandro5 |
|
| Write to Spreadsheet File => Daten werden nicht rein geschrieben | nusser | 8 | 10.422 |
14.01.2014 21:06 Letzter Beitrag: jg |
|
| Zeitliche Messwertaufnahme: Wo Write-to-spreedsheet-file-vi platzieren | Body Lotion | 22 | 21.419 |
08.11.2012 16:44 Letzter Beitrag: GerdW |
|
| Limit in File Size bei binary Files? | Stoney_83 | 2 | 6.459 |
28.03.2011 07:53 Letzter Beitrag: Stoney_83 |
|
| Write to measurement file | kike | 7 | 15.136 |
20.12.2010 08:32 Letzter Beitrag: deicebear |
|







