INFO: Dieses Forum nutzt Cookies...
Cookies sind für den Betrieb des Forums unverzichtbar. Mit der Nutzung des Forums erklärst Du dich damit einverstanden, dass wir Cookies verwenden.

Es wird in jedem Fall ein Cookie gesetzt um diesen Hinweis nicht mehr zu erhalten. Desweiteren setzen wir Google Adsense und Google Analytics ein.


Antwort schreiben 

Dieses Thema hat akzeptierte Lösungen:

Messwerte in die Datei



Wenn dein Problem oder deine Frage geklärt worden ist, markiere den Beitrag als "Lösung",
indem du auf den "Lösung" Button rechts unter dem entsprechenden Beitrag klickst. Vielen Dank!

22.11.2013, 18:15
Beitrag #11

rc Offline
LVF-Gelegenheitsschreiber
**


Beiträge: 149
Registriert seit: Jul 2013

2011, 2012
-
DE_EN


Deutschland
RE: Messwerte in die Datei
Hallo Marko,

vielen Dank für die Mühe!

also so wie im bild speichere die Daten in der Schleife aber wie hänge ich die Daten hinten an?


Angehängte Datei(en) Thumbnail(s)
   
Alle Beiträge dieses Benutzers finden
Diese Nachricht in einer Antwort zitieren to top
Anzeige
22.11.2013, 18:17
Beitrag #12

Trinitatis Offline
LVF-Guru
*****


Beiträge: 1.694
Registriert seit: May 2008

7.1 / 8.0 /2014-1, 18
2002
DE

18055
Deutschland
RE: Messwerte in die Datei
guck dir mal alle Anschlüsse, die das Speicher-VI so hat an - ich wette, du kommst von allein drauf Smile


Gruß, Marko
Alle Beiträge dieses Benutzers finden
Diese Nachricht in einer Antwort zitieren to top
22.11.2013, 18:18
Beitrag #13

jg Offline
CLA & CLED
LVF-Team

Beiträge: 15.864
Registriert seit: Jun 2005

20xx / 8.x
1999
EN

Franken...
Deutschland
RE: Messwerte in die Datei
Hilfe zu Write To Spreadsheet File durchlesen.
Da existiert ein Eingang "Append File".

Gruß, Jens

Wer die erhabene Weisheit der Mathematik tadelt, nährt sich von Verwirrung. (Leonardo da Vinci)

!! BITTE !! stellt mir keine Fragen über PM, dafür ist das Forum da - andere haben vielleicht auch Interesse an der Antwort!

Einführende Links zu LabVIEW, s. GerdWs Signatur.
Alle Beiträge dieses Benutzers finden
Diese Nachricht in einer Antwort zitieren to top
22.11.2013, 18:34 (Dieser Beitrag wurde zuletzt bearbeitet: 22.11.2013 18:35 von rc.)
Beitrag #14

rc Offline
LVF-Gelegenheitsschreiber
**


Beiträge: 149
Registriert seit: Jul 2013

2011, 2012
-
DE_EN


Deutschland
RE: Messwerte in die Datei
Big Grin:DHallo Jens und Marko Smile

vielen vielen Dank. Ich habe dann an den anschluss " append to file" ein boolisches True gesetzt. Ich hoffe das war richtig, denn ich kann jetzt meine Text Datei nicht öffen weil es Keine Rückmeldung kommt Big Grin Ich weiss echt nicht was ich sagen soll...
Ne ich kann die Datei nicht öffnen. Wieso? Datenüberflutung?
Alle Beiträge dieses Benutzers finden
Diese Nachricht in einer Antwort zitieren to top
22.11.2013, 18:52
Beitrag #15

rc Offline
LVF-Gelegenheitsschreiber
**


Beiträge: 149
Registriert seit: Jul 2013

2011, 2012
-
DE_EN


Deutschland
RE: Messwerte in die Datei
Also setze ich auf False. Dieses mal die Anfangswerte die ganze Zeit AngryAhrg1Ahrg1Ahrg1
Alle Beiträge dieses Benutzers finden
Diese Nachricht in einer Antwort zitieren to top
22.11.2013, 18:55
Beitrag #16

jg Offline
CLA & CLED
LVF-Team

Beiträge: 15.864
Registriert seit: Jun 2005

20xx / 8.x
1999
EN

Franken...
Deutschland
RE: Messwerte in die Datei
(22.11.2013 18:34 )rc schrieb:  Big Grin:DHallo Jens und Marko Smile

vielen vielen Dank. Ich habe dann an den anschluss " append to file" ein boolisches True gesetzt. Ich hoffe das war richtig, denn ich kann jetzt meine Text Datei nicht öffen weil es Keine Rückmeldung kommt Big Grin Ich weiss echt nicht was ich sagen soll...
Willst du wirklich IMMER anhängen? Bei jedem VI-Start wird an die bestehenden Datei drangehängt? Oder doch bei Start des VIs mal eine neue Datei?!

Hmm

Und jetzt überleg mal, wie du das schaffen könntest.
(22.11.2013 18:34 )rc schrieb:  Ne ich kann die Datei nicht öffnen. Wieso? Datenüberflutung?
Die Größe der Datei könnte man über den Windows-Explorer feststellen...

Gruß, Jens

Wer die erhabene Weisheit der Mathematik tadelt, nährt sich von Verwirrung. (Leonardo da Vinci)

!! BITTE !! stellt mir keine Fragen über PM, dafür ist das Forum da - andere haben vielleicht auch Interesse an der Antwort!

Einführende Links zu LabVIEW, s. GerdWs Signatur.
Alle Beiträge dieses Benutzers finden
Diese Nachricht in einer Antwort zitieren to top
Anzeige
22.11.2013, 19:01
Beitrag #17

rc Offline
LVF-Gelegenheitsschreiber
**


Beiträge: 149
Registriert seit: Jul 2013

2011, 2012
-
DE_EN


Deutschland
RE: Messwerte in die Datei
Hallo Jens,

Willst du wirklich IMMER anhängen? Bei jedem VI-Start wird an die bestehenden Datei drangehängt? Oder doch bei Start des VIs mal eine neue Datei?!



bitte nimms mir nicht übel aber ich verstehe einfach nicht. Soll ich dann eine neue file Path angeben? Ich möchte NUR diese Messung übers WE auswerten aber so wie es aussieht packe ich da nicht mehr ichfühle mich echt beschissen...
Alle Beiträge dieses Benutzers finden
Diese Nachricht in einer Antwort zitieren to top
22.11.2013, 19:12
Beitrag #18

jg Offline
CLA & CLED
LVF-Team

Beiträge: 15.864
Registriert seit: Jun 2005

20xx / 8.x
1999
EN

Franken...
Deutschland
RE: Messwerte in die Datei
Hast du schon mal überschlagen, was für Datenmengen du gerade erzeugen willst?

Du erfasst mit 100 kHz, sind also 100 k Datenpunkte pro Sekunde. Sind also 360 Millionen Datenpunkte pro Stunde. Übers Wochenende laufen lassen (ca. 60 h), dann sind wir bei über 22 Milliarden Punkten. Pro Zeile in deinem File kommen ca. 10-15 Zeichen zusammen, sind wir konservativ, 10 Byte, dann sind wir am Montag früh bei einem txt-File von mind. 220 GigaByte!

Willst du das wirklich auswerten?

Gruß, Jens

Wer die erhabene Weisheit der Mathematik tadelt, nährt sich von Verwirrung. (Leonardo da Vinci)

!! BITTE !! stellt mir keine Fragen über PM, dafür ist das Forum da - andere haben vielleicht auch Interesse an der Antwort!

Einführende Links zu LabVIEW, s. GerdWs Signatur.
Alle Beiträge dieses Benutzers finden
Diese Nachricht in einer Antwort zitieren to top
23.11.2013, 12:01
Beitrag #19

rc Offline
LVF-Gelegenheitsschreiber
**


Beiträge: 149
Registriert seit: Jul 2013

2011, 2012
-
DE_EN


Deutschland
RE: Messwerte in die Datei
Hallo Jens,

nein so meinte ich nicht. Ich wollte nur 5 oder max. 10 min. messen und nur in dieser Zeit entstehenden Spannungsverlauf übers WE zu Hause im Exel auswerten. Mache ich da dann mit " get time in seconds" ein Fehler? oder "rate" und "number of samples " passen nicht?

So wie im angehängte Text Datei sieht in der zweite Spalte der Zeit Verlauf. Ich habe da ab dem 201,441 sekunden die Messung abgebrochen ( ich meine ich habe geschaut und gesehen , dass nach dieser Zeit die Spannung sich nicht viel ändert und konstant bleibt). Zu diesem Zeitpunkt waren die Spannungswerte auf dem Waveform chart etwa bei 6,... Volt zu sehen aber in der Datei sieht man die nicht. Ich lasse halt irgendwann die Messung starten und somit kommen auch die Spannungswerte aus dem AD/Wandler. Danach schaue ich meine Uhr und nach 5 min oder so beende ich das ganze. Irgendeine Zeitabhängigkeit habe ich NOCH nicht geschaffen. Ich wollte nur erstmal den Spannungsverlauf über meine Messzeit bekommen und die dann im Exel schauen wie es so aussieht.


Angehängte Datei(en)
0.0 .txt  Propan.txt (Größe: 180,49 KB / Downloads: 229)
Alle Beiträge dieses Benutzers finden
Diese Nachricht in einer Antwort zitieren to top
26.11.2013, 12:49
Beitrag #20

jg Offline
CLA & CLED
LVF-Team

Beiträge: 15.864
Registriert seit: Jun 2005

20xx / 8.x
1999
EN

Franken...
Deutschland
RE: Messwerte in die Datei
OK, das mit der Messdauer habe ich falsch verstanden.

Dass deine selbstberechnete Messzeit nicht zu deinen Messdaten passt, ist mir klar, dir ja offenbar nicht. Scheinbar kämpfst du immer noch damit, das Konzept des Datenflusses von LabVIEW zu verstehen.

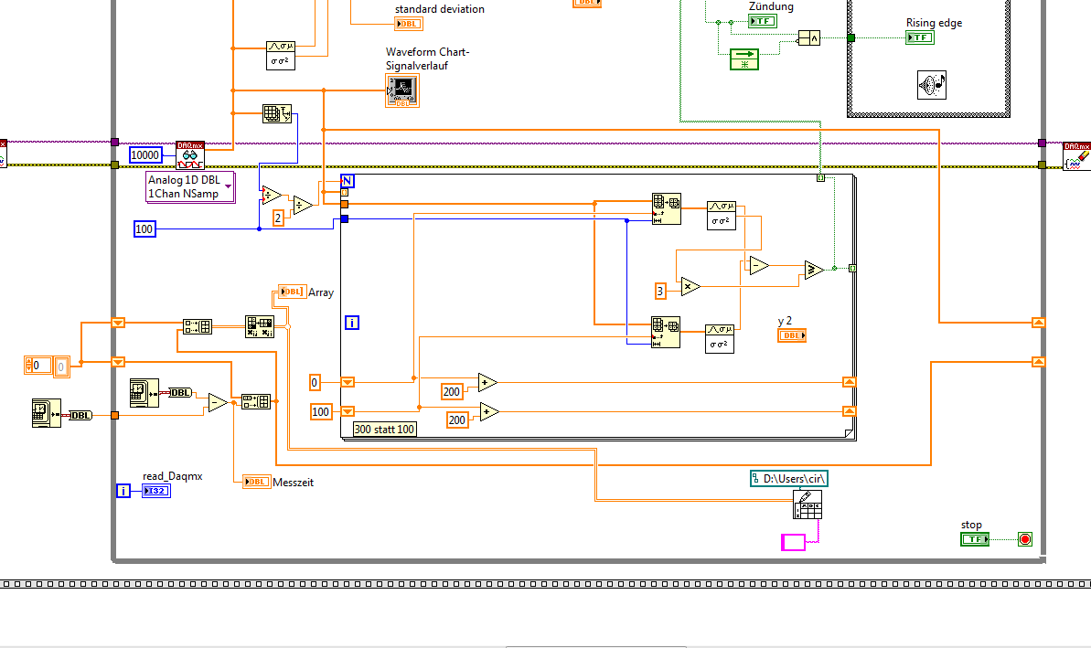
Ich erkläre (ein letztes Mal (?)), was in deinem letzten Screenshot passiert:

1. Schleifendurchlauf:
Du erfasst 10000 Messwerte. Dein 1D-Array mit "Messzeiten" enthält 1 Element.
Diese beiden Arrays (Größe 1x10000 und 1x1) fasst du zu einem 2D-Array zusammen. Dabei wird das Messzeit-Array mit Standardwert 0 auf die Größe des Messarrays erweitert, du speicherst also in der 2. Spalte 9999 mal eine Null.

2. Schleifendurchlauf:
Du erfasst 10000 Messwerte. Dein 1D-Array mit "Messzeiten" enthält jetzt 2 Elemente, da du des per Schieberegister weitergibst und in jedem Schritt erweiterst.
Diese beiden Arrays (Größe 1x10000 und 1x2) fasst du zu einem 2D-Array zusammen. Dabei wird das Messzeit-Array mit Standardwert 0 auf die Größe des Messarrays erweitert, du speicherst also in der 2. Spalte 9998 mal eine Null.

usw. usw. usw.

Wie könntest du das besser lösen?
Mein Vorschlag wäre die Erfassung als Waveform bei DAQmx-Read und speichern in einer TDMS-Datei. Das könntest du sogar direkt über den DAQmx-Treiber machen, Beispiele dazu gibt es im NI Example Finder.

Auswertung in Excel ist ebenfalls kein Problem, es gibt das TDM Excel Plugin.

Gruß, Jens

Wer die erhabene Weisheit der Mathematik tadelt, nährt sich von Verwirrung. (Leonardo da Vinci)

!! BITTE !! stellt mir keine Fragen über PM, dafür ist das Forum da - andere haben vielleicht auch Interesse an der Antwort!

Einführende Links zu LabVIEW, s. GerdWs Signatur.
Alle Beiträge dieses Benutzers finden
Diese Nachricht in einer Antwort zitieren to top
Antwort schreiben 


Möglicherweise verwandte Themen...
Themen Verfasser Antworten Views Letzter Beitrag
  Messwerte aus UM232H (USB) jede ms in TDMS Datei schreiben BenBaeumker 19 14.069 23.07.2021 10:55
Letzter Beitrag: GerdW
  Nur bestimmte Messwerte in Datei schreiben Olli169 6 6.619 16.08.2017 11:22
Letzter Beitrag: Olli169
  Messwerte in Datei schreiben antwort 2 5.796 12.12.2016 14:31
Letzter Beitrag: antwort
  Messwerte in Datei einmal speichern Marcy 4 6.192 02.09.2014 08:00
Letzter Beitrag: Marcy
  Speichern mit "Messwerte in Datei schreiben" cap 4 8.502 16.05.2013 09:43
Letzter Beitrag: Y-P
  Messwerte in Datei schreiben alle x.Sekungen marina_mk88 10 19.177 01.03.2010 13:24
Letzter Beitrag: marina_mk88

Gehe zu: