INFO: Dieses Forum nutzt Cookies...
Cookies sind für den Betrieb des Forums unverzichtbar. Mit der Nutzung des Forums erklärst Du dich damit einverstanden, dass wir Cookies verwenden.

Es wird in jedem Fall ein Cookie gesetzt um diesen Hinweis nicht mehr zu erhalten. Desweiteren setzen wir Google Adsense und Google Analytics ein.


Antwort schreiben 

Dieses Thema hat akzeptierte Lösungen:

Messwerte in die Datei



Wenn dein Problem oder deine Frage geklärt worden ist, markiere den Beitrag als "Lösung",
indem du auf den "Lösung" Button rechts unter dem entsprechenden Beitrag klickst. Vielen Dank!

22.11.2013, 12:27
Beitrag #1

rc Offline
LVF-Gelegenheitsschreiber
**


Beiträge: 149
Registriert seit: Jul 2013

2011, 2012
-
DE_EN


Deutschland
Messwerte in die Datei
Hallo,

ich erfasse mit meinem Programm Spannunswerte aus einem AD/Wandler und speichere sie in eine Datei. In dem Chart sehe ich, dass die Werte sich während der ganzen Messung von - 0,0... bis - 6,... ändern aber in der Datei sehe ich ganze Messzeitlang fast die gleiche Spannungswerte ( -6,000). wo liegt mein fehler ?

vielen Dank im voraus für die Hilfe


Angehängte Datei(en)
11.0 .vi  Cluster_MainVI.vi (Größe: 116,62 KB / Downloads: 284)

0.0 .txt  Propan.txt (Größe: 196,17 KB / Downloads: 308)
Alle Beiträge dieses Benutzers finden
Diese Nachricht in einer Antwort zitieren to top
Anzeige
22.11.2013, 13:13 (Dieser Beitrag wurde zuletzt bearbeitet: 22.11.2013 14:22 von jg.)
Beitrag #2

jg Offline
CLA & CLED
LVF-Team

Beiträge: 15.864
Registriert seit: Jun 2005

20xx / 8.x
1999
EN

Franken...
Deutschland
RE: Messwerte in die Datei
THINK Dataflow.
Du sammelst nicht alle Daten zum Speichern. Nur den vorletzten Durchlauf vom DAQmx-Read gibst du am Ende weiter an deine Schreibfunktion.

Gruß, Jens

Wer die erhabene Weisheit der Mathematik tadelt, nährt sich von Verwirrung. (Leonardo da Vinci)

!! BITTE !! stellt mir keine Fragen über PM, dafür ist das Forum da - andere haben vielleicht auch Interesse an der Antwort!

Einführende Links zu LabVIEW, s. GerdWs Signatur.
Alle Beiträge dieses Benutzers finden
Diese Nachricht in einer Antwort zitieren to top
22.11.2013, 14:05 (Dieser Beitrag wurde zuletzt bearbeitet: 22.11.2013 14:06 von rc.)
Beitrag #3

rc Offline
LVF-Gelegenheitsschreiber
**


Beiträge: 149
Registriert seit: Jul 2013

2011, 2012
-
DE_EN


Deutschland
RE: Messwerte in die Datei
Hallo,

vielen Dank für die antwort !!

ich habe die anzahl von samples geändert aber dieses Mal bekomme nicht alle Zeitwerte Sad

mache ich da irgendwas mit dem "Rate of the Sample clock" falsch ?

viele Grüße
wobei die Spannungswerte wieder so um den 6,... volt geschrieben sind...


Angehängte Datei(en) Thumbnail(s)
   
Alle Beiträge dieses Benutzers finden
Diese Nachricht in einer Antwort zitieren to top
22.11.2013, 14:20 (Dieser Beitrag wurde zuletzt bearbeitet: 22.11.2013 14:25 von jg.)
Beitrag #4

jg Offline
CLA & CLED
LVF-Team

Beiträge: 15.864
Registriert seit: Jun 2005

20xx / 8.x
1999
EN

Franken...
Deutschland
RE: Messwerte in die Datei
Ich wiederhole meine Beitrag: Wall
(22.11.2013 13:13 )jg schrieb:  THINK Dataflow.
Du sammelst nicht alle Daten zum Speichern. Nur den vorletzten Durchlauf vom DAQmx-Read gibst du am Ende weiter an deine Schreibfunktion.

Gruß, Jens
   
Gruß, Jens

Wer die erhabene Weisheit der Mathematik tadelt, nährt sich von Verwirrung. (Leonardo da Vinci)

!! BITTE !! stellt mir keine Fragen über PM, dafür ist das Forum da - andere haben vielleicht auch Interesse an der Antwort!

Einführende Links zu LabVIEW, s. GerdWs Signatur.
Alle Beiträge dieses Benutzers finden
Diese Nachricht in einer Antwort zitieren to top
22.11.2013, 15:51
Beitrag #5

rc Offline
LVF-Gelegenheitsschreiber
**


Beiträge: 149
Registriert seit: Jul 2013

2011, 2012
-
DE_EN


Deutschland
RE: Messwerte in die Datei
Hallo Jens,

sorry aber ich verstehe nicht was unter 2) gemeint ist. Weggeschrieben ?Blush
Alle Beiträge dieses Benutzers finden
Diese Nachricht in einer Antwort zitieren to top
22.11.2013, 16:29
Beitrag #6

jg Offline
CLA & CLED
LVF-Team

Beiträge: 15.864
Registriert seit: Jun 2005

20xx / 8.x
1999
EN

Franken...
Deutschland
RE: Messwerte in die Datei
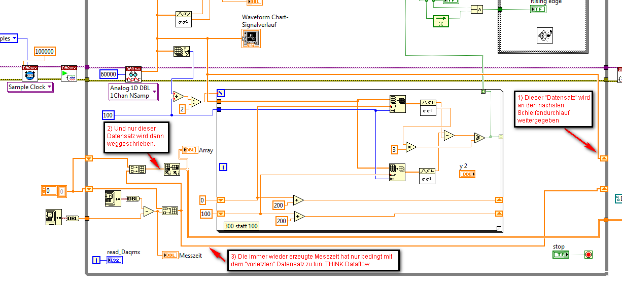
Verfolge den Datenfluss! Der Datensatz aus 1x DAQmx wird per Schieberegister an den nächsten Durchlauf der Schleife weitergegeben.
Nur diesen einen Datensatz baust du zu einem 2D-Array zusammen. Und dieses 2D-Array (das immer nur 1 DAQmx-Read-Datensatz enthält) gibst du nach Beendigung der Schleife an "Write Spreadsheet File" weiter (Write = schreiben oder umgspr. wegschreiben).

Gruß, Jens

Wer die erhabene Weisheit der Mathematik tadelt, nährt sich von Verwirrung. (Leonardo da Vinci)

!! BITTE !! stellt mir keine Fragen über PM, dafür ist das Forum da - andere haben vielleicht auch Interesse an der Antwort!

Einführende Links zu LabVIEW, s. GerdWs Signatur.
Alle Beiträge dieses Benutzers finden
Diese Nachricht in einer Antwort zitieren to top
Anzeige
22.11.2013, 17:02
Beitrag #7

rc Offline
LVF-Gelegenheitsschreiber
**


Beiträge: 149
Registriert seit: Jul 2013

2011, 2012
-
DE_EN


Deutschland
RE: Messwerte in die Datei
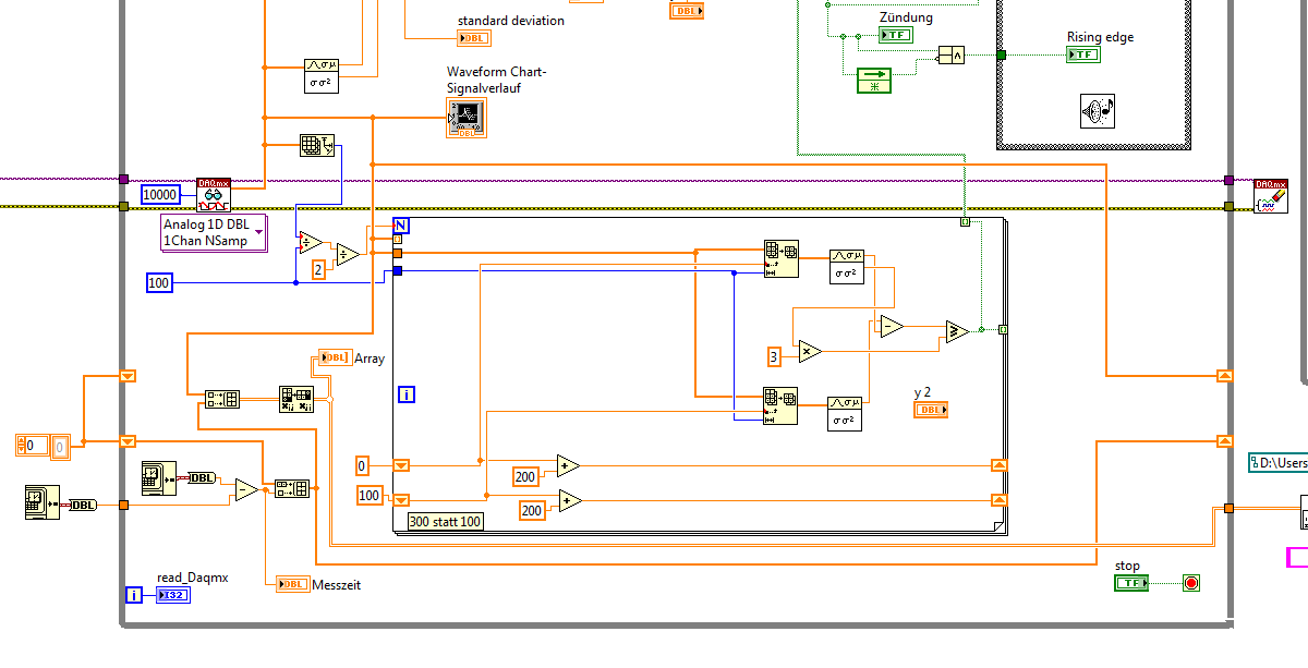
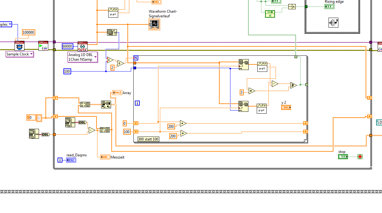
Nur diese einen DAtensatz? Welche andere Datensatz soll ich noch nehmen?

so wie im Bild gehts auch nicht...


Angehängte Datei(en) Thumbnail(s)
   
Alle Beiträge dieses Benutzers finden
Diese Nachricht in einer Antwort zitieren to top
22.11.2013, 17:41
Beitrag #8

jg Offline
CLA & CLED
LVF-Team

Beiträge: 15.864
Registriert seit: Jun 2005

20xx / 8.x
1999
EN

Franken...
Deutschland
RE: Messwerte in die Datei
(22.11.2013 17:02 )rc schrieb:  Nur diese einen DAtensatz? Welche andere Datensatz soll ich noch nehmen?
Woher sollen wir wissen, welche und wie viele Daten du speichern willst? Glas2
Gruß, Jens

Wer die erhabene Weisheit der Mathematik tadelt, nährt sich von Verwirrung. (Leonardo da Vinci)

!! BITTE !! stellt mir keine Fragen über PM, dafür ist das Forum da - andere haben vielleicht auch Interesse an der Antwort!

Einführende Links zu LabVIEW, s. GerdWs Signatur.
Alle Beiträge dieses Benutzers finden
Diese Nachricht in einer Antwort zitieren to top
22.11.2013, 17:53
Beitrag #9

rc Offline
LVF-Gelegenheitsschreiber
**


Beiträge: 149
Registriert seit: Jul 2013

2011, 2012
-
DE_EN


Deutschland
RE: Messwerte in die Datei
Hallo Jens,

ich versuche so viele Daten zu speichern so wie lange die Messung geht. Also ich habe versucht DAQmx read aus der While Schleife raus dann so in die erste Schiebe Register aber das geht auch nicht. Ich messe die ganze Zeit aber keine vernünftige Werte bekomme ich raus. Ich checke einfach nicht mehr. orry aber was meinst du als 1X Daqmx? Ich bekomme doch alle Werte aus DAQmx
Alle Beiträge dieses Benutzers finden
Diese Nachricht in einer Antwort zitieren to top
22.11.2013, 18:02
Beitrag #10

Trinitatis Offline
LVF-Guru
*****


Beiträge: 1.694
Registriert seit: May 2008

7.1 / 8.0 /2014-1, 18
2002
DE

18055
Deutschland
RE: Messwerte in die Datei
Hallo rc,

du liest pro Schleifendurchlauf EINEN Datensatz aus und überschreibst diesen dann beim nächsten Schleifendurchlauf.
Erst wenn die Schleife beendet wird, übergibst du den letzten Datensatz über den Schleifenausgangstunnel, der nicht auf autoindiziert steht und speicherst ebennur diesen letzten Datensatz.

Die Zeitmessung findet innerhalb deiner Schleife irgendwann statt - man kann aber nicht vorhersagen, wann, da du keine Datenabhängigkeit geschaffen hast.

Also Speicher die Daten in der Schleife in einer Datei und hänge die neuen Daten hinten an, oder sammle die Daten in der Schleife und speicher den ganzen Sums nach Beenden der Schleife.



Gruß, marko
Alle Beiträge dieses Benutzers finden
Diese Nachricht in einer Antwort zitieren to top
30
Antwort schreiben 


Möglicherweise verwandte Themen...
Themen Verfasser Antworten Views Letzter Beitrag
  Messwerte aus UM232H (USB) jede ms in TDMS Datei schreiben BenBaeumker 19 12.460 23.07.2021 10:55
Letzter Beitrag: GerdW
  Nur bestimmte Messwerte in Datei schreiben Olli169 6 6.015 16.08.2017 11:22
Letzter Beitrag: Olli169
  Messwerte in Datei schreiben antwort 2 5.428 12.12.2016 14:31
Letzter Beitrag: antwort
  Messwerte in Datei einmal speichern Marcy 4 5.761 02.09.2014 08:00
Letzter Beitrag: Marcy
  Speichern mit "Messwerte in Datei schreiben" cap 4 8.084 16.05.2013 09:43
Letzter Beitrag: Y-P
  Messwerte in Datei schreiben alle x.Sekungen marina_mk88 10 18.374 01.03.2010 13:24
Letzter Beitrag: marina_mk88

Gehe zu: