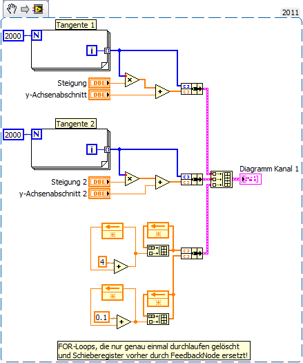
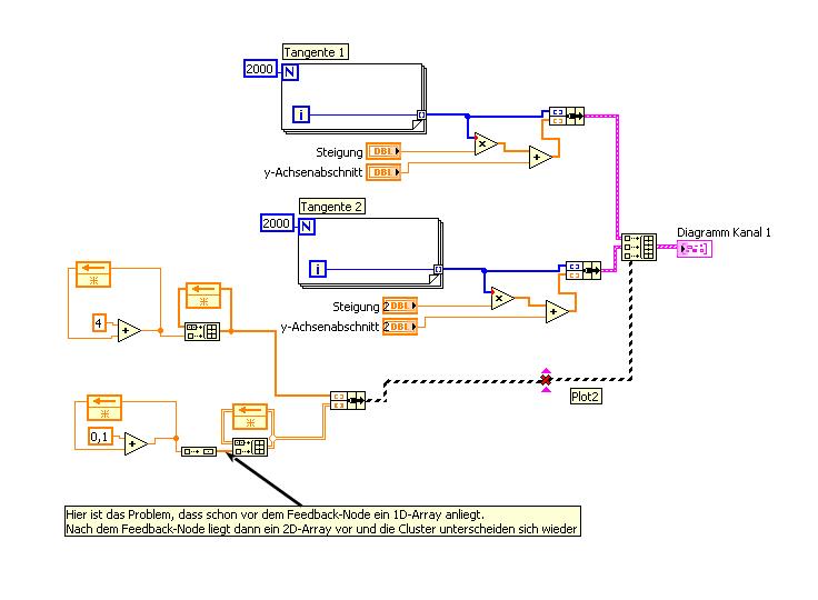
(14.03.2014 16:17 )GerdW schrieb: du musst alle 3 Plots auf die gleiche Weise erzeugen!
In deinem letzten Bild erzeugst du einen Plot, indem du Cluster mit Punktdaten (X/Y) zu einem Array zusammenfügst.
Die Tangenten vorher erzeugst du als Cluster aus X- und Y-Array.
Siehst du den Widerspruch?
Danke! Ich denke das habe ich soweit verstanden.
Ich habe jetzt schon sehr viel rumprobiert mit verschiedenen Strukturen etc. aber komme auf keinen Ansatz.
Führt man das angehängte VI wiederholt aus ("Wiederhols ausführen") bekomme ich keinen Graph sondern man sieht nur die einzelnen generierten Punkte im Diagramm (siehe auch im Bild). Ich weiß, THINK DATAFLOW

aber ich versteh es im Moment nicht.
Ist es außerdem möglich den XY-Graph bei vor Programmstart zu entleeren?
Gruß und Danke!