INFO: Dieses Forum nutzt Cookies...
Cookies sind für den Betrieb des Forums unverzichtbar. Mit der Nutzung des Forums erklärst Du dich damit einverstanden, dass wir Cookies verwenden.

Es wird in jedem Fall ein Cookie gesetzt um diesen Hinweis nicht mehr zu erhalten. Desweiteren setzen wir Google Adsense und Google Analytics ein.


Antwort schreiben 

XY Graphen / Datenformat-Problem



Wenn dein Problem oder deine Frage geklärt worden ist, markiere den Beitrag als "Lösung",
indem du auf den "Lösung" Button rechts unter dem entsprechenden Beitrag klickst. Vielen Dank!

14.03.2014, 09:43 (Dieser Beitrag wurde zuletzt bearbeitet: 14.03.2014 09:57 von jg.)
Beitrag #1

redhand Offline
LVF-Gelegenheitsschreiber
**


Beiträge: 112
Registriert seit: Sep 2013

2013
2013
DE


Deutschland
XY Graphen / Datenformat-Problem
Hallo,
ich hänge mich hier mal an das Thema "XY Graphen darstellen an".

Dabei habe ich folgendes Problem.
Ich möchte einen XY-Graph als Multiplot haben. Wenn ich mich am Beispiel "XY-Graph.vi" und der Kontexthilfe orientiere sieht mein Aufbau wie im Bild unten aus.

Was mich verwirrt ist die Fehlerbeschreibung: "Sie haben zwei Anschlüsse unterschiedlichen Typs miteinander verbunden"
Dabei ist der Typ der Datenquelle und Datensenke gleich! Was ist in diesem Fall der Fehler?

Vielen Dank und Gruß


Angehängte Datei(en) Thumbnail(s)
   
Alle Beiträge dieses Benutzers finden
Diese Nachricht in einer Antwort zitieren to top
Anzeige
14.03.2014, 09:55 (Dieser Beitrag wurde zuletzt bearbeitet: 14.03.2014 09:57 von jg.)
Beitrag #2

jg Offline
CLA & CLED
LVF-Team

Beiträge: 15.864
Registriert seit: Jun 2005

20xx / 8.x
1999
EN

Franken...
Deutschland
RE: XY Graphen Darstellen
Der Datentyp eines XY-Graph kann aber nicht 1D-Array of Cluster of [Numeric, 1D-Array] sein!

Gruß, Jens

EDIT: Thema geteilt!

Wer die erhabene Weisheit der Mathematik tadelt, nährt sich von Verwirrung. (Leonardo da Vinci)

!! BITTE !! stellt mir keine Fragen über PM, dafür ist das Forum da - andere haben vielleicht auch Interesse an der Antwort!

Einführende Links zu LabVIEW, s. GerdWs Signatur.
Alle Beiträge dieses Benutzers finden
Diese Nachricht in einer Antwort zitieren to top
14.03.2014, 10:06
Beitrag #3

redhand Offline
LVF-Gelegenheitsschreiber
**


Beiträge: 112
Registriert seit: Sep 2013

2013
2013
DE


Deutschland
RE: XY Graphen / Datenformat-Problem
Ich möchte einen zweiten Graphen später im Programm einfügen.
Dazu möchte ich den XYGraph(Multiplot) an einer anderen Stelle als lokale Variable einfügen. Dort möchte ich dann eine zweite Kurve im Diagramm einfügen. Also brauche ich einen Multiplot.

Kann man einen Multiplot erzeugen und erstmal nur eine Kurve einzeichnen?
Alle Beiträge dieses Benutzers finden
Diese Nachricht in einer Antwort zitieren to top
14.03.2014, 10:09
Beitrag #4

jg Offline
CLA & CLED
LVF-Team

Beiträge: 15.864
Registriert seit: Jun 2005

20xx / 8.x
1999
EN

Franken...
Deutschland
RE: XY Graphen / Datenformat-Problem
Jein. Der Datentyp am Terminal (nicht an der lokalen Variable) des XY-Graph muss passen, muss also schon ein Array of Plot sein. Aber was hindert dich daran, erst einmal nur ein Array mit nur 1 Plot zu nehmen. Später an der anderen Stelle fügst du einen weiteren Plot hinzu.

Gruß, Jens

P.S.: Ist deine Einstiegsfrage geklärt?

Wer die erhabene Weisheit der Mathematik tadelt, nährt sich von Verwirrung. (Leonardo da Vinci)

!! BITTE !! stellt mir keine Fragen über PM, dafür ist das Forum da - andere haben vielleicht auch Interesse an der Antwort!

Einführende Links zu LabVIEW, s. GerdWs Signatur.
Alle Beiträge dieses Benutzers finden
Diese Nachricht in einer Antwort zitieren to top
14.03.2014, 10:57
Beitrag #5

redhand Offline
LVF-Gelegenheitsschreiber
**


Beiträge: 112
Registriert seit: Sep 2013

2013
2013
DE


Deutschland
RE: XY Graphen / Datenformat-Problem
Danke für die schnelle Antwort.

Ich habe mal das VI angehängt. Hast du es in etwa so gemeint bezüglich deines letzten Eintrags?

Bei dem VI habe ich noch ein anderes Problem.
Ich möchte eine Kurve zeichnen lassen und anschließend "von Hand" eine Tangente eintragen.
Problem 1: Die gezeichnete Kurve im ersten Teil der Sequenz verschwindet wenn die Sequenz abgearbeitet ist.
Problem 2: Ich möchte je nach Kurvenverlauf in der ersten Sequenz eine Tangente eintragen.
Dabei soll sich die Tangente je nach Einstellung der Werte "live" im Diagramm verschieben (Geht das überhaupt?)

Ich hab schon viel herumprobiert mit verschiedenen Strukturen etc aber momentan -> Bahn

Anbei mal das VI

Grüße


Angehängte Datei(en) Thumbnail(s)
   

11.0 .vi  Tangente in XY Graph einzeichnen.vi (Größe: 16,36 KB / Downloads: 217)
Alle Beiträge dieses Benutzers finden
Diese Nachricht in einer Antwort zitieren to top
14.03.2014, 11:06 (Dieser Beitrag wurde zuletzt bearbeitet: 14.03.2014 11:07 von GerdW.)
Beitrag #6

GerdW Offline
______________
LVF-Team

Beiträge: 17.528
Registriert seit: May 2009

LV2019 (LV2021)
1995
DE_EN

10×××
Deutschland
RE: XY Graphen / Datenformat-Problem
Hallo redhand,

Zitat:Problem 1: Die gezeichnete Kurve im ersten Teil der Sequenz verschwindet wenn die Sequenz abgearbeitet ist.
THINK DATAFLOW!
Wenn du einen komplett neuen Datensatz (hier Tangente) in den Graph schreibst, sind die alten Daten natürlich weg.
Das Stichwort oben war doch "Plot hinzufügen"!

Zitat:Problem 2: Ich möchte je nach Kurvenverlauf in der ersten Sequenz eine Tangente eintragen.
Dabei soll sich die Tangente je nach Einstellung der Werte "live" im Diagramm verschieben (Geht das überhaupt?)
Ja, das geht:
   
Warum man dafür eine Sequenz benötigt, ist mir nicht klar…

Alle Beiträge dieses Benutzers finden
Diese Nachricht in einer Antwort zitieren to top
Anzeige
14.03.2014, 12:39
Beitrag #7

redhand Offline
LVF-Gelegenheitsschreiber
**


Beiträge: 112
Registriert seit: Sep 2013

2013
2013
DE


Deutschland
RE: XY Graphen / Datenformat-Problem
(14.03.2014 11:06 )GerdW schrieb:  Das Stichwort oben war doch Plot hinzufügen

Mache ich das nicht, sobald eine zweite Kurve durch den XY-Graph erstellt wird oder was ist damit gemeint?

Ich habe wohl noch deutliche Probleme im Verständnis beim Zusammenfügen unterschiedlicher Datenstränge (siehe Bild). Was heißt die Cluster stehen im Konflikt? Wie kann man das beheben?


Vielen Dank!
Grüße


Angehängte Datei(en) Thumbnail(s)
   
Alle Beiträge dieses Benutzers finden
Diese Nachricht in einer Antwort zitieren to top
14.03.2014, 12:45
Beitrag #8

GerdW Offline
______________
LVF-Team

Beiträge: 17.528
Registriert seit: May 2009

LV2019 (LV2021)
1995
DE_EN

10×××
Deutschland
RE: XY Graphen / Datenformat-Problem
Hallo redhand,

Zitat:Mache ich das nicht, sobald eine zweite Kurve durch den XY-Graph erstellt wird oder was ist damit gemeint?
In deinem vorigen VI hast du den XY-Graph überschrieben - einen neuen Plot hast du nicht zu den alten Daten hinzugefügt!

Zitat:Was heißt die Cluster stehen im Konflikt? Wie kann man das beheben?
Man kann das beheben, indem man passende Cluster zu einem Array zusammenfügt!

Deine oberen zwei Cluster bestehen aus jeweils 2 Arrays. Dein dritter Cluster unten besteht aus zwei skalaren Werten. Wieso stehen die wohl im Konflikt miteinander? Hmm

Alle Beiträge dieses Benutzers finden
Diese Nachricht in einer Antwort zitieren to top
14.03.2014, 12:45
Beitrag #9

jg Offline
CLA & CLED
LVF-Team

Beiträge: 15.864
Registriert seit: Jun 2005

20xx / 8.x
1999
EN

Franken...
Deutschland
RE: XY Graphen / Datenformat-Problem
Deine beiden erste Cluster bestehen aus 2 1D-Arrays.
Dein letzter Cluster aus 2 Numerics.

Erkennst du den Unterschied?

Gruß, Jens

Wer die erhabene Weisheit der Mathematik tadelt, nährt sich von Verwirrung. (Leonardo da Vinci)

!! BITTE !! stellt mir keine Fragen über PM, dafür ist das Forum da - andere haben vielleicht auch Interesse an der Antwort!

Einführende Links zu LabVIEW, s. GerdWs Signatur.
Alle Beiträge dieses Benutzers finden
Diese Nachricht in einer Antwort zitieren to top
14.03.2014, 15:48
Beitrag #10

redhand Offline
LVF-Gelegenheitsschreiber
**


Beiträge: 112
Registriert seit: Sep 2013

2013
2013
DE


Deutschland
RE: XY Graphen / Datenformat-Problem
(14.03.2014 12:45 )jg schrieb:  Deine beiden erste Cluster bestehen aus 2 1D-Arrays.
Dein letzter Cluster aus 2 Numerics.

Erkennst du den Unterschied?

Gruß, Jens

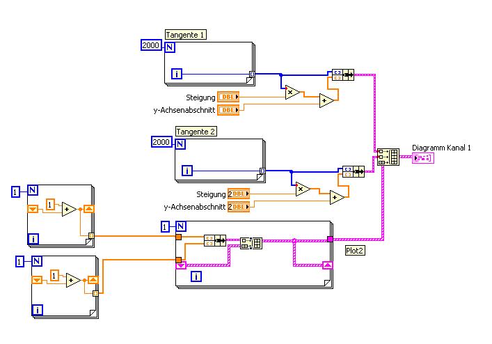
Den Unterschied habe ich erkannt. Danke!!

Anbei nochmal ein VI. Die Antwort wird als erstes THINK DATAFLOW sein Wink Ich versuch es auch, aber ich komm dabei grade auf keinen grünen Zweig.
Ich verstehe nicht, warum "Plot2" nur die einzelnen Punkte wiedergibt und trotz dem Schieberegister die Punkte der vorangegangenen Runde nicht aufzeichnet.
Sprich ich möchte, dass Plot 2 in Form einer Linie wiedergegeben wird.

Vielen Dank und Grüße


Angehängte Datei(en) Thumbnail(s)
   

13.0 .vi  XY-Graph.vi (Größe: 17,41 KB / Downloads: 225)
Alle Beiträge dieses Benutzers finden
Diese Nachricht in einer Antwort zitieren to top
30
Antwort schreiben 


Möglicherweise verwandte Themen...
Themen Verfasser Antworten Views Letzter Beitrag
  Problem mit Graphen plotten Peer 11 12.567 28.04.2011 09:38
Letzter Beitrag: Peer
  Problem: Zusammenführen fortlaufender XY-Graphen ismiregal 10 11.760 14.05.2009 09:58
Letzter Beitrag: ismiregal
  2 Graphen mit unterschiedlichem dt in einen Graphen unaimed 8 12.235 14.03.2005 14:45
Letzter Beitrag: unaimed

Gehe zu: