INFO: Dieses Forum nutzt Cookies...
Cookies sind für den Betrieb des Forums unverzichtbar. Mit der Nutzung des Forums erklärst Du dich damit einverstanden, dass wir Cookies verwenden.

Es wird in jedem Fall ein Cookie gesetzt um diesen Hinweis nicht mehr zu erhalten. Desweiteren setzen wir Google Adsense und Google Analytics ein.


Antwort schreiben 

Dieses Thema hat akzeptierte Lösungen:

Messwerte in die Datei



Wenn dein Problem oder deine Frage geklärt worden ist, markiere den Beitrag als "Lösung",
indem du auf den "Lösung" Button rechts unter dem entsprechenden Beitrag klickst. Vielen Dank!

26.11.2013, 17:47
Beitrag #31

jg Offline
CLA & CLED
LVF-Team

Beiträge: 15.864
Registriert seit: Jun 2005

20xx / 8.x
1999
EN

Franken...
Deutschland
RE: Messwerte in die Datei
Hast du verstanden, was ich in Beitrag #20 versucht habe, zu erklären? Wieso bei dir die Variante mit dem 2D-Array nicht das liefert, was du dir (vielleicht) erhoffst?

Das Speichern als Waveform funktioniert?! Dass du jetzt aber noch einen weiteren Wert, der nicht aus DAQmx kommt, speichern willst, das konnte ich zum Zeitpunkt meines Vorschlages ja nicht wissen.

Gruß, Jens

Wer die erhabene Weisheit der Mathematik tadelt, nährt sich von Verwirrung. (Leonardo da Vinci)

!! BITTE !! stellt mir keine Fragen über PM, dafür ist das Forum da - andere haben vielleicht auch Interesse an der Antwort!

Einführende Links zu LabVIEW, s. GerdWs Signatur.
Alle Beiträge dieses Benutzers finden
Diese Nachricht in einer Antwort zitieren to top
Anzeige
26.11.2013, 20:09
Beitrag #32

rc Offline
LVF-Gelegenheitsschreiber
**


Beiträge: 149
Registriert seit: Jul 2013

2011, 2012
-
DE_EN


Deutschland
RE: Messwerte in die Datei
Hallo Jens,

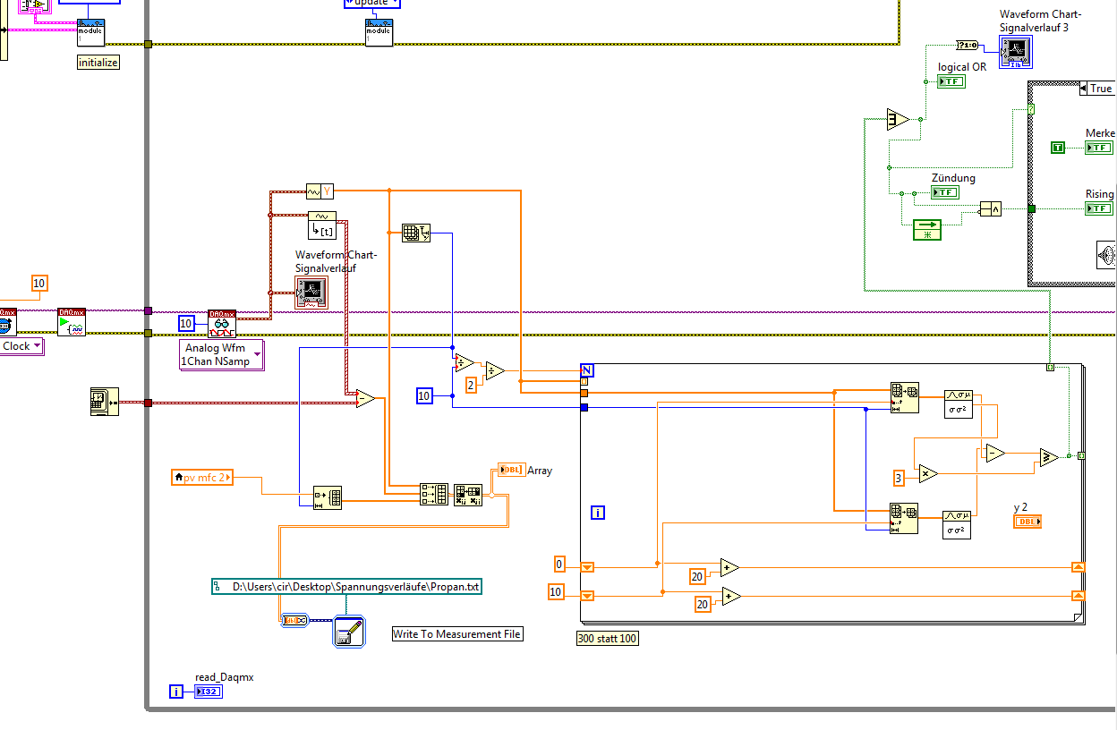
ja als Waveform funktioniert (so wie in jetzigem Programm wird die Spannung und Zeit gespeichert, Also erste Spalte Zeit und zweite die Spannung). Jetzt versuche ich zu diese Datei eine dritte Spalte für die Konzentration hinzuzufügen aber schaffe ich nicht. Gibt es dazu eine Möglichkeit oder muss ich in eine andere Datei gleiche Zeit ( zu den Spannungswerten vom DAQ gehörende Zeit) und die Konzentration zu speichern?

Viele Grüße


Angehängte Datei(en)
11.0 .vi  bronkhorst flowdde module sample.vi (Größe: 73,66 KB / Downloads: 248)
Alle Beiträge dieses Benutzers finden
Diese Nachricht in einer Antwort zitieren to top
26.11.2013, 20:42
Beitrag #33

GerdW Offline
______________
LVF-Team

Beiträge: 17.540
Registriert seit: May 2009

LV2019 (LV2021)
1995
DE_EN

10×××
Deutschland
RE: Messwerte in die Datei
Hallo rc,

ich sprach von "Datenmüll"...

Hast du dir deine Messdaten mal angeschaut? Es gilt immer noch, was Jens schon mehrfach zu erklären versucht hat...

Alle Beiträge dieses Benutzers finden
Diese Nachricht in einer Antwort zitieren to top
27.11.2013, 07:37
Beitrag #34

rc Offline
LVF-Gelegenheitsschreiber
**


Beiträge: 149
Registriert seit: Jul 2013

2011, 2012
-
DE_EN


Deutschland
RE: Messwerte in die Datei
Hallo Gerd,

im letzten angehängten Programm klappt es mit der Datenerfassung und Zeit. Ich bekomme pro Sekunde 10 Messwerte (je nach dem meine rate eingestellt ist und zur zeit bei 10) und dementsprechend die Zeit( von 0,... angefangen uns insgesammt zehn mal. Danach zweite 10er Messwertreihe und dementsprechend zehn mal Zeitangabe angefangen mit 1,..., danach nächste 10er Messwertreihe und dementspechend Zeitangabe angefangen mit 2,...) Was ist daran falsch?
Was im Beitrag 20# der Fall war, ist jetzt nicht mehr der Fall denke ich oder? Jetzt nur noch die Konzentration dazu was ich nicht schafffe.
Alle Beiträge dieses Benutzers finden
Diese Nachricht in einer Antwort zitieren to top
27.11.2013, 08:58
Beitrag #35

GerdW Offline
______________
LVF-Team

Beiträge: 17.540
Registriert seit: May 2009

LV2019 (LV2021)
1995
DE_EN

10×××
Deutschland
RE: Messwerte in die Datei
Hallo rc,

Zitat:Was im Beitrag 20# der Fall war, ist jetzt nicht mehr der Fall denke ich oder?
Echt, das denkst du?

Noch einmal (wie oft muss man dir das erläutern?):
Du hast 10 Samples deines Messwertes, genau einen PFC-Wert und genau eine Zeitangabe. Alles wird in ein 2D-Array mit knapp 50% Datenmüll zusammengefasst. Also wie in Beitrag #20 dargelegt wurde...

Alle Beiträge dieses Benutzers finden
Diese Nachricht in einer Antwort zitieren to top
27.11.2013, 09:04
Beitrag #36

rc Offline
LVF-Gelegenheitsschreiber
**


Beiträge: 149
Registriert seit: Jul 2013

2011, 2012
-
DE_EN


Deutschland
RE: Messwerte in die Datei
Hallo Gerd,

ok.ALso "write to measurement" und die Zeit Erzeugung "Get Date/Time in seconds" müssen weg und stattdessen TDMS direk im Anschluss an "Daqmx read". Verstehe ich wenigstens das richtig?
Alle Beiträge dieses Benutzers finden
Diese Nachricht in einer Antwort zitieren to top
Anzeige
27.11.2013, 09:09
Beitrag #37

GerdW Offline
______________
LVF-Team

Beiträge: 17.540
Registriert seit: May 2009

LV2019 (LV2021)
1995
DE_EN

10×××
Deutschland
RE: Messwerte in die Datei
Nein, du musst dir nur über den Aufbau deines 2D-Arrays im Klaren werden...

Alle Beiträge dieses Benutzers finden
Diese Nachricht in einer Antwort zitieren to top
27.11.2013, 09:22
Beitrag #38

rc Offline
LVF-Gelegenheitsschreiber
**


Beiträge: 149
Registriert seit: Jul 2013

2011, 2012
-
DE_EN


Deutschland
RE: Messwerte in die Datei
Hallo Gerd,

Danke! Das ist wenigstens was, wobei ich gerade gelesen habe TDMS wäre für echtzeitanwendungen besser aber naja sol lange es vernünftig funktioniert... Okay ich fasse drei 1D-arrays in eine 2D-Array mit 3 Spalten. Vielleicht sollte ich erste "Get Time/Seconds" einfach in die Schleife mitnehmen. Oder einfach dt von "Get waveform components" statt diese in die " Build array" ?
Alle Beiträge dieses Benutzers finden
Diese Nachricht in einer Antwort zitieren to top
27.11.2013, 09:31 (Dieser Beitrag wurde zuletzt bearbeitet: 27.11.2013 09:32 von GerdW.)
Beitrag #39

GerdW Offline
______________
LVF-Team

Beiträge: 17.540
Registriert seit: May 2009

LV2019 (LV2021)
1995
DE_EN

10×××
Deutschland
RE: Messwerte in die Datei
Hallo rc,

ist es denn wirklich so kompliziert zu kapieren, dass alle Spalten im 2D-Array die gleiche Anzahl Elemente enthalten sollen/müssen?
   

Alle Beiträge dieses Benutzers finden
Diese Nachricht in einer Antwort zitieren to top
27.11.2013, 10:18
Beitrag #40

rc Offline
LVF-Gelegenheitsschreiber
**


Beiträge: 149
Registriert seit: Jul 2013

2011, 2012
-
DE_EN


Deutschland
RE: Messwerte in die Datei
Hallo Gerd,

vielen herzlichen Dank! aber so sieht mein Text Datei jetzt aus.


Angehängte Datei(en) Thumbnail(s)
   

0.0 .txt  Propan.txt (Größe: 81,19 KB / Downloads: 250)
Alle Beiträge dieses Benutzers finden
Diese Nachricht in einer Antwort zitieren to top
Antwort schreiben 


Möglicherweise verwandte Themen...
Themen Verfasser Antworten Views Letzter Beitrag
  Messwerte aus UM232H (USB) jede ms in TDMS Datei schreiben BenBaeumker 19 14.069 23.07.2021 10:55
Letzter Beitrag: GerdW
  Nur bestimmte Messwerte in Datei schreiben Olli169 6 6.619 16.08.2017 11:22
Letzter Beitrag: Olli169
  Messwerte in Datei schreiben antwort 2 5.796 12.12.2016 14:31
Letzter Beitrag: antwort
  Messwerte in Datei einmal speichern Marcy 4 6.192 02.09.2014 08:00
Letzter Beitrag: Marcy
  Speichern mit "Messwerte in Datei schreiben" cap 4 8.502 16.05.2013 09:43
Letzter Beitrag: Y-P
  Messwerte in Datei schreiben alle x.Sekungen marina_mk88 10 19.179 01.03.2010 13:24
Letzter Beitrag: marina_mk88

Gehe zu: