INFO: Dieses Forum nutzt Cookies...
Cookies sind für den Betrieb des Forums unverzichtbar. Mit der Nutzung des Forums erklärst Du dich damit einverstanden, dass wir Cookies verwenden.

Es wird in jedem Fall ein Cookie gesetzt um diesen Hinweis nicht mehr zu erhalten. Desweiteren setzen wir Google Adsense und Google Analytics ein.


Antwort schreiben 

DAQMx kontinuierlich laufen lassen und Speicherung getakte nach Sekunden realsiern



Wenn dein Problem oder deine Frage geklärt worden ist, markiere den Beitrag als "Lösung",
indem du auf den "Lösung" Button rechts unter dem entsprechenden Beitrag klickst. Vielen Dank!

29.05.2007, 14:32
Beitrag #1

FlorianM Offline
LVF-Gelegenheitsschreiber
**


Beiträge: 112
Registriert seit: Mar 2007

8.0 8.2
-
kA

89073
Deutschland
DAQMx kontinuierlich laufen lassen und Speicherung getakte nach Sekunden realsiern
Hallo zusammen !

Ich habe im Anhang ein ähnliches Bespiel wie mein Problem ist.

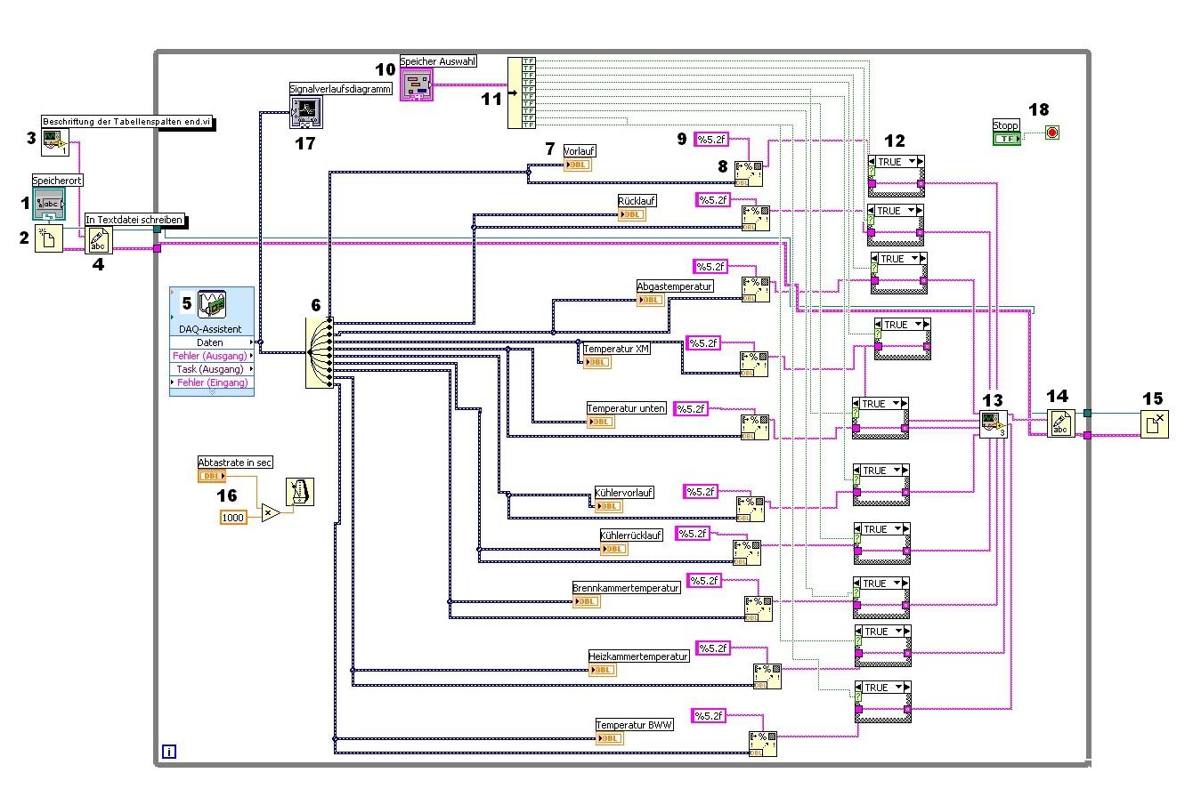
Ich möchte gerne innerhalb der While-Schleife das Diagramm sowie die Speicherung alle nSekunden mit Daten füttern. Außerhalb der Whileschleife möchte ich die Daten kontinuierlich im Anzeigeelement anzeigen lassen, was im angehängten Beispiel zwar nicht sinnvoll ist aber in meinem Fall der DAQMx relevant ist.

Mein konkretes Problem (siehe Bild):

Über den DAQMx Assistenten werden Temps ausgelesen. Diese möchte ich alle n Sekunden abspeichern und kontinuierlich in einem Anlagenschema darstellen, damit man sieht wie sich die Temps verändern.

Wäre sehr nett von euch wenn ihr mir dabei helfen könnetet, zumindest mal in dem Beispiel das zu realisieren was ich beschrieben habe.

Vielen Dank im Voraus !

Euer FlorianM


Angehängte Datei(en) Thumbnail(s)
   

Sonstige .vi  Speicher_zu_aktuell.vi (Größe: 51,53 KB / Downloads: 280)
Alle Beiträge dieses Benutzers finden
Diese Nachricht in einer Antwort zitieren to top
Anzeige
30.05.2007, 09:45 (Dieser Beitrag wurde zuletzt bearbeitet: 30.05.2007 10:52 von FlorianM.)
Beitrag #2

FlorianM Offline
LVF-Gelegenheitsschreiber
**


Beiträge: 112
Registriert seit: Mar 2007

8.0 8.2
-
kA

89073
Deutschland
DAQMx kontinuierlich laufen lassen und Speicherung getakte nach Sekunden realsiern
Es wäre echt nett, wenn mir jemand einen Tipp geben könnte !!!
Wenn jemand es nicht verstehen sollte, dann bitte nachfragen. !!!
Alle Beiträge dieses Benutzers finden
Diese Nachricht in einer Antwort zitieren to top
30.05.2007, 11:04 (Dieser Beitrag wurde zuletzt bearbeitet: 30.05.2007 11:05 von canix.)
Beitrag #3

canix Offline
LVF-Gelegenheitsschreiber
**


Beiträge: 87
Registriert seit: Mar 2007

Labview8.2 / Studnik-Version 8.0.1
2007
kA

44807
Deutschland
DAQMx kontinuierlich laufen lassen und Speicherung getakte nach Sekunden realsiern
' schrieb:Es wäre echt nett, wenn mir jemand einen Tipp geben könnte !!!
Wenn jemand es nicht verstehen sollte, dann bitte nachfragen. !!!

Hier ein vereinfachtes Beispiel, wie ich es in meinem Messprogramm mache:
   

Funktioniert bei mir sehr gut, auch wochenlanges loggen ergab keine Abweichung von meinen Zeit-Vorgaben.
Wichtig ist natürlich, daß man sich auf die Schleifenzykluszeit der Main verlassen kann!

Es gibt selbstverständlichh auch andere Möglichkeiten mit Timern und Zeit-Differenzen zu arbeiten.

Gruß
Jens

Hinweis: Meine Lösungsvorschläge sind immer mit Vorsicht zu geniessen! Es gibt vermutlich wesentlich elegantere Ansätze. Ich poste dennoch, da ich mir auf diese Weise das entsprechende Feedback erhoffe!
Alle Beiträge dieses Benutzers finden
Diese Nachricht in einer Antwort zitieren to top
30.05.2007, 11:38
Beitrag #4

jg Offline
CLA & CLED
LVF-Team

Beiträge: 15.864
Registriert seit: Jun 2005

20xx / 8.x
1999
EN

Franken...
Deutschland
DAQMx kontinuierlich laufen lassen und Speicherung getakte nach Sekunden realsiern
Hallo, Florian,

es ist ja schon bei anderen Fragen von dir angesprochen worden, aber immer nur fragen: "Hilfe, könnt ihr mir ein fertiges VI posten!" (zumindest so sinngemäß), bringt bei den meisten nur ein müdes Schulterzucken.

Wenn ich mir das BD deines VI's anschaue:
   

da habe ich momentan keine Lust, was zu machen. Ich sehe weiterhin keine großen Fortschritte bei dir, und DAQmx Assi verwenden ohne sich dann die erzeugten VI's anzuschauen, dass sollte verboten werden.

Die aktiven Mitglieder machen das hier nebenbei in ihrer Freizeit, aber ich persönlich und sicher auch einige andere sind nicht bereit, dir deine Studienarbeit in allen Details vorzukauen.

Sorry, aber so isses halt.

MfG, Jens

Wer die erhabene Weisheit der Mathematik tadelt, nährt sich von Verwirrung. (Leonardo da Vinci)

!! BITTE !! stellt mir keine Fragen über PM, dafür ist das Forum da - andere haben vielleicht auch Interesse an der Antwort!

Einführende Links zu LabVIEW, s. GerdWs Signatur.
Alle Beiträge dieses Benutzers finden
Diese Nachricht in einer Antwort zitieren to top
30.05.2007, 14:43
Beitrag #5

FlorianM Offline
LVF-Gelegenheitsschreiber
**


Beiträge: 112
Registriert seit: Mar 2007

8.0 8.2
-
kA

89073
Deutschland
DAQMx kontinuierlich laufen lassen und Speicherung getakte nach Sekunden realsiern
' schrieb:Sorry, aber so isses halt.

Okay Sorry Jens, das war echt unverschämt von mir. Hab jetzt mein Beispiel besser ausgebaut.

Ich möchte nur eines jetzt noch, dass ich die Anzeigeelemente Sinus und Rechteck unabhängig der Taktung der Speicherung dagestellt werden, d.h. dass die ständig hin und her laufen, um nacher dann in meiner Studienarbeit die DAQMx assi kontinuierlich auslesen lassen kann um evtl. Veränderungen an den Temps zu sehen.
Ich habe in dem Beispiel die "Signale simulieren"-Funktion als DAQMx assi angesehen, wenn ich das machen bzw vergleichen kann.

Wäre nett wenn ich trotz alle dem eine Antort darauf bekäme.


Angehängte Datei(en)
Sonstige .vi  Speicher_zu_aktuell.vi (Größe: 97,04 KB / Downloads: 253)
Alle Beiträge dieses Benutzers finden
Diese Nachricht in einer Antwort zitieren to top
31.05.2007, 08:37
Beitrag #6

FlorianM Offline
LVF-Gelegenheitsschreiber
**


Beiträge: 112
Registriert seit: Mar 2007

8.0 8.2
-
kA

89073
Deutschland
DAQMx kontinuierlich laufen lassen und Speicherung getakte nach Sekunden realsiern
Wollte nur mal sagen, das letzte gepostete VI ist so in dem Zustand wi ich es haben will, nur möchte ich bei dem VI, dass die Anzeigeelemente kontinuierlich aktualisiert werden und die Speicherung und das Diagramm alle n Sekunden.

Das VI läuft übrigens ;-)
Alle Beiträge dieses Benutzers finden
Diese Nachricht in einer Antwort zitieren to top
Anzeige
31.05.2007, 11:14 (Dieser Beitrag wurde zuletzt bearbeitet: 31.05.2007 11:16 von Achim.)
Beitrag #7

Achim Offline
*****
*****


Beiträge: 4.226
Registriert seit: Nov 2005

20xx
2000
EN

978xx
Deutschland
DAQMx kontinuierlich laufen lassen und Speicherung getakte nach Sekunden realsiern
Guckst du hier...



Sonstige .vi  Speicher_zu_aktuell_NeuerVersuch.vi (Größe: 96,97 KB / Downloads: 348)



Noch ein paar Tips:

1. Lass dir die Controls/Indicators im BD nicht als Icons anzeigen (rechtsklick...deaktiviere "View as Icon"), dann sparst du wahnsinnig Platz
2. Mach gerade Linien! BITTE!

Achim

EDIT: Von canix' Variante der Zeitberechnung halte ich nicht so viel, weil er mit der festen Zeit der Schleife rechnet...aber keiner kann garantieren, dass die wirklich immre gleich lang ist...auch ein wochenlanges Loggen ist kein Beweis! Außerdem funktioniert es bei dir ja nicht, weil du damit alles ausbremst...

"Is there some mightier sage, of whom we have yet to learn?"

"Opportunity is missed by most people because it is dressed in overalls and looks like work." (Thomas Edison)
Alle Beiträge dieses Benutzers finden
Diese Nachricht in einer Antwort zitieren to top
31.05.2007, 12:21
Beitrag #8

FlorianM Offline
LVF-Gelegenheitsschreiber
**


Beiträge: 112
Registriert seit: Mar 2007

8.0 8.2
-
kA

89073
Deutschland
DAQMx kontinuierlich laufen lassen und Speicherung getakte nach Sekunden realsiern
' schrieb:Guckst du hier...
[attachment=33592:Speicher...rVersuch.vi]
Noch ein paar Tips:

1. Lass dir die Controls/Indicators im BD nicht als Icons anzeigen (rechtsklick...deaktiviere "View as Icon"), dann sparst du wahnsinnig Platz
2. Mach gerade Linien! BITTE!

Achim

EDIT: Von canix' Variante der Zeitberechnung halte ich nicht so viel, weil er mit der festen Zeit der Schleife rechnet...aber keiner kann garantieren, dass die wirklich immre gleich lang ist...auch ein wochenlanges Loggen ist kein Beweis! Außerdem funktioniert es bei dir ja nicht, weil du damit alles ausbremst...

Wow toll Achim vielen vielen Dank !!!!!!!!!!!!!!!!!!!!!!!!!!!!!!!!!!!!!!!!!!

Du hast mir sehr weitergeholfen !!!!!

Lg
FlorianM
Alle Beiträge dieses Benutzers finden
Diese Nachricht in einer Antwort zitieren to top
31.05.2007, 16:39 (Dieser Beitrag wurde zuletzt bearbeitet: 31.05.2007 17:43 von canix.)
Beitrag #9

canix Offline
LVF-Gelegenheitsschreiber
**


Beiträge: 87
Registriert seit: Mar 2007

Labview8.2 / Studnik-Version 8.0.1
2007
kA

44807
Deutschland
DAQMx kontinuierlich laufen lassen und Speicherung getakte nach Sekunden realsiern
' schrieb:EDIT: Von canix' Variante der Zeitberechnung halte ich nicht so viel, weil er mit der festen Zeit der Schleife rechnet...aber keiner kann garantieren, dass die wirklich immre gleich lang ist...auch ein wochenlanges Loggen ist kein Beweis! Außerdem funktioniert es bei dir ja nicht, weil du damit alles ausbremst...

Jaa endlich! An anderer Stelle habe ich genau zu dem Thema mal eine Diskussion anregen wollen. Damals hatte sich Eugen geäußert, dem es nicht negativ aufgestossen ist.
Ich weiß zwar, daß meine Variante sich auf den ersten Blick nicht ganz unproblematisch darstellt. Allerdings bin ich der Meinung, daß es eine Option ist, die man durchaus in Erwägung ziehen kann, wenn man sauber programmiert (also keine unbegrenzt dynamischen Sachen passieren und die Schleifenzeit konstant ist) und Rechner und Betriebssystem stabil laufen.

Die Variante mit der Zeitdifferenzbildung hatte ich in meinem Messprogramm zum Vergleich mehrere Tage laufen lassen. Dabei habe ich festgestellt, daß die Abstände zwischen 2 Meßwerten viel stärker streuen, als bei der Modulo-Variante.

Vielleicht bringt mich jetzt ja endlich mal irgendwer von meiner Meinung ab;-)

Sonstige .zip  Beispiel.zip (Größe: 90,61 KB / Downloads: 309)


Gruß
Jens

Hinweis: Meine Lösungsvorschläge sind immer mit Vorsicht zu geniessen! Es gibt vermutlich wesentlich elegantere Ansätze. Ich poste dennoch, da ich mir auf diese Weise das entsprechende Feedback erhoffe!
Alle Beiträge dieses Benutzers finden
Diese Nachricht in einer Antwort zitieren to top
31.05.2007, 21:23
Beitrag #10

FlorianM Offline
LVF-Gelegenheitsschreiber
**


Beiträge: 112
Registriert seit: Mar 2007

8.0 8.2
-
kA

89073
Deutschland
DAQMx kontinuierlich laufen lassen und Speicherung getakte nach Sekunden realsiern
' schrieb:Jaa endlich! An anderer Stelle habe ich genau zu dem Thema mal eine Diskussion anregen wollen. Damals hatte sich Eugen geäußert, dem es nicht negativ aufgestossen ist.
Ich weiß zwar, daß meine Variante sich auf den ersten Blick nicht ganz unproblematisch darstellt. Allerdings bin ich der Meinung, daß es eine Option ist, die man durchaus in Erwägung ziehen kann, wenn man sauber programmiert (also keine unbegrenzt dynamischen Sachen passieren und die Schleifenzeit konstant ist) und Rechner und Betriebssystem stabil laufen.

Die Variante mit der Zeitdifferenzbildung hatte ich in meinem Messprogramm zum Vergleich mehrere Tage laufen lassen. Dabei habe ich festgestellt, daß die Abstände zwischen 2 Meßwerten viel stärker streuen, als bei der Modulo-Variante.

Vielleicht bringt mich jetzt ja endlich mal irgendwer von meiner Meinung ab;-)
[attachment=33602:Beispiel.zip]

Gruß
Jens

Vielen Dank Jens !

Werde mal die beiden Varianten testen, hab mich mal fürs erste für Achims Variante entschieden.
Alle Beiträge dieses Benutzers finden
Diese Nachricht in einer Antwort zitieren to top
Antwort schreiben 


Möglicherweise verwandte Themen...
Themen Verfasser Antworten Views Letzter Beitrag
  Fehler bei AO - kontinuierlich - ohne Neugenerierung t.hipp 10 11.497 12.02.2018 22:08
Letzter Beitrag: t.hipp
  kontinuierlich anpassbare Ausgabe VS_03 1 4.995 09.06.2016 12:58
Letzter Beitrag: VS_03
  Analogausgang kontinuierlich schreiben, während der Moes 7 10.614 18.12.2015 09:09
Letzter Beitrag: Moes
  DAQ-Anzeige in seperatem VI und Speicherung in TDMS Format m.werle 30 24.564 07.12.2015 12:47
Letzter Beitrag: m.werle
  Signal-Speicherung mit definierter Messdauer gifo 27 21.305 25.11.2015 14:03
Letzter Beitrag: gifo
  Druckmessung Verlauf in Sekunden cobain2004 8 9.067 10.07.2014 13:26
Letzter Beitrag: cobain2004

Gehe zu: