|
07.05.2007, 07:05
Beitrag #1
|
|
|
|
|
|
23.05.2007, 09:59
Beitrag #2
|
|
|
|
|
|
23.05.2007, 10:04
Beitrag #3
|
dc6xs
registered alien
   
Beiträge: 762
Registriert seit: Aug 2006
6.1,7.00
2006
kA
79106
Sonstige
|
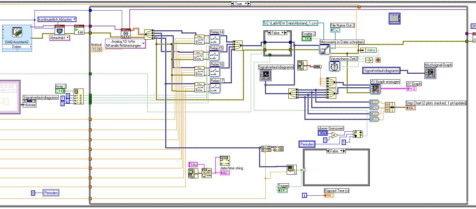
Signalabtastung mit 2kHz - Probleme bei der Darstellung!?
' schrieb:H,
...wär schön, wenn sich das mal einer angucken könnte.
Gruß
Sei doch so nett und häng mal screenshots von deinen VIs an..
Kann die nämlich mit LV 7.0 nit öffnen.
Bitte Beachten:
Die obenstehenden Texteile können unter Umständen Sarkasmus und Ironie enthalten, für nicht erkannten Sarkasmus oder nicht erkannte Ironie wird keine Haftung übernommen.
N.B.:
"Multiple exclamation marks, " he went on, shaking his head, "are a sure sign of a deseased mind." - Terry Pratchett
|
|
|
|
|
23.05.2007, 11:00
Beitrag #4
|
|
|
|
|
|
24.05.2007, 08:47
Beitrag #5
|
jg
CLA & CLED
Beiträge: 15.864
Registriert seit: Jun 2005
20xx / 8.x
1999
EN
Franken...
Deutschland
|
Signalabtastung mit 2kHz - Probleme bei der Darstellung!?
Hallo,
meine Empfehlung: Schmeiss das DAQ-Assistent VI raus und bau deine Datenerfassung ohne das auf. Wenn man das DAQ-Assi-VI nämlich wandelt, sieht man, dass sich da was beisst.
Für Beispiele zur kontinuierlichen Erfassung von Daten ergeht der Standard-Hinweis an die Beispiele im NI-Example Finder zur Datenerfassung mit DAQmx.
MfG, Jens
Wer die erhabene Weisheit der Mathematik tadelt, nährt sich von Verwirrung. (Leonardo da Vinci)
!! BITTE !! stellt mir keine Fragen über PM, dafür ist das Forum da - andere haben vielleicht auch Interesse an der Antwort!
Einführende Links zu LabVIEW, s. GerdWs Signatur.
|
|
|
|
|
24.05.2007, 09:51
Beitrag #6
|
|
|
|
|
|
25.05.2007, 09:54
Beitrag #7
|
|
|
|
|
25.05.2007, 09:57
(Dieser Beitrag wurde zuletzt bearbeitet: 25.05.2007 10:06 von eg.)
Beitrag #8
|
eg
LVF-SeniorMod
Beiträge: 3.868
Registriert seit: Nov 2005
2016
2003
kA
66111
Deutschland
|
Signalabtastung mit 2kHz - Probleme bei der Darstellung!?
Ich kann dir aber gleich sagen, dass du es nicht hinkriegen wirst, die Daten kontinuierlich mit jeder Abtastung anzuzeigen. Die Grafiken muss man ungefähr mit 10 Hz updaten. Reicht für menschliches Auge und belastet die CPU nicht zu stark. D.h. für dich - die Daten werden portionsweise (und nicht einzeln) dem XY Plot hinzugefügt.
Dieses Thema http://www.LabVIEWforum.de/index.php...ost&p=18803 hast du bestimmt schon gelesen?!
Ach ja, das gleiche gilt auch für die Abtastung. Du kannst die Daten nicht einzeln mit 2 KHz abtasten. Die Abtastung macht die HW für die SW, weil die SW wegen Windoof nicht fähig dazu ist so schnell abzutasten. D.h. die HW sammelt die Daten in einen Puffer und übergibt gleich ein Array mit Daten an die SW.
eg
P.S. ich habe zwar noch nie mit DAQ gearbeitet, aber weiss es theoretisch. Und übrigens hat nicht jeder LV 8.2, könntest du deine VIs auf LV 8.0 konvertieren? Danach weiss ich aber auch nicht, ob ich dir helfen kann, weil ich keine HW habe und wie gesagt eigentlich keine Ahnung von DAQ habe.
|
|
|
|
|
25.05.2007, 10:30
Beitrag #9
|
|
|
|
|
|
25.05.2007, 12:44
|
jg
CLA & CLED
Beiträge: 15.864
Registriert seit: Jun 2005
20xx / 8.x
1999
EN
Franken...
Deutschland
|
Signalabtastung mit 2kHz - Probleme bei der Darstellung!?
Zum Thema, was und welche Art von Daten man in einen XY-Graph "schieben" kann, empfehle ich:
NI-Example-Finder, dort Suchwort XY eingeben. Ein Beispiel zeigt genau, wie man mit dem XY-Graph umgeht.
MfG, Jens.
Wer die erhabene Weisheit der Mathematik tadelt, nährt sich von Verwirrung. (Leonardo da Vinci)
!! BITTE !! stellt mir keine Fragen über PM, dafür ist das Forum da - andere haben vielleicht auch Interesse an der Antwort!
Einführende Links zu LabVIEW, s. GerdWs Signatur.
|
|
|
|
| |