INFO: Dieses Forum nutzt Cookies...
Cookies sind für den Betrieb des Forums unverzichtbar. Mit der Nutzung des Forums erklärst Du dich damit einverstanden, dass wir Cookies verwenden.

Es wird in jedem Fall ein Cookie gesetzt um diesen Hinweis nicht mehr zu erhalten. Desweiteren setzen wir Google Adsense und Google Analytics ein.


Antwort schreiben 

allgemeines zu subvis



Wenn dein Problem oder deine Frage geklärt worden ist, markiere den Beitrag als "Lösung",
indem du auf den "Lösung" Button rechts unter dem entsprechenden Beitrag klickst. Vielen Dank!

06.02.2007, 16:31
Beitrag #1

maze Offline
LVF-Gelegenheitsschreiber
**


Beiträge: 85
Registriert seit: Sep 2006

8.0
2006
kA


Deutschland
allgemeines zu subvis
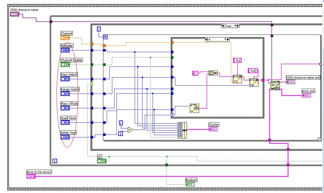
Hallo zusammen, nach einiger Zeit ohne Frage ist es jetzt wieder einmal soweit!

Und zwar habe ich ein subvi, welches sich in einer While-Schleife befindet. Ich habe dazu zwei Fragen:[list=1]
[*]Kann man durch zum Beispiel eine Case-Structure erreichen, dass das Subvi mal geöffnet wird und mal nicht?<>
[*]Ich möchte die Werte, die im bild rot markiert sind, an das Subvi übergeben, aber auch noch in der Lage sein, diese bei laufendem Subvi noch zu verändern.<>
[st]    

Sonstige .vi  fastscan1.vi (Größe: 46,71 KB / Downloads: 345)
Alle Beiträge dieses Benutzers finden
Diese Nachricht in einer Antwort zitieren to top
Anzeige
06.02.2007, 16:32
Beitrag #2

maze Offline
LVF-Gelegenheitsschreiber
**


Beiträge: 85
Registriert seit: Sep 2006

8.0
2006
kA


Deutschland
allgemeines zu subvis
ach ja, hoffe ihr könnt mir helfen und danke im Vorraus!
gruß maze
Alle Beiträge dieses Benutzers finden
Diese Nachricht in einer Antwort zitieren to top
06.02.2007, 16:48
Beitrag #3

Y-P Offline
☻ᴥᴥᴥ☻ᴥᴥᴥ☻
LVF-Team

Beiträge: 12.612
Registriert seit: Feb 2006

Developer Suite Core -> LabVIEW 2015 Prof.
2006
EN

71083
Deutschland
allgemeines zu subvis
Hallo,

1.) Dafür ist eine Case-Struktur ja da. Je nach, was Du vorne anlegst, wird ein anderer Case ausgeführt. Im einfachsten Fall machst Du einen Schalter hin. True=Ausführen, False=nicht ausführen.

2) Das geht, aber nur mit Queues, Notifiern,.... Ein Beispiel mit Notifiern (auch so ähnlich hier irgendwo im Forum) habe ich Dir mal angehängt. Da sieht man, wie die Werte vom HauptVI ins SubVI übergeben werden.

Gruß Markus

' schrieb:Hallo zusammen, nach einiger Zeit ohne Frage ist es jetzt wieder einmal soweit!

Und zwar habe ich ein subvi, welches sich in einer While-Schleife befindet. Ich habe dazu zwei Fragen:[list=1]
[*]Kann man durch zum Beispiel eine Case-Structure erreichen, dass das Subvi mal geöffnet wird und mal nicht?
[*]Ich möchte die Werte, die im bild rot markiert sind, an das Subvi übergeben, aber auch noch in der Lage sein, diese bei laufendem Subvi noch zu verändern.


Angehängte Datei(en)
Sonstige .vi  Sub.vi (Größe: 8,91 KB / Downloads: 405)

Sonstige .vi  Main.vi (Größe: 11,11 KB / Downloads: 448)

--------------------------------------------------------------------------
Bitte stellt mir keine Fragen über PM, dafür ist das Forum da - andere haben vielleicht auch Interesse an der Antwort !!
--------------------------------------------------------------------------
Alle Beiträge dieses Benutzers finden
Diese Nachricht in einer Antwort zitieren to top
06.02.2007, 16:56
Beitrag #4

eg Offline
LVF-SeniorMod


Beiträge: 3.868
Registriert seit: Nov 2005

2016
2003
kA

66111
Deutschland
allgemeines zu subvis
Hallo, probiere mal diese zwei VIs. Main VI öffnet das Fenster des SubVIs und in dem SubVI werden die Daten angezeigt.

Gruss, Eugen

p.s. wenn es nicht läuft, dann Rechtsklick auf die Referenz im BD des Main.vi und dann Browse ud SubVI auswählen.


Angehängte Datei(en)
Sonstige .vi  Main.vi (Größe: 11,69 KB / Downloads: 421)

Sonstige .vi  SubVI.vi (Größe: 9,86 KB / Downloads: 371)

Webseite des Benutzers besuchen Alle Beiträge dieses Benutzers finden
Diese Nachricht in einer Antwort zitieren to top
06.02.2007, 16:59
Beitrag #5

eg Offline
LVF-SeniorMod


Beiträge: 3.868
Registriert seit: Nov 2005

2016
2003
kA

66111
Deutschland
allgemeines zu subvis
' schrieb:Hallo,

1.) Dafür ist eine Case-Struktur ja da. Je nach, was Du vorne anlegst, wird ein anderer Case ausgeführt. Im einfachsten Fall machst Du einen Schalter hin. True=Ausführen, False=nicht ausführen.

2) Das geht, aber nur mit Queues, Notifiern,.... Ein Beispiel mit Notifiern (auch so ähnlich hier irgendwo im Forum) habe ich Dir mal angehängt. Da sieht man, wie die Werte vom HauptVI ins SubVI übergeben werden.

Gruß Markus


Ach, du warst schneller. Du hast übrigens vergessen deine Anzeige im Main.vi zu verbinden. Ist aber nicht so wichtig.

Gruss, Eugen

Webseite des Benutzers besuchen Alle Beiträge dieses Benutzers finden
Diese Nachricht in einer Antwort zitieren to top
06.02.2007, 17:18
Beitrag #6

maze Offline
LVF-Gelegenheitsschreiber
**


Beiträge: 85
Registriert seit: Sep 2006

8.0
2006
kA


Deutschland
allgemeines zu subvis
hallo, danke für die antwort.
bei 1. habe ich mich bescheurt ausgedrückt. ich meinte nicht öffnen, sondern 'Frontpanel öffnen', so dass man mal die Möglichkeit hat Werte zu verändern und mal nicht, je nachdem was in der casestructure vorher entschieden wird.

Von Notifiern habe ich nicht die geringste Ahnung bisher und weiss auch nicht genau, was dein Beispiel mir veranschaulichen soll.

Um das ganze Problem nocheinmal zu konkrtisieren:

Ich möchte die Werte, die in obigen Bild rot umrandet sind an das subvi übergeben. Je nachdem was die case-structure sagt, soll das Frontpanel des subvi geöffnet werden, so dass man die Werte bei bedarf nocheinmal verändern kann, oder das subvi soll ungeöffnet ausgführt werden.

Unabhängig davon, ob das Frontpanel nun geöffnet wurde oder nicht, soll für den nächsten Schleifendurchlauf der Cluster am Ausgang des subvis wieder an den eingang angelegt werden.

Ich hoffe ich drück mich nicht allzu umständlich aus.
thx und gruß
maze
Alle Beiträge dieses Benutzers finden
Diese Nachricht in einer Antwort zitieren to top
Anzeige
06.02.2007, 17:34
Beitrag #7

Y-P Offline
☻ᴥᴥᴥ☻ᴥᴥᴥ☻
LVF-Team

Beiträge: 12.612
Registriert seit: Feb 2006

Developer Suite Core -> LabVIEW 2015 Prof.
2006
EN

71083
Deutschland
allgemeines zu subvis
Das mit dem FP geht so wie im Anhang.

Bei den Notifiern nimmst Du statt dem Schleifenzähler einfach das Control Deines Elements, das Du ändern willst.

Gruß Markus


Angehängte Datei(en)
Sonstige .vi  Main.vi (Größe: 9,89 KB / Downloads: 410)

Sonstige .vi  SubVI.vi (Größe: 9,89 KB / Downloads: 370)

--------------------------------------------------------------------------
Bitte stellt mir keine Fragen über PM, dafür ist das Forum da - andere haben vielleicht auch Interesse an der Antwort !!
--------------------------------------------------------------------------
Alle Beiträge dieses Benutzers finden
Diese Nachricht in einer Antwort zitieren to top
17.05.2007, 20:24
Beitrag #8

Y-P Offline
☻ᴥᴥᴥ☻ᴥᴥᴥ☻
LVF-Team

Beiträge: 12.612
Registriert seit: Feb 2006

Developer Suite Core -> LabVIEW 2015 Prof.
2006
EN

71083
Deutschland
allgemeines zu subvis
Hab gerade mal wieder ein bisschen mit dem dynamischen Aufruf von SubVIs ( call by reference ) und dem Öffnen des Frontpanels mit anschließendem Ausführen der VIs rumgespielt und lade jetzt einfach mal hier die kleinen Beispiele hoch, falls es jemand interessiert.

Gruß Markus


Angehängte Datei(en)
Sonstige .zip  Call_by_reference.zip (Größe: 19,77 KB / Downloads: 453)

Sonstige .zip  FP_open.zip (Größe: 12,18 KB / Downloads: 453)

--------------------------------------------------------------------------
Bitte stellt mir keine Fragen über PM, dafür ist das Forum da - andere haben vielleicht auch Interesse an der Antwort !!
--------------------------------------------------------------------------
Alle Beiträge dieses Benutzers finden
Diese Nachricht in einer Antwort zitieren to top
Antwort schreiben 


Möglicherweise verwandte Themen...
Themen Verfasser Antworten Views Letzter Beitrag
  Ein allgemeines Muster in einem Array suchen micheljoel2002 10 12.379 24.09.2010 18:39
Letzter Beitrag: jg
  Allgemeines Vorgehen zum Erstellen von SubVIs Matze 3 5.519 04.09.2010 10:31
Letzter Beitrag: IchSelbst

Gehe zu: