INFO: Dieses Forum nutzt Cookies...
Cookies sind für den Betrieb des Forums unverzichtbar. Mit der Nutzung des Forums erklärst Du dich damit einverstanden, dass wir Cookies verwenden.

Es wird in jedem Fall ein Cookie gesetzt um diesen Hinweis nicht mehr zu erhalten. Desweiteren setzen wir Google Adsense und Google Analytics ein.


Antwort schreiben 

Eigenschaftsknoten / DAQmx Kanäle skalieren



Wenn dein Problem oder deine Frage geklärt worden ist, markiere den Beitrag als "Lösung",
indem du auf den "Lösung" Button rechts unter dem entsprechenden Beitrag klickst. Vielen Dank!

16.01.2007, 10:24
Beitrag #1

rene Offline
LVF-Gelegenheitsschreiber
**


Beiträge: 144
Registriert seit: Sep 2006

8.2
2006
kA


Deutschland
Eigenschaftsknoten / DAQmx Kanäle skalieren
Hallo,

Ich habe einen Task mit 2 Kanälen.für einen von den beiden MEsskanälen möchte ich die Verstärkung ändern. Dazu habe ich einen Eigenschaftsknoten auf AI.gain gesetzt. Jetzt kommt logischerweise die Fehlermeldung das er nicht weiß für welchen Kanal er die Verstärkung ändern soll.
Wie wähle ich den Kanal aus???

Danke!

Grüße

Rene
Alle Beiträge dieses Benutzers finden
Diese Nachricht in einer Antwort zitieren to top
Anzeige
18.01.2007, 10:42
Beitrag #2

A.Berndsen Offline
LVF-Team
LVF-Team

Beiträge: 2.437
Registriert seit: Feb 2005

8.2.1 - 2011
2004
DE

724xx
Deutschland
Eigenschaftsknoten / DAQmx Kanäle skalieren
Hallo Rene,

poste doch bitte das VI, oder den relevanten Teil.

Gruß
Andreas

Geht nicht, gibts nicht!
Alle Beiträge dieses Benutzers finden
Diese Nachricht in einer Antwort zitieren to top
22.01.2007, 15:27
Beitrag #3

rene Offline
LVF-Gelegenheitsschreiber
**


Beiträge: 144
Registriert seit: Sep 2006

8.2
2006
kA


Deutschland
Eigenschaftsknoten / DAQmx Kanäle skalieren
Hier ist ein vi als V8.0. Der relevante Teil befindet sich in dem Sequenzteil :Bereichswerte setzen für MAX.

Vielen Dank für eure Hilfe!

Grüße

Rene


Angehängte Datei(en)
Sonstige .llb  Messprogramm.llb (Größe: 368 KB / Downloads: 399)
Alle Beiträge dieses Benutzers finden
Diese Nachricht in einer Antwort zitieren to top
23.01.2007, 14:14
Beitrag #4

rene Offline
LVF-Gelegenheitsschreiber
**


Beiträge: 144
Registriert seit: Sep 2006

8.2
2006
kA


Deutschland
Eigenschaftsknoten / DAQmx Kanäle skalieren
weiß den niemand einen Rat.Ich komm da leider nicht weiter....

Danke
Alle Beiträge dieses Benutzers finden
Diese Nachricht in einer Antwort zitieren to top
23.01.2007, 18:58
Beitrag #5

cb Offline
LVF-SeniorMod


Beiträge: 1.734
Registriert seit: Feb 2006

2018SP1
2001
EN

40xxx
Deutschland
Eigenschaftsknoten / DAQmx Kanäle skalieren
' schrieb:weiß den niemand einen Rat.Ich komm da leider nicht weiter....

Danke

ja mei <soifz>

das ist ganz einfach:

du erstellst mit DAQmx einen Task, fügst in einer For-Schleife die Kanäle hinzu und IN DER FOR-Schleife setzt du auch die Skalierung ...

   

https://www.rotabench.com - Prüftechnik für Elektromotoren
Webseite des Benutzers besuchen Alle Beiträge dieses Benutzers finden
Diese Nachricht in einer Antwort zitieren to top
24.01.2007, 10:08
Beitrag #6

rene Offline
LVF-Gelegenheitsschreiber
**


Beiträge: 144
Registriert seit: Sep 2006

8.2
2006
kA


Deutschland
Eigenschaftsknoten / DAQmx Kanäle skalieren
[attachment=31148:image1.jpg]Vielen Dank erstmal für deine Hilfe!

mmh..einfach..für einen Erfahrenen sicherlichRolleyes

Der Task ist ja im MAx schon erstellt mit 2 Kanälen und für die möchte ich jeweils die Skalierung unterschiedlich anpassen können.Da ich für jedes Steuersignal den zu erwartenten Kraft und Strom wert berechne und damit dann die Bereiche konfigurieren will.

So richtig ist mir das aus deinem Screenshot nicht klar.kannst du das vielleicht bitte in meinem geposteten vi ändern?

wäre sehr nett von dir.vielen dank!

grüße

rene
Alle Beiträge dieses Benutzers finden
Diese Nachricht in einer Antwort zitieren to top
Anzeige
24.01.2007, 15:32
Beitrag #7

rene Offline
LVF-Gelegenheitsschreiber
**


Beiträge: 144
Registriert seit: Sep 2006

8.2
2006
kA


Deutschland
Eigenschaftsknoten / DAQmx Kanäle skalieren
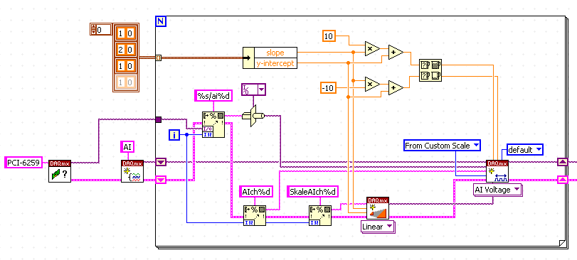
hier ist nocheinmal ein screenshot aus dem vi mit dem problem.
die casestruktut dient nur dem auskommentieren weil es noch nicht fkt.

danke

grüße


Angehängte Datei(en) Thumbnail(s)
   
Alle Beiträge dieses Benutzers finden
Diese Nachricht in einer Antwort zitieren to top
24.01.2007, 18:52
Beitrag #8

cb Offline
LVF-SeniorMod


Beiträge: 1.734
Registriert seit: Feb 2006

2018SP1
2001
EN

40xxx
Deutschland
Eigenschaftsknoten / DAQmx Kanäle skalieren
' schrieb:hier ist nocheinmal ein screenshot aus dem vi mit dem problem.
die casestruktut dient nur dem auskommentieren weil es noch nicht fkt.

danke

grüße

DAQ Assistent? Express VIs?? *spuck* *würg* *spei*

nochmal zur Erklärung: du musst für jeden Kanal einstellen, welche Skalierung verwendet werden soll. Eine Skalierung auf einen Task anwenden geht nicht.

https://www.rotabench.com - Prüftechnik für Elektromotoren
Webseite des Benutzers besuchen Alle Beiträge dieses Benutzers finden
Diese Nachricht in einer Antwort zitieren to top
25.01.2007, 19:47
Beitrag #9

rene Offline
LVF-Gelegenheitsschreiber
**


Beiträge: 144
Registriert seit: Sep 2006

8.2
2006
kA


Deutschland
Eigenschaftsknoten / DAQmx Kanäle skalieren
' schrieb:DAQ Assistent? Express VIs?? *spuck* *würg* *spei*

nochmal zur Erklärung: du musst für jeden Kanal einstellen, welche Skalierung verwendet werden soll. Eine Skalierung auf einen Task anwenden geht nicht.

der daq assistent im bild hat mit der skalierung nichts zu tun. es geht um den frame vorher im bild.
die task leitung die da ankommt enthält zwei kanäle für die ich JEWEILS die skalierung ändern möchte das geht bestimmt.
weiß es vielleicht jemand anders?
Alle Beiträge dieses Benutzers finden
Diese Nachricht in einer Antwort zitieren to top
25.01.2007, 21:45
Beitrag #10

Y-P Offline
☻ᴥᴥᴥ☻ᴥᴥᴥ☻
LVF-Team

Beiträge: 12.612
Registriert seit: Feb 2006

Developer Suite Core -> LabVIEW 2015 Prof.
2006
EN

71083
Deutschland
Eigenschaftsknoten / DAQmx Kanäle skalieren
@rene:

Ich war so frei den Thementitel zu erweitern, damit man sich mehr darunter vorstellen kann. Wenn Du nicht einverstanden bist mache ich es wieder rückgängig. Oder Du hast noch eine andere Idee. So ist es nämlich auch einfacher das Thema später mal wieder zu finden.

Gruß Markus

--------------------------------------------------------------------------
Bitte stellt mir keine Fragen über PM, dafür ist das Forum da - andere haben vielleicht auch Interesse an der Antwort !!
--------------------------------------------------------------------------
Alle Beiträge dieses Benutzers finden
Diese Nachricht in einer Antwort zitieren to top
30
Antwort schreiben 


Möglicherweise verwandte Themen...
Themen Verfasser Antworten Views Letzter Beitrag
  [split] Eigenschaftsknoten / DAQmx Kanäle skalieren scheichkind 14 16.665 09.06.2021 09:39
Letzter Beitrag: scheichkind
  DAQMX Kanäle zusammenführen in Datei Herri 4 5.706 29.11.2019 09:11
Letzter Beitrag: Herri
  DAQmx: Zwei Kanäle lesen und speichern _Markus_ 5 7.527 02.01.2019 17:06
Letzter Beitrag: GerdW
  AI Spannung Einheit skalieren Aktuatormann 2 6.851 21.01.2013 10:15
Letzter Beitrag: Aktuatormann
  DAQmx - 2 Kanäle mit 2 Frequenzen KaFlip 1 6.366 02.03.2011 20:58
Letzter Beitrag: thomas.sandrisser
  Globale virtuelle Kanäle vs. NI-DAQmx-Tasks verschiedene Messwerte steffenm 3 10.130 12.10.2010 20:41
Letzter Beitrag: VIs

Gehe zu: