INFO: Dieses Forum nutzt Cookies...
Cookies sind für den Betrieb des Forums unverzichtbar. Mit der Nutzung des Forums erklärst Du dich damit einverstanden, dass wir Cookies verwenden.

Es wird in jedem Fall ein Cookie gesetzt um diesen Hinweis nicht mehr zu erhalten. Desweiteren setzen wir Google Adsense und Google Analytics ein.


Antwort schreiben 

Strukturproblem bei der Datenverarbeitung ?! Schwingungsanalyse



Wenn dein Problem oder deine Frage geklärt worden ist, markiere den Beitrag als "Lösung",
indem du auf den "Lösung" Button rechts unter dem entsprechenden Beitrag klickst. Vielen Dank!

02.08.2011, 17:47
Beitrag #1

hlos Offline
LVF-Grünschnabel
*


Beiträge: 10
Registriert seit: Aug 2011

2009
2011
DE



Strukturproblem bei der Datenverarbeitung ?! Schwingungsanalyse
Hallöchen,

ich kümmer mich in meiner Bachelorarbeit um Schwingungsanalyse mit LabVIEW... alles super soweit.
Bis auf ein paar Dinge die seit einiger Zeit für Verwirrung sorgen.
An anderer Stelle im Forum wurde mir schon erfolgreich geholfen und ich hoffe dass sich auch jetzt wieder jemand ein bisschen Zeit nimmt.

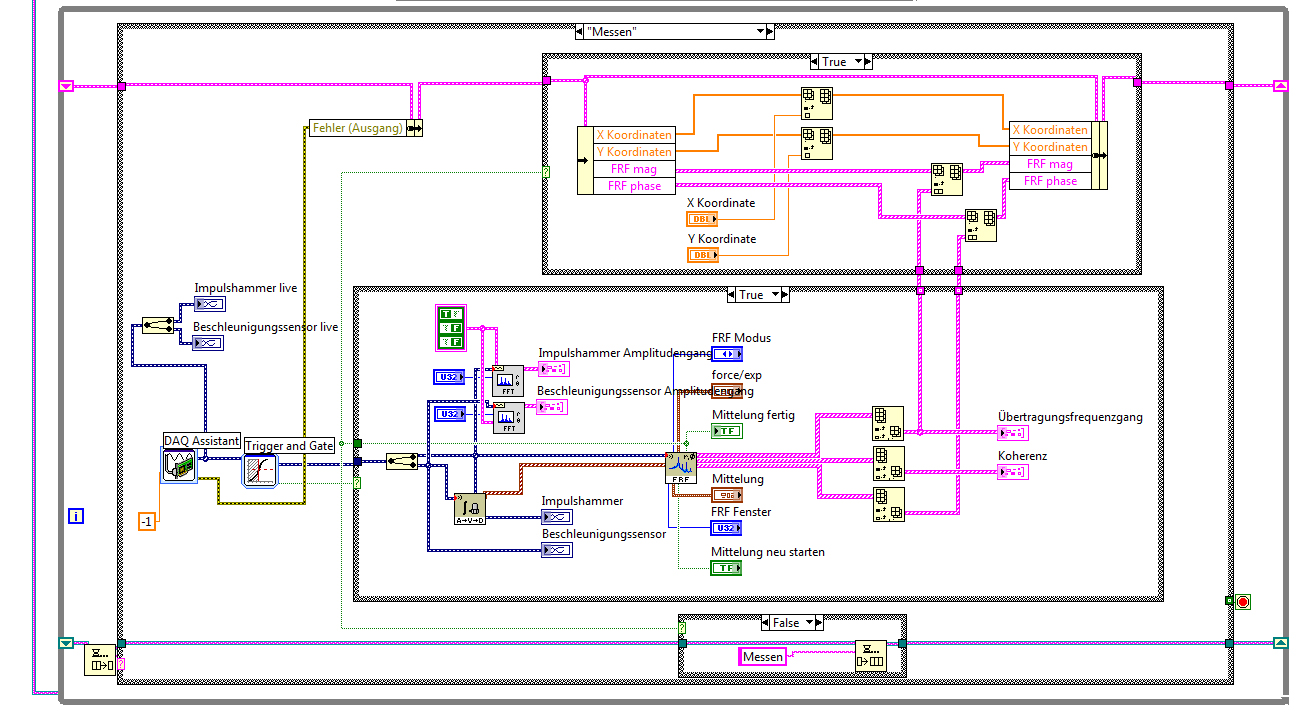
Ich lese für meine Messungen zwei getriggerte Signale aus
die dann zu einem Übertragungsfrequenzgang verwurstet und (so war es gedacht) gemittelt werden.

Der Plan war, dass ich die Signal Impulshammer live und Beschleunigungssensor live darstelle und dem FRF VI zufütter sobald mein Trigger reagiert.
Das passiert so lange bis die Mittelungen fertig sind. Danach werden die berechneten Werte in den Cluster gepackt und die Messschleife beendet.
Den Vorgang starte ich erneut indem ich auf einen Messbutton klicke der über den Queue "Messen" wieder aktiviert.

Ich hoffe dass man versteht was ich meine. Unten habe ich einen Screenshot angehängt.

Nur leider mittelt mein VI nicht wie ich es will...

Der erste und manchmal auch zweite Satz an Mittelungen funktioniert wunderbar.
Starte ich den Messvorgang dann wieder neu, wird die neue Messungen einfach zum alten Satz dazugerechnet und in den Cluster gepackt.
Es scheint so als wenn die alte Mittelung immer noch im FRF Vi steckt, obwohl sie da nicht mehr hingehört...

Ich habe die Vermutung, dass es vielleicht mit dem DAQ zusammenhängen könnte und der Datenmenge.
Warscheinlich liegt es aber auch einfach an der Struktur. Ich habe wirklich schon seit Tagen alles Mögliche versucht.

An meiner Fakultät wird LabView nicht unterrichtet, sodass es hier keinen gibt, der mir mit dem Problem weiterhelfen kann...
Ich hoffe wirklich sehr, dass mir hier jemand einen Tip geben kann.

Gruß
Samuel


Angehängte Datei(en) Thumbnail(s)
   
Alle Beiträge dieses Benutzers finden
Diese Nachricht in einer Antwort zitieren to top
Anzeige
02.08.2011, 18:37
Beitrag #2

Y-P Offline
☻ᴥᴥᴥ☻ᴥᴥᴥ☻
LVF-Team

Beiträge: 12.612
Registriert seit: Feb 2006

Developer Suite Core -> LabVIEW 2015 Prof.
2006
EN

71083
Deutschland
RE: Strukturproblem bei der Datenverarbeitung ?! Schwingungsanalyse
Schließ mal an Deinem FFT-VI an "Restart Averaging" eine "True"-Konstante an.

Gruß Markus

--------------------------------------------------------------------------
Bitte stellt mir keine Fragen über PM, dafür ist das Forum da - andere haben vielleicht auch Interesse an der Antwort !!
--------------------------------------------------------------------------
Alle Beiträge dieses Benutzers finden
Diese Nachricht in einer Antwort zitieren to top
02.08.2011, 18:52
Beitrag #3

hlos Offline
LVF-Grünschnabel
*


Beiträge: 10
Registriert seit: Aug 2011

2009
2011
DE



RE: Strukturproblem bei der Datenverarbeitung ?! Schwingungsanalyse
Dann würde die Mittelung doch nach jedem Messvorgang wieder neu starten.
Ich brauche diese Funktion um nach einer schlechten Messung die Mittelung nochmal starten zu können...
Alle Beiträge dieses Benutzers finden
Diese Nachricht in einer Antwort zitieren to top
02.08.2011, 19:34
Beitrag #4

Y-P Offline
☻ᴥᴥᴥ☻ᴥᴥᴥ☻
LVF-Team

Beiträge: 12.612
Registriert seit: Feb 2006

Developer Suite Core -> LabVIEW 2015 Prof.
2006
EN

71083
Deutschland
RE: Strukturproblem bei der Datenverarbeitung ?! Schwingungsanalyse
Bahn Das war doch auch Dein Problem, oder nicht? Blink
(02.08.2011 17:47 )hlos schrieb:  Es scheint so als wenn die alte Mittelung immer noch im FRF Vi steckt, obwohl sie da nicht mehr hingehört...

Kannst Du mal Dein VI hochladen und nochmal genau sagen, was Du möchtest? Ich glaube, wir reden aneinander vorbei.

Gruß Markus

--------------------------------------------------------------------------
Bitte stellt mir keine Fragen über PM, dafür ist das Forum da - andere haben vielleicht auch Interesse an der Antwort !!
--------------------------------------------------------------------------
Alle Beiträge dieses Benutzers finden
Diese Nachricht in einer Antwort zitieren to top
02.08.2011, 20:32
Beitrag #5

hlos Offline
LVF-Grünschnabel
*


Beiträge: 10
Registriert seit: Aug 2011

2009
2011
DE



RE: Strukturproblem bei der Datenverarbeitung ?! Schwingungsanalyse
Ich habe dir mal den Ausschnitt angehängt

Für jeden gemittelten FRF messe ich einen Satz von einzelnen FRFs.
Wieviele genau definiere ich vorher.
Wenn alle Messungen gesammelt sind kriege ich ein true am "Mittelung fertig"
und das Ergebnis wird in ein Array gepackt...

Danach will ich den ganzen Vorgang wiederholen um eine nächsten Satz zu mitteln.
Jetzt fängt das Vi aber scheinbar nicht wieder bei 0 an sondern hat immer noch den alten Satz "gespeichert".
Denn jetzt meldet das FRF subVi sofort nach der ersten Messung: Mittelung fertig und reiht das Ergebnis ins Array.

Ob das jetzt nach dem ersten Satz oder nach dem zweitem Satz passiert ist scheinbar total willkürlich.
Oft passiert es auch, dass dann die erste Messung für die Mittelung komplett ignoriert wird.

Ich hoffe, das hat die Problematik ein bisschen verständlicher gemacht.
Logisch ist das für mich sowiso nicht...

Danke schonmal für die Hilfe!

Lv09_img2


Angehängte Datei(en)
0 .vi  VI.vi (Größe: 103,96 KB / Downloads: 223)
Alle Beiträge dieses Benutzers finden
Diese Nachricht in einer Antwort zitieren to top
04.08.2011, 12:49
Beitrag #6

hlos Offline
LVF-Grünschnabel
*


Beiträge: 10
Registriert seit: Aug 2011

2009
2011
DE



RE: Strukturproblem bei der Datenverarbeitung ?! Schwingungsanalyse
hm hm....
Frage zu blöd? Schon zu oft da gewesen? Ist das Wetter draußen zu gut? Blush

Ich würde mich wirklich sehr freuen wenn noch jemand eine Idee hätte...
Alle Beiträge dieses Benutzers finden
Diese Nachricht in einer Antwort zitieren to top
Anzeige
04.08.2011, 13:08 (Dieser Beitrag wurde zuletzt bearbeitet: 04.08.2011 13:20 von M@rRy.)
Beitrag #7

M@rRy Offline
LVF-Padawan
***


Beiträge: 273
Registriert seit: Aug 2011

7.1
2011
EN


Deutschland
RE: Strukturproblem bei der Datenverarbeitung ?! Schwingungsanalyse
Ich ziehe das zurück!
Alle Beiträge dieses Benutzers finden
Diese Nachricht in einer Antwort zitieren to top
04.08.2011, 14:09
Beitrag #8

Y-P Offline
☻ᴥᴥᴥ☻ᴥᴥᴥ☻
LVF-Team

Beiträge: 12.612
Registriert seit: Feb 2006

Developer Suite Core -> LabVIEW 2015 Prof.
2006
EN

71083
Deutschland
RE: Strukturproblem bei der Datenverarbeitung ?! Schwingungsanalyse
Also, ist die Frage beantwortet? Blink

Gruß Markus

--------------------------------------------------------------------------
Bitte stellt mir keine Fragen über PM, dafür ist das Forum da - andere haben vielleicht auch Interesse an der Antwort !!
--------------------------------------------------------------------------
Alle Beiträge dieses Benutzers finden
Diese Nachricht in einer Antwort zitieren to top
04.08.2011, 14:36
Beitrag #9

M@rRy Offline
LVF-Padawan
***


Beiträge: 273
Registriert seit: Aug 2011

7.1
2011
EN


Deutschland
RE: Strukturproblem bei der Datenverarbeitung ?! Schwingungsanalyse
Das kann ich dir nicht sagen, hab das ganze hier ja nicht auf die Beine gestellt. Hatte nur eine Idee woran es liegen könnte und mir is dann aufgefallen das es das wohl nicht ist. Deshalb hab ich meine Aussage revidiert.
Alle Beiträge dieses Benutzers finden
Diese Nachricht in einer Antwort zitieren to top
04.08.2011, 14:40
Beitrag #10

hlos Offline
LVF-Grünschnabel
*


Beiträge: 10
Registriert seit: Aug 2011

2009
2011
DE



RE: Strukturproblem bei der Datenverarbeitung ?! Schwingungsanalyse
Ach herrje Smile
Ich glaube ich stifte mehr Verwirrung als das Problem selber...

Das Problem ist zuminedest bei mir immer noch da...
Alle Beiträge dieses Benutzers finden
Diese Nachricht in einer Antwort zitieren to top
30
Antwort schreiben 


Möglicherweise verwandte Themen...
Themen Verfasser Antworten Views Letzter Beitrag
  Datenverarbeitung Fliecha 19 15.921 05.08.2010 11:27
Letzter Beitrag: Fliecha
  Hilfe beim Umstellung der Eingänge für Schwingungsanalyse JohannesB 2 4.743 11.04.2010 12:44
Letzter Beitrag: JohannesB
  Stopuhr und weitere Datenverarbeitung Mr.Beaker 24 21.922 06.08.2007 10:42
Letzter Beitrag: Y-P

Gehe zu: