|
10.01.2012, 07:28
Beitrag #2
|
Y-P
☻ᴥᴥᴥ☻ᴥᴥᴥ☻
Beiträge: 12.612
Registriert seit: Feb 2006
Developer Suite Core -> LabVIEW 2015 Prof.
2006
EN
71083
Deutschland
|
RE: SQL Datenbank erweitern
Wo?
Gruß Markus
(09.01.2012 16:47 )Ninja2602 schrieb: Ich habe auch den Teil des LabVIEW Programms eingefügt der für die Datenbankaufzeichnung zuständig ist.
--------------------------------------------------------------------------
Bitte stellt mir keine Fragen über PM, dafür ist das Forum da - andere haben vielleicht auch Interesse an der Antwort !!
--------------------------------------------------------------------------
|
|
|
|
|
10.01.2012, 15:08
Beitrag #3
|
Ninja2602
LVF-Gelegenheitsschreiber
 
Beiträge: 123
Registriert seit: Jul 2011
2010
2011
kA
|
RE: SQL Datenbank erweitern
Im main.vi, da wo auch die anderen BHKWs ihre Daten in die Datenbank schicken.
Mein Vorgänger hat für jedes BHKW eine Sequenz programmiert wo die Daten in die SQL Datenbank geschrieben werden.
Da habe ich eine Sequenz für das neue BHKW hinzugefügt, aber die Daten werden anscheinend nicht an die Datenbank weitergeleitet.
|
|
|
|
10.01.2012, 15:23
(Dieser Beitrag wurde zuletzt bearbeitet: 10.01.2012 15:26 von jg.)
Beitrag #4
|
jg
CLA & CLED
Beiträge: 15.864
Registriert seit: Jun 2005
20xx / 8.x
1999
EN
Franken...
Deutschland
|
RE: SQL Datenbank erweitern
Schon die Fehlermeldungen ausgewertet? Fehlercluster überhaupt eingebaut? Fehlercluster ausgewertet?
Abhängig von deiner DB-Struktur  existieren überhaupt entsprechende Datenbanken und/oder Tabellen für dein weiteres BHKW?
Deine Fragestellung ist extrem allgemein gehalten, da kannst du nicht wirklich eine fundierte Antwort erwarten.
Außer deinem Programmier-Vorgänger hat hier im LVF wahrscheinlich noch keiner verstanden, mit was für einer Software-Struktur du bei dir rummachst (Dauernd deine Visu, VPN-Clients, Shared Variablen, Server...)
Gruß, Jens
Wer die erhabene Weisheit der Mathematik tadelt, nährt sich von Verwirrung. (Leonardo da Vinci)
!! BITTE !! stellt mir keine Fragen über PM, dafür ist das Forum da - andere haben vielleicht auch Interesse an der Antwort!
Einführende Links zu LabVIEW, s. GerdWs Signatur.
|
|
|
|
|
12.01.2012, 07:25
Beitrag #5
|
Y-P
☻ᴥᴥᴥ☻ᴥᴥᴥ☻
Beiträge: 12.612
Registriert seit: Feb 2006
Developer Suite Core -> LabVIEW 2015 Prof.
2006
EN
71083
Deutschland
|
RE: SQL Datenbank erweitern
Achso, ich dachte, Du hättest vergessen, es in Deinem Beitrag einzufügen. Lad' doch mal Deine VIs hoch.
Gruß Markus
(10.01.2012 15:08 )Ninja2602 schrieb: Im main.vi, da wo auch die anderen BHKWs ihre Daten in die Datenbank schicken.
--------------------------------------------------------------------------
Bitte stellt mir keine Fragen über PM, dafür ist das Forum da - andere haben vielleicht auch Interesse an der Antwort !!
--------------------------------------------------------------------------
|
|
|
|
|
12.01.2012, 10:39
Beitrag #6
|
|
|
|
|
19.01.2012, 15:09
(Dieser Beitrag wurde zuletzt bearbeitet: 19.01.2012 15:13 von Ninja2602.)
Beitrag #7
|
|
|
|
|
|
19.01.2012, 20:23
Beitrag #8
|
Y-P
☻ᴥᴥᴥ☻ᴥᴥᴥ☻
Beiträge: 12.612
Registriert seit: Feb 2006
Developer Suite Core -> LabVIEW 2015 Prof.
2006
EN
71083
Deutschland
|
RE: SQL Datenbank erweitern
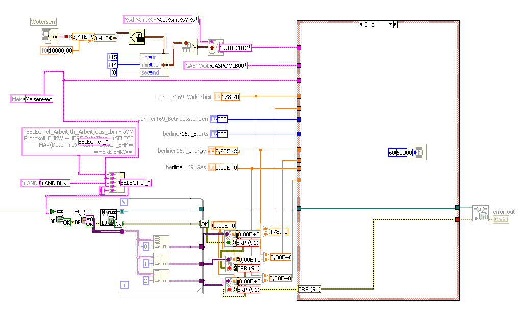
Könnte es sein, dass Du einen leeren "Recordset" (also das lilane Array) zurückbekommst?
Gruß Markus
--------------------------------------------------------------------------
Bitte stellt mir keine Fragen über PM, dafür ist das Forum da - andere haben vielleicht auch Interesse an der Antwort !!
--------------------------------------------------------------------------
|
|
|
|
|
19.01.2012, 20:36
Beitrag #9
|
jg
CLA & CLED
Beiträge: 15.864
Registriert seit: Jun 2005
20xx / 8.x
1999
EN
Franken...
Deutschland
|
RE: SQL Datenbank erweitern
(19.01.2012 20:23 )Y-P schrieb: Könnte es sein, dass Du einen leeren "Recordset" (also das lilane Array) zurückbekommst? 
"Könnte" ist untertrieben, s. Screenshot
Gruß, Jens
Wer die erhabene Weisheit der Mathematik tadelt, nährt sich von Verwirrung. (Leonardo da Vinci)
!! BITTE !! stellt mir keine Fragen über PM, dafür ist das Forum da - andere haben vielleicht auch Interesse an der Antwort!
Einführende Links zu LabVIEW, s. GerdWs Signatur.
|
|
|
|
20.01.2012, 08:55
(Dieser Beitrag wurde zuletzt bearbeitet: 20.01.2012 08:58 von Ninja2602.)
|
Ninja2602
LVF-Gelegenheitsschreiber
 
Beiträge: 123
Registriert seit: Jul 2011
2010
2011
kA
|
RE: SQL Datenbank erweitern
Wie meinem Screenshot schon entnommen wurde, ja ich bekomme einen leeren Recordset zurück.
Nachdem ich jetzt schon wieder viel gelesen habe, weiss ich leider noch nicht wie ich das behebe.
Kann mir jemand erklären woran es liegen kann das ich einen leeren Recordset zurückbekomme?
|
|
|
|
| |