INFO: Dieses Forum nutzt Cookies...
Cookies sind für den Betrieb des Forums unverzichtbar. Mit der Nutzung des Forums erklärst Du dich damit einverstanden, dass wir Cookies verwenden.

Es wird in jedem Fall ein Cookie gesetzt um diesen Hinweis nicht mehr zu erhalten. Desweiteren setzen wir Google Adsense und Google Analytics ein.


Antwort schreiben 

Excel datei abspeichern



Wenn dein Problem oder deine Frage geklärt worden ist, markiere den Beitrag als "Lösung",
indem du auf den "Lösung" Button rechts unter dem entsprechenden Beitrag klickst. Vielen Dank!

12.03.2012, 11:11
Beitrag #1

cuber1 Offline
LVF-Gelegenheitsschreiber
**


Beiträge: 59
Registriert seit: Oct 2009

2009
2009
kA

71634
Deutschland
Excel datei abspeichern
Hi,

nach nicht erfolgreicher Suche im Forum, hier meine Anfrage.
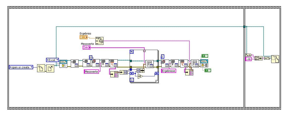
Im Anhang ist ein LV-Programm, welches eine Exceldatei erzeugen soll und Messwerte sowie Ergebniss auf unterschidelichen Tabellenblättern abspeichern soll.
Das ganze Funktioniert auch mehr oder minder. Leider ehr minder Angry
Problem ist, dass er zwar eine Datei erzeugt, dies hat jedoch nicht die Excel typische Endung, so dass Sie von Excel nicht erkannt wird. Und wenn ich Sie dennoch mit Excel öffne, steht nur das Ergebniss drin, aber nicht die Messwerte. Schließe ich jedoch nicht die Excel-Datei nimmt er alles auf. Wo liegt das Problem? Wie kann ich Ihm die typische Excel-Endung zu weisen und dafür sorgen das beide Tabellenblätter abgespeichert werden?


Angehängte Datei(en)
9.0 .vi  excel schreiben.vi (Größe: 21,07 KB / Downloads: 558)
Alle Beiträge dieses Benutzers finden
Diese Nachricht in einer Antwort zitieren to top
Anzeige
12.03.2012, 23:34
Beitrag #2

schrotti Offline
LVF-Freak
****


Beiträge: 842
Registriert seit: Feb 2008

2009 - 2011
2006
kA

70180
Deutschland
RE: Excel datei abspeichern
Wie wärs, wenn du als "Vorlage" ein echtes xls verwendest....?

Gruß Julius
Empfehlungen: expressionflow, LavaG , mooregoodideas, OpenG, JKI Blog
Tipp
Alle Beiträge dieses Benutzers finden
Diese Nachricht in einer Antwort zitieren to top
13.03.2012, 08:39 (Dieser Beitrag wurde zuletzt bearbeitet: 13.03.2012 08:43 von cuber1.)
Beitrag #3

cuber1 Offline
LVF-Gelegenheitsschreiber
**


Beiträge: 59
Registriert seit: Oct 2009

2009
2009
kA

71634
Deutschland
RE: Excel datei abspeichern
Hi, das hatte ich mir auch schon überlegt. Und damit funktioniert es auch tatsächlich.
Hätte es aber gern, dass man auch unterschiedliche Dateinamen vergeben kann. Sodass man bspw. Sie nach den Tagen der Messung benennt.
Alle Beiträge dieses Benutzers finden
Diese Nachricht in einer Antwort zitieren to top
13.03.2012, 08:54
Beitrag #4

cuber1 Offline
LVF-Gelegenheitsschreiber
**


Beiträge: 59
Registriert seit: Oct 2009

2009
2009
kA

71634
Deutschland
RE: Excel datei abspeichern
Gibt es nicht evtl. so ein VI, wo man die Dateierweiterung festlegen kann. Lesen kann man sie schließlich auch (siehe Bild).
Das könnte doch funktionieren?


Angehängte Datei(en) Thumbnail(s)
   
Alle Beiträge dieses Benutzers finden
Diese Nachricht in einer Antwort zitieren to top
13.03.2012, 09:08 (Dieser Beitrag wurde zuletzt bearbeitet: 13.03.2012 09:08 von GerdW.)
Beitrag #5

GerdW Offline
______________
LVF-Team

Beiträge: 17.529
Registriert seit: May 2009

LV2019 (LV2021)
1995
DE_EN

10×××
Deutschland
RE: Excel datei abspeichern
Hallo cuber,

wenn du dein letztes Bild doch nur einen klitzekleinen Schritt weiter programmiert hättest...

Wenn du den Dateinamen schon in Name und Endung zerlegst: Was spricht dagegen, den Namen mit der gewünschten Endung zu verknüpfen? Sind doch nur Strings...

Alle Beiträge dieses Benutzers finden
Diese Nachricht in einer Antwort zitieren to top
13.03.2012, 11:53 (Dieser Beitrag wurde zuletzt bearbeitet: 13.03.2012 11:57 von cuber1.)
Beitrag #6

cuber1 Offline
LVF-Gelegenheitsschreiber
**


Beiträge: 59
Registriert seit: Oct 2009

2009
2009
kA

71634
Deutschland
RE: Excel datei abspeichern
@GerdW, das fiehl mir auch noch ein bevor ich deinen Beitrag gelesen habe... Big Grin

Aber sowie ich es machen wollte geht es nicht (siehe Programm Im Anhang)
(Warum hat er nur noch ein Datenblatt dann in der Datei? Wenn ich jedoch das Vi "Protokoll schließen" wegnehme und das Excel-Dokument damit nicht schließe sind beide Datenblätter da. Kann mir das jemand erklären?)
Wie geht es, dass er es als Excel-Datei speichert und dennoch nach dem Dateinamen fragt, da muss es doch einen Weg geben!


Angehängte Datei(en) Thumbnail(s)
   

9.0 .vi  excel schreiben.vi (Größe: 22,64 KB / Downloads: 371)
Alle Beiträge dieses Benutzers finden
Diese Nachricht in einer Antwort zitieren to top
Anzeige
13.03.2012, 19:36
Beitrag #7

schrotti Offline
LVF-Freak
****


Beiträge: 842
Registriert seit: Feb 2008

2009 - 2011
2006
kA

70180
Deutschland
RE: Excel datei abspeichern
Ich habe den Reporttoolkit nicht installiert, aber es wird doch dort ein VI/Funktion geben, welche es erlaubt, einen Report unter einem frei wählbaren Pfad abzulegen. Und wenn nicht: Warum nicht gleich die Datei blabla.xls nennen anstatt sie umzubenennen?

Gruß Julius
Empfehlungen: expressionflow, LavaG , mooregoodideas, OpenG, JKI Blog
Tipp
Alle Beiträge dieses Benutzers finden
Diese Nachricht in einer Antwort zitieren to top
15.03.2012, 09:42
Beitrag #8

cuber1 Offline
LVF-Gelegenheitsschreiber
**


Beiträge: 59
Registriert seit: Oct 2009

2009
2009
kA

71634
Deutschland
RE: Excel datei abspeichern
Hi Schrotti,

dachte ja auch das es ein Vi geben würde, wo man das Excel dokument unter einem freiwählbaren Namen abspeichern kasnn. Aber bisher hab ich es noch nicht finden können.
Die Datei soll nicht unter einen "festen Namen" abgespeichert werden, da dies der Benutzer frei entscheiden soll.
(So dass er selbst die Wahl hat, ob er es unter einem Prüfnummerneintrag, der Prüfbezeichnung oder des Prüfdatums etc. abspeichern will).
Alle Beiträge dieses Benutzers finden
Diese Nachricht in einer Antwort zitieren to top
15.03.2012, 09:45
Beitrag #9

GerdW Offline
______________
LVF-Team

Beiträge: 17.529
Registriert seit: May 2009

LV2019 (LV2021)
1995
DE_EN

10×××
Deutschland
RE: Excel datei abspeichern
Hallo cuber,

mannomann...

Und was spricht nun dagegen, den Benutzer erst einen Dateinamen auswählen zu lassen und diesen dann auf Gültigkeit zu überprüfen und ggfs. noch die korrekte Endung dran zu hängen, bevor man die Datei erstellen lässt? Wie das geht, haben wir doch schon geklärt...

Alle Beiträge dieses Benutzers finden
Diese Nachricht in einer Antwort zitieren to top
20.03.2012, 11:57
Beitrag #10

cuber1 Offline
LVF-Gelegenheitsschreiber
**


Beiträge: 59
Registriert seit: Oct 2009

2009
2009
kA

71634
Deutschland
RE: Excel datei abspeichern
@ Gerd W
Entweder ich stehe komplett auf dem Schlauch, oder ich hab mich bisher schlecht ausgedrückt.
Das Problem ist, dass wenn ich die Endung einfach selbst dran hänge, dass ich dann die Fehlermeldung im Bild bekomme. (Sicherlich nicht unbedingt die beste Lösung es so zu programmieren.)

Wenn ich nun kein Excel-Dokument als Vorlage habe wird:
1. keine Excel-Datei erzeugt, sonmdern ein unbekanntes Format
2. Wenn ich dann das Format mit Excel öffne, muss man die Werte erst umwandeln
3. nach dem umwandeln sind meine Messwerte weg, ich hab nur noch das Ergebniss
4. das Tabellenblatt ist dann nicht als "Ergebnisse" bezeichnet sondern wie der Dateiname (siehe Bild linke Seite)
Wenn jedoch ein leeres Excel-Dokument vorhanden ist, welches als Vorlage dienen kann, sind sowohl Messwerte als auch die Ergebnisse enthalten. (sihe Bild rechte Seite) Das Problem ist nun dass, das dann aber der Benutzer nicht frei den Namen vergeben kann.....


Angehängte Datei(en) Thumbnail(s)
       
Alle Beiträge dieses Benutzers finden
Diese Nachricht in einer Antwort zitieren to top
30
Antwort schreiben 


Möglicherweise verwandte Themen...
Themen Verfasser Antworten Views Letzter Beitrag
  Kontinuierliches einlesen aus einer .csv Excel Datei Chris_89 1 5.685 01.12.2014 07:59
Letzter Beitrag: RMR
  Mehrere Arrays of Strings in eine Excel-Datei speichern derdak 7 12.348 06.03.2014 15:12
Letzter Beitrag: derdak
  Zählerwert in Datei abspeichern und zurücksetzen hanser 7 7.854 14.03.2011 18:41
Letzter Beitrag: hanser
  Initialisieren nach abspeichern in Excel JackBlack 13 13.229 09.03.2011 09:07
Letzter Beitrag: GerdW
  Messwerte in Excel abspeichern fendt939vario 7 16.343 16.02.2011 15:42
Letzter Beitrag: GerdW
  Mehrere Signale in einer Datei abspeichern markus.h 1 5.206 20.04.2010 13:31
Letzter Beitrag: dimitri84

Gehe zu: