INFO: Dieses Forum nutzt Cookies...
Cookies sind für den Betrieb des Forums unverzichtbar. Mit der Nutzung des Forums erklärst Du dich damit einverstanden, dass wir Cookies verwenden.

Es wird in jedem Fall ein Cookie gesetzt um diesen Hinweis nicht mehr zu erhalten. Desweiteren setzen wir Google Adsense und Google Analytics ein.


Antwort schreiben 

Zeitgesteuert Werte lesen.



Wenn dein Problem oder deine Frage geklärt worden ist, markiere den Beitrag als "Lösung",
indem du auf den "Lösung" Button rechts unter dem entsprechenden Beitrag klickst. Vielen Dank!

07.05.2012, 13:06
Beitrag #1

Snowball Offline
LVF-Grünschnabel
*


Beiträge: 40
Registriert seit: Sep 2011

11
2011
EN

38518
Deutschland
Zeitgesteuert Werte lesen.
Guten Tag,

ich habe mal wieder eine Frage. Im Sub VI "Daten Holen" meine Projektes möchte ich über die Abtastrate gesteuert die Werte von Netzwerkvariablen auslesen. Dies wollte ich so realisieren, dass die abgelaufene Zeit mit der Zeit der Abtastrate verglichen wird und bei erreichen der Sollzeit sollten die Werte dann ausgelesen werden. Nun habe ich beim Programmieren nicht daran gedacht, dass die Funktion "Tick Count" ja nicht die abgelaufene Zeit der Schleife ausgibt, sondern scheinbar die Zeit seit dem letzten neustart des Systems. Dies ist mir dann beim überprüfen der Funktion aufgefallen und wurde etwas unkonventionell gelöst glaube ich. Nun wollte ich fragen ob jemand einen Vorschlag hat wie ich dies besser lösen kann.

Das Projekt ist auf Lv09_img2 kompatibilität abgespeichert.


Angehängte Datei(en)
0.0 .zip  Datenlogger LV9.zip (Größe: 130,07 KB / Downloads: 276)
Alle Beiträge dieses Benutzers finden
Diese Nachricht in einer Antwort zitieren to top
Anzeige
07.05.2012, 13:25
Beitrag #2

Lucki Offline
Tech.Exp.2.Klasse
LVF-Team

Beiträge: 7.699
Registriert seit: Mar 2006

LV 2016-18 prof.
1995
DE

01108
Deutschland
RE: Zeitgesteuert Werte lesen.

Akzeptierte Lösung

Ohne das Vi gesehen zu haben:
Für die Bestimmung der abglaufenen Zeit gibt es das VI "verstrichene Zeit", welches außerdem einen Boolschen Ausgang "Zeit ist abgelaufen" hat und außerdem sich bei Bedarf nach Ablauf der verstrichenen Zeit automatisch neu initialisiert. Einfacher gehts wirklich nicht.
Weil aber aber ExpressVIs bei Vielen verpönt sich, wird leider oft das Kind mit dem Bad ausgeschüttet und auch kein Gebrauch von solchen ganz einfachen Express-Vis gemacht.
(Man kann es mit "als Symbol anzeigen" auf normale Ikongröße stutzen, dann fällt Deine Untat gar nicht mehr so auf)
Alle Beiträge dieses Benutzers finden
Diese Nachricht in einer Antwort zitieren to top
07.05.2012, 13:29
Beitrag #3

TSC Offline
LVF-Team
LVF-Team

Beiträge: 1.882
Registriert seit: Sep 2008

LV 2018 SP1
2008
EN

52379
Deutschland
RE: Zeitgesteuert Werte lesen.
..Ergänzung zu Lucki:
und wer nun wirklich kein ExpressVI mag, der kann sich den Quellcode davon ansehen und auf seine eigenen Wünsche reduzieren/erweitern.
(ExpressVI im Blockdiagrammeinfügen, Rechtsklick->Frontpanel anzeigen, bis zur gewünschten Tiefe wiederholen)

"Über Fragen, die ich nicht beantworten kann, zerbreche ich mir nicht den Kopf!" (Konrad Zuse)
Alle Beiträge dieses Benutzers finden
Diese Nachricht in einer Antwort zitieren to top
07.05.2012, 13:51
Beitrag #4

Snowball Offline
LVF-Grünschnabel
*


Beiträge: 40
Registriert seit: Sep 2011

11
2011
EN

38518
Deutschland
RE: Zeitgesteuert Werte lesen.
Super! Das macht genau das was ich brauche...habe es nicht genutzt da die Express VI ja so verpönt sind und ich dachte, dass es wie die "Wait" Funktion dazu führt, dass das VI solange wartet bis die Zeitabgelaufen ist bevor eine andere eingabe gemacht werden kann.
Alle Beiträge dieses Benutzers finden
Diese Nachricht in einer Antwort zitieren to top
08.05.2012, 08:58
Beitrag #5

Snowball Offline
LVF-Grünschnabel
*


Beiträge: 40
Registriert seit: Sep 2011

11
2011
EN

38518
Deutschland
RE: Zeitgesteuert Werte lesen.
Guten Morgen,

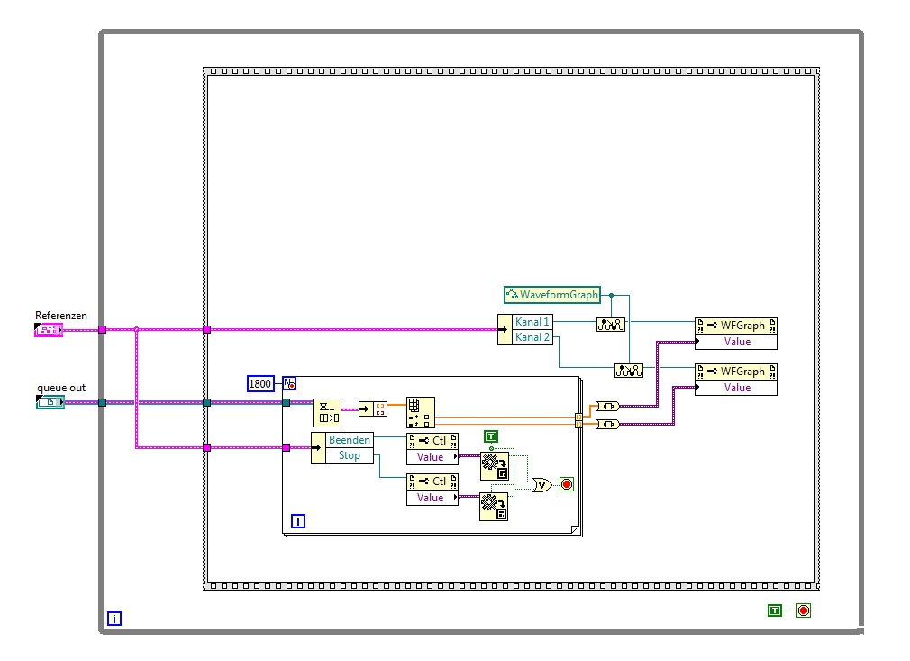
ich bin mir nicht sicher ob ich hierfür ein neues Thema aufmachen soll, also post ich es ersteinmal hier. In einer "For Schleife" lese ich Werte aus einer Queue aus um sie nach erreichen einer bestimmten Anzahl von Werten dann in einen Graphen zu schreiben. Mein Problem ist das die Schleife ja darauf wartet das die Queue einen Wert bekommt den sie auslesen kann, dies führt dann dazu das ich bei längeren Abtastraten die Schleife nicht auf die Art beenden kann wie ich es realisiert habe. Kann mir jemand einen Tip für eine bessere Lösung geben?


Angehängte Datei(en) Thumbnail(s)
   
Alle Beiträge dieses Benutzers finden
Diese Nachricht in einer Antwort zitieren to top
08.05.2012, 09:06
Beitrag #6

jg Offline
CLA & CLED
LVF-Team

Beiträge: 15.864
Registriert seit: Jun 2005

20xx / 8.x
1999
EN

Franken...
Deutschland
RE: Zeitgesteuert Werte lesen.
Timeout am Dequeue anschließen und auswerten?!

Gruß, Jens

Wer die erhabene Weisheit der Mathematik tadelt, nährt sich von Verwirrung. (Leonardo da Vinci)

!! BITTE !! stellt mir keine Fragen über PM, dafür ist das Forum da - andere haben vielleicht auch Interesse an der Antwort!

Einführende Links zu LabVIEW, s. GerdWs Signatur.
Alle Beiträge dieses Benutzers finden
Diese Nachricht in einer Antwort zitieren to top
Anzeige
08.05.2012, 10:08
Beitrag #7

Snowball Offline
LVF-Grünschnabel
*


Beiträge: 40
Registriert seit: Sep 2011

11
2011
EN

38518
Deutschland
RE: Zeitgesteuert Werte lesen.
Das Problem dabei ist, dass dann bei jedem Timeout die Schleife einmal ausgeführt wird und ich dadurch nichtmehr auf die gewollten 1800 Werte komme.
Alle Beiträge dieses Benutzers finden
Diese Nachricht in einer Antwort zitieren to top
08.05.2012, 10:18
Beitrag #8

jg Offline
CLA & CLED
LVF-Team

Beiträge: 15.864
Registriert seit: Jun 2005

20xx / 8.x
1999
EN

Franken...
Deutschland
RE: Zeitgesteuert Werte lesen.
Dann steig von einer For- auf eine While-Schleife um, die solange läuft, bis du wirklich 1800 Werte ausgelesen hast.

Gruß, Jens

Wer die erhabene Weisheit der Mathematik tadelt, nährt sich von Verwirrung. (Leonardo da Vinci)

!! BITTE !! stellt mir keine Fragen über PM, dafür ist das Forum da - andere haben vielleicht auch Interesse an der Antwort!

Einführende Links zu LabVIEW, s. GerdWs Signatur.
Alle Beiträge dieses Benutzers finden
Diese Nachricht in einer Antwort zitieren to top
08.05.2012, 10:34 (Dieser Beitrag wurde zuletzt bearbeitet: 08.05.2012 10:38 von Lucki.)
Beitrag #9

Lucki Offline
Tech.Exp.2.Klasse
LVF-Team

Beiträge: 7.699
Registriert seit: Mar 2006

LV 2016-18 prof.
1995
DE

01108
Deutschland
RE: Zeitgesteuert Werte lesen.
Das Bild in #5 nehme ich gleich mal zum Anlass meine Signatur zu ändern. Die Sequenzstruktur hier ist überflüssig wie ein Kropf.
An alle: Könnte man die Signatur noch etwas griffiger formulieren?
Alle Beiträge dieses Benutzers finden
Diese Nachricht in einer Antwort zitieren to top
08.05.2012, 11:12
Beitrag #10

Snowball Offline
LVF-Grünschnabel
*


Beiträge: 40
Registriert seit: Sep 2011

11
2011
EN

38518
Deutschland
RE: Zeitgesteuert Werte lesen.
Irgendwie steh ich aufm Schlauch...das Problem ist nun das natürlich bei jedem Timeout eine Null als Wert auslese. Ich hab mal mein Projekt neu angefügt da ich einige änderungen vorgenommen habe.

Ich möchte nach Betätigung des Aufnahme Buttons anfangen die Messwerte mit der Eingestellten Abtastrate aufnehmen und sobald 1800 Messwerte erreicht sind in den Graphen übertragen. Diese Messung möchte ich aber jederzeit unterbrechen und natürlich auch das Programm jederzeit stoppen können. Eignet sich die Warteschleife hierfür überhaupt oder bin ich schon auf dem Holzweg? Wenn ich mich auf dem Holzweg befinde, wie könnte ich es besser umsetzen und wenn das so schon geht, wie kann ich dann verhindern das mir bei einem Timeout ein leerer Wert ausgelesen wird.

Das Projekt ist ab Lv09_img2 kompatibel


Angehängte Datei(en)
0.0 .zip  Datenlogger LV9.zip (Größe: 148,58 KB / Downloads: 273)
Alle Beiträge dieses Benutzers finden
Diese Nachricht in einer Antwort zitieren to top
Antwort schreiben 


Möglicherweise verwandte Themen...
Themen Verfasser Antworten Views Letzter Beitrag
  Phasen zeitgesteuert wechseln -cosmo- 7 7.888 08.06.2018 12:18
Letzter Beitrag: jg
  Grab-Botton Zeitgesteuert BeutelSeb 11 10.271 01.06.2016 16:56
Letzter Beitrag: jg
  Lesen von Werte in einer Case-Struktur patriote00 5 6.024 08.12.2015 11:33
Letzter Beitrag: patriote00
  Fortlaufend Werte aus einer Tabelle lesen if89ocak 3 6.376 19.01.2012 11:14
Letzter Beitrag: GerdW
  zeitgesteuert speichern Leopold 3 5.744 14.06.2011 18:28
Letzter Beitrag: GerdW
  aus Zahlenarray nur durch 0,5 teilbare werte lesen member 8 8.831 20.11.2010 21:30
Letzter Beitrag: Matze

Gehe zu: