INFO: Dieses Forum nutzt Cookies...
Cookies sind für den Betrieb des Forums unverzichtbar. Mit der Nutzung des Forums erklärst Du dich damit einverstanden, dass wir Cookies verwenden.

Es wird in jedem Fall ein Cookie gesetzt um diesen Hinweis nicht mehr zu erhalten. Desweiteren setzen wir Google Adsense und Google Analytics ein.


Antwort schreiben 

96-Bit Zahl darstellen?



Wenn dein Problem oder deine Frage geklärt worden ist, markiere den Beitrag als "Lösung",
indem du auf den "Lösung" Button rechts unter dem entsprechenden Beitrag klickst. Vielen Dank!

10.06.2013, 14:27
Beitrag #1

Msengxxl Offline
LVF-Grünschnabel
*


Beiträge: 20
Registriert seit: Sep 2008

LV2017 & LV2020
2007
DE

78087
Deutschland
96-Bit Zahl darstellen?
Hallo,

ich wusste nicht, in welches Forum das jetzt gehört, deshalb versuch ich's mal hier:

ich bekomme aus einer Schnittstelle ein 32-Bit Array mit 3 Werten.
Diese drei Werte stellen eine sog. UID dar welche eine 96-Bit Zahl sein soll.

Da es jedoch keinen 96-Bit Datentyp gibt, muss ich die Zahl irgendwie als String zusammensetzen.
Ein einfaches "in String umwandeln und dann aneinanderhängen" funktioniert nicht, da es ja nicht mehr einer "echten" 96-Bit Zahl entspricht.

Hat hier jemand ne Idee?

Vielen Dank
Alle Beiträge dieses Benutzers finden
Diese Nachricht in einer Antwort zitieren to top
Anzeige
10.06.2013, 14:40
Beitrag #2

Y-P Offline
☻ᴥᴥᴥ☻ᴥᴥᴥ☻
LVF-Team

Beiträge: 12.612
Registriert seit: Feb 2006

Developer Suite Core -> LabVIEW 2015 Prof.
2006
EN

71083
Deutschland
RE: 96-Bit Zahl darstellen?
Wie sehen die Daten aus und wie willst Du sie weiterverwenden?

Gruß Markus

--------------------------------------------------------------------------
Bitte stellt mir keine Fragen über PM, dafür ist das Forum da - andere haben vielleicht auch Interesse an der Antwort !!
--------------------------------------------------------------------------
Alle Beiträge dieses Benutzers finden
Diese Nachricht in einer Antwort zitieren to top
10.06.2013, 15:20
Beitrag #3

jg Offline
CLA & CLED
LVF-Team

Beiträge: 15.864
Registriert seit: Jun 2005

20xx / 8.x
1999
EN

Franken...
Deutschland
RE: 96-Bit Zahl darstellen?
Jede der 3 32-bit-Zahlen in einen Hex-String wandeln, dann aneinanderhängen und die UID dann als Hex-Wert anzeigen!?

Oder die UID so ähnlich wie eine IP4-Adresse anzeigen, das ist ja auch nur eine andere Darstellung einer U32-Zahl.

Gruß, Jens

Wer die erhabene Weisheit der Mathematik tadelt, nährt sich von Verwirrung. (Leonardo da Vinci)

!! BITTE !! stellt mir keine Fragen über PM, dafür ist das Forum da - andere haben vielleicht auch Interesse an der Antwort!

Einführende Links zu LabVIEW, s. GerdWs Signatur.
Alle Beiträge dieses Benutzers finden
Diese Nachricht in einer Antwort zitieren to top
10.06.2013, 22:18 (Dieser Beitrag wurde zuletzt bearbeitet: 11.06.2013 18:41 von Lucki.)
Beitrag #4

Lucki Offline
Tech.Exp.2.Klasse
LVF-Team

Beiträge: 7.699
Registriert seit: Mar 2006

LV 2016-18 prof.
1995
DE

01108
Deutschland
RE: 96-Bit Zahl darstellen?
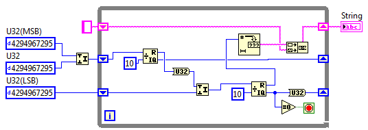
Ich gehe mal davon aus, dass Du die 96-bit-Zahl ganz normal als Dezimalzahl sehen möchtest.
Labview kann mit diesem Format nicht umgehen, deshalb Deine Frage.
Es wäre aber ganz leicht, rein manuell, mit Zettel und Bleistifft, mittels fortlaufender schriftlicher Division durch 10 und Aneinanderreihung der Reste zu einer Zeichenkette die Zahl zu berechnen.
Und statt manuell kann man das natürlich auch mit Labview machen:
   

8.6 .vi  temp.vi (Größe: 6,39 KB / Downloads: 249)


Edit2:
Die obige Lösung hat noch einen Schönheitsfehler: Sie ist nicht skalierbar. D.h., sie konveriert, wie verlangt, 3x32 = 96 Bit in eine einzige große Dezimalzahl. Ein "richtiger" Programmierer wird aber hier gleich Nägel mit Köpfen machen wollen. Das Vi sollte mit Arrays von Nx32Bit für beliebige Anzahl N funktionieren. Hier die bessere Lösung:

   


8.6 .vi  N x 32Bit to Decimal.vi (Größe: 48,26 KB / Downloads: 238)
Alle Beiträge dieses Benutzers finden
Diese Nachricht in einer Antwort zitieren to top
Antwort schreiben 


Möglicherweise verwandte Themen...
Themen Verfasser Antworten Views Letzter Beitrag
  String in Zahl/ Zahl in String mit Type Cast Jann 6 7.808 18.01.2016 09:02
Letzter Beitrag: Jann
  Zahl in Hex darstellen angry_Nameless 14 19.538 18.04.2012 14:57
Letzter Beitrag: angry_Nameless

Gehe zu: