INFO: Dieses Forum nutzt Cookies...
Cookies sind für den Betrieb des Forums unverzichtbar. Mit der Nutzung des Forums erklärst Du dich damit einverstanden, dass wir Cookies verwenden.

Es wird in jedem Fall ein Cookie gesetzt um diesen Hinweis nicht mehr zu erhalten. Desweiteren setzen wir Google Adsense und Google Analytics ein.


Antwort schreiben 

In versteckte Konfig-Datei schreiben



Wenn dein Problem oder deine Frage geklärt worden ist, markiere den Beitrag als "Lösung",
indem du auf den "Lösung" Button rechts unter dem entsprechenden Beitrag klickst. Vielen Dank!

19.12.2013, 07:55
Beitrag #1

TDO Offline
LVF-Gelegenheitsschreiber
**


Beiträge: 125
Registriert seit: Oct 2013

2016
2009
DE


Deutschland
In versteckte Konfig-Datei schreiben
Hallo Zusammen,

wie kann ich denn in eine versteckte .ini Datei schreiben?
Ich habe die Datei versteckt und schreibgeschützt angelegt, damit Benutzer es nicht so leicht haben die Datei zu finden und zu verändern.
Ich hebe den Schreibschutz auf, schreibe meine Daten in die Datei, schließe die Datei und füge den Schreibschutz wieder hinzu.
Beim schließen der Datei bekomme ich aber immer einen Fehler!
Wenn die Datei nicht versteckt ist, funktioniert der Code.
Wer hat damit schon Erfahrungen gemacht, bzw. weiß wo mein Fehler liegt?
   

Grüße
Alle Beiträge dieses Benutzers finden
Diese Nachricht in einer Antwort zitieren to top
Anzeige
19.12.2013, 08:58
Beitrag #2

TDO Offline
LVF-Gelegenheitsschreiber
**


Beiträge: 125
Registriert seit: Oct 2013

2016
2009
DE


Deutschland
RE: In versteckte Konfig-Datei schreiben
Ich habe es jetzt hinbekommen, indem ich die Datei durch einen Kommandozeilenbefehl mit dem System Exec.vi zunächst sichtbar mache, rein schreibe und wieder verstecke.
Das funktioniert zwar, ist aber finde ich auf den ersten Blick keine schöne Lösung.
Gibt es da noch eine andere Möglichkeit, oder muss ich es so machen?

Grüße
Alle Beiträge dieses Benutzers finden
Diese Nachricht in einer Antwort zitieren to top
19.12.2013, 09:38
Beitrag #3

jg Offline
CLA & CLED
LVF-Team

Beiträge: 15.864
Registriert seit: Jun 2005

20xx / 8.x
1999
EN

Franken...
Deutschland
RE: In versteckte Konfig-Datei schreiben
Aus der Hilfe zu File-Permissions:

Zitat:(Windows) Use of the permissions parameter is very limited on non-Linux operating systems. You can use permissions to change only write permissions for users (bit 7); the operating system ignores all other changes to the bits.

Gruß, Jens

Wer die erhabene Weisheit der Mathematik tadelt, nährt sich von Verwirrung. (Leonardo da Vinci)

!! BITTE !! stellt mir keine Fragen über PM, dafür ist das Forum da - andere haben vielleicht auch Interesse an der Antwort!

Einführende Links zu LabVIEW, s. GerdWs Signatur.
Alle Beiträge dieses Benutzers finden
Diese Nachricht in einer Antwort zitieren to top
19.12.2013, 14:20
Beitrag #4

Trinitatis Offline
LVF-Guru
*****


Beiträge: 1.694
Registriert seit: May 2008

7.1 / 8.0 /2014-1, 18
2002
DE

18055
Deutschland
RE: In versteckte Konfig-Datei schreiben
Hallo TDO,

ist es zwingend nötig, dass die Datei versteckt sein muss? Anderenfalls wäre es ja auch möglich, sie zu verschlüsseln und mit Checksummenbytes gegen unbefugtes Verändern zu markieren.


Gruß, Marko
Alle Beiträge dieses Benutzers finden
Diese Nachricht in einer Antwort zitieren to top
19.12.2013, 16:08 (Dieser Beitrag wurde zuletzt bearbeitet: 19.12.2013 16:09 von Lucki.)
Beitrag #5

Lucki Offline
Tech.Exp.2.Klasse
LVF-Team

Beiträge: 7.699
Registriert seit: Mar 2006

LV 2016-18 prof.
1995
DE

01108
Deutschland
RE: In versteckte Konfig-Datei schreiben
Das Ablegen von Werten in einer INI-Datei ist doch sowieso eine veraltete Methode. Moderner ist das Abspeichern in der Registry. Wenn Du das tun tätest, wäre ein gewisses Verstecken ganz von allein gegeben.
Alle Beiträge dieses Benutzers finden
Diese Nachricht in einer Antwort zitieren to top
19.12.2013, 17:25
Beitrag #6

GerdW Offline
______________
LVF-Team

Beiträge: 17.529
Registriert seit: May 2009

LV2019 (LV2021)
1995
DE_EN

10×××
Deutschland
RE: In versteckte Konfig-Datei schreiben
Hallo Lucki,

warum sollte eine (INI-)Datei "veraltet" sein?

- Du kannst Dateien bequem von einem Rechner auf einen anderen übertragen.
- Bei der Registry musst du auf Berechtigungen achten. Und was mal unter Win2K funktionierte, muss unter Win7/8 nicht mehr funktionieren...
- MS empfiehlt USERAPPDATA als Ablage für Programm-spezifische Dat(ei)en...

Ich würde mich jedenfalls nicht auf das "Sichtbar"-Dateiflag verlassen, wenn ich nicht will, dass der User an irgendwelchen Einstellungen rumfummelt...

Alle Beiträge dieses Benutzers finden
Diese Nachricht in einer Antwort zitieren to top
Anzeige
19.12.2013, 20:01
Beitrag #7

Lucki Offline
Tech.Exp.2.Klasse
LVF-Team

Beiträge: 7.699
Registriert seit: Mar 2006

LV 2016-18 prof.
1995
DE

01108
Deutschland
RE: In versteckte Konfig-Datei schreiben
(19.12.2013 17:25 )GerdW schrieb:  warum sollte eine (INI-)Datei "veraltet" sein?
Ich ziehe den Ausdruck "mit aufrichtigem Bedauern" zurück, ich wollte keine Diskussion über veraltet oder nicht lostreten. Das Abspeicheren in der Registry erlaubt eine benutzerspezifische Konfiguration von Programmen, was mit der INI-Datei nicht ohne weiteres möglich war. Die meisten Programm fragen ja jetzt bei der Installation, ob Installation nur für den angemeldeten Benutzer oder für alle Benutzer.
Für Labview-Installationen hat die benutzersprezifische Installation aber wohl keine nennenswerte Bedeutung, weshalb hier die INI-Datei nach wie vor die erste Wahl ist.

So wie ich TDO verstanden habe, braucht er keine krytographisch sattelfeste Verschlüsselung der ini-Datei. Er möchte nur nicht, das jeder Hinz oder Kunz ohne jede Mühe sofort die Konfigurationsdaten sehen und editieren kann. Dazu wollte ich die Überlegung mit der Registry beisteuern. Wie aufwendig das ist, weiß ich allerdings selbst nicht, ich habe es noch nicht gemacht.
Alle Beiträge dieses Benutzers finden
Diese Nachricht in einer Antwort zitieren to top
20.12.2013, 06:33
Beitrag #8

rasta Offline
LVF-Gelegenheitsschreiber
**


Beiträge: 245
Registriert seit: Oct 2006

LabVIEW 2009-2017
2006
EN

53909
Deutschland
RE: In versteckte Konfig-Datei schreiben
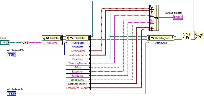
Hallo TDO,
im Anhang ein kleines Beispiel mit .Net.
Schreibschutz aktivieren --> Readonly
Datei verstecken --> Hidden

Die File-Ref bringt ebenfalls die Directory-Ref mit.


Gruß
Ralf


Angehängte Datei(en) Thumbnail(s)
   

10.0 .vi  File-Dir-Attributes.vi (Größe: 13,16 KB / Downloads: 312)
Alle Beiträge dieses Benutzers finden
Diese Nachricht in einer Antwort zitieren to top
20.12.2013, 08:26
Beitrag #9

GerdW Offline
______________
LVF-Team

Beiträge: 17.529
Registriert seit: May 2009

LV2019 (LV2021)
1995
DE_EN

10×××
Deutschland
RE: In versteckte Konfig-Datei schreiben
Hallo Lucki,

Zitat:Für Labview-Installationen hat die benutzersprezifische Installation aber wohl keine nennenswerte Bedeutung, weshalb hier die INI-Datei nach wie vor die erste Wahl ist.
So wie du bei der Registry Zweige "für alle" und "für den angemeldeten User" hast, gibt es auch Orte auf der Festplatte, die entsprechende Zugriffsrechte haben: USERAPPDATA für den angemeldeten User und PUBLICAPPDATA für alle. Nicht umsonst gibt es seit einigen LV-Versionen diese Funktion...
Wenn du benutzerspezifisch und generische Einstellungen in der Registry ablegen willst, musst du verschiedene Keys/Zweige verwenden. Für Dateien (ob nun INI, CSV, XML, ...) gilt das gleiche...

Alle Beiträge dieses Benutzers finden
Diese Nachricht in einer Antwort zitieren to top
30
Antwort schreiben 


Möglicherweise verwandte Themen...
Themen Verfasser Antworten Views Letzter Beitrag
  Datenstrom auf Knopfdruck in Datei schreiben (oder auch nicht) _Markus_ 4 7.108 30.10.2018 09:27
Letzter Beitrag: GerdW
  DI Daten in Datei schreiben puuk! 10 15.494 15.12.2015 13:08
Letzter Beitrag: GerdW
  Zeit in Datei schreiben & Problem beim Aufruf der Datei KorsarDerWeide 5 9.390 22.05.2015 13:00
Letzter Beitrag: KorsarDerWeide
  Zeiterfassung mit in Datei Schreiben M4st3r M M 1 5.364 11.04.2015 20:47
Letzter Beitrag: jg
  Messwerte in Datei schreiben lola2014 1 6.137 14.11.2014 13:47
Letzter Beitrag: Y-P
  Fehler in Text Datei schreiben (Loggen). Lennard 7 9.579 24.06.2014 21:14
Letzter Beitrag: jg

Gehe zu: