INFO: Dieses Forum nutzt Cookies...
Cookies sind für den Betrieb des Forums unverzichtbar. Mit der Nutzung des Forums erklärst Du dich damit einverstanden, dass wir Cookies verwenden.

Es wird in jedem Fall ein Cookie gesetzt um diesen Hinweis nicht mehr zu erhalten. Desweiteren setzen wir Google Adsense und Google Analytics ein.


Antwort schreiben 

Dieses Thema hat akzeptierte Lösungen:

mehrere Plots in einem XY Graph darstellen



Wenn dein Problem oder deine Frage geklärt worden ist, markiere den Beitrag als "Lösung",
indem du auf den "Lösung" Button rechts unter dem entsprechenden Beitrag klickst. Vielen Dank!

21.12.2014, 00:20
Beitrag #1

tom181 Offline
LVF-Grünschnabel
*


Beiträge: 12
Registriert seit: Dec 2014

2012
2013
DE



mehrere Plots in einem XY Graph darstellen
Hallo zusammen,

ich versuche in einem xy Graph mehrere Plots darzustellen. Hierfür benutze ich das Express VI. Das klappt soweit auch ganz gut, nur kann ich nicht zwischen den Plots umschalten. D.h. es wird alles als Plot 1 dargestellt und somit auch alles in der gleichen Farbe. Ich habe schon die Hilfe durchgearbeitet und auch in den Eigenschaftsknoten gesucht, bin aber nicht fündig geworden. Die Benennung der Plots funktioniert.

Achso, ich nutze LV2012.

Gruß
Thomas


12.0 .vi  Anzeige.vi (Größe: 288,94 KB / Downloads: 805)
Alle Beiträge dieses Benutzers finden
Diese Nachricht in einer Antwort zitieren to top
Anzeige
21.12.2014, 12:03
Beitrag #2

Lucki Offline
Tech.Exp.2.Klasse
LVF-Team

Beiträge: 7.699
Registriert seit: Mar 2006

LV 2016-18 prof.
1995
DE

01108
Deutschland
RE: mehrere Plots in einem XY Graph darstellen
Generell geht das so:
   
Alle Beiträge dieses Benutzers finden
Diese Nachricht in einer Antwort zitieren to top
21.12.2014, 12:26
Beitrag #3

tom181 Offline
LVF-Grünschnabel
*


Beiträge: 12
Registriert seit: Dec 2014

2012
2013
DE



RE: mehrere Plots in einem XY Graph darstellen
Hallo,

Vielen Dank für die Antwort, das ist mir soweit bekannt. Ich möchte aber in einer For-Schleife ein 3D Array indizieren und das in einem Plot darstellen. Die Seitenanzahl des Arrays variiert mit den eingelesenen Daten und genauso soll die Anzahl der Plots variieren können.

Gruß
Thomas
Alle Beiträge dieses Benutzers finden
Diese Nachricht in einer Antwort zitieren to top
21.12.2014, 14:05 (Dieser Beitrag wurde zuletzt bearbeitet: 21.12.2014 14:24 von Lucki.)
Beitrag #4

Lucki Offline
Tech.Exp.2.Klasse
LVF-Team

Beiträge: 7.699
Registriert seit: Mar 2006

LV 2016-18 prof.
1995
DE

01108
Deutschland
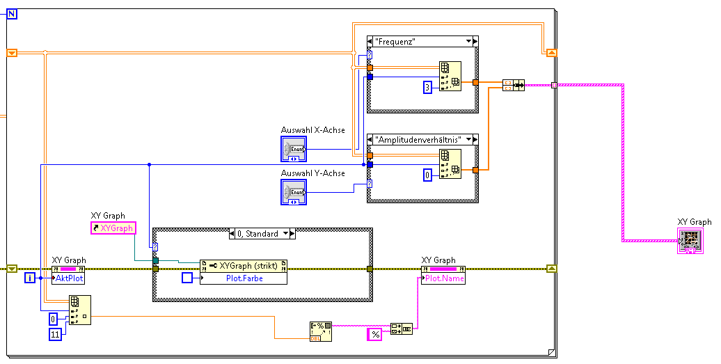
RE: mehrere Plots in einem XY Graph darstellen

Akzeptierte Lösung

(21.12.2014 12:26 )tom181 schrieb:  Die Seitenanzahl des Arrays variiert mit den eingelesenen Daten und genauso soll die Anzahl der Plots variieren können.
Wenn die Anforderungen, so wie hier bei Dir, etwas spezieller werden, dann gibt es eine ebenso einfache Antwort (- und wieder wirst Du sagen: das ist Dir soweit bekannt - Big Grin): Abschied nehmen von Expres-VIs (oder wenigstens vom Express-XY-Graph) , denn die sind eben nur für Standardaufgaben konzipiert.
Kannst ja mal hier mit Üben anfangen:

12.0 .vi  multiplot.vi (Größe: 10,78 KB / Downloads: 1519)
Alle Beiträge dieses Benutzers finden
Diese Nachricht in einer Antwort zitieren to top
21.12.2014, 23:31
Beitrag #5

tom181 Offline
LVF-Grünschnabel
*


Beiträge: 12
Registriert seit: Dec 2014

2012
2013
DE



RE: mehrere Plots in einem XY Graph darstellen
Hallo,

Hilfe lesen schadet manchmal nicht...habs denn doch     hinbekommen.

Vielen Dank
Thomas
Alle Beiträge dieses Benutzers finden
Diese Nachricht in einer Antwort zitieren to top
24.08.2015, 10:01
Beitrag #6

Margi Offline
LVF-Gelegenheitsschreiber
**


Beiträge: 54
Registriert seit: Aug 2015

NI LabVIEW 2014 SP1
2015
DE



RE: mehrere Plots in einem XY Graph darstellen
Hallo alle zusammen,
ich habe auch das gleiche Problem, wie kann ich mehrere Plots in einem XY-Graph darstellen.
Danke für eure Hilfe im Voraus,
Margi


Angehängte Datei(en)
14.0 .vi  L_I_10Components.vi (Größe: 134,1 KB / Downloads: 689)
Alle Beiträge dieses Benutzers finden
Diese Nachricht in einer Antwort zitieren to top
Anzeige
24.08.2015, 10:19
Beitrag #7

Trinitatis Offline
LVF-Guru
*****


Beiträge: 1.694
Registriert seit: May 2008

7.1 / 8.0 /2014-1, 18
2002
DE

18055
Deutschland
RE: mehrere Plots in einem XY Graph darstellen
(24.08.2015 10:01 )Margi schrieb:  ... wie kann ich mehrere Plots in einem XY-Graph darstellen.

Hallo Margi,

das geht z.B. so:


Gruß, Marko


Angehängte Datei(en) Thumbnail(s)
   
Alle Beiträge dieses Benutzers finden
Diese Nachricht in einer Antwort zitieren to top
24.08.2015, 14:18
Beitrag #8

Margi Offline
LVF-Gelegenheitsschreiber
**


Beiträge: 54
Registriert seit: Aug 2015

NI LabVIEW 2014 SP1
2015
DE



RE: mehrere Plots in einem XY Graph darstellen
Danke für schnelle Antwort.
Ich möchte aber gleichen X-Achse-Werte mit verschiedenen Y-Achse-Werte (durch 10 Messungen die 10 entsprechenden 10 Kennlinien) in einem Graph darstellen. Wie kann ich es mit Labview realisieren?
Danke noch mal und viele Grüße,
Margi
Alle Beiträge dieses Benutzers finden
Diese Nachricht in einer Antwort zitieren to top
24.08.2015, 14:25 (Dieser Beitrag wurde zuletzt bearbeitet: 24.08.2015 14:36 von Trinitatis.)
Beitrag #9

Trinitatis Offline
LVF-Guru
*****


Beiträge: 1.694
Registriert seit: May 2008

7.1 / 8.0 /2014-1, 18
2002
DE

18055
Deutschland
RE: mehrere Plots in einem XY Graph darstellen
(24.08.2015 14:18 )Margi schrieb:  Ich möchte aber gleichen X-Achse-Werte mit verschiedenen Y-Achse-Werte (durch 10 Messungen die 10 entsprechenden 10 Kennlinien) in einem Graph darstellen.

Hallo Margi,

ich möglicherweise reden wir aneinander vorbei.
Ich dächte, genau das von dir gewünschte zeigt mein Screenshot, allerdings mit 2 Kennlinien.
Oder geht es dir um verschiedene Scalierungen der jeweiligen Y-Achsen der 10 Kennlinien?
Dann müsstest du mehrere Y-Achsen einfügen und jeder Achse ein oder mehrere Graphen zuordnen.

Ansonsten haben meine beiden Kennlinien die X-Werte 0-9 und jeweils zuföllige Y-Werte (bei einer Linie um 5 beaufschlagt wg. besserer Übersichtlichkeit)



Gruß, Marko
Edit:
Ich hab´noch eine Idee, was du gemeint haben könntest Smile
Sieh dir mal das angehängte VI an. Das Express-VI habe ich hier benutzt, um fortlaufend auf den XY-Graph schreiben zu können.


Gruß, Marko


Angehängte Datei(en)
8.0 .vi  XY02.vi (Größe: 73,37 KB / Downloads: 754)
Alle Beiträge dieses Benutzers finden
Diese Nachricht in einer Antwort zitieren to top
25.08.2015, 08:11
Beitrag #10

Margi Offline
LVF-Gelegenheitsschreiber
**


Beiträge: 54
Registriert seit: Aug 2015

NI LabVIEW 2014 SP1
2015
DE



RE: mehrere Plots in einem XY Graph darstellen
Danke Marco,
ich möchte so einen Graph wie in Excel aber stattdessen mit LabVIEW haben. Soll ich mir Arrays machen?

Vielen Dank im Voraus und schöne Grüße,
Margi


Angehängte Datei(en) Thumbnail(s)
   
Alle Beiträge dieses Benutzers finden
Diese Nachricht in einer Antwort zitieren to top
30
Antwort schreiben 


Möglicherweise verwandte Themen...
Themen Verfasser Antworten Views Letzter Beitrag
  XY Graph mehrere Plots Hubert R. 2 4.700 03.11.2022 08:45
Letzter Beitrag: Hubert R.
  Plots vom Graph im Diagramm mit Maus ändern Peet 9 13.140 06.05.2022 10:25
Letzter Beitrag: GerdW
  X und Y Wert in einem Graph und nicht als Signalverlaufsdiagramm braendy 5 7.194 05.03.2021 09:24
Letzter Beitrag: GerdW
  Problem bei der Darstellung von Punkte in einem XY Graph. Armeldonald 7 6.747 29.08.2019 20:28
Letzter Beitrag: GerdW
  mehrere Graphen im XY Graph seuk 4 7.558 10.01.2019 13:06
Letzter Beitrag: seuk
  1D-Arrays in einem Chart-Diagramm darstellen EinVolvic 5 10.459 12.05.2017 14:29
Letzter Beitrag: EinVolvic

Gehe zu: