Hallo,
Danke für die Antwort! Hat alles geklappt und speichert nun die Werte so, wie ich mir das vorgestellt habe
Nun stehe ich allerdings wieder vor dem nächsten Problem

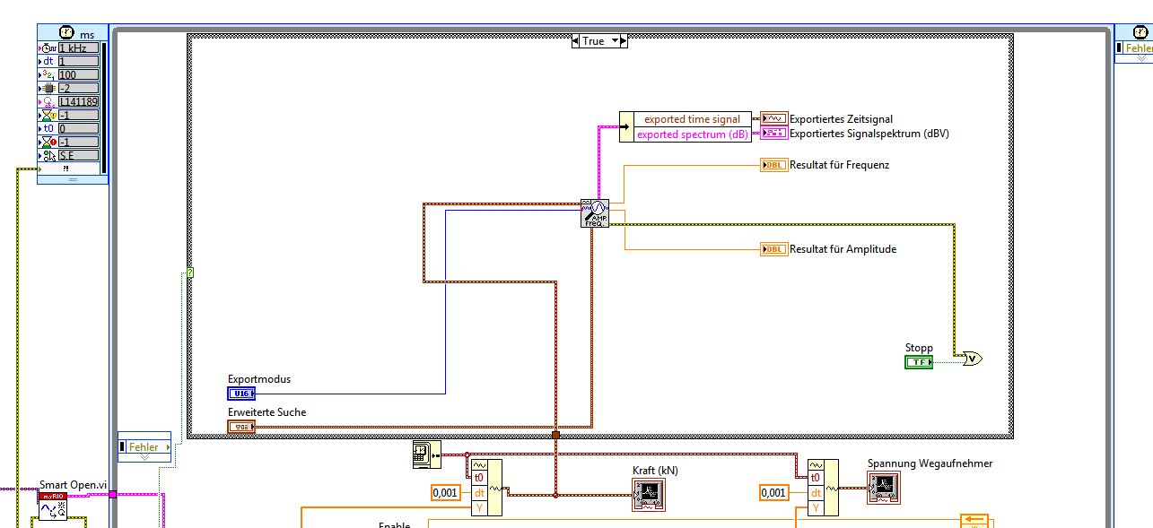
Ich möchte gerne die tatsächliche Frequenz meines gemessenen Kraftverlaufs haben, um den auftretenden Frequenzfehler zu ermitteln, bzw. meine Frequenz an zu passen.
Ich würde dieses gerne mit dem VI "Charakteristika einer Schwingung ermitteln" lösen. Oder gibt es da eine bessere Lösung? Ich habe schon etliche Beiträge hier im Forum danach durchsucht und auch einige Beispiele ausprobiert. In den Beispielen funktioniert dies immer sehr gut. Nur bei mir im Programm will das aus irgendeinem Grund nicht wirklich funktionieren.
Die ausgegebene Frequenz bleibt immer null.
Hat jemand vielleicht eine Idee, wo bei mir da der Fehler liegen könnte?
PS: Im Anhang ist ein Bild, mit der aktuellen Einbindung der Funktion. Die Case-Struktur wird gestartet, sobald das Kraftsignal anliegt.