INFO: Dieses Forum nutzt Cookies...
Cookies sind für den Betrieb des Forums unverzichtbar. Mit der Nutzung des Forums erklärst Du dich damit einverstanden, dass wir Cookies verwenden.

Es wird in jedem Fall ein Cookie gesetzt um diesen Hinweis nicht mehr zu erhalten. Desweiteren setzen wir Google Adsense und Google Analytics ein.


Thema geschlossen 

Timer in While Schleife



Wenn dein Problem oder deine Frage geklärt worden ist, markiere den Beitrag als "Lösung",
indem du auf den "Lösung" Button rechts unter dem entsprechenden Beitrag klickst. Vielen Dank!

17.03.2010, 14:43
Beitrag #1

Oleg Offline
LVF-Gelegenheitsschreiber
**


Beiträge: 107
Registriert seit: Feb 2010

2009
2009
de

45307
Deutschland
Timer in While Schleife
Hallo nochmal,

Weiss jemand, wann startet der Timer ('Wait # ms'Wink in einer While Schleife ? Ganz am Anfang und läuft parallel zu anderen Operationen,
oder am Ende bevor BedingungsPrüfung ?

Danke!

Gruß
Oleg


Angehängte Datei(en) Thumbnail(s)
   
Alle Beiträge dieses Benutzers finden
to top
Anzeige
17.03.2010, 14:55
Beitrag #2

Y-P Offline
☻ᴥᴥᴥ☻ᴥᴥᴥ☻
LVF-Team

Beiträge: 12.612
Registriert seit: Feb 2006

Developer Suite Core -> LabVIEW 2015 Prof.
2006
EN

71083
Deutschland
Timer in While Schleife
Wenn ich mich richtig erinnere, wird nach dem Abarbeiten des Codes die gesamte Zeit gewartet, die Du an "Wait (ms)" (Armbanduhr) angeschlossen hast.
Dagegen wartet "Wait until Next ms Multiple" (Metronom) so lange, bis der Schleifendurchlauf (Code und Warten) so lange dauert, wie der angeschlossene Wert.

Gruß Markus

--------------------------------------------------------------------------
Bitte stellt mir keine Fragen über PM, dafür ist das Forum da - andere haben vielleicht auch Interesse an der Antwort !!
--------------------------------------------------------------------------
Alle Beiträge dieses Benutzers finden
to top
17.03.2010, 15:05
Beitrag #3

Oleg Offline
LVF-Gelegenheitsschreiber
**


Beiträge: 107
Registriert seit: Feb 2010

2009
2009
de

45307
Deutschland
Timer in While Schleife
' schrieb:Wenn ich mich richtig erinnere...
Danke!
Alle Beiträge dieses Benutzers finden
to top
17.03.2010, 15:12
Beitrag #4

jg Offline
CLA & CLED
LVF-Team

Beiträge: 15.864
Registriert seit: Jun 2005

20xx / 8.x
1999
EN

Franken...
Deutschland
Timer in While Schleife
' schrieb:Wenn ich mich richtig erinnere, wird nach dem Abarbeiten des Codes die gesamte Zeit gewartet, die Du an "Wait (ms)" (Armbanduhr) angeschlossen hast.
Dagegen wartet "Wait until Next ms Multiple" (Metronom) so lange, bis der Schleifendurchlauf (Code und Warten) so lange dauert, wie der angeschlossene Wert.
Nein, falsch, nein!

Wait wartet einfach die angeschlossene Zeit. Wann das ausgeführt wird, hängt vom Aufbau des VI ab!

Wait until Next.... wartet solange, bis der interne ms-Counter ein ganzzahliges Vielfaches des angeschlossenen Wertes ist. Es kann also sein, dass dieses VI nur 20 ms wartet, obwohl 100 als Eingang angeschlossen ist.

Gruß, Jens

Wer die erhabene Weisheit der Mathematik tadelt, nährt sich von Verwirrung. (Leonardo da Vinci)

!! BITTE !! stellt mir keine Fragen über PM, dafür ist das Forum da - andere haben vielleicht auch Interesse an der Antwort!

Einführende Links zu LabVIEW, s. GerdWs Signatur.
Alle Beiträge dieses Benutzers finden
to top
17.03.2010, 15:14
Beitrag #5

Y-P Offline
☻ᴥᴥᴥ☻ᴥᴥᴥ☻
LVF-Team

Beiträge: 12.612
Registriert seit: Feb 2006

Developer Suite Core -> LabVIEW 2015 Prof.
2006
EN

71083
Deutschland
Timer in While Schleife
Das wäre mir aber neu.... O
Da les' ich doch gleich mal nach.

Gruß Markus

' schrieb:Wait wartet einfach die angeschlossene Zeit. Wann das ausgeführt wird, hängt vom Aufbau des VI ab!

Wait until Next.... wartet solange, bis der interne ms-Counter ein ganzzahliges Vielfaches des angeschlossenen Wertes ist. Es kann also sein, dass dieses VI nur 20 ms wartet, obwohl 100 als Eingang angeschlossen ist.

Gruß, Jens

--------------------------------------------------------------------------
Bitte stellt mir keine Fragen über PM, dafür ist das Forum da - andere haben vielleicht auch Interesse an der Antwort !!
--------------------------------------------------------------------------
Alle Beiträge dieses Benutzers finden
to top
17.03.2010, 15:22 (Dieser Beitrag wurde zuletzt bearbeitet: 17.03.2010 15:23 von Y-P.)
Beitrag #6

Y-P Offline
☻ᴥᴥᴥ☻ᴥᴥᴥ☻
LVF-Team

Beiträge: 12.612
Registriert seit: Feb 2006

Developer Suite Core -> LabVIEW 2015 Prof.
2006
EN

71083
Deutschland
Timer in While Schleife
Es ist bei "Wait until Next ms Multiple" so, dass wenn der Code 20 ms dauert, dass dann gewartet wird, bis die 100 ms voll sind, dauert der Code z.B. 102 ms, dann wird 200 ms gewartet, weil 200 ein Vielfaches von 100 ist.

Hier der Link:
http://digital.ni.com/public.nsf/allkb/12B...6256257004DD8E2

Gruß Markus

' schrieb:Wait until Next.... wartet solange, bis der interne ms-Counter ein ganzzahliges Vielfaches des angeschlossenen Wertes ist. Es kann also sein, dass dieses VI nur 20 ms wartet, obwohl 100 als Eingang angeschlossen ist.

--------------------------------------------------------------------------
Bitte stellt mir keine Fragen über PM, dafür ist das Forum da - andere haben vielleicht auch Interesse an der Antwort !!
--------------------------------------------------------------------------
Alle Beiträge dieses Benutzers finden
to top
Anzeige
17.03.2010, 15:26
Beitrag #7

Oleg Offline
LVF-Gelegenheitsschreiber
**


Beiträge: 107
Registriert seit: Feb 2010

2009
2009
de

45307
Deutschland
Timer in While Schleife
' schrieb:Nein, falsch, nein!

Was würde dann besser zu meinem Fall passen? : Eine Schleife soll nicht kürze als 1 sekunde sein, wenn nötig kann aber länger.

Oleg
Alle Beiträge dieses Benutzers finden
to top
17.03.2010, 15:32
Beitrag #8

RoLe Offline
LVF-Guru
*****


Beiträge: 1.236
Registriert seit: Jul 2007

-
1997
en

0
Schweiz
Timer in While Schleife
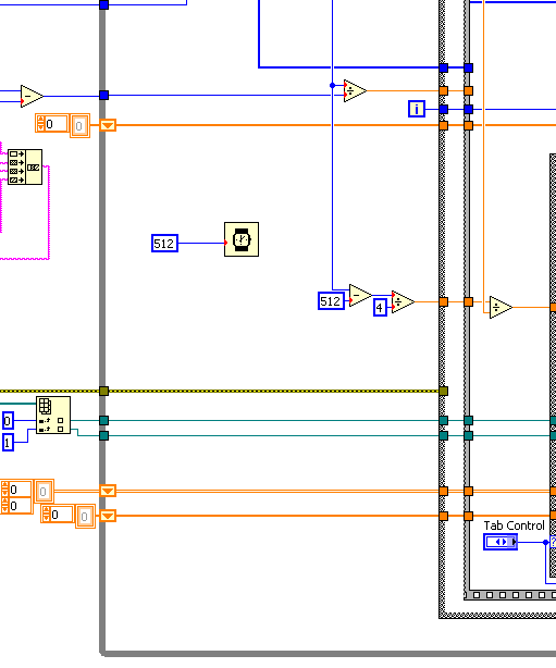
Allgemein, lohnt es sich, für solches ein SubVi zu erstellen wie in dem Bild.
- durch denn Errorcluster kann genau bestimmt werden, wann gewartet werden soll.
- bei einem Fehler wird nicht gewartet, was besonders bei langen Wartezeiten sinnvoll ist.


Angehängte Datei(en) Thumbnail(s)
   

.·´¯)--> Leben ist das, was dir passiert, wenn du eifrig dabei bist andere Pläne zu machen <--(¯`·.
Alle Beiträge dieses Benutzers finden
to top
17.03.2010, 15:37 (Dieser Beitrag wurde zuletzt bearbeitet: 17.03.2010 15:54 von Lucki.)
Beitrag #9

Lucki Offline
Tech.Exp.2.Klasse
LVF-Team

Beiträge: 7.699
Registriert seit: Mar 2006

LV 2016-18 prof.
1995
DE

01108
Deutschland
Timer in While Schleife
Der Timer ist ein VI wie jedes andere und niemand kann garantieren, daß bei der parallelen Verabarbeitung des Codes in der Schleife der Timer zuerst aufgerufen wird.
Andererseits kann man sich eigentlich immer darauf verlassen, daß innerhalb einer Struktur zuerst die einfachen Dinge wie Lesen von Variablen, Addieren usw. erledigt werden und erst dann die in der Struktur verschachtelten weiteren Strukturen. Und zu den einfachen Dingen gehört auch der Timer.
Also auf Dein Beipiel bezogen heißt das: Man kann nicht sagen, ob zuerst der Timer gestartet wird oder zuerst die Subtraktionen/Divisionen ausgeführt werden. Das ist auch uninteressant, weil dies Operationen weit weniger als 1µs beanspruchen. Aber auf jeden Fall wird Wait gestartet, bevor die internen Strukturen im rechten Teil des Bildes abgearbeitet werden.
Im Übrigen läßt sich die Reihenfolge mittels Einzelschrittanalyse ganz leicht feststellen.
Au keinen Fall ist es so, daß die Gesamt-Wartezeit in der Schleife die Summe von Timerzeit und Code-Bearbeitungszeit ist. Die Gesamt-Auführungszeit wird eher durch die längere der beiden Zeiten bestimmt.

@Role:
Ein mikroskopisch kleines VI mit fast genau diesem Inhalt gibt es ja bereits in der Timer-Palette, aber da dieses unter "Express-VI" firmiert, werden sich manche hier eher die Hand abhacken, bevor sie es verwenden Mellow(Und ich weiß, daß es unvornehm ist, auf die Existenz eines solchen No-GO-VI überhaupt hinzuweisen:mellow:Hoffentlich verliere ich jetz meinen "Expert"-Status nicht)
Alle Beiträge dieses Benutzers finden
to top
17.03.2010, 16:12
Beitrag #10

RoLe Offline
LVF-Guru
*****


Beiträge: 1.236
Registriert seit: Jul 2007

-
1997
en

0
Schweiz
Timer in While Schleife
' schrieb:@Role:
Ein mikroskopisch kleines VI mit fast genau diesem Inhalt gibt es ja bereits in der Timer-Palette, aber da dieses unter "Express-VI" firmiert, werden sich manche hier eher die Hand abhacken, bevor sie es verwenden Mellow
Express-Design ist nicht das Problem, sondern,
- wartet auch bei Fehler.
- Zeitangabe mit DBL (s) (wer braucht den sowas)

.·´¯)--> Leben ist das, was dir passiert, wenn du eifrig dabei bist andere Pläne zu machen <--(¯`·.
Alle Beiträge dieses Benutzers finden
to top
Thema geschlossen 


Möglicherweise verwandte Themen...
Themen Verfasser Antworten Views Letzter Beitrag
  2 Parallele While-Schleifen mit unterschiedlichen Timer beenden Tomate27 3 3.760 18.08.2020 13:29
Letzter Beitrag: GerdW
  Timer macht was er will :-) Natalie1984 6 5.426 04.07.2019 12:49
Letzter Beitrag: IchSelbst
  While-Schleife anhalten ohne Timer valerian 2 4.895 04.10.2017 09:28
Letzter Beitrag: valerian
  Timer in [s] grba123 9 10.233 18.08.2015 15:14
Letzter Beitrag: Lucki
  Bedingung mit Timer verknüpfen ETechnik 7 8.027 28.05.2015 19:31
Letzter Beitrag: ETechnik
  (Absoluter) Bezug des VIs Timer-Wert RadioactiveMan 1 4.927 22.07.2014 13:17
Letzter Beitrag: jg

Gehe zu: