Hallo Jens,
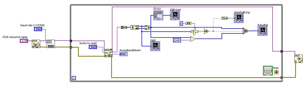
vielen Dank für deine schnelle Antwort. Ich habe deinen Vorschlag gleich umgesetzt, aber es klappen leider beide Möglichkeiten nicht. Ich musste nur "To Word Integer" 16 Bit nach jeder Konstanten einfügen, sonst hatte ich immer ein Integer mit 32 Bit. Ich hab es auch so Original nach deinem Vorschlag probiert, klappte auch nicht.
Im Anhang findest du die aufgezeichnetten Verläufe von einem Sinus-Testsignal.
Verlauf ohne Array: nach deinem Vorschlag (nach dem "Type Cast")
Verlauf mit Array: zeigt den Verlauf so wie er sein sollte (nach dem "Join Numbers")
Es scheint mir so zu sein, als könnte man nur mit Array`s hier weiterkommen, denn immer wenn ich das Array umwandele, kommt nur noch Müll raus, ich verstehe nur nicht WARUM

??? Denn da ich das Signal noch umrechnen, Tiefpass filtern und den gleitenden Effektivwert berechnen muss, ist ein Array woll auch nicht gerade geeignet, oder???
Mein Signal wird von einem XBEE-Modul aufgenommen und in einem COM-Port (High-Byte, dann Low-Byte) übergeben, vielleicht hilft die Info bei einem Lösungsvorschlag.
Ich hoffe du oder ein jemand anderes kann mir bei meinem Problem helfen.
Grüße
BEng Thomas