INFO: Dieses Forum nutzt Cookies...
Cookies sind für den Betrieb des Forums unverzichtbar. Mit der Nutzung des Forums erklärst Du dich damit einverstanden, dass wir Cookies verwenden.

Es wird in jedem Fall ein Cookie gesetzt um diesen Hinweis nicht mehr zu erhalten. Desweiteren setzen wir Google Adsense und Google Analytics ein.


Antwort schreiben 

CAN problem, keine daten empfangen



Wenn dein Problem oder deine Frage geklärt worden ist, markiere den Beitrag als "Lösung",
indem du auf den "Lösung" Button rechts unter dem entsprechenden Beitrag klickst. Vielen Dank!

09.08.2007, 11:54
Beitrag #1

ThiTob Offline
LVF-Neueinsteiger


Beiträge: 8
Registriert seit: Mar 2007

8.2
2007
kA


Deutschland
CAN problem, keine daten empfangen
Hoi zusammen,

meine Aufgabe ist es mit einer ECU zu komunizieren.
habe mit Channel API`S schon mal etwas zusammen gestellt, bekomme auch keine Fehlermeldung mehr, leider bekomme ich keine Werte herausgelessen.

habe eine PXI mit CAN-Karte, baudrate stimmt (500kbaud), in der MAX sind die Botsschaften mit samt Messages eingelesen und zum RT-System gesendet worden.
ECU läuft, bzw ist an.

Hat jemand schon Erfahrung mit den channel API`s gemacht???

UNd könnte mir bitte helfen.

Ich bedanke mich schon mal im Vorraus für Eure Antworten
   
Alle Beiträge dieses Benutzers finden
Diese Nachricht in einer Antwort zitieren to top
Anzeige
09.08.2007, 12:10
Beitrag #2

eg Offline
LVF-SeniorMod


Beiträge: 3.868
Registriert seit: Nov 2005

2016
2003
kA

66111
Deutschland
CAN problem, keine daten empfangen
Baruchst du Channel API oder reicht schon die Frame API?

Es ist so, dass man über Frame API über CAN auf der tieferen Ebene kommuniziert (Datenpaket hin, Datenpaket her).
Die Channel API ist für die abstraktere Ebene gedacht. Du kannst die ein Channel konfigurieren und, dann bekommst du gleich die richtigen Zahlenwerte raus(wie du es halt konfiguriert hast) und nicht wie bei der Frame API das Datenpacket bestehend aus z.B. 8 Byte.

Schau dir mal meinen CAN-Terminal an.

http://www.LabVIEWforum.de/index.php?showtopic=6451

eg

Webseite des Benutzers besuchen Alle Beiträge dieses Benutzers finden
Diese Nachricht in einer Antwort zitieren to top
09.08.2007, 12:22
Beitrag #3

ThiTob Offline
LVF-Neueinsteiger


Beiträge: 8
Registriert seit: Mar 2007

8.2
2007
kA


Deutschland
CAN problem, keine daten empfangen
Hallo eg,

Als erstes mal danke für deine fixe antwort.

ich versuch mal dein Can Terminal

kann bei mir länger dauern, bin nicht so fix in LV

bis später grüssle
Alle Beiträge dieses Benutzers finden
Diese Nachricht in einer Antwort zitieren to top
09.08.2007, 13:09
Beitrag #4

ThiTob Offline
LVF-Neueinsteiger


Beiträge: 8
Registriert seit: Mar 2007

8.2
2007
kA


Deutschland
CAN problem, keine daten empfangen
' schrieb:Baruchst du Channel API oder reicht schon die Frame API?

Es ist so, dass man über Frame API über CAN auf der tieferen Ebene kommuniziert (Datenpaket hin, Datenpaket her).
Die Channel API ist für die abstraktere Ebene gedacht. Du kannst die ein Channel konfigurieren und, dann bekommst du gleich die richtigen Zahlenwerte raus(wie du es halt konfiguriert hast) und nicht wie bei der Frame API das Datenpacket bestehend aus z.B. 8 Byte.

Schau dir mal meinen CAN-Terminal an.

http://www.LabVIEWforum.de/index.php?showtopic=6451

eg


Hallo eg,

bin richtiger Anfänger, also entschuldige ich mich schon vorab für billige Fragen von mir.

wenn ich dein terminal laufen lasse und nen button drücke passiert nichts! was muss ich einstellen, bzw verändern,dass es funkt??? muss ich dein Programm bei mir einbinden???

hier mal nen screenshoot
   

entschuldige, dass ich noch nicht erwähnte, dass ich in einem Auto sitze und dort F-Can botschaften bzw. deren Werte auslesen möchte.
was verstehst Du unter tiefere bzw. Abstraktere Ebene???

muss ich also spezielle byte aus den Message auslesen??
sorryWink

grüssle
Alle Beiträge dieses Benutzers finden
Diese Nachricht in einer Antwort zitieren to top
09.08.2007, 13:22
Beitrag #5

eg Offline
LVF-SeniorMod


Beiträge: 3.868
Registriert seit: Nov 2005

2016
2003
kA

66111
Deutschland
CAN problem, keine daten empfangen
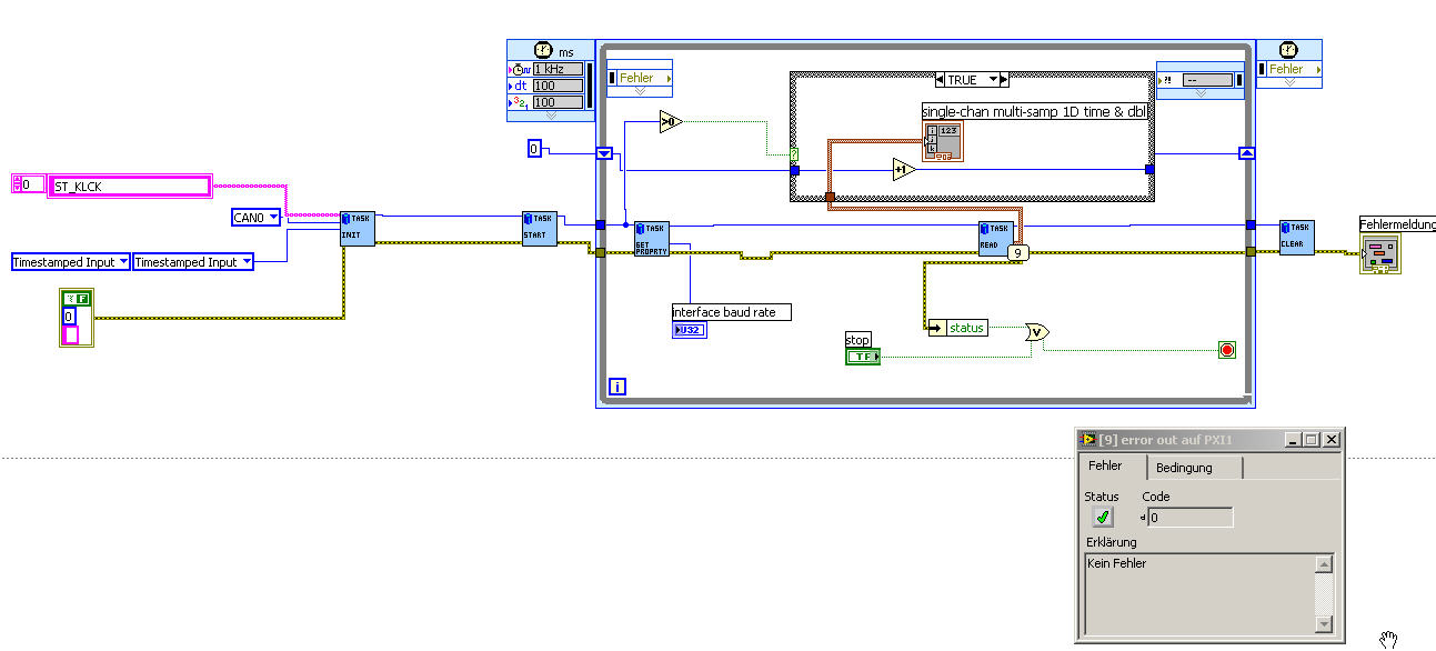
Uff, hast du mich erschrocken. Ich habe schon gedacht mein Terminal funkt nicht. Schnell mal selber heruntergeladen und ausprobiert. Also bei mir funktioniert er 1a. Siehe Bild. Also irgendwas hast du verkehrt gemacht (vielleicht nicht vollständig entpackt oder wasweissich).

Mein Terminal musst du nicht einbinden, sondern du kannst da abgucken wie ich es gemacht habe und so ähnlich dein Programm aufbauen.

eg


Angehängte Datei(en) Thumbnail(s)
   

Webseite des Benutzers besuchen Alle Beiträge dieses Benutzers finden
Diese Nachricht in einer Antwort zitieren to top
09.08.2007, 13:30 (Dieser Beitrag wurde zuletzt bearbeitet: 09.08.2007 13:56 von ThiTob.)
Beitrag #6

ThiTob Offline
LVF-Neueinsteiger


Beiträge: 8
Registriert seit: Mar 2007

8.2
2007
kA


Deutschland
CAN problem, keine daten empfangen
Sorry wollte Dich nicht schocken.
Ich versuchs nochmal und danke für deine Hilfe!!!

Ich hab des Programm von der PXI gestartet, da funktionierte es nicht.

hast ne ahnung wieso es auf der Pxi nicht geht???


Grüssle
Alle Beiträge dieses Benutzers finden
Diese Nachricht in einer Antwort zitieren to top
Antwort schreiben 


Möglicherweise verwandte Themen...
Themen Verfasser Antworten Views Letzter Beitrag
  Problem beim daten empfangen mit Visa rudis 3 7.862 17.11.2021 12:54
Letzter Beitrag: GerdW
  Empfangen von Messwerten µC JK87 12 20.596 04.11.2019 09:59
Letzter Beitrag: GerdW
  RS232 Float Werte senden/empfangen mate Ria 1 5.975 07.11.2013 16:16
Letzter Beitrag: jg
  Keine Daten kommen an vom Hameg 8115 über VISA RS232 USB fsg4u 3 7.168 09.08.2012 14:33
Letzter Beitrag: fsg4u
  RS232 Unregelmäßige empfangen von daten exkluski 4 7.225 04.05.2012 10:23
Letzter Beitrag: exkluski
  Negative Zahl mit VISA empfangen sharth 2 5.792 30.11.2011 12:27
Letzter Beitrag: sharth

Gehe zu: