INFO: Dieses Forum nutzt Cookies...
Cookies sind für den Betrieb des Forums unverzichtbar. Mit der Nutzung des Forums erklärst Du dich damit einverstanden, dass wir Cookies verwenden.

Es wird in jedem Fall ein Cookie gesetzt um diesen Hinweis nicht mehr zu erhalten. Desweiteren setzen wir Google Adsense und Google Analytics ein.


Antwort schreiben 

Datenquelle gleichzeitig mit unterschiedlichen Geschwindigkeiten abtasten?



Wenn dein Problem oder deine Frage geklärt worden ist, markiere den Beitrag als "Lösung",
indem du auf den "Lösung" Button rechts unter dem entsprechenden Beitrag klickst. Vielen Dank!

13.02.2013, 14:44
Beitrag #1

TickTack Offline
LVF-Neueinsteiger


Beiträge: 2
Registriert seit: Feb 2013

12.0
2012
DE



Datenquelle gleichzeitig mit unterschiedlichen Geschwindigkeiten abtasten?
Hallo zusammen!

Ich beschäftige mich im Rahmen meiner BA zur Zeit mit LabVIEW. Da ich vorher noch nie etwas mit dem Programm oder überhaupt mit grafischer Programmierung zu tun hatte, entschuldige ich mich hier schonmal für die ganzen möglicherweise blöden Fragen, die ich wahrscheinlich noch stellen werde..

Was ich machen möchte:
An einem Motor ist ein Schwingungssensor angebracht, der die Vibration eines Bauteils misst. Dort tritt eine Resonanzstelle auf, d.h. die Amplitude hat bei einer bestimmten Schwingfrequenz (und damit Motordrehzahl) einen Peak. Aufgrund dieser Resonanzamplitude soll die Drehzahl des Motors gesteuert werden, damit sie bei einer Verschiebung der Resonanzfrequenz nachgeregelt werden kann. Soviel zum Hintergrund.

Bisher habe ich noch keine Messtechnik, daher will ich erst einmal ein Programm mit einer simulierten Schwingung entwerfen, das ich dann an die reale Anwendung anpassen kann.

Ich möchte die Werte der Schwingungsamplitude und -frequenz aufzeichnen. Aufgrund der Amplitude soll dann schrittweise die Motordrehzahl geändert werden. Dafür muss die Abtastrate hoch genug sein. Die Aufzeichnung sollte ein, zwei Stunden zurückreichen, damit man bei Testabbruch diese Zeit genau nachvollziehen kann.

Weiterhin möchte ich auch ein kleineres Array erzeugen, dass die letzten 500 Messwerte erhält. Anhand von diesen soll die Abweichung der Maximal-Amplitude berechnet werden.

Zum Schluss möchte ich dann die Messwerte für Amplitude/Drehzahl jede Minute (oder so ähnlich) abspeichern, damit ich auch eine Dokumentation über den gesamten Zeitraum der Prüfung habe. Dazu muss dann eben nicht jeder Messwert aufgenommen werden.

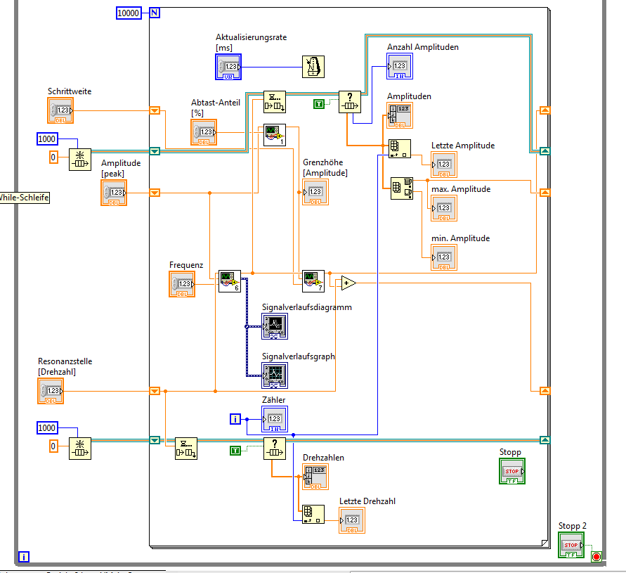
Im Bild ist mein bisheriges Programm. In die SubVIs habe ich nur einige Funktionen ausgelagert, wie die Simulation der Resonanzschwingung, die Feststellung des Vorzeichens für den Drehzahlschritt, etc, die spielen also für das Problem keine Rolle. Wie man sieht, füge ich die gemessenen Amplituden und die Drehzahl jeweils in eine Queue ein. Gibt es eine Möglichkeit, wie ich diese Messwerte mehrfach abtasten kann? Ergebnis wären dann eine Queue mit 1000 Werten in der Original-Abtastrate, eine Queue mit 100-500 Werten in der Original-Abtastrate und eine Queue, in die alle paar Minuten die aktuellen Werte gespeichert werden.

Ich hoffe ich hab das einigermaßen verständlich beschrieben. Wäre super, wenn mir jemand einen Tip geben könnte. Ich benutze LV 2012 (Studentenversion).


Angehängte Datei(en) Thumbnail(s)
   
Alle Beiträge dieses Benutzers finden
Diese Nachricht in einer Antwort zitieren to top
Anzeige
18.02.2013, 16:19
Beitrag #2

Kasi Offline
LVF-Stammgast
***


Beiträge: 342
Registriert seit: Dec 2010

6 - 2009
2005
DE_EN

79194
Deutschland
RE: Datenquelle gleichzeitig mit unterschiedlichen Geschwindigkeiten abtasten?
Tagchen,

deine Idee mit der Queue für die Problematik finde ich nett, ich würde allerdings vorschlagen, für die Umsetzung deiner Idee eher drei Queues anzulegen:
Eine mit 120 Elementen (zwei Stunden à eine Minute), eine mit 1000 Elementen (für lange Echtzeithistorie), eine mit 100-500 (für kurze Echtzeithistorie), wobei die erste in der langsamen, die letzten beiden in schneller Taktung gefüttert werden.

Außerdem würde ich mich für die eigentliche Einsortierung in die Queues mit Producer-Consumer Strukturen vertraut machen, wenn du das nicht bereits getan hast.

Hoffe, das beantwortet deine Frage? War das überhaupt deine Frage? Big Grin

If you're havin' serial communication problems I feel bad for you, son, I got 99 problems but a baud ain't one! (except if using USB2serial converters, then I experience serialous problems)
Webseite des Benutzers besuchen Alle Beiträge dieses Benutzers finden
Diese Nachricht in einer Antwort zitieren to top
19.02.2013, 07:36
Beitrag #3

TickTack Offline
LVF-Neueinsteiger


Beiträge: 2
Registriert seit: Feb 2013

12.0
2012
DE



RE: Datenquelle gleichzeitig mit unterschiedlichen Geschwindigkeiten abtasten?
Danke für deine Antwort!

Ja, so in der Art hatte ich das auch vor. Producer-Consumer-Strukturen hab ich mir auch schon angesehen.. im nächsten Schritt versuche ich das mal mit einer DAQ-Simulation anstatt einer generierten Schwingung. Mein Problem ist ja, dass ich die Eingangswerte der Schwingung ändern muss, um das reale Verhalten abzubilden.

Wie kriege ich denn eine weitere Queue in das Programm, die eine andere Abtastrate hat?
Alle Beiträge dieses Benutzers finden
Diese Nachricht in einer Antwort zitieren to top
19.02.2013, 08:31 (Dieser Beitrag wurde zuletzt bearbeitet: 19.02.2013 08:32 von Y-P.)
Beitrag #4

Y-P Offline
☻ᴥᴥᴥ☻ᴥᴥᴥ☻
LVF-Team

Beiträge: 12.612
Registriert seit: Feb 2006

Developer Suite Core -> LabVIEW 2015 Prof.
2006
EN

71083
Deutschland
RE: Datenquelle gleichzeitig mit unterschiedlichen Geschwindigkeiten abtasten?
Mit weiteren Schleifen (vgl. Producer Consumer Loops).

Gruß Markus

--------------------------------------------------------------------------
Bitte stellt mir keine Fragen über PM, dafür ist das Forum da - andere haben vielleicht auch Interesse an der Antwort !!
--------------------------------------------------------------------------
Alle Beiträge dieses Benutzers finden
Diese Nachricht in einer Antwort zitieren to top
30
Antwort schreiben 


Möglicherweise verwandte Themen...
Themen Verfasser Antworten Views Letzter Beitrag
  Upsampling durch "Signalverläufe erneut abtasten" de_la_questa 5 7.199 30.12.2020 20:04
Letzter Beitrag: Lucki
  Datenerfassung in unterschiedlichen Abständen Titus85 7 6.305 16.07.2014 10:09
Letzter Beitrag: Titus85
  zwei Kanäle auf der gleichen Karte unterschiedlich abtasten ita 5 7.721 30.05.2014 14:04
Letzter Beitrag: Lucki
  Rechtecksignal abtasten zu langsam. LeCruche 4 7.384 17.03.2014 08:19
Letzter Beitrag: jg
  DAQ mit unterschiedlichen Abtastraten cqclevercq2 8 10.439 10.10.2011 20:11
Letzter Beitrag: jg
  Welcher Speichertyp / -VI für hohe Geschwindigkeiten kayligh 1 3.554 28.06.2011 21:46
Letzter Beitrag: kayligh

Gehe zu: