INFO: Dieses Forum nutzt Cookies...
Cookies sind für den Betrieb des Forums unverzichtbar. Mit der Nutzung des Forums erklärst Du dich damit einverstanden, dass wir Cookies verwenden.

Es wird in jedem Fall ein Cookie gesetzt um diesen Hinweis nicht mehr zu erhalten. Desweiteren setzen wir Google Adsense und Google Analytics ein.


Antwort schreiben 

Grafische Darstellung



Wenn dein Problem oder deine Frage geklärt worden ist, markiere den Beitrag als "Lösung",
indem du auf den "Lösung" Button rechts unter dem entsprechenden Beitrag klickst. Vielen Dank!

30.06.2006, 13:57
Beitrag #1

Nico24 Offline
LVF-Grünschnabel
*


Beiträge: 14
Registriert seit: May 2006

8.00
2006
kA


Deutschland
Grafische Darstellung
Hallo zusammen,


bin auf der Suche nach ein paar Tipps zu folg. Problem:

Ich möchte mir einen Kreis, stellvertretend für meine runde Messplatte, definieren, auf dem kontinuierlich Messwerte mit Hilfe einer Farbskala angezeigt werden. Ich denke mal, ich muss vorher mit den Temperaturen, die für meine Messung relevant sind, eine Zuweisung durchführen. Also z.B. 100°C <x<105°C = blau usw....
Es liegen 8 verschiedene Messpunkte auf meiner Messplatte auf einem bestimmten Radius. Diese Anordnung soll dann auch in der Grafik im Programm wieder zu erkennen zu sein.
Die Messdaten selber liegen vor! Es geht nur um ein paar Tipps, die Messwerte den Farben zuzuweisen und diese dann darszustellen. Ev. existieren ja auch schon vordefinierte Funktionen für das Problem, die ich noch nicht entdeckt habe....


Gruß

N.
Alle Beiträge dieses Benutzers finden
Diese Nachricht in einer Antwort zitieren to top
Anzeige
04.07.2006, 12:22
Beitrag #2

Oliver Listing Offline
LVF-Freak
****


Beiträge: 721
Registriert seit: Sep 2004

2012 und 2014 (Windows und Linux)
1998
EN

22844
Deutschland
Grafische Darstellung
Hi Nico,

fertige Funktionen wüsste ich keine...

Du wirst wohl oder übel dir ein Picture Control nehmen müssen und deinen Kreis mitsamt den Messwerte selbst einzeichnen.

Der Komfort hängt dann von dir ab. Die Farben würde ich über einen Dreisatz und einem Definiertem Farbverlauf ermitteln.

Mehr aufwand ist, würde ich aber sagen, das stetige umrechnen von Kartesisch in Polarkoordinaten.
Hierfür empfehle ich die konvertierungsfunktionen in die Komplexen Zahlenbereich, da dieser sich dann wiederum in Polarkoordinaten wandeln läst -> ergo nur zwei Funktionen genutzt...

gruß und viel Spaß beim Zeichnen

Oliver
Webseite des Benutzers besuchen Alle Beiträge dieses Benutzers finden
Diese Nachricht in einer Antwort zitieren to top
04.07.2006, 13:47
Beitrag #3

Oliver Listing Offline
LVF-Freak
****


Beiträge: 721
Registriert seit: Sep 2004

2012 und 2014 (Windows und Linux)
1998
EN

22844
Deutschland
Grafische Darstellung
Hi Nico,

Nico24 schrieb:Hallo Oliver,

danke erst einmal für deinen Post!

Ich habe leider überhaupt keine Ahnung über das von Dir angesprochene Picture Control. Da habe ich noch nie etwas mit gemacht.
Kannst Du Deine Idee ev. noch weiter ausschmückenund mir sagen wie ich grundsätzlich überhaupt so etwas anstelle-wo ich was aufzurufen und zu initialisieren habe....
Dann versuch ich mich da mal durchzukämpfen.

Gruß Nico
schreib doch einfach alles weitere hier hinein, so profetieren auch die anderen davon oder können zur Lösung deines Problems beitragen...


Mit dem Picture Control habe ich selbst auch noch nicht viel gemacht, aber es gibt in der Rubrik Funktionen die dir einen Kreis einzeichnen und Punkte setzen.
Schau doch auch einmal in den Beispiele nach...

Habe dir nun mal kurz ein Beispiel zusammengeschustert. Lasse es endlos laufen und dreh am Rad ;-)
Die Farben bekommst du wie gesagt über einen Dreisatz ausgerechnet.
Den Farbverlauf kannst du dir über eine Property Node aus einem fertigen Graphen ziehen.
Und bedenke: der Nullpunkt des Bildes ist links oben

Gruß
Oliver


Angehängte Datei(en)
Sonstige .vi  Nico24_Kreis_zeichnen.vi (Größe: 20,07 KB / Downloads: 381)
Webseite des Benutzers besuchen Alle Beiträge dieses Benutzers finden
Diese Nachricht in einer Antwort zitieren to top
04.07.2006, 15:48
Beitrag #4

jg Offline
CLA & CLED
LVF-Team

Beiträge: 15.864
Registriert seit: Jun 2005

20xx / 8.x
1999
EN

Franken...
Deutschland
Grafische Darstellung
<div align="left">Hallo, Nico,

wie wäre es denn mit einem Anzeige-Instrument mit Colorramp?

   

MfG,
Jens</div>

Wer die erhabene Weisheit der Mathematik tadelt, nährt sich von Verwirrung. (Leonardo da Vinci)

!! BITTE !! stellt mir keine Fragen über PM, dafür ist das Forum da - andere haben vielleicht auch Interesse an der Antwort!

Einführende Links zu LabVIEW, s. GerdWs Signatur.
Alle Beiträge dieses Benutzers finden
Diese Nachricht in einer Antwort zitieren to top
05.07.2006, 12:17
Beitrag #5

Nico24 Offline
LVF-Grünschnabel
*


Beiträge: 14
Registriert seit: May 2006

8.00
2006
kA


Deutschland
Grafische Darstellung
Hallo Oliver,

ich habe mir dein Beispiel angeschaut und ich verstehe es auch soweit.

Die Funktion "Kreis mit Hilfe des Radius zeichnen" ist auf jeden Fall schon einmal super da ich damit die Größe meiner Messplatte (Radius 140mm) wiedergeben kann.

Wie kann ich es nun bewerkstelligen, dass Radius und Winkel nicht eingegeben werden müssen, sondern zwei Messradien definiert sind, auf denen alle 22,5 ° ein Punkt definiert wird. Also ich habe einen inneren Messkreis (Radius 65mm) und einen äußeren Messkreis (Radius 130mm) auf denen jeweils insgesamt 16 Punkte liegen (ehemals 8 !!!).

Diesen Punkten sollen dann nachher Intensitäten zugewiesen werden. Da immer nur 8 Thermoelemente im Einsatz sind, aber insgesamt 32 Messpositionen zur Verfügung stehen, müssen die 8 Array-Elemente dann sowie immer unterschiedlichen Messpositionen auf der zuvor programmierten Messplatte zugewiesen werden, je nach dem wo gerade gemessen wird!Aber das ist ja erst der nächste Schritt.Sad

Ich habe schon in der vi.lib -> picture->.. rumgestöbert, aber noch keine Alternativen zur grafischen Gestaltung der Messplatte gefunden.

Wäre super, wenn Du Oliver, oder andere Forumexperten weitere Lösungsvorschläge haben, die sich auf Dein bzw. Olivers Beispiel beziehen oder eine ganz andere Vorgehensweise darstellen.

Vielen Dank

Nico
Alle Beiträge dieses Benutzers finden
Diese Nachricht in einer Antwort zitieren to top
05.07.2006, 16:27
Beitrag #6

Achim Offline
*****
*****


Beiträge: 4.230
Registriert seit: Nov 2005

20xx
2000
EN

978xx
Deutschland
Grafische Darstellung
Hi,

ich hab mal was gebastelt, das dürfte dir helfen...

Die Farben der Punkte ("Plots") kannst du dann mit einem Property Node und den Eigenschaften ActivePlot = 0,1,2,3, usw. sowie der Colour = xxxx beschreiben.

Wenn du weniger Punkte brauchst: Entweder anderes Winkelinkrement angeben, oder einzelne Punkte aus dem Punktearray entfernen!

Meld dich mal und sag, ob's was gebracht hat!

Gruss
Achim



Sonstige .vi  kreise_und_punkte.vi (Größe: 23,02 KB / Downloads: 473)

"Is there some mightier sage, of whom we have yet to learn?"

"Opportunity is missed by most people because it is dressed in overalls and looks like work." (Thomas Edison)
Alle Beiträge dieses Benutzers finden
Diese Nachricht in einer Antwort zitieren to top
Anzeige
05.07.2006, 17:48
Beitrag #7

Oliver Listing Offline
LVF-Freak
****


Beiträge: 721
Registriert seit: Sep 2004

2012 und 2014 (Windows und Linux)
1998
EN

22844
Deutschland
Grafische Darstellung
Hi Nico,


ich habe mein Beispiel nochmal etwas ergänzt.
Es ist nun um ein Raster, passend zu deinen Maßen erweitert.
Und man hat nun die Möglichkeit durch einen, mit einer Grafik hinterlegten, Cluster die Meßpunkte auszuwählen, an denen gemessen wurde.

Für dich lasse ich aber noch die Aufgabe mit dem Farbverlauf.
Da du keine Vorgaben gemacht hast, wie die Messwerte übergeben werden, empfehle ich zur einfachen Realisierung ein zweidimensionales Array:
in der 1. Zeile stehen die Messwerte des innerer Ringes und
in der 2. Zeile, die des äußeren.

Werden die Meßpositionen allerdings vom Programm selbstständig erfasst, so hat es sich mit der manuelle vorauswahl...
Sollte dies jedoch nicht der Fall sein, kannst du die Hintergrundgrafik im Cluster natürlich beliebig ersetzen (z.B. Foto einer Probe mit aufgelegtem Raster).

Gruß
Oliver

Ps.: Wenn du fertig bist, kannst du ja mal einen Screenshot von deinem Frontpanel hochladen.

Ach ja: Die Funktionen zum Speichern des Bildes habe ich disabled gesetzt und abgeklemmt.


Angehängte Datei(en)
Sonstige .vi  Nico24_Kreis_zeichnen_v2.vi (Größe: 65,62 KB / Downloads: 373)
Webseite des Benutzers besuchen Alle Beiträge dieses Benutzers finden
Diese Nachricht in einer Antwort zitieren to top
06.07.2006, 07:23 (Dieser Beitrag wurde zuletzt bearbeitet: 06.07.2006 07:27 von Achim.)
Beitrag #8

Achim Offline
*****
*****


Beiträge: 4.230
Registriert seit: Nov 2005

20xx
2000
EN

978xx
Deutschland
Grafische Darstellung
Hi Oliver,

sehr schickes VI, besonders die Auswahl der einzelnen Messpunkte über Radiobuttons. Allerdings ist der dahinter stehende Code schon recht komplex für die eigentliche Aufgabe!

@Nico: Eine Hintergrundgrafik zur optischen Aufwertung des Messaufbaus kann man in meinem Beispiel übrigens auch ganz leicht mit einem PropertyNode und der Eigenschaft PlotBilder.Hinten (Back Image) einbauen!

Gruss
Achim


PS: Gute Idee von Oliver: Nico, lad auf jeden Fall mal dein Ergebnis hoch, du hast sicher auch noch ein paar gute Ideen zur Darstellung! Würd mich interessieren...ich heb mir auch mal Olivers Variante auf, das kann man sicher mal brauchen!

"Is there some mightier sage, of whom we have yet to learn?"

"Opportunity is missed by most people because it is dressed in overalls and looks like work." (Thomas Edison)
Alle Beiträge dieses Benutzers finden
Diese Nachricht in einer Antwort zitieren to top
06.07.2006, 11:33
Beitrag #9

Nico24 Offline
LVF-Grünschnabel
*


Beiträge: 14
Registriert seit: May 2006

8.00
2006
kA


Deutschland
Grafische Darstellung
Hallo Oliver,

zunächst erst einmal danke, dass du dich so intensiv um das Problem gekümmert hast.
Dein Beispiel ist echt superklasse!
Habe nun noch 2 Anliegen:
Zunächst eine eher kosmetischere Sache:
Ich habe vergessen zu erwähnen, dass die Messpunkte nicht genau auf der Horizontalen und Vertikalen der Messplatte (gestaffelt in 22,5°-Schritten) liegen sondern bezüglich der Horizontalen bzw. Vertikalen um 11,25° versetzt sind. Natürlich würde jetzt jeder sagen "Dreh doch einfach die Platte so das es stimmt!". Ich habe die Platte aber so designt, dass genau in der Vertikalen und in der Horizontalen Ausgänge für Thermodrähte liegen und diese Ausgänge auch Ihre festen Positionen im Bauraum haben.
Im Blockschaltbild kann ich ja den Array der die roten Messpunkte hervorruft einfach anders belgen. (anstatt 0; 22,5; 45....->11,25; 22,5; 33,75...).Aber wie ändere ich die hinterlegte Grafik und die dazu gehörigen Auswahlmesspunkte im linken Bild??Es sollen also z. B. die beiden Messwerte aud der 0°-Achse um 11,25° nach oben verlegt werden und dann wieder die 22,5 °-Schritte folgen.

So das zweite Anliegen:

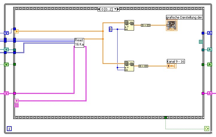
Meine Messwerte liegen in einem 1x8 Array vor. Im beigefügten Screenshot ist zu erkennen, wie die jetzige grafische Darstellung verläuft, wobei die Kanäle 9-16 nur optional sind und momentan nicht berücksichtigt werden. Durch die Stop-Taste wird die Whileschleife und damit auch die Messung angehalten. Nach der Funktion Array Erstellen soll dann die farbliche Darstellung auf der Messplate, also Dein VI positioniert werden wobei die Darstellung imSignalverlaufsgraf ebenfalls beibehalten werden soll!
Ich möchte dann vor jeder Messung die 8 Messstellen markieren, wo auch gemessen wird. Wie binde ich nun meinen 1x8 Array in Dein VI ein wobei ja auch noch die Messwerte laufend aktualisiert werden.


Ich denke mein 1. Anliegen wird für Dich nur eine Kleinigkeit sein! Ev. hast Du ja auch Ideen bezüglich des 2. Aspektes.

Danke nocheinmal,

Nico


Angehängte Datei(en) Thumbnail(s)
   
Alle Beiträge dieses Benutzers finden
Diese Nachricht in einer Antwort zitieren to top
07.07.2006, 11:20
Beitrag #10

Oliver Listing Offline
LVF-Freak
****


Beiträge: 721
Registriert seit: Sep 2004

2012 und 2014 (Windows und Linux)
1998
EN

22844
Deutschland
Grafische Darstellung
Hi Nico,

nun habe ich dir das Programm noch einmal angepasst (ich denke den Rest solltest du aber hinkriegen.

Es sind nun drei VIs geworden:
1. Kreisproben-Graph_zeichnen.vi
Zeichnet den Hintergrund mitsamt dem Gitter, wo die Messwerte eingezeichnet werden können.

2. Kreisproben-Graph_Messwerte_zeichnen.vi
Zeichnet die Meßwerte ein und ergänzt die Skala. Wird hier kein "picture template" angechlossen, so wird ein Default Wert genommen.

3. Nico24_Kreis_zeichnen_Beispiel.vi
Das Beispiel, was dir helfen soll den Graphen in dein Programm zu implementieren.
Ich habe zur Hilfe auch eine While-Schleife und eine Sequenz programmiert, das soll hauptsächlich helfen die Parallelen zu deinem Programm zu sehen.

Z.Zt. liest dein Programm 2*8 Thermoelemente. du mußt durch geeignete Mittel (z.B. Beschriftung) dafür sorgen, das der Anwender weiß, in welcher Reihenfolge diese ausgelesen werden, damit er sie von 0° beginnend gegen den Uhrzeigersinn auf der Probe anbringen kann.

Viel Spaß damit

Oliver


Angehängte Datei(en)
Sonstige .vi  Nico24_Kreis_zeichnen_Beispiel.vi (Größe: 32,94 KB / Downloads: 325)

Sonstige .vi  Kreisproben_Graph_zeichnen.vi (Größe: 85,86 KB / Downloads: 323)

Sonstige .vi  Kreisproben_Graph_Messwerte_zeichnen.vi (Größe: 70,03 KB / Downloads: 331)
Webseite des Benutzers besuchen Alle Beiträge dieses Benutzers finden
Diese Nachricht in einer Antwort zitieren to top
Antwort schreiben 


Möglicherweise verwandte Themen...
Themen Verfasser Antworten Views Letzter Beitrag
  grafische Darstellug der Bewegungsbahnen von einer Denso-Roboterzelle Poligo 7 6.656 30.11.2016 20:49
Letzter Beitrag: GerdW
Photo Fragen zu grafische Anordnung Crys 11 13.144 26.03.2013 18:13
Letzter Beitrag: Crys
  LabVIEW geeignet für grafische Darstellung? Timmey 8 9.199 15.09.2006 11:36
Letzter Beitrag: jg
  Grafische Anzeige für Messwerte christian1979 2 5.263 01.09.2006 13:50
Letzter Beitrag: A.Berndsen
  Grafische Darstellung von mehreren Arrays in einem Graph oder Chart chris_deus 7 9.475 16.08.2006 10:31
Letzter Beitrag: chris_deus
  grafische Darstellung eines Kreises jameson 11 19.756 01.08.2006 10:23
Letzter Beitrag: A.Berndsen

Gehe zu: