INFO: Dieses Forum nutzt Cookies...
Cookies sind für den Betrieb des Forums unverzichtbar. Mit der Nutzung des Forums erklärst Du dich damit einverstanden, dass wir Cookies verwenden.

Es wird in jedem Fall ein Cookie gesetzt um diesen Hinweis nicht mehr zu erhalten. Desweiteren setzen wir Google Adsense und Google Analytics ein.


Antwort schreiben 

Logarithmische Signaldarstellung



Wenn dein Problem oder deine Frage geklärt worden ist, markiere den Beitrag als "Lösung",
indem du auf den "Lösung" Button rechts unter dem entsprechenden Beitrag klickst. Vielen Dank!

03.04.2014, 16:50
Beitrag #41

Adeaphon Offline
LVF-Grünschnabel
*


Beiträge: 39
Registriert seit: Mar 2014

2013
2014
EN

23xxx
Deutschland
RE: Logarithmische Signaldarstellung
Nachdem ich dann heute Mittag mit dem LabVIEW-Support telefoniert habe und mit einem Hinweis auf die Spring 2014er Version verwiesen words, dass der DAQ-Assistent fehlerhaft ist in der 2011 Version, habe ich auf der Arbeit nun auf die neue Version geupdatet.
Passenderweise konnte ich dann gleich das Advanced Signal Processing Toolkit mit installieren, um die TSA Autocorrelations-VI zu testen. Diese scheint auch direkt plausible Werte mit auszugeben.

Nachher werde ich zuhause noch weiter an der Segmentierung der Auswertung arbeiten.

Danke erneut für eure geduldige und tatkräftige Unterstützung! Smile
Alle Beiträge dieses Benutzers finden
Diese Nachricht in einer Antwort zitieren to top
03.04.2014, 19:33
Beitrag #42

GerdW Offline
______________
LVF-Team

Beiträge: 17.529
Registriert seit: May 2009

LV2019 (LV2021)
1995
DE_EN

10×××
Deutschland
RE: Logarithmische Signaldarstellung
Hallo Adaephon,

Zitat:dass der DAQ-Assistent fehlerhaft ist in der 2011 Version
Sowas fällt nur auf, wenn man ihn benutzt. Die meisten "fortgeschrittenen" LabVIEWer verzichten darauf…

Zitat:habe ich auf der Arbeit nun auf die neue Version geupdatet
Dann solltest du auch daran denken, dein Profil hier anzupassen!
Profil_ergaenzen

Alle Beiträge dieses Benutzers finden
Diese Nachricht in einer Antwort zitieren to top
04.04.2014, 09:06
Beitrag #43

Adeaphon Offline
LVF-Grünschnabel
*


Beiträge: 39
Registriert seit: Mar 2014

2013
2014
EN

23xxx
Deutschland
RE: Logarithmische Signaldarstellung
Ich habe es gleich im Profil geändert, danke für die Erinnerung GerdW.


Wegen dem sequenziellen Histogramm habe ich etwas im Internet gesucht und eine VI gefunden, die recht ähnlich dem ist, was ich mir vorstelle.


13.0 .vi  Running_Histogram.vi (Größe: 14,19 KB / Downloads: 163)


Bei dieser VI wird eine PtByPt VI genutzt um eine Queue zu erzeugen welche Blocke erzeugt, die dann dem Histogramm zugeführt werden.

Leider kann ich nicht die bestehende Queue mit dem fortlaufendem Signal über die integrierten Daten an diese Queue anschließen, damit die neue Queue aus 1 sekündlichen Stücken besteht. Gibt es eine solche Queue-VI auch für 1D Werte?
Alle Beiträge dieses Benutzers finden
Diese Nachricht in einer Antwort zitieren to top
04.04.2014, 09:11 (Dieser Beitrag wurde zuletzt bearbeitet: 04.04.2014 09:11 von GerdW.)
Beitrag #44

GerdW Offline
______________
LVF-Team

Beiträge: 17.529
Registriert seit: May 2009

LV2019 (LV2021)
1995
DE_EN

10×××
Deutschland
RE: Logarithmische Signaldarstellung
Hallo Adaephon,

du hast vielleicht die LV2013SP1, aber bestimmt noch nicht die LV2014. Die kommt erst Anfang August in die Läden!
Tipp: LabVIEW->Hilfemenü->"Über LabVIEW"…
Profil_ergaenzen

Kann dein VI gerade nicht anschauen, bin hier mit LV2011 unterwegs.
Zum PtByPt-VI: Das dient dazu, eine Queue zu simulieren und dabei mit Einzelwerten ("Point by Point") zu arbeiten…

Alle Beiträge dieses Benutzers finden
Diese Nachricht in einer Antwort zitieren to top
04.04.2014, 09:51
Beitrag #45

Adeaphon Offline
LVF-Grünschnabel
*


Beiträge: 39
Registriert seit: Mar 2014

2013
2014
EN

23xxx
Deutschland
RE: Logarithmische Signaldarstellung
Guten Morgen GerdW,
oh, ich habe mich von dem Aufdruck der DVDs verleiten lassen, dort stand Spring 2014 drauf, aber unter "About Labview" steht 2013 SP 1
Ich habe es geändert.

Von der Running_Histogramm.VI habe ich mal eine Datei für vorherige Versionen erstellt,
ich hoffe das klappt:

11.0 .vi  Running_Histogram.vi (Größe: 9,62 KB / Downloads: 168)


Aber in der ist eher nur exemplarisch eine Idee enthalten, wie so etwas laufen könnte.

Die Einspeisung der Queue mit den Messwerten macht Probleme.
Alle Beiträge dieses Benutzers finden
Diese Nachricht in einer Antwort zitieren to top
04.04.2014, 09:58
Beitrag #46

GerdW Offline
______________
LVF-Team

Beiträge: 17.529
Registriert seit: May 2009

LV2019 (LV2021)
1995
DE_EN

10×××
Deutschland
RE: Logarithmische Signaldarstellung
Hallo Adaephon,

was erhoffst du dir von dieser PtByPt-Queue?
Hast du dir mal angeschaut, wie die intern aufgebaut ist? Das gleiche hattest du doch schon selbst programmiert: Schieberegister zum Sammeln von Daten…

Alle Beiträge dieses Benutzers finden
Diese Nachricht in einer Antwort zitieren to top
Anzeige
04.04.2014, 10:10
Beitrag #47

Adeaphon Offline
LVF-Grünschnabel
*


Beiträge: 39
Registriert seit: Mar 2014

2013
2014
EN

23xxx
Deutschland
RE: Logarithmische Signaldarstellung
Ja,
die Idee dahinter hatte ich schon einmal selbst erstellt,
aber ich hatte gehofft das über diese Art sekündliche Pulse erzeugt werden könnten mit den relevanten Daten.

Aber ich glaube so geht das auch nicht.

Irgendwie muss ich mir eine Schleife erzeugen, welche abhängig von dem Max-Value einzelne Arrays erstellt die die Daten einer Sekunde Messung enthalten.
Alle Beiträge dieses Benutzers finden
Diese Nachricht in einer Antwort zitieren to top
04.04.2014, 11:48 (Dieser Beitrag wurde zuletzt bearbeitet: 04.04.2014 11:52 von Adeaphon.)
Beitrag #48

Adeaphon Offline
LVF-Grünschnabel
*


Beiträge: 39
Registriert seit: Mar 2014

2013
2014
EN

23xxx
Deutschland
RE: Logarithmische Signaldarstellung
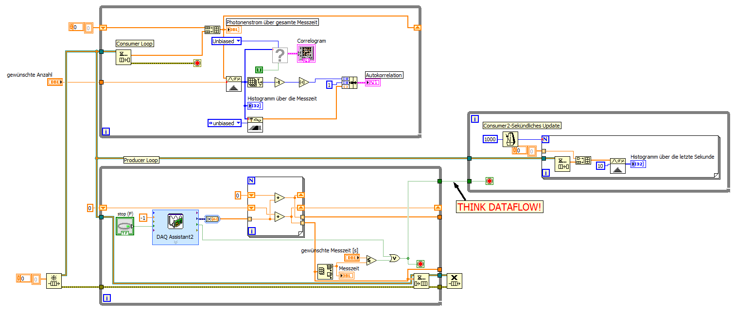
Meine Idee dafür ist, dass ich einen weiteren Consumer der Queue aufmache, darin eine for-Schleife baue, die jede Sekunde eine neue Iteration macht und in dieser Sekunde die Daten der Queue abgreift und für eine bestimmte Anzahl bins je das Histogramm ausrechnet.

   


11.0 .vi  FCS-ProCon.vi (Größe: 73,81 KB / Downloads: 179)


Leider scheint auch das nicht zu funktionieren, die for-Schleife reagiert gar nicht auf die Loop-Condition und der Rest leider auch nicht.

Edit:
Aber mir fällt auch gerade auf, dass so meine Idee auch nicht wirklich umgesetzt werden kann. Ich möchte ein fortlaufendes Histogramm welches alle x-ms einen Balken mit den Counts innerhalb dieses Intervalls ausspuckt. Über die obere Idee würde alle Sekunde ein stehendes Histogramm erzeugt werden, wenn es denn laufen würde.
Alle Beiträge dieses Benutzers finden
Diese Nachricht in einer Antwort zitieren to top
04.04.2014, 12:00 (Dieser Beitrag wurde zuletzt bearbeitet: 04.04.2014 12:02 von GerdW.)
Beitrag #49

GerdW Offline
______________
LVF-Team

Beiträge: 17.529
Registriert seit: May 2009

LV2019 (LV2021)
1995
DE_EN

10×××
Deutschland
RE: Logarithmische Signaldarstellung
Hallo Adaephon,

Zitat:die for-Schleife reagiert gar nicht auf die Loop-Condition und der Rest leider auch nicht.
Ich habe mal auf den Aufräumknopf gedrückt und dann noch einen Kommentar ins BD geschrieben:
   

Zweiter Fehler: Daten an zwei verschiedenen Stellen aus nur einer Queue herauszunehmen endet so gut wie immer im Chaos. Du weißt nie (sicher), welche Daten von welchem Consumer nun gerade gelesen werden…
Sinnbild: eine Queue ist wie ein Förderband, an einem Ende werden Pakete aufs Band gelegt, die am anderen Ende wieder herunterfallen. Du kannst zwischendrin zwar Pakete vom Band nehmen, dann kommt der Arbeiter am Bandende aber durcheinander…

Alle Beiträge dieses Benutzers finden
Diese Nachricht in einer Antwort zitieren to top
04.04.2014, 12:04
Beitrag #50

Adeaphon Offline
LVF-Grünschnabel
*


Beiträge: 39
Registriert seit: Mar 2014

2013
2014
EN

23xxx
Deutschland
RE: Logarithmische Signaldarstellung
Oh,
ich dachte man kann an zwei Stellen die gleichen Werte einer Queue abgreifen.

Also müsste ich das fortlaufende Histogramm mit in die erste und dann einzige Consumer Loop aufnehmen. Damit es zu keinen Konflikten des Datenflusses kommt.
Alle Beiträge dieses Benutzers finden
Diese Nachricht in einer Antwort zitieren to top
30
Antwort schreiben 


Möglicherweise verwandte Themen...
Themen Verfasser Antworten Views Letzter Beitrag
  Signaldarstellung FFT xAchse im Intervall von -x bis +x Print10 27 19.484 25.06.2018 10:39
Letzter Beitrag: GerdW
  Signaldarstellung Farben Kauzig 11 11.286 03.09.2015 07:34
Letzter Beitrag: GerdW
  Signaldarstellung, Sample-Anzahl, Verständnisproblem Herby01 3 5.476 14.06.2015 20:40
Letzter Beitrag: Herby01
  Signaldarstellung mehrere variabler Plots tobi45f 8 8.519 24.02.2015 14:48
Letzter Beitrag: Lucki
  Logarithmische Anpassung Schmu 12 11.295 20.01.2015 13:07
Letzter Beitrag: Lucki
  Signaldarstellung in X-Richtung über den gesamten Graphen Flipflop 5 6.305 06.06.2014 13:19
Letzter Beitrag: Andora

Gehe zu: