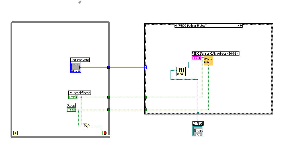
Main-VI aus eine Sub-VI aufrufen |
Wenn dein Problem oder deine Frage geklärt worden ist, markiere den Beitrag als "Lösung",
indem du auf den "Lösung" Button rechts unter dem entsprechenden Beitrag klickst. Vielen Dank!
|
|
|
| Möglicherweise verwandte Themen... | |||||
| Themen | Verfasser | Antworten | Views | Letzter Beitrag | |
| Radiobutton steuern von main.vi aus in While-Schleife | tatanka | 1 | 3.999 |
18.11.2016 08:59 Letzter Beitrag: GerdW |
|
| Oberfläche von SubVI in Main Programm einbinden | sara2211 | 13 | 12.937 |
17.11.2016 08:41 Letzter Beitrag: sara2211 |
|
| Main Frontpanel ausblenden | Pythagoras | 9 | 11.687 |
21.03.2016 19:17 Letzter Beitrag: jg |
|
| VIs aus Main VI starten | Chris88 | 6 | 6.322 |
09.10.2014 11:39 Letzter Beitrag: GerdW |
|
| Eigenschaftsknoten aus SubVi in Main Vi übernehmen | Mel | 2 | 5.604 |
24.05.2013 11:59 Letzter Beitrag: Mel |
|
| Richtige Syntax in der Main für den Verbindungsaufbau zur Seriellen Schnittstelle | Atilla | 8 | 9.210 |
18.03.2013 10:11 Letzter Beitrag: Atilla |
|







