INFO: Dieses Forum nutzt Cookies...
Cookies sind für den Betrieb des Forums unverzichtbar. Mit der Nutzung des Forums erklärst Du dich damit einverstanden, dass wir Cookies verwenden.

Es wird in jedem Fall ein Cookie gesetzt um diesen Hinweis nicht mehr zu erhalten. Desweiteren setzen wir Google Adsense und Google Analytics ein.


Antwort schreiben 

Referenz verliert ihre Gültigkeit



Wenn dein Problem oder deine Frage geklärt worden ist, markiere den Beitrag als "Lösung",
indem du auf den "Lösung" Button rechts unter dem entsprechenden Beitrag klickst. Vielen Dank!

01.02.2010, 12:58
Beitrag #11

Frosch
Unregistered


 







Referenz verliert ihre Gültigkeit
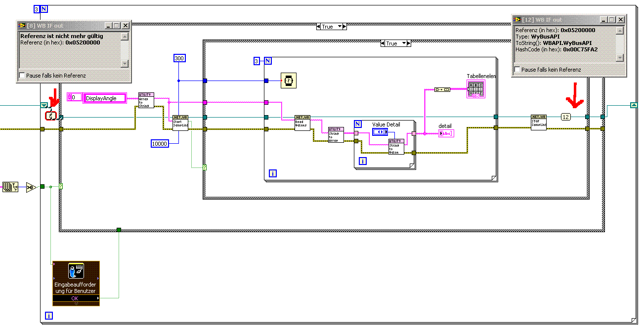
Der Tip von Abrissbirne ohne dem VI stop sampling hat leider auch nichts gebracht. Das angehängte VI "Messdaten berechnen3" zeigt die Referenz zu Beginn des zweiten Schleifendurchlaufs. Komisch ist doch hierbei, dass die Sonde [12] noch wunderbar die Referenz hat (obwohl sie hinter dem VI "stop sampling" platziert ist). Die Sonde [8] dagegen zeigt keine Referenz mehr an, obwohl das Schieberegister die Referenz direkt zurückschleifen sollte.

Grüße
Frosch
Diese Nachricht in einer Antwort zitieren to top
Anzeige
01.02.2010, 13:11
Beitrag #12

Y-P Offline
☻ᴥᴥᴥ☻ᴥᴥᴥ☻
LVF-Team

Beiträge: 12.612
Registriert seit: Feb 2006

Developer Suite Core -> LabVIEW 2015 Prof.
2006
EN

71083
Deutschland
Referenz verliert ihre Gültigkeit
Wo sind die Sonden [12] und [8]? Unsure

Gruß Markus

--------------------------------------------------------------------------
Bitte stellt mir keine Fragen über PM, dafür ist das Forum da - andere haben vielleicht auch Interesse an der Antwort !!
--------------------------------------------------------------------------
Alle Beiträge dieses Benutzers finden
Diese Nachricht in einer Antwort zitieren to top
01.02.2010, 13:13
Beitrag #13

Frosch
Unregistered


 







Referenz verliert ihre Gültigkeit
    Sorry, mein Fehler!!
Jetzt aber:
Diese Nachricht in einer Antwort zitieren to top
01.02.2010, 14:04
Beitrag #14

abrissbirne Offline
LVF-Stammgast
***


Beiträge: 480
Registriert seit: Aug 2007

LV2009, LV2010
2007
EN

66123
Deutschland
Referenz verliert ihre Gültigkeit
' schrieb:[attachment=52438:Messwert...inlesen3.GIF]Sorry, mein Fehler!!
Jetzt aber:
Lösch mal die Tunnel rechts neben Sonde 12 und ziehe sie neu aus den Cases. Ich hatte mal nen Fehler wo ein Tunnel über dem anderen lag. Sieht mir hier fast so aus als könnte das passiert sein.
Alle Beiträge dieses Benutzers finden
Diese Nachricht in einer Antwort zitieren to top
01.02.2010, 15:21
Beitrag #15

Frosch
Unregistered


 







Referenz verliert ihre Gültigkeit
so, den Tunnel neu anzulegen hat auch nichts gebracht. Mir ist aufgefallen, dass diese Referenz bei jedem neuen Start einen neuen Hash Code bekommt. Ich habe jetzt die FOR-Schleife um den ganzen Programmcode gelegt. Also auch um den Teil, in dem der Hash Code genriert wird. Die Sache funktioniert zwar, allerdings muss ich ca. 5 sekunden warten, bis ich den nächsten Wert auslesen kann. Ich denke, damit ist die Sache so erledigt. Vielen Dank an alle, die geantwortet haben!!!!!

Viele Grüße
Frosch
Diese Nachricht in einer Antwort zitieren to top
01.02.2010, 15:56
Beitrag #16

abrissbirne Offline
LVF-Stammgast
***


Beiträge: 480
Registriert seit: Aug 2007

LV2009, LV2010
2007
EN

66123
Deutschland
Referenz verliert ihre Gültigkeit
Trotzdem kann es nicht sein das du eine gültige Referenz in das Schieberegister schreibst und sie in der nächsten Iteration ungültig ist. Der Fehler muss also rechts der Sonde 12 passieren.
Alle Beiträge dieses Benutzers finden
Diese Nachricht in einer Antwort zitieren to top
Anzeige
Antwort schreiben 


Möglicherweise verwandte Themen...
Themen Verfasser Antworten Views Letzter Beitrag
  Maustaste in Ereignisstruktur abfragen / Bedienelement verliert Tastatur-Focus Horst 1 4.257 25.07.2019 12:31
Letzter Beitrag: Horst
  Array Element als Referenz von Referenz Benjamin Fuchs 15 23.625 18.02.2014 11:56
Letzter Beitrag: RabenFlug
  Labview verliert Positionen Thundernail 3 5.610 06.02.2012 10:39
Letzter Beitrag: Y-P

Gehe zu: