INFO: Dieses Forum nutzt Cookies...
Cookies sind für den Betrieb des Forums unverzichtbar. Mit der Nutzung des Forums erklärst Du dich damit einverstanden, dass wir Cookies verwenden.

Es wird in jedem Fall ein Cookie gesetzt um diesen Hinweis nicht mehr zu erhalten. Desweiteren setzen wir Google Adsense und Google Analytics ein.


Antwort schreiben 

Referenz verliert ihre Gültigkeit



Wenn dein Problem oder deine Frage geklärt worden ist, markiere den Beitrag als "Lösung",
indem du auf den "Lösung" Button rechts unter dem entsprechenden Beitrag klickst. Vielen Dank!

01.02.2010, 11:15
Beitrag #1

Frosch
Unregistered


 







Referenz verliert ihre Gültigkeit
Schönen guten Tag!

Ich habe ein Problem mit einer Referenz: Eine FOR-Schleife soll z.B. 3 mal durchlaufen, damit ich 3 Messungen aufnehmen kann. Der erste Schleifendurchlauf funktioniert auch einwandfrei. Der ermittelte Wert steht nach dem 1. Lauf wie gewünscht in einer Tabelle. Ab dem 2. Durchlauf der FOR-Schleife geht allerdings eine Referenz verloren. Dadurch entsteht eine Fehlermeldung. Die Frage ist also, wie ich über einen Schleifendurchlauf hinweg eine Referenz gültig halten kann. Habe die FOR-Schleife mit 2 Sonden als Bild angefügt. Sonde [14] zeigt an: Referenz ist nicht mehr gültig.

Viele Grüße
Frosch


Angehängte Datei(en) Thumbnail(s)
   
Diese Nachricht in einer Antwort zitieren to top
Anzeige
01.02.2010, 11:18
Beitrag #2

Y-P Offline
☻ᴥᴥᴥ☻ᴥᴥᴥ☻
LVF-Team

Beiträge: 12.612
Registriert seit: Feb 2006

Developer Suite Core -> LabVIEW 2015 Prof.
2006
EN

71083
Deutschland
Referenz verliert ihre Gültigkeit
Verwende mal ein Schieberegister an Deiner For-Schleife.

Gruß Markus

--------------------------------------------------------------------------
Bitte stellt mir keine Fragen über PM, dafür ist das Forum da - andere haben vielleicht auch Interesse an der Antwort !!
--------------------------------------------------------------------------
Alle Beiträge dieses Benutzers finden
Diese Nachricht in einer Antwort zitieren to top
01.02.2010, 11:27
Beitrag #3

Frosch
Unregistered


 







Referenz verliert ihre Gültigkeit
Servus Markus.

Danke erst mal für die schnelle Antwort. Habs versucht. Hat leider nichts gebracht, oder hab ich das Schieberegister falsch verwendet?

Grüße
Frosch


Angehängte Datei(en) Thumbnail(s)
   
Diese Nachricht in einer Antwort zitieren to top
01.02.2010, 11:29
Beitrag #4

Y-P Offline
☻ᴥᴥᴥ☻ᴥᴥᴥ☻
LVF-Team

Beiträge: 12.612
Registriert seit: Feb 2006

Developer Suite Core -> LabVIEW 2015 Prof.
2006
EN

71083
Deutschland
Referenz verliert ihre Gültigkeit
Nee. Eigentlich nicht. Schließt Du die Referenz irgendwo in Deinen SubVIs?
Am besten lädst Du Deine VIs mal hoch.

Gruß Markus

--------------------------------------------------------------------------
Bitte stellt mir keine Fragen über PM, dafür ist das Forum da - andere haben vielleicht auch Interesse an der Antwort !!
--------------------------------------------------------------------------
Alle Beiträge dieses Benutzers finden
Diese Nachricht in einer Antwort zitieren to top
01.02.2010, 11:35
Beitrag #5

Andora Offline
LVF-Gelegenheitsschreiber
**


Beiträge: 124
Registriert seit: Jul 2008

2009
2001
de

81539
Deutschland
Referenz verliert ihre Gültigkeit
ich vermute, dass der VI "Stop Sampling" die Referenz schliesst.

Gruß,
Daniel
Alle Beiträge dieses Benutzers finden
Diese Nachricht in einer Antwort zitieren to top
01.02.2010, 11:38
Beitrag #6

Frosch
Unregistered


 







Referenz verliert ihre Gültigkeit
Der Programmteil stammt leider nicht von mir. ich weiß also gar nicht, was da genau passiert. Habe jetzt die VI's hochgeladen, in denen etwas mit der Referenz passiert.

Grüße
Frosch


Angehängte Datei(en) Thumbnail(s)
           
Diese Nachricht in einer Antwort zitieren to top
Anzeige
01.02.2010, 11:38 (Dieser Beitrag wurde zuletzt bearbeitet: 01.02.2010 11:40 von abrissbirne.)
Beitrag #7

abrissbirne Offline
LVF-Stammgast
***


Beiträge: 480
Registriert seit: Aug 2007

LV2009, LV2010
2007
EN

66123
Deutschland
Referenz verliert ihre Gültigkeit
' schrieb:ich vermute, dass der VI "Stop Sampling" die Referenz schliesst.
War auch meine erste Vermutung. Zieh das VI mal aus der For-Schleife.
Kann es sein das die Referenz im letzen Bild im True Case nicht mit dem Ausgang verbunden wurde?
Alle Beiträge dieses Benutzers finden
Diese Nachricht in einer Antwort zitieren to top
01.02.2010, 11:47
Beitrag #8

Frosch
Unregistered


 







Referenz verliert ihre Gültigkeit
Die Referenz ist im TRUE-Fall mit dem Ausgang verbunden. Ich melde mich später wieder, und versuche es mit deinem letzten Tip, abrissbirne. danke erst einmal!

Grüße
Frosch
Diese Nachricht in einer Antwort zitieren to top
01.02.2010, 12:37
Beitrag #9

Frosch
Unregistered


 







Referenz verliert ihre Gültigkeit
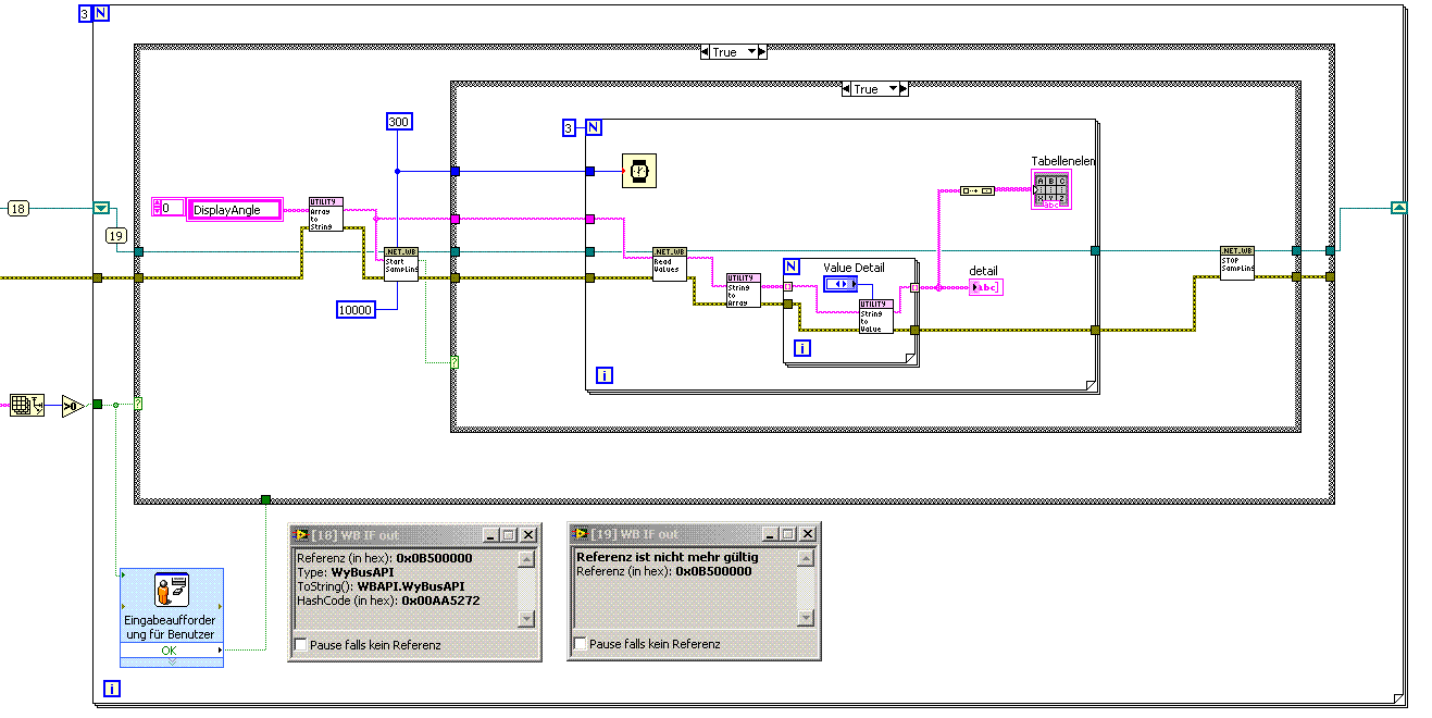
So, mit gestärktem Magen widme ich mich jetzt wieder meinem Problem. Das angehängte VI ( start sampling_TRUE) zeigt, dass ab dem 2. Schleifendurchlauf der TRUE-Zweig durchlaufen wird. Dabei entsteht wohl der Fehler. Habe leider trotzdem keine Ahnung, wie ich das in den Griff bekommen kann.

Grüße
Frosch


Angehängte Datei(en) Thumbnail(s)
   
Diese Nachricht in einer Antwort zitieren to top
01.02.2010, 12:44
Beitrag #10

Andora Offline
LVF-Gelegenheitsschreiber
**


Beiträge: 124
Registriert seit: Jul 2008

2009
2001
de

81539
Deutschland
Referenz verliert ihre Gültigkeit
Das, weil er keine Referenz mehr findet.

Probiere mal den Abrissbirnes Vorschlag :
' schrieb:Zieh das VI mal aus der For-Schleife.

Gruß,
Daniel
Alle Beiträge dieses Benutzers finden
Diese Nachricht in einer Antwort zitieren to top
30
Antwort schreiben 


Möglicherweise verwandte Themen...
Themen Verfasser Antworten Views Letzter Beitrag
  Maustaste in Ereignisstruktur abfragen / Bedienelement verliert Tastatur-Focus Horst 1 4.374 25.07.2019 12:31
Letzter Beitrag: Horst
  Array Element als Referenz von Referenz Benjamin Fuchs 15 24.039 18.02.2014 11:56
Letzter Beitrag: RabenFlug
  Labview verliert Positionen Thundernail 3 5.754 06.02.2012 10:39
Letzter Beitrag: Y-P

Gehe zu: