INFO: Dieses Forum nutzt Cookies...
Cookies sind für den Betrieb des Forums unverzichtbar. Mit der Nutzung des Forums erklärst Du dich damit einverstanden, dass wir Cookies verwenden.

Es wird in jedem Fall ein Cookie gesetzt um diesen Hinweis nicht mehr zu erhalten. Desweiteren setzen wir Google Adsense und Google Analytics ein.


Antwort schreiben 

Referenz zu mehreren Instanzen



Wenn dein Problem oder deine Frage geklärt worden ist, markiere den Beitrag als "Lösung",
indem du auf den "Lösung" Button rechts unter dem entsprechenden Beitrag klickst. Vielen Dank!

28.01.2009, 22:27
Beitrag #11

jg Offline
CLA & CLED
LVF-Team

Beiträge: 15.864
Registriert seit: Jun 2005

20xx / 8.x
1999
EN

Franken...
Deutschland
Referenz zu mehreren Instanzen
Hallo,

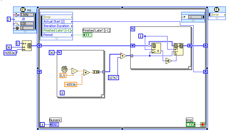
die Idee von IchSelbst mit dem Autoindizierten Arrays als Problem war gut. Ich habe mal deinen Code getestet (war viel zu langsam) und dann nach Hinweis von IchSelbst umgebaut. Sieht dann als Bsp so aus:

   

Prozessorlast dieses Bsp bei mir so ca. 6 %, läuft stabil mit 500 Hz (nur zum Test habe ich die Timed-Loop verwendet, ist sonst total überflüssig).

Die Übertragung der gerade aktuellen Histogramme würde ich per Notifier erledigen (also in jedem Durchlauf wird das Array in einen Notifier geschoben). Wenn ich mal richtig gelesen habe, wird dabei intern nicht unbedingt eine Kopie des Arrays angelegt, sondern eine Referenz übergeben.

Und der der Anzeige-Schleife holst du dann immer das gerade aktuelle Array aus dem Notifier wieder ab.

Gruß, Jens

Wer die erhabene Weisheit der Mathematik tadelt, nährt sich von Verwirrung. (Leonardo da Vinci)

!! BITTE !! stellt mir keine Fragen über PM, dafür ist das Forum da - andere haben vielleicht auch Interesse an der Antwort!

Einführende Links zu LabVIEW, s. GerdWs Signatur.
Alle Beiträge dieses Benutzers finden
Diese Nachricht in einer Antwort zitieren to top
Anzeige
28.01.2009, 22:48
Beitrag #12

Event Horizon Offline
LVF-Neueinsteiger


Beiträge: 8
Registriert seit: Jan 2009

7.1, 8.6
-
DE_EN

42653
Deutschland
Referenz zu mehreren Instanzen
Hallo!

Ja, vielen Dank für die Hilfe.
Ich wollte eben eigentlich auch noch das mit den Shift-Registern ausprobieren, bin aber nicht mehr zu gekommen. Sofern die Melder tatsächlich Referenzen zu den Daten übergeben, sollte das schön schnell gehen. Ich bin mal gespannt, wie das System schnurrt, wenn es denn läuft.
Alle Beiträge dieses Benutzers finden
Diese Nachricht in einer Antwort zitieren to top
29.01.2009, 10:49
Beitrag #13

IchSelbst Offline
LVF-Guru
*****


Beiträge: 3.708
Registriert seit: Feb 2005

11, 14, 15, 17, 18
-
DE

97437
Deutschland
Referenz zu mehreren Instanzen
' schrieb:Sofern die Melder tatsächlich Referenzen zu den Daten übergeben, sollte das schön schnell gehen.
LabVIEW beruht auf dem Prinzip des Datenflusses. Da fließen Daten, nicht Referenzen.

Intern mögen da er eine oder andere Pointer dabei sein. Beim Beschreiben des Melders wird auf jeden Fall kopiert. Und beim Auslesen auch, sonst könnten nämlich nicht 5 gleichzeit auf ein und den selben Melder zugreifen.

Wichtig ist nur, dass der Speichermanager "umgangen" wird. Also so sachen wie ArrayErstellen und Autoindizierung zum Schreiben vermeiden. Daten kopieren an sich geht schnell. Und den Speicher dafür kann man bereits zur Entwicklungszeit bzw. außerhalb von Schleifen festlegen.

Jeder, der zur wahren Erkenntnis hindurchdringen will, muss den Berg Schwierigkeit alleine erklimmen (Helen Keller).
Alle Beiträge dieses Benutzers finden
Diese Nachricht in einer Antwort zitieren to top
30.01.2009, 08:25
Beitrag #14

Event Horizon Offline
LVF-Neueinsteiger


Beiträge: 8
Registriert seit: Jan 2009

7.1, 8.6
-
DE_EN

42653
Deutschland
Referenz zu mehreren Instanzen
Das kann ich nun bestätigen.

Wenn man das Autoindexing umgeht, bekomme ich auch für das Histogrammieren kaum noch Systemlast. Das beginnt erst wieder, wenn ich das Array in einen Melder stopfe. Sofern man das aber nur bei jedem 100. Durchgang oder so macht, hält sich die Last in Grenzen. Das muß ich zur Not noch anpassen, wenn das Programm weiter wächst.

Ich danke euch!
Alle Beiträge dieses Benutzers finden
Diese Nachricht in einer Antwort zitieren to top
30.01.2009, 10:52
Beitrag #15

jg Offline
CLA & CLED
LVF-Team

Beiträge: 15.864
Registriert seit: Jun 2005

20xx / 8.x
1999
EN

Franken...
Deutschland
Referenz zu mehreren Instanzen
' schrieb:Das kann ich nun bestätigen.

Wenn man das Autoindexing umgeht, bekomme ich auch für das Histogrammieren kaum noch Systemlast. Das beginnt erst wieder, wenn ich das Array in einen Melder stopfe. Sofern man das aber nur bei jedem 100. Durchgang oder so macht, hält sich die Last in Grenzen. Das muß ich zur Not noch anpassen, wenn das Programm weiter wächst.

Ich danke euch!
Ich wäre mir gar nicht so sicher, ob das "Kopieren" in den Melder die Systemlast erzeugt. Da tippe ich eher auf die graphische Anzeige. Anzeige von Größenordnung 10 Plot a 65000 Punkte ist ja auch nicht ohne.

Gruß, Jens

Wer die erhabene Weisheit der Mathematik tadelt, nährt sich von Verwirrung. (Leonardo da Vinci)

!! BITTE !! stellt mir keine Fragen über PM, dafür ist das Forum da - andere haben vielleicht auch Interesse an der Antwort!

Einführende Links zu LabVIEW, s. GerdWs Signatur.
Alle Beiträge dieses Benutzers finden
Diese Nachricht in einer Antwort zitieren to top
30
Antwort schreiben 


Möglicherweise verwandte Themen...
Themen Verfasser Antworten Views Letzter Beitrag
  Instanzen identischer SubVi's, Verhalten unerklärbar studmt 5 5.981 22.07.2015 22:11
Letzter Beitrag: studmt
  Fensterpositionen mehrerer Instanzen speichern und laden NoWay 2 4.847 15.07.2014 14:11
Letzter Beitrag: NoWay
  Kommunikation zw. 2 Instanzen einer Exe Trinitatis 3 4.896 14.04.2014 22:15
Letzter Beitrag: jg
  Array Element als Referenz von Referenz Benjamin Fuchs 15 22.910 18.02.2014 11:56
Letzter Beitrag: RabenFlug
  Variable Anzahl von Instanzen zur Laufzeit D_Sev 13 11.583 04.11.2013 09:18
Letzter Beitrag: GerdW
  Wie mache ich zwei Instanzen einer FGV im selben Projekt? Lupin 13 14.258 06.10.2013 19:10
Letzter Beitrag: jg

Gehe zu: