INFO: Dieses Forum nutzt Cookies...
Cookies sind für den Betrieb des Forums unverzichtbar. Mit der Nutzung des Forums erklärst Du dich damit einverstanden, dass wir Cookies verwenden.

Es wird in jedem Fall ein Cookie gesetzt um diesen Hinweis nicht mehr zu erhalten. Desweiteren setzen wir Google Adsense und Google Analytics ein.


Antwort schreiben 

Strukturproblem bei der Datenverarbeitung ?! Schwingungsanalyse



Wenn dein Problem oder deine Frage geklärt worden ist, markiere den Beitrag als "Lösung",
indem du auf den "Lösung" Button rechts unter dem entsprechenden Beitrag klickst. Vielen Dank!

04.08.2011, 21:22
Beitrag #11

jg Offline
CLA & CLED
LVF-Team

Beiträge: 15.864
Registriert seit: Jun 2005

20xx / 8.x
1999
EN

Franken...
Deutschland
RE: Strukturproblem bei der Datenverarbeitung ?! Schwingungsanalyse
Auch wenn es keine Antwort ist, eine kleine Erklärung:

Erstes Problem(chen) bei deinem VI-Upload: Du verwendest VIs aus dem "Sound and Vibration Toolkit". Das haben die meisten User hier im LVF sicherlich nicht installiert.
Zweites Problemchen: Du hast dein VI so stark reduziert (u.a. fehlt die äußere While-Loop), dass gar nicht mehr so recht klar ist, was das ganze VI überhaupt so macht.

Gibt es z.B. einen Fall in deiner State-Machine, in dem du das Schieberegister leerst?

Gruß, Jens

Wer die erhabene Weisheit der Mathematik tadelt, nährt sich von Verwirrung. (Leonardo da Vinci)

!! BITTE !! stellt mir keine Fragen über PM, dafür ist das Forum da - andere haben vielleicht auch Interesse an der Antwort!

Einführende Links zu LabVIEW, s. GerdWs Signatur.
Alle Beiträge dieses Benutzers finden
Diese Nachricht in einer Antwort zitieren to top
Anzeige
04.08.2011, 22:35
Beitrag #12

hlos Offline
LVF-Grünschnabel
*


Beiträge: 10
Registriert seit: Aug 2011

2009
2011
DE



RE: Strukturproblem bei der Datenverarbeitung ?! Schwingungsanalyse
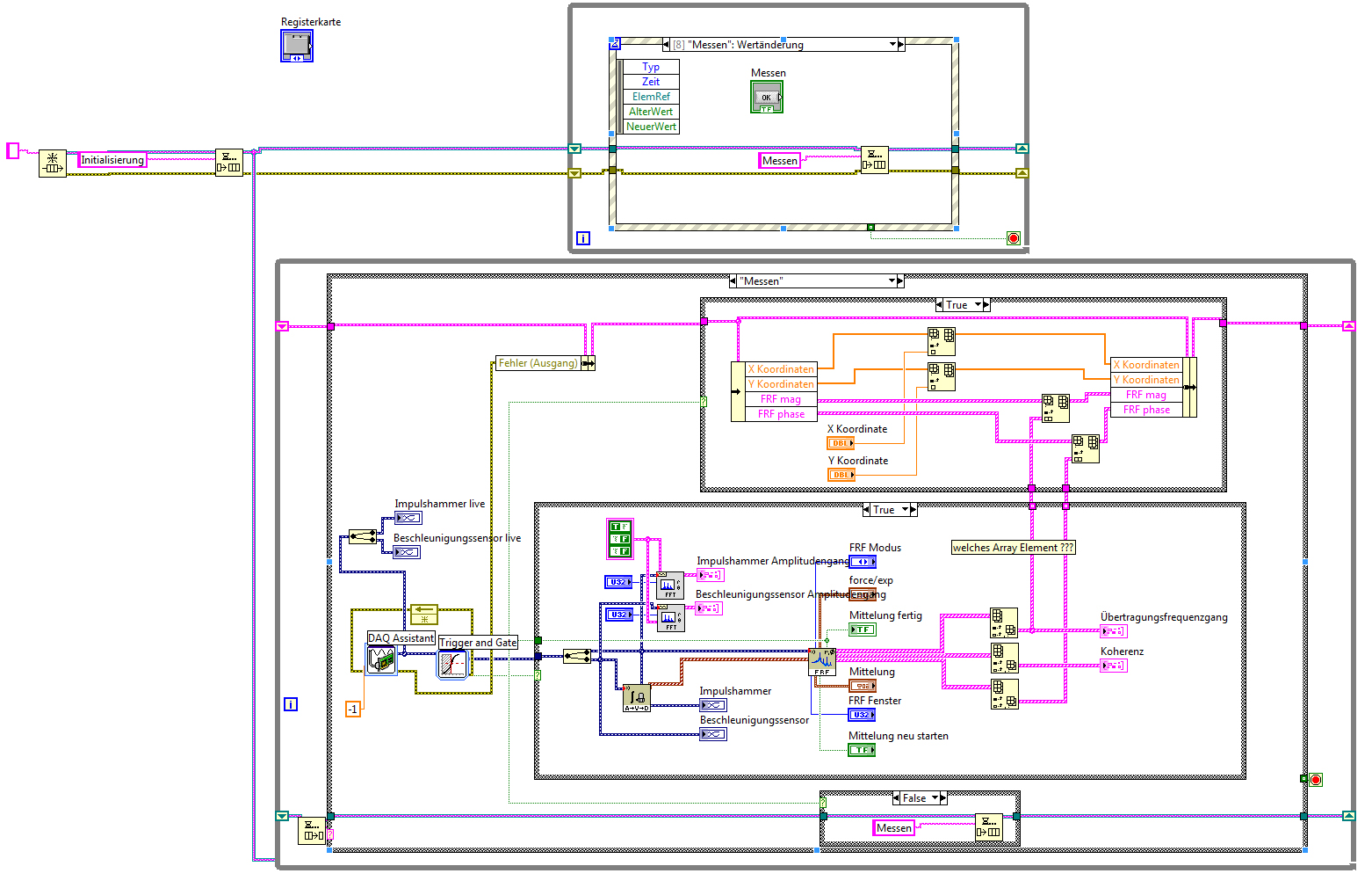
Mit dem Sound and Vibration Toolkit hast du natürlich recht... leider kann ich da ja nicht viel machen.
Ich habe nochmal einen Screenshot hochgeladen vom "ganzen" VI wobei die anderen Cases natürlich nicht sichtbar sind.
Der einzige Case der im Messprozess noch aktiv werden kann ist das "Anzeigen Update" aber da wird der Hauptcluster in den
ich alles reinlade nicht verändert sondern nur gelesen...

Das Schieberegister bzw der Cluster wird beim Start des VI initialisiert... dann nur noch beschrieben.
Ich muss die Daten dann an anderer Stelle noch analysieren... und darstellen ... usw
Dafür benutze ich diese Cluster Datenleitung.

Hm den Queue lösche ich nicht. Ich habe nie verstanden warum und es hat auch (bisher) immer so funktioniert.
Ich werde es morgen aber mal ausprobieren.


Angehängte Datei(en) Thumbnail(s)
   
Alle Beiträge dieses Benutzers finden
Diese Nachricht in einer Antwort zitieren to top
05.08.2011, 14:38
Beitrag #13

hlos Offline
LVF-Grünschnabel
*


Beiträge: 10
Registriert seit: Aug 2011

2009
2011
DE



RE: Strukturproblem bei der Datenverarbeitung ?! Schwingungsanalyse
So...
Ich habe heute eine "Lösung" gefunden...
Ich habe die Abtastfrequenz von 50khz schrittweise auf 10kHz reduziert bis alles wieder einigermaßen lief.
Wenn ich zwischen den Versuchen länger gewartet habe trat das Problem nicht mehr auf. Und bei 10kHz läuft es jetzt recht sicher.
Ich verstehe zwar nicht wirklich warum... aber immerhin läufts.
Seltsamerweise wird die erste Messung nach der ersten Mittelung verworfen, aber das ist praktisch nicht so wild...

Vielen Dank nochmal für eure Hilfe
Alle Beiträge dieses Benutzers finden
Diese Nachricht in einer Antwort zitieren to top
30
Antwort schreiben 


Möglicherweise verwandte Themen...
Themen Verfasser Antworten Views Letzter Beitrag
  Datenverarbeitung Fliecha 19 16.618 05.08.2010 11:27
Letzter Beitrag: Fliecha
  Hilfe beim Umstellung der Eingänge für Schwingungsanalyse JohannesB 2 4.933 11.04.2010 12:44
Letzter Beitrag: JohannesB
  Stopuhr und weitere Datenverarbeitung Mr.Beaker 24 22.792 06.08.2007 10:42
Letzter Beitrag: Y-P

Gehe zu: