INFO: Dieses Forum nutzt Cookies...
Cookies sind für den Betrieb des Forums unverzichtbar. Mit der Nutzung des Forums erklärst Du dich damit einverstanden, dass wir Cookies verwenden.

Es wird in jedem Fall ein Cookie gesetzt um diesen Hinweis nicht mehr zu erhalten. Desweiteren setzen wir Google Adsense und Google Analytics ein.


Antwort schreiben 

Dieses Thema hat akzeptierte Lösungen:

SubVI`s werden in EXE nicht mehr geöffnet



Wenn dein Problem oder deine Frage geklärt worden ist, markiere den Beitrag als "Lösung",
indem du auf den "Lösung" Button rechts unter dem entsprechenden Beitrag klickst. Vielen Dank!

15.02.2013, 17:42
Beitrag #1

MBRB Offline
LVF-Neueinsteiger


Beiträge: 4
Registriert seit: Feb 2013

2011
2013
kA



SubVI`s werden in EXE nicht mehr geöffnet
Guten Abend zusammen!

Nachdem ich mich jetzt schon halb zu Tode gesucht habe und immer noch nicht weiter gekommen bin, möchte ich auch mal eine Frage los werden:

Ich habe ein MainVI, das insgesamt 4 SubVI's mit deren Frontpanels aufruft. Die Besonderheit liegt darin, dass das MainVI automatisch immer die neuste Version des jeweiligen SubVI's findet und lädt. Außerdem muss aus simulationstechnischen Gründen das MainVI die ganze Zeit über bedienbar sein. Auch wenn die SubVI's gerade am Laufen sind.

In Labview direkt funktioniert alles wie gewünscht. Die Frontpanels aller SubVI's öffnen sich und es gibt keine Probleme. Erstelle ich jedoch eine EXE mit dem Application Builder, funktioniert plötzlich nichts mehr. Die Frontpanels der SubVI's lassen sich nicht mehr öffnen. Ich klicke auf ein SubVI in meinem MainVI und es passiert einfach überhaupt gar nichts.

Beim Erstellen der EXE habe ich die MainVI bei den "zu startende VI" eingetragen und die vier SubVI's sind bei "Immer enthalten" eingetragen. Ich habe außerdem bei den Fenstererscheinungsbild-VI-Einstellungen der SubVI's folgende Häkchen gesetzt:
  • Frontpanel beim Aufruf anzeigen
  • Nach Abarbeitung schließen, falls ursprünglich geschlossen
  • Frontpanel nach laden anzeigen

Ich habe auch schon versucht, es als Version 8.xx laufen zu lassen.
Was mache ich denn bloß falsch?
Vielen Dank für eure Hilfe!

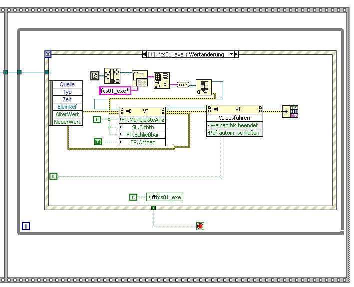
Anbei ein Screenshot von einem Aufruf eines SubVI's:


Angehängte Datei(en) Thumbnail(s)
   
Alle Beiträge dieses Benutzers finden
Diese Nachricht in einer Antwort zitieren to top
Anzeige
15.02.2013, 19:14
Beitrag #2

jg Offline
CLA & CLED
LVF-Team

Beiträge: 15.864
Registriert seit: Jun 2005

20xx / 8.x
1999
EN

Franken...
Deutschland
RE: SubVI`s werden in EXE nicht mehr geöffnet
Auf den ersten Blick sieht das mal wieder nach dem Standard-Problem aus:
Die VI-Pfade innerhalb einer LabVIEW-Exe sind anders als in der Entwicklungsumgebung.
Such mal im Forum, dazu gibt es massig Threads.

Gruß, Jens

Wer die erhabene Weisheit der Mathematik tadelt, nährt sich von Verwirrung. (Leonardo da Vinci)

!! BITTE !! stellt mir keine Fragen über PM, dafür ist das Forum da - andere haben vielleicht auch Interesse an der Antwort!

Einführende Links zu LabVIEW, s. GerdWs Signatur.
Alle Beiträge dieses Benutzers finden
Diese Nachricht in einer Antwort zitieren to top
17.02.2013, 17:43
Beitrag #3

Trinitatis Offline
LVF-Guru
*****


Beiträge: 1.694
Registriert seit: May 2008

7.1 / 8.0 /2014-1, 18
2002
DE

18055
Deutschland
RE: SubVI`s werden in EXE nicht mehr geöffnet
lass dir mal den Pfad des zu öffnenden VIs in der EXE anzeigen - dann siehst du, wo das Problem liegt.

Gruß, Marko
Alle Beiträge dieses Benutzers finden
Diese Nachricht in einer Antwort zitieren to top
18.02.2013, 10:15
Beitrag #4

MBRB Offline
LVF-Neueinsteiger


Beiträge: 4
Registriert seit: Feb 2013

2011
2013
kA



RE: SubVI`s werden in EXE nicht mehr geöffnet
Gute Morgen!

Vielen Dank! Daran habe ich noch gar nicht gedacht! Ich war die ganze Zeit so darauf fixiert, dass die Frontpanels nicht öffnen, dass ich gar nicht in Erwägung gezogen habe, dass etwas mit dem Pfad nicht stimmen könnte.

Ich habe jetzt mal das Signal vor dem "VI-Ref öffnen" abgezweigt und den Pfad ausgeben lassen. Das kompilierte Programm zeigt gar keinen Pfad an! Bedeutet das, dass der Fehler dann schon davor liegt? Ich habe in dem Programm auch noch zahlreiche SubVI´s in Unterordnern. Die VI´s werden meistens aufgerufen, indem die Lage des zu öffnenden VI's vom Ort des aufrufenden VI's aus beschrieben wird. Wie kann ich denn mit absoluten Pfaden arbeiten, ohne das Programm immer an exakt dem selben Ort abgespeichert zu lassen?

Danke!

Gruß, Markus
Alle Beiträge dieses Benutzers finden
Diese Nachricht in einer Antwort zitieren to top
18.02.2013, 11:13
Beitrag #5

MBRB Offline
LVF-Neueinsteiger


Beiträge: 4
Registriert seit: Feb 2013

2011
2013
kA



RE: SubVI`s werden in EXE nicht mehr geöffnet
Konnte meinen obigen Beitrag leider nicht mehr editieren, da schon älter als 30min.

Ich bin bei weiterer Suche gerade noch auf die Application Directory VI gestoßen. Wenn ich das richtig verstanden habe, muss ich dieses VI einfach nur in meine Programmstruktur mit einbinden und kann dann alle Pfade auf dieses VI referenzieren, womit sich mein obiges Problem mit den absoluten Pfaden löst und die Pfade immer gleich bleiben, egal in welchem Verzeichnis und die Exe kommt ebenfalls damit klar. Stimmt das so?

Dieses VI muss dann wahrscheinlich auch in die Rubrik "always include" oder? Muss ich darüber hinaus im App Builder noch weitere Einstellungen vornehmen? Zum Beispiel die hier? http://www.labviewforum.de/attachment.php?aid=32915
Alle Beiträge dieses Benutzers finden
Diese Nachricht in einer Antwort zitieren to top
18.02.2013, 15:06
Beitrag #6

MBRB Offline
LVF-Neueinsteiger


Beiträge: 4
Registriert seit: Feb 2013

2011
2013
kA



RE: SubVI`s werden in EXE nicht mehr geöffnet

Akzeptierte Lösung

Ich habe es in einer abgespeckten Version meines Aufrufs nun endlich hin bekommen! Und zwar hing es an dem Häckchen bei: "Datei-Layout von Labview 8.x verwenden"
Alle Beiträge dieses Benutzers finden
Diese Nachricht in einer Antwort zitieren to top
Anzeige
30
Antwort schreiben 


Möglicherweise verwandte Themen...
Themen Verfasser Antworten Views Letzter Beitrag
  SUBVI arbeitet nach EXE Erstellung nicht richtig hulk 3 5.924 30.01.2021 18:30
Letzter Beitrag: hulk
  Umgebungsvariablen werden in der gebauten Programmversion nicht geschrieben hv_Sepp 1 10.188 09.10.2017 10:52
Letzter Beitrag: hv_Sepp
  Werden Dateien, in SubVI über Dateipfad referenziert, bei Build in exe geschrieben? aleho 2 7.776 07.04.2016 13:07
Letzter Beitrag: aleho
  Subvi nicht verwendbar in exe kevin9r 4 7.431 22.06.2015 09:53
Letzter Beitrag: jg
  USRP SubVIs können in .exe Datei nicht geöffnet werden irrational5 3 7.226 17.07.2014 08:26
Letzter Beitrag: GerdW
  Bilder werden auf anderen PC in der exe nicht angezeigt DomG 13 17.546 25.02.2014 20:16
Letzter Beitrag: DomG

Gehe zu: